ELENCO K-38 Capacitance Substitution Box Instruction Manual
WARNING: Cancer and Reproductive Harm www.P65Warnings.ca.gov.
The Capacitance Substitution Box is a convenient instrument in determining the desired capacitance values in circuits under design or test. The values selected for your capacitance substitution box were determined to be the most commonly used in modern solid-state circuits. The values are from 100pF to 0.1mF in 24 steps.
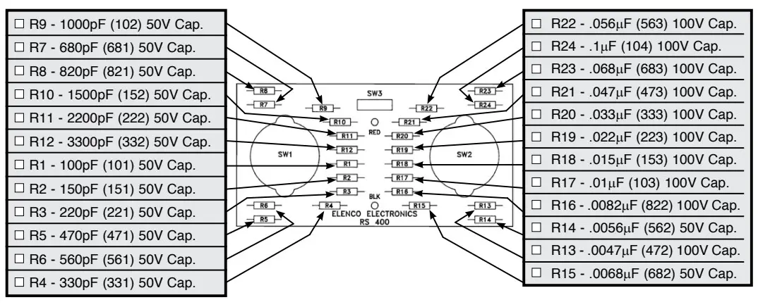
PARTS LIST
If you are a student, and any parts are missing or damaged, please see instructor or bookstore. If you purchased this kit from a distributor, catalog, etc., please contact ELENCO® (address/phone/e-mail is at the back of this manual) for additional assistance, if needed. DO NOT contact your place of purchase as they will not be able to help you.
PARTS IDENTIFICATION
- Switch PC Mount

- Switch 12 Position

- 9mm Nut

- Washer

- Capacitor

- Alligator Clip

- PC Board

IDENTIFYING CAPACITOR VALUES
Capacitors will be identified by their capacitance value in pF (Pico farads), mph (Nano farads), or mF (microfarads). Most capacitors will have their actual value printed on them. Some capacitors may have their value printed in the following manner. The maximum operating voltage may also be printed on the capacitor.
Electrolytic capacitors have a positive and a negative electrode. The negative lead is indicated on the packaging by a stripe with minus signs and possibly arrowheads. Also, the negative lead of a radial electrolytic is shorter than the positive one.
Warning:
If the capacitor is connected with incorrect polarity, it may heat up and either leak, or cause the capacitor to explode.
| Multiplier | For the No. | 0 | 1 | 2 | 3 | 4 | 5 | 8 | 9 |
| Multiply By | 1 | 10 | 100 | 1k | 10k | 100k | 01 | 0.1 |
CERAMIC DISC
ELENCO K-38 Capacitance Substitution Box Instruction Manual
The value is 10 x 10 = 100pF, +10%, 50V
- The letter J indicates a tolerance of +5%
- The letter K indicates a tolerance of +10%
- The letter M indicates a tolerance of +20%
- The letter Z indicates a tolerance of +80% -20%
MYLAR
The value is 22 x 100 = 2,200pF or .0022mF, +5%, 100V
Note: The letter “R” may be used at times to signify a decimal point; as in 3R3 = 3.3
METRIC UNITS AND CONVERSIONS


CONSTRUCTION
Introduction
The most important factor in assembling your K-38 Capacitance Substitution Box Kit is good soldering techniques. Using the proper soldering iron is of prime importance. A small pencil type soldering iron of 25 watts is recommended. The tip of the iron must be kept clean at all times and well-tinned.
Solder
For many years leaded solder was the most common type of solder used by the electronics industry, but it is now being replaced by leadfree solder for health reasons.
Lead-free solder is different from lead solder: It has a higher melting point than lead solder, so you need higher temperature for the solder to flow properly. Recommended tip temperature is approximately 700OF; higher temperatures improve solder flow but accelerate tip decay. An increase in soldering time may be required to achieve good results.
Soldering iron tips wear out faster since lead-free solders are more corrosive and the higher soldering temperatures accelerate corrosion, so proper tip care is important. The solder joint finish will look slightly duller with lead-free solders.
Use these procedures to increase the life of your soldering iron tip when using lead-free solder:
- Keep the iron tinned at all times.
- Use the correct tip size for best heat transfer. The conical tip is the most commonly used.
- Turn off iron when not in use or reduce temperature setting when using a soldering station.
- Tips should be cleaned frequently to remove oxidation before it becomes impossible to remove. Use Dry Tip Cleaner (Elenco® #SH-1025) or Tip
Cleaner (Elenco® #TTC1). If you use a sponge to clean your tip, then use distilled water (tap water has impurities that accelerate corrosion).
Safety Procedures
- Always wear safety glasses or safety goggles to protect your eyes when working with tools or soldering iron, and during all phases of testing.
- Be sure there is adequate ventilation when soldering.
- Locate soldering iron in an area where you do not have to go around it or reach over it. Keep it in a safe area away from the reach of children.
- Do not hold solder in your mouth. Solder is a toxic substance.
Wash hands thoroughly after handling solder.
Assemble Components
In all of the following assembly steps, the components must be installed on the top side of the PC board unless otherwise indicated. The top legend shows where each component goes. The leads pass through the corresponding holes in the board and are soldered on the foil side.
Use only rosin core solder.
DO NOT USE ACID CORE SOLDER!
What Good Soldering Looks Like
A good solder connection should be bright, shiny, smooth, and uniformly flowed over all surfaces.
- Solder all components from the copper foil side only. Push the soldering iron tip against both the lead and the circuit board foil.

- Apply a small amount of solder to the iron tip. This allows the heat to leave the iron and onto the foil. Immediately apply solder to the opposite side of the connection, away from the iron. Allow the heated component and the circuit foil to melt the solder.

- Allow the solder to flow around the connection. Then, remove the solder and the iron and let the connection cool. The solder should have flowed smoothly and not lump around the wire lead.

- Here is what a good solder connection looks like.

Types of Poor Soldering Connections
- Insufficient heat – the solder will not flow onto the lead as shown.

- Insufficient solder – let the solder flow over the connection until it is covered. Use just enough solder to cover the connection.

- Excessive solder – could make connections that you did not intend to between adjacent foil areas or terminals.

- Solder bridges – occur when solder runs between circuit paths and creates a short circuit. This is usually caused by using too much solder. To correct this, simply drag your soldering iron across the solder bridge as shown.

ASSEMBLY INSTRUCTIONS
Begin the PC board assembly with the 100pF capacitor placed in position R1. Be sure to identify the correct value. Bend the leads to fit. Place the capacitor into the PC board with the leads coming out on the copper foil side. Solder into place and clip off the excess leads.


- SW3 – PC Mount Switch
- Mount SW3 in the place shown on the PC board. Solder into place.
- Red Test Lead
- Black Test Lead
Cut off 1 1/2” of wire off of both the red and black wires (SAVE them for later use). Strip 1/4” of insulation off both ends of the 10 1/2” red and black wires and insert them into the holes as marked on the PC board. Solder into place. Tie a knot with both wires 1 1/2” from the surface of the PC board as shown in Figure 1. Pull the wires through the hole in the cover. Slide the alligator boots onto the wires. Solder the wires to the alligator clips. Then, slide the boots onto the clips.
- SW1
- SW2
Bend the tab on the switches down (see Figure 2). Attach the two switches loosely to the front panel with the 9mm nuts and washers. Line up the holes of the PC board with the switch lugs, as shown in Figure 3. Be sure that the board lays flat, then solder the lugs into place. Tighten down the 9mm nuts.

- Jumper wire from SW1
- Jumper wire from SW2 Strip 1/4” of insulation off of both ends of the 1 1/2” red and black wires. Solder one end of the wire to the wiper pin on the 12-position switches and the other to the pad without a hole, as shown in Figure 4.
- Installation of Knobs if Capacitance Meter is Available
Place the knobs loosely on the switch posts. Push the slide switch to the PFD position. Connect a capacitance meter to the output. Line up the pointer of the knob with the value shown on your meter, then push the knob onto the shaft. Push the slide switch to the MFD position and repeat the same procedure
Installation of Knobs without Capacitance Mete
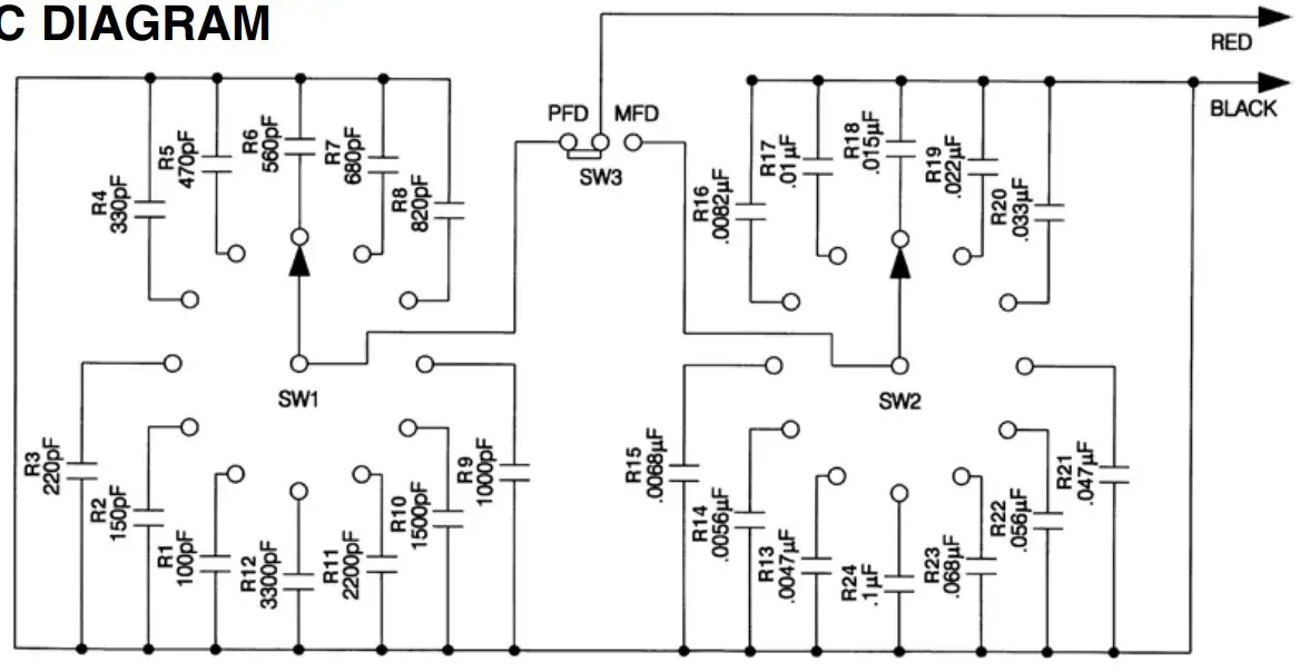
If a capacitance meter is not available, turn both switches so that the wiper contact is in the position shown in Figure 5. Start with switch SW1, follow the copper run on the PC board from the lug in contact with the wiper to the 680pF (R7) capacitor, to be sure that the switch is set in the proper position. Align the knob on the SW1 (pF) switch to the 680pF position, push the knob onto the shaft. Follow the same procedure for switch SW2 (mF), except follow the copper run to the 0.0047mF (R13) capacitor. Align the knob on the SW2 (mF) switch to the 0.0047mF position.
TESTING THE CIRCUIT
| SW1 pF POSITION | |
| Value Position | Meter Reading |
| 100pF | |
| 150pF | |
| 220pF | |
| 330pF | |
| 470pF | |
| 560pF | |
| 680pF | |
| 820pF | |
| 1000pF | |
| 1500pF | |
| 2200pF | |
| 3300pF | |
| SW2 µF POSITION | |
| Value Position | Meter Reading |
| .0047µF | |
| .0056µF | |
| .0068µF | |
| .0082µF | |
| .01µF | |
| .015µF | |
| .022µF | |
| .033µF | |
| .047µF | |
| .056µF | |
| .068µF | |
| .1µF | |
SCHEMATIC DIAGRAM



































