
INSTALLER FRIENDLY SERIES ® (IFS) DRIP
Single Phase, Simplex Subsurface Drip Irrigation Panel for Pump Control and System Monitoring
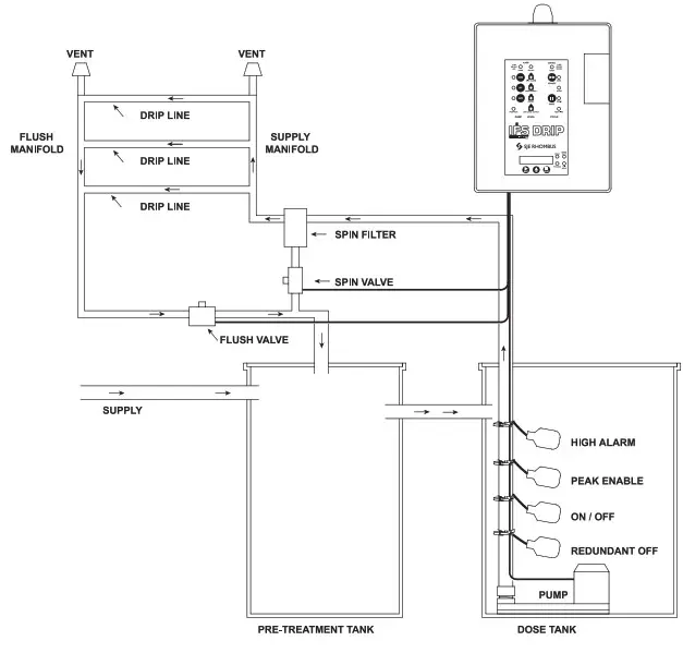
Installer Friendly Series Single Phase Simplex Subsurface Drip Irrigation Panel

Installer Friendly Series®
Panel layout may vary with options.
The Installer Friendly Series ® Drip irrigation control panel is designed to control one 120V or 230V single phase pump for subsurface irrigation systems. The IFS Drip panel features a simple, easy-to-use touch pad on the inner door for programming and monitoring system operation: rest for standard time, rest for peak enable time, spin filter flush time, dose time, field flush time, field drain time, and low alarm activation.
TOUCH PAD FEATURES
A. Alarm Power indicator/fuse; LED indicator light illuminates if alarm power is present in panel
B. Alarm Power replace indicator illuminates if alarm fuse is blown
C. Control Power indicator/fuse; LED indicator light illuminates if control power is present in panel
NOTE: If control power is not present panel will go into alarm mode.
D. HOA (Hand/Off/Automatic) indicators/buttons control pump mode with LED indication
E. Float Status indicators illuminate when floats are activated; alarm will activate and indicator will flash if a float operates out of sequence
F. Pump Run indicator illuminates when pump is called to run
G. Cycle Status indicators allows user to see which cycle (dose, flush, or drain) is activated
H. Advance and Pause buttons allow user to cycle though system functions for testing
I. Rest Time indicator illuminates in between cycles
J. Count indicator illuminates when viewing panel data
K. Program indicator illuminates when programming panel
L. Flush Valve indicator illuminates when flush valve is called to energize
M. Spin Valve indicator illuminates when spin valve is called to energize
N. Seven-Segment LED Display for high water alarm count, float status sequence error count, low level cutout float open low alarm count, standard dose count, power-fail count, pump on/off cycle count, pump run times (hh:mm), and peak dose count
O. Next, Up, Select Buttons are used to navigate through the display.
NOTE: LED display will turn off after one minute of not being used.
COMPONENTS
- Enclosure measures 12 x 10 x 6 inches (30.48 x 24.4 x 15.24) NEMA 4X (ultraviolet stabilized thermoplastic, pad lockable with integral mounting flanges, drip shield, (2) heavy duty cover latches, and stainless steel ¼ turn set screw; for outdoor or indoor use)
- Red LED beacon provides 360° visual check of alarm condition
- Exterior Alarm Test/Normal/Silence Switch allows horn and beacon to be tested and horn to be silenced in an alarm condition; alarm automatically resets once alarm condition is cleared (Not shown)
- Alarm horn provides audio warning of alarm condition (83 to 85 decibel rating) (Not shown)
- Circuit breaker provides pump disconnect and branch circuit protection
- Circuit board provides power to main circuit board and contains terminal blocks for float and valve connections
- Float connections
- Valve connections
- Magnetic motor contactor controls pump by switching electrical lines
- Large incoming power/pump connection terminal block
- Ground lugs
Note: Options, voltage, and amp range selected may change enclosure size and component layout.
Note: Schematic/Wiring Diagram and Pump Specification Label are located inside the panel.
INSTALLER FRIENDLY SERIES ® DRIP – Single phase, simplex subsurface touch pad drip irrigation for pump control and system monitoring.
| Part # | Description | VAC | FLA | List Price |
| 1018134 | IFS Drip Panel | 120/208/240V | 7-15 | $2,199.00 |
| 1021573 | IFS Drip Panel with Pressure Switch | 120V | 7-15 | $2,199.00 |
| 1021563 | IFS Drip Panel with Pressure Switch | 120/208/240V | 7-15 | $2,199.00 |
IFS Drip Control Panel Operation:
Four (4) float switches (low level, timer on/off, peak enable, and high alarm floats) control the operation. Timers internal to the PCB control the pump dosing cycles. When the liquid level activates the timer on float, the following operations occur:
- Rest time
- The pump turns on and the spin filter valve opens for the user-programmed length of time.
- The spin filter valve closes and the pump continues to run for the user-programmed dose time.
- The pump continues to run and the flush valve opens for the user-programmed length of time.
- The pump turns off and the flush valve remains open for the user-programmed drain time.
- The flush valve closes for the user-programmed off time.

9500081J-WEB Rev 01/23
© 2020 SJE, Inc. All Rights Reserved.
SJE Rhombus is a trademark of SJE, Inc.
![]()
www.sjerhombus.com • Toll Free 888-342-5753
California Prop 65 requires the following:
WARNING Cancer and Reproductive Harm – www.P65Warnings.ca.gov
www.sjerhombus.com • email: customer.[email protected]
![]()



















