
System Installation Guide with Freedom SW for OEM Installers
![]()
DANGER
HAZARD OF FIRE, ELECTRIC SHOCK, EXPLOSION, OR ARC FLASH
This Freedom e-GEN System Installation Guide with Freedom SW for OEM Installers is in addition to, and incorporates by reference, the relevant product manuals for each product in the power system. After reviewing this guide you must read the relevant product manuals. Unless specified, information on safety, specifications, installation, and operation is as shown in the primary documentation received with the product. Ensure you are familiar with that information before proceeding.
Failure to follow these instructions will result in death or serious injury.
Exclusion for Documentation
UNLESS SPECIFICALLY AGREED TO IN WRITING, SELLER (A) MAKES NO WARRANTY AS TO THE ACCURACY, SUFFICIENCY OR SUITABILITY OF ANY TECHNICAL OR OTHER INFORMATION PROVIDED IN ITS MANUALS OR OTHER DOCUMENTATION; (B) ASSUMES NO RESPONSIBILITY OR LIABILITY FOR LOSSES, DAMAGES, COSTS OR EXPENSES, WHETHER SPECIAL, DIRECT, INDIRECT, CONSEQUENTIAL OR INCIDENTAL, WHICH MIGHT ARISE OUT OF THE USE OF SUCH INFORMATION. THE USE OF ANY SUCH INFORMATION WILL BE ENTIRELY AT THE USER’S RISK; AND (C) REMINDS YOU THAT IF THIS MANUAL IS IN ANY LANGUAGE OTHER THAN ENGLISH, ALTHOUGH STEPS HAVE BEEN TAKEN TO MAINTAIN THE ACCURACY OF THE TRANSLATION, THE ACCURACY CANNOT BE GUARANTEED. APPROVED CONTENT IS CONTAINED WITH THE ENGLISH LANGUAGE VERSION WHICH IS POSTED AT HTTP://WWW.XANTREX.COM.
NOTE: Visit http://www.xantrex.com , click Products, select a Product category, select a Product, and search the Product Documents panel for a translation of the English guide, if available.
Contact Information
Telephone: +1-800-670-0707 / +1-408-987-6030
Email: [email protected], http://www.xantrex.com/power-products-support/
Web: http://www.xantrex.com
Important Safety Information
READ AND SAVE THESE INSTRUCTIONS
Electrical equipment shall be installed, operated, serviced, and maintained only by qualified personnel. Certain configuration tasks shall only be performed by qualified personnel in consultation with your local utility and/or an authorized dealer. Servicing of batteries and the BMS shall only be performed or supervised by qualified personnel with knowledge of lithium-ion batteries and their required precautions. Qualified personnel has training, knowledge, and experience in:
- Installing electrical equipment
- Applying applicable installation codes
- Analyzing and reducing the hazards involved in performing electrical work
- Installing and configuring lithium-ion batteries
- Selecting and using Personal Protective Equipment (PPE)
No responsibility is assumed by Xantrex LLC for any consequences arising out of the use of this material.

DANGER
HAZARD OF FIRE, ELECTRIC SHOCK, EXPLOSION, OR ARC FLASH
- Apply appropriate personal protective equipment (PPE) and follow safe electrical work practices. See NFPA 70E or CSA Z462.
- Equipment shall only be installed and serviced by qualified electrical personnel.
- Never operate equipment energized with covers removed.
- Inverters are energized from multiple sources. Before removing covers of inverters and other equipment, identify all sources, de-energize, lock-out and tag-out, and wait 2 minutes for circuits to discharge.
- Always use a properly rated voltage sensing device to confirm all circuits are de-energized.
Failure to follow these instructions will result in death or serious injury.
Battery Safety Information

DANGER
ARC FLASH HAZARD
An arc flash is a light and heat produced from an electric arc supplied with sufficient electrical energy to cause substantial damage, harm, fire, or injury.
An example of an arc flash event could be a direct short circuit caused by a metallic object such as a tool bridging between the positive and negative of an energized circuit.
Refer to section 6 for Arc Flash Energy Specifications
HAZARD OF FIRE, ELECTRIC SHOCK, EXPLOSION, OR ARC FLASH
- Do not expose the Xantrex Battery to rain, snow, or liquid of any type. This battery pack is not suitable for marine applications.
- The Xantrex Battery must be used with the Xantrex Battery Management System (BMS).
- Always wear proper PPE (safety glass and clothing) when working on the Xantrex Battery.
- Do not wear metallic items such as watches or bracelets when working on the battery. Use insulated tools to prevent accidental short circuits.
- Do not short-circuit the battery.
- Do not expose the battery to flames.
- Do not step on the battery.
- Do not attempt to open or dismantle the Xantrex Battery. If the battery is damaged, do not touch the corrosive electrolyte or powder. In case battery content comes in contact with skin or eyes, immediately flush the affected area with a large amount of clean water and seek medical help.
When the battery is damaged, it can release harmful gases. Ensure the work environment is well ventilated. - In case of fire, use only a Class ABC type (dry chemical) fire extinguisher. Water can be a dangerous extinguishing medium for energized equipment because of the risk of electrical shock.
- Dispose of Xantrex Batteries through a local recycling center. Do not mix batteries with other wastes. Contact your local recycling center for proper disposal information.
Failure to follow these instructions will result in death or serious injury.
WARNING
RISK OF PERSONAL INJURY OR EQUIPMENT DAMAGE
- The Xantrex Battery must be mounted upright on a horizontal plane. Always follow the manufacturer’s mounting instructions.
- Make sure the Xantrex Battery is fastened and secured. The battery is heavy and can become a crush hazard if not secured properly.
- Do not install the Xantrex Battery under the engine hood or in an environment where the ambient temperature exceeds 113°F (45°C).
- You must install and use the required battery disconnect, fuses, and fuse holders. Replace expended fuses with fuses of the same specifications.
- Do not use stainless lugs on the BMS terminals or on any high-current terminals.
- Always use proper lifting techniques when handling the Xantrex Battery.
Failure to follow these instructions can result in personal injury and/or damage to equipment and may void the warranty.
System Safety Information
WARNING
HAZARD OF ELECTRIC SHOCK, FIRE, OR PERSONAL INJURY
- Do not expose any of the equipment to rain, snow, or liquids of any type. Products in the system are designed for indoor use only.
- Do not obstruct the air ventilation openings on the system devices. Do not install or operate any of the system devices in a compartment containing flammable materials or in locations that require ignition-protected equipment.
- Make sure that existing wiring is in good condition and that wires/cables are not undersized.
- Make sure that all DC and AC connections are properly tightened (to the correct torque specified by the manufacturer) and secured.
- Do not operate the inverter and other equipment with damaged or substandard wiring.
- Equipment such as the inverter must be provided with an equipment-grounding conductor connected to the AC input ground as well as a DC enclosure grounding conductor connecting the inverter chassis to the vehicle chassis.
Failure to follow these instructions can result in death or serious injury.
WARNING
HAZARD OF ELECTRIC SHOCK, FIRE, OR PERSONAL INJURY
- Install means of disconnection from all power sources, such as, AC and DC circuit breakers.
- Make sure that terminal covers are installed and there are no exposed conductors.
- Make sure the second alternator’s temperature sensor is properly installed.
Failure to follow these instructions can result in death or serious injury.
CAUTION
RISK OF PERSONAL INJURY OR EQUIPMENT DAMAGE
- Use the right tools for the job. Use of improper tools may result in damage to equipment and personal injury.
- Verify the weight-bearing capacities of the compartments where the system devices will be mounted and installed.
- Do not lift heavy equipment by yourself. Use two or more people to lift and mount heavy equipment such as the inverter and battery. Use proper lifting techniques during installation to prevent injury and equipment damage.
- Mount and fasten all devices securely according to their installation guides.
Failure to follow these instructions can result in personal injury and/or damage to equipment and may void the warranty.
NOTICE
RISK OF BATTERY DAMAGE
- Observe proper polarity.
- Observe proper storage techniques. Store the battery within the temperature and humidity specified by the manufacturer.
Failure to follow these instructions can result in damage to the battery and may void the warranty.
Introduction
The Freedom e-GEN System Installation Guide with Freedom SW for OEM Installers provides a system overview and installation instructions of a complete power solution that includes:
- a Freedom SW 3012 Inverter/Charger for power conversion,
- a Conext ComBox for Freedom SW and Tablet* for monitoring,
- a vehicle’s second alternator and regulator kit as a power source, and
- a Xantrex Battery with Xantrex BMS for energy storage
This system installation guide is intended to be used by qualified installers. This document provides you as much detail as possible to guide you through the installation process; however, this is not a comprehensive, all-in-one guide. You must read the relevant product manuals that come with each of the system devices and understand the information in those manuals about safety, specification, installation, and operation.
It is the installer’s responsibility to ensure the installation is carried out in a safe manner and the end installation is compliant to applicable code standards.

* Some systems may come with a System Control Panel (SCP)
System Devices
Table 1 Required eGEN system devices and components
| Device Name | Part Number | |
| Freedom SW 3012 | 815-3012 | |
| Ford Transit Alternator Kit (option 1) | 882-0050-12 | |
| Sprinter 6-cylinder Alternator Kit (option 2) | 882-0010-12 | |
| Sprinter 4-cylinder Alternator Kit (option 3) | 882-0020-012 | |
| Dodge Promaster Alternator Kit (option 4) | 882-0030-12 | |
| Xantrex Battery 12V 600Ah (option 1) | 880-0600-12 | |
| Xantrex Battery 12V 450Ah (option 2) | 880-0450-12 | |
| Xantrex Battery 12V 630Ah (option 3) | 880-0630-12 | |
| Xantrex Battery Management System | 881-0406-12 | |
| Battery Disconnect Switch (12VDC, 450A min) | — | |
| Use one of the UL-listed fuses — Class T fuse rated 350A, 125VDC — Class J fuse rated 400A, 450VDC — Class J fuse rated 450A, 450VDC | Use of other fuses and fuse holders voids the UL listing of the system.NOTE: Class J fuses are only permitted with the 12V 630Ah battery | |
| Fuse holder must be UL Listed (IZLT), suitable for single-pole, Type J or Type T fuses, rated 600V, 450A | ||
| System Wiring Harness | 881-0040-12 | |
| GFCI Kit | 808-9003 |
Table 2 Recommended eGEN system devices and components
| Device Name | Part Number | |
| ComBox for Freedom SW | 809-0918 | |
| Skid Plate for the second alternator | — | |
| 100A fuse, Littelfuse [Required if the system includes the Xantrex Battery Combiner (PN: 881-0030-12)] | MEG100 | |
| 600A Busbars,1 for pos(+) and 1 for neg(-), Blue Sea | 2104 | |
| Busbar cover, Blue Sea | 2708 | |
| Xantrex Battery Combiner | 881-0030-12 | |
| 12A Temperature Sensor Switch Heating Blanket, eGEN 135W (sold together) | 881-0240-12 881-0060-12 | |
| 100W Xantrex Solar Kit / 100W Expansion Kit | 780-0100-01 / 780-0100-02 | |
| 160W Xantrex Solar Kit / 160W Expansion Kit | 780-0160-01 / 780-0160-02 | |
| 110W Xantrex Solar Flex Kit / 110W Expansion Kit | 781-0100-01 / 781-0100-02 | |
| Xantrex Solar 30A PWM Charge Controller | 709-3024-01 | |
| Xantrex Solar 30A MPPT Charge Controller | 710-3024-01 | |
| Android tablet | 808-0016 | |
| Internet Modem/router | 881-0050-12 | |
| System Remote Panel including LCD Display | 881-0401-12 | |
| Freedom SW Remote Panel | 808-9002 | |
| Router Power Harness | 881-0020-12 | |
| Xanbus cable (50 ft.) | 809-0941 |
Installation
WARNING
HAZARD OF ELECTRIC SHOCK, FIRE, OR PERSONAL INJURY
Read the system installation guide and associated product manuals prior to installation.
Failure to follow these instructions can result in death or serious injury.
- Prior to installation, identify and isolate all energy sources from the system. Deenergize the system by:
a. removing AC power
b. turning off vehicle ignition
c. turning off the BMS
Keep the system de-energized throughout the installation process.
Follow all necessary safety precautions, use personal protective equipment (PPE) and perform lock-out, tag-out (LOTO). - Plan the mounting locations for all the devices and wiring components prior to wiring.
Follow the mounting instructions for each device, verify the weight-bearing capacity of each mounting location and orientation, and ensure sufficient clearance for proper air ventilation. - Mount and install the system devices before making cable or wiring connections.
Secure heavy objects such as the inverter and the battery by bolting/strapping them to the floor. - Mount and install the DC wiring components including the battery disconnect switch (if applicable), fuseholders, and the busbars. Their relative locations are shown in the system diagram. The battery disconnect switch and the fuse holder for the main battery fuse should be located as close to the BMS positive terminal as possible. If applicable, install the fuseholder for the DC load branch fuse on the positive cable close to the positive DC busbar.
- Mount and install the second alternator using the tools and instructions provided in the alternator kit. Follow the steps below as a guide but refer to the manufacturer’s instructions for complete detail.
a. Install the second alternator using the mounting bracket and pulley provided in the alternator kit.
b. Ensure the alternator chassis is securely fastened to the vehicle metal chassis.
c. Use a straight edge or laser alignment tool to ensure pulleys are within 0.5 degrees of alignment.
d. Check all pulley grooves to ensure they are clean and undamaged. Check the belt to make sure there are no visible cracks, splits, or defects before installing it.
e. Install the belt. Ensure the belt is properly seated in the pulley grooves.
f. Check the belt tension between the engine and second alternator according to the manufacturer’s recommendations. Adjust accordingly using the provided tensioner and a tension gauge. Under or over-tensioned belt will cause belt slippage and premature belt failure. It can also result in overheating of the alternator leading to equipment damage.
g. Check that the Balmar Regulator has the “LFP” sticker before mounting. Contact Xantrex if the “LFP” sticker is missing.
h. Mount the Balmar Regulator.
i. Follow the second alternator manufacturer’s wiring instructions and use the wiring harness in the alternator kit to make the connections between the second alternator and the Balmar Regulator.
j. Make sure the alternator temperature sensor in the wiring harness is installed on the second alternator’s chassis and connected to the correct pins on the Balmar Regulator to prevent equipment damage and fire.
k. Make DC cable connections at the alternator. Refer to “DC Cable and Fuse Requirements” for conductor sizing. Use a separate cable for alternator negative return to the battery. Ensure all electrical connections are secured. To protect from dust and water, install a skid plate (not provided but recommended). - Read “DC Cable and Fuse Requirements”. Then, make the DC cable connections
between all system devices by following the “System Diagram for Power Connection”.
Observe correct polarity. - Install the required DC fuses onto their respective householders.
- If applicable, install a venting tube (rubber tubing) to the pressure-balancing valve on the battery and secure it with a clamp.
- Make AC wiring connections to the Freedom SW according to the “System Diagram for Power Connection”. Follow the Freedom SW installation guide (document umber:
97-0020-01-01) for AC wire sizing instructions.
a. Wire the GFCI kit to the Freedom SW AC INPUT according to the “System Diagram for Power Connection”. You must wire to the line side of the GFCI through the 15A supplementary breaker. Use proper wire-splicing technique and ensure the wire joints are secured and covered with electrical tape.
b. Wire the Freedom SW AC OUTPUT to your AC load panel.
c. Install the GFCI kit to cover the Freedom SW AC terminal.
d. Ensure that all upstream and downstream surge protectors and AC circuit breakers are properly installed. Refer to the Freedom SW installation guide for breaker sizes.
e. Locate the AC adapter provided in the system wiring harness. Plug it into one of the two AC receptacles on the GFCI. - Make the system communication connections between all system devices using the provided system wiring harness (881-0040-12). Use the labels on the wiring harness as a guide and follow the “System Diagram for Communication Connection”. Follow the vehicle manufacturer’s instructions when wiring to the vehicle’s ignition circuit.
- End devices in the Xanbus network must both be terminated with a 120Ω resistor or a Xanbus network terminator (PN: 809-0941). When integrating Xanbus devices into a larger vehicle CAN network, termination resistors are required at each end of the larger CAN network.
- Ensure the installation complies with regional, national, and local electrical codes.
- Make sure all DC and AC connections are secure. Install and put on all necessary safeguards and covers. Make sure there are no exposed conductors. Remove LOTO.
- Perform the end-of-line functional check (document number: 976-0361-01-01).
- Follow the system user guide (document number: 975-0791-01-01) and perform the following system configurations.
a. Download and install the ComBox Freedom SW app to the tablet.
b. Connect to the system ComBox using the app. See ComBox Owner’s Guide for login instructions. The default user name is “admin” and the password is “password”.
c. In the app, go to “Device Parameters” and configure the Freedom SW
Table 3 Device parameters
| Parameter | Value | Parameter | Value | Parameter | Value |
| Low Batt Cut Out | 10.5 V | Equalize Support | Disabled | Max Charge Rate | 100% |
| LBCO Delay | 10 sec (min) | Bulk Voltage | 14.6 V | Charge Cycle | 3-Stage |
| High Batt Cut Out | 14.8 V | Absorb Voltage | 14.6 V | Default Batt Temp | Warm |
| Battery Type | Custom | Float Voltage | 13.4 V | ReCharge Volts | 12.4 V |
| — | — | Batt Capacity (as applicable) | 630 Ah 600 Ah 450 Ah | Absorb Time | 30 min |
| — | — | Auto Charge Enable | Enabled | ||
DC Cable and Fuse Requirements
WARNING
HAZARD OF ELECTRIC SHOCK, FIRE, OR PERSONAL INJURY
Equipment shall only be installed and serviced by qualified electrical personnel who have training, knowledge, and experience in installing electrical equipment and applying applicable installation codes.
Failure to follow these instructions can result in death or serious injury.
IMPORTANT
- The following table contains the minimum system DC cable size requirements for single-insulated copper conductors rated 75 °C in free air based on the ambient temperature of 30 °C according to NEC 2017 Table 310.15(B)(17). This table does not apply to conductors in raceway or conduit, or in ambient above 30 °C.
Table 4 Minimum system DC cable size requirements
| Device* | Typical Amps (A) | Cable Size (AWG)** |
| Alternator | 270 | 4/0 |
| Freedom SW | 320 | 4/0 |
| BMS | 300 | 4/0 |
| Chassis battery | 90 | 2 |
| * the cable is from the Device to the DC busbar ** free air, 30 °C ambient | ||
- Use DC cables with a higher insulation temperature rating (105 °C) if possible.
However, a higher insulation temperature rating does not mean the conductor size can be reduced due to the temperature ratings of the terminal connections. Always use a qualified installer to ensure conductor sizing complies with regional, national, and local electrical codes. - The DC cables must be UL marked and certified.
- Longer cables may cause excessive voltage drop and affect system performance.
Keep cable length as short as practically possible. - Use twin wires [pos(+) and neg(-) DC cables] for all DC connections. Do not use the vehicle chassis in place of the DC negative connection. The system requires reliable DC return paths.
- The battery system must be used with a Xantrex-approved fuse (see Table 1 for a list of approved fuse options). The main battery fuse and all other fuses in the system must be installed on the positive (ungrounded) conductor as close to their power sources as possible. Distance restrictions may apply according to applicable codes.
- The DC load branch, if installed, must be properly fused. The total DC load branch should not exceed 30A to avoid overheating the main DC cables and blowing the main battery fuse. It is the installer’s responsibility to ensure the voltage, current and interrupts ratings of the DC load branch fuse are adequate to protect the cables and downstream loads according to applicable codes.
- Use Xantrex-approved busbars (Blue Sea, 2104) to make the DC interconnections to ensure sufficient current-carrying capacity. You must follow the connection order at the busbar terminal studs (DC load – alternator – BMS – Freedom SW) as shown in the system diagram for optimal heat transfer. Use the same connection order for both positive and negative busbars.
- Ensure there is sufficient space between the DC positive and negative busbars and fuse holders.
- All terminals must be tightened according to the manufacturer’s torque specifications.
- Certain codes require a service disconnect such as a battery disconnect switch. In this case, you must select a battery disconnect switch with a continuous current rating of no less than 450A and a voltage rating of no less than 12V.
- Ensure all system devices are properly and securely grounded to the vehicle chassis using the correct wire sizes.
- Install terminal covers and make sure there are no exposed conductors.
Arc Flash Energy Specifications
Table 5 below quantifies the hazard level of arc flash energy that each battery system is capable of producing. Calculations are based on NFPA 70E D.5.1 using the Maximum Power Method applied for a maximum of six modules in parallel connection.
Table 5 Hazard level of arc flash energy
| Configuration | Vsys | Impedance mΩ | Ibf, calc | Iarc | IEm cal/cm2 | 3x IEm cal/cm2 | The distance where IEm=1.2 (Arc Boundary), inches | Hazard level |
| GT12V450 | 12.8 | 0.34 | 37833 | 18916 | 0.082 | 0.246 | 4 | 0 |
| GT12V525 | 12.8 | 0.3 | 43390 | 21695 | 0.094 | 0.282 | 5 | 0 |
| GT12V600 | 12.8 | 0.35 | 36398 | 18199 | 0.079 | 0.236 | 4 | 0 |
| GT24V300 | 25.6 | 0.32 | 80000 | 40000 | 0.346 | 1.039 | 9 | 0 |
| GT48V150 | 48 | 0.9 | 53432 | 26716 | 0.434 | 1.301 | 10 | 0 |
| GT51V150 | 51.2 | 0.85 | 60117 | 30059 | 0.52 | 1.561 | 11 | 0 |
![]() | ||||||||
Table 6 Hazard/risk classification per NFPA 70E-2018
Category | Energy level | Typical PPE examples |
0 | n/a | non-melting, flammable materials (e.g. untreated cotton, wool, rayon, etc.) |
1 | 5 cal/cm2 | Fire-resistant (FR) shirt and fire-resistant (FR) pants |
2 | 8 cal/cm2 | Cotton underwear + FR shirt and FR pants |
3 | 25 cal/cm2 | Cotton underwear + FR shirt and FR pants + FR coverall |
4 | 40 cal/cm2 | Cotton underwear + FR shirt and FR pants + double layer switching coat and pants |
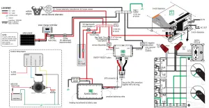
System Diagram for Power Connection
NOTICE
EQUIPMENT DAMAGE
The system diagram is for information and illustration purposes only. Always use a professional installer that satisfies the requirements for qualified personnel.
Failure to follow these instructions can result in damage to equipment.
NOTE:
- The diagram is for information and illustration purposes only. Images are not-to-scale.
- The system diagram is not intended to guide the actual placement of equipment.
- Read and follow “DC Cable and Fuse Requirements” section.

System Diagram for Communication Connection
NOTICE
EQUIPMENT DAMAGE
The system diagram is for information and illustration purposes only. Always use a professional installer that satisfies the requirements for qualified personnel.
Failure to follow these instructions can result in damage to equipment.
NOTE:
- The diagram is for information and illustration purposes only. Images are not-to-scale.
- Route data cables away from devices that can potentially interfere with data communications.

Copyright © 2019-2020 Xantrex LLC. All Rights Reserved.
All trademarks are owned by Xantrex LLC and its affiliates.
975-0790-01-01 Rev J
Dec 2020



















