User Manual

VER:NDL601-1.0
Introduction
The Wildlife Camera is a wildlife and surveillance camera with an infrared sensor. The sensor can detect sudden changes to the ambient temperature within an evaluation area. The signals of the highly sensitive infrared sensor (PIR, passive infrared sensor) switch on the camera, activating picture or video mode.
Features of Trail Camera
- CMOS sensor.
- 24MP photo and 1296P HD video.
- 2.0″color TFT LCD: 320×240 pixels.
- 34pcs LEDs 5. Full automatic IR filter.
- Trigger speed: Approx. 0.3 second.
- Power indicating.
- Built-in test function about environmental temperature.
- Built-in microphone and speaker.
- Mini USB 2.0 interface.
- Working temperature: -20°C to 60°C.
- Extremely low power consumption in standby operation providing extremely long operating time lasts 6 months with 8 pcs batteries when taking 50 pics photos every day.
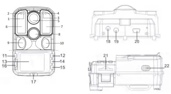
Structure

- Photosensitive sensor
- Secondary PIR indicator
- System indicator
- Main PIR indicator
- Lens
- Left IR LED
- Right IR LED
- Main sensor
- Left sensor
- Right Sensor
- MODE
- Up botton
- LCD
- OK/SHOT
- Down bottom
- OFF/SETUP/ON
- Battery compartment cover
- DC connector
- AV connector
- USB Port
- SD Slot
- Speaker
Button function and indicator
Button | Functions |
| Power | Pull switch: 1. OFF 2. SETUP 3. 0N |
| MODE | 1. Short press to switch recording, photo, playback, and menu 2. In the submenu, short press to return to the previous menu 3. Short press on the password setup interface to enter the next setup option. |
| Up | 1. In the menu setting mode, you can select upwards 2. In the time setting or password-protected interface, you can select numbers or characters upwards. 3. Press and hold for 3 seconds to open or exit the WIFI |
| OK/SHOT | 1. In the video or photo interface, short press to take a photo or video; 2. Under menu settings, short press to confirm 3. Under the time setting, short press to enter the next setting option |
| Down | 1. In the menu setting mode, you can select down 2. In the time setting or password-protected interface, you can select numbers or characters down. 3. In playback mode, long press to pop up the delete menu window, delete files, or lock protection files |

1. Mode Button
2. Up
3. OK
4. Down
2. Power Switch
2.1 Shift the switches to choose work mode:
The Power Switch is used to control the camera working stat
- Power on and off/ System settings following pages. In SETUP mode, the infrared lamp is closed.
1.1 To put the operating mode selector switch from “OFF” to “SETUP”, the camera is on.
1.2 Press the MODE button to switch video, photo, playback, and menu modes
1.3 Press OK to save the Settings under menu Settings. In the interface of recording or photographing, short press to take pictures or record videos
Getting started
- Battery/Adapter Please make sure to place batteries in the camera before using.
1.1First open the camera by swiveling the base plate. Find the battery compartment cover to open it. Insert 8pcs AA batteries into the battery slot.
1.2 When using the power adapter (optional), find the rubber seal on the bottom of the camera and open it, then plug it into the power supply (DC DC6V-2A). - Inserting memory card 2.1 Push the SD card into the card slot according to the instruction and make sure the SD card is fully inserted. 2.2 To remove the memory card, gently press the edge of the memory card until it pops out.
Note: The camera doesn’t have built-in memory. A memory card must be inserted into the camera before use. After inserting the memory card, make sure to format the memory card on the camera first.
How to start
Push the release button to eject the battery case
Load 8 new alkaline batteries
Install the battery case
Insert the SD card
Switch to Setup

Assembly With Strap

WiFi and APP
Before operating the camera, please scan the QR code to get the APP : Hunting Cam Pro Choose the QR code according to the operating system:
![]() | ![]() |
Turn On WIN
- In Setup mode, press and hold the” t” button to turn on WiFi on the camera, the camera screen will display WiFi SSID and password(see picture below). The green and blue indicators will flash at the same time.

- When the camera is in ON mode, press and hold the “ON” button on the Remote Control to turn on WiFi on the camera. The red indicator on the Remote Control will flash quickly, the camera screen will display WiFi SSID and password(see picture below). The green and blue indicators will flash at the same time.
- Press the “OFF” button on the Remote Control to turn off WiFi on the camera. After turning off WiFi, the camera will automatically return to ON mode.

| WiFi ON | The green and blue Indicatorflash at the same time |
| Phone Connected Successfully | The green and blue Indicator will light up, then go off after the camera enters live view. |
| WiFi Connection lime Out | The indicator will go off and the camera will automatically turn off WiFi. |
| WiFi OFF | The indicator will go off. |
- In order to exit WiFi, disconnect the WiFi on the smartphone, then press the” t “button on the camera to turn off WiFi. Or press and hold the “OFF” button on the Remote Control to turn off WiFi on the camera. If the APP is shut down on the smartphone, the camera will automatically turn off WiFi after the preset time (in “Auto WiFi Off”).
Connect we shone to the camera
Turn on the WiFi on the camera, then turn on WiFi on your smartphone, find the WiFi hotspot named ‘Hunting Camera’. Choose to connect to”Hunting Camera “with password:1234567 8. After successful connection, the camera will display WiFi-connected on the screen(see picture below).
WiFi Connected
MAC:14169e4bcf5e
Press UP to Disconnect
APP operation
After a successful connection, you can add the camera in the APP : Hunting Cam Pro. Open the Hunting Cam Pro, click the “Camera” button to enter live view,
- You can watch live vide in the APP, choose to take photos/ record videos, change the setup.
- You can download the files to your phone, and manage the fibs in the APP root menu°

- CAMERA: Enter Live View
: Camera
: Downloaded File Manager
: APP Setup


PIR sensitivity High
/ Medium / Low
- Select the sensitivity according to the applied conditions.
- Select “High” For interior areas and environments with little interference
- Select “Medium” for exterior areas and environment with a normal amount of interference,
- Select “Low” for an environment with a high level of interference.
IR LED
Auto / Super Fine / Economy
Adjust the IR LED brightness. At Super Fine, the IR LED will consume more power.
Time Lapse
Press “ON” to set the time interval, and set the values of Hr, Min, and Sec. For example, if the process of flowers blooming has to be recorded, time-lapse can be used. The camera automatically takes pictures in every set time interval.
Monitoring Period
Timer 1 start /Timer 1 stop
Timer 2 start /Timer 2 stop
Select “ON” to turn on this function, and set the Timer land Timer 2 to set the starting working and ending working time. After finishing the setting, the camera only works during the set time every day. Beyond the period, the camera is in standby. If the start time is, for instance, set to 18:35 and the end time to 8:25, the camera will be operational from 6:35 pm of the current day until 8:25 am of the following day. The camera will not be triggered and will not take any photos or videos outside of this period.
Record Audio
Turn on/off audio recording
DateTime
Select Date/Time and press OK to change the Date/Time setting.
Use the Up and Down buttons to adjust values, Press OK to confirm the change, and switch to the next digit.
After setting the time and date, press MODE button to exit the Date/Time setting.
lime Format
12H / 24H
Choose 12 hours system or 24 hours system.
Date Stamp
ON / OFF
Turn on/off display of date watermark on photo Camera Name
Setup the camera name and it will be displayed in the photo watermark.
Beep Sound
ON / OFF
Turn on/off button operation beep sound.
Language
Select the menu language. English / French / Spanish / Portuguese / German / Italian / Chinese available.
Password Setting Setup a startup password to protect the camera.
Auto VVIR Off Setup the time so the camera will automatically turn off WiFi when it is not connected to a smartphone within the preset time.
Format the memory card.
Default Setting Cancel /OK Press’OICto reset the camera settings to the default values.
Install the Camera in the field

The SETUP mode is advantageous for determining the best possible detection angle and range of the movement sensor.
For this purpose, attach the camera at approx. 1m -2m height to a tree and align the camera to the desired direction.
At 1 meter height above the ground, place the camera parallel to the ground. At 2 meters height above the ground, Tilt the camera down five degrees to the ground.
Enter ON / Live Mode
The SETUP mode is advantageous for determining the best possible detection angle and range of the movement sensor. For this purpose, attach the camera at approx. 1m -2m height to a tree and align the camera to the desired direction. At 1 meter height above the ground, place the camera parallel to) the ground. At 2 meters height above the gro nd, Tit the camera down five degrees to the ground.

- In the daytime. IR LEDs will not lig It up. The photos and videos are in color.
- At night. IR LEDs will light up, and the photos and videos are in black and white
- When Flash Light Is set to ‘Auto”, the camera will adjust the brightness of IR LEDs automatically in low power.
- When shooting at night, the brightness will decrease automatically. Under ultra low power, the power Is not enough to light up the IR LEDs, shooting will stop at night.
Technical Specifications
| Image sensor | 5MP CMOS sensor |
| Function modes | Video recording/Photo/Playback/Menu |
| Lens | F2.5 f=3.6m |
| Screen | 2.0 inch LCD |
| Photo resolution | 24M/20M/16M/12M/10M/8M/5M/3M/2M |
| Video resolution | 1296P/1080P/720P/WVGA/VGA |
| Memory type | TF card(up to 32GB max) |
| format | JPG, MP4 |
| USB connection | USB 2.0 |
| Power | 6.0V |
| Language | English/Chinese/German/French/Italy/Spanish/ Portuguese/Nederlands/Japan/ Dansk/Svenska |
| Support System | Windows XP/Vista/7/8, Mac 10.2 |
| Dimension | 95×137.5x64mm |
Note: Specification could be subject to modification due to updating.
Please regard the actual product as the standard form.
Simple Troubleshooting
| The camera will not turn on | 1. Please check whether the batteries are installed in a proper way. 2. Check if the battery capacity is low or exhausted. If so, please replace by new batteries. |
| The camera turns off automatically | 1. Please check whether the battery capacity is low or exhausted. If so, try to change new batteries for outdoor using or connect AC adapter for indoor use. 2. Please check if SD card is full. If so, transfer images and videos to your computer or delete some files in the Replay Mode. |
| It shows ‘SD card Error” | 1. Please ensure that SD card is with class 10 standard or higher level. 2. Please use the camera to format SD card at the first time. |
| Videos are choppy or jumpy when played on a computer | 1. Try to use different media players such as VLC player. 2. Ensure AVI format Video clip can be played on your computer |
Warm Prompt
Care
Do not use any corrosive cleaners, such as methylated spirits, thinners, etc. to clean the camera housing and supplied accessory; When required, the dean s^tem components with a soft dry cloth. Storage Always removes the battery from the housing If the camera Is not being used for some time and store the battery separately^ On a day to day basis and over longer periods the batteries can be kept at a dry location out of the reach of children.
IF YOU HAVE ANY QUESTIONS OR PROBLEMS. Please contact us by
[email protected]
We will offer prompt and authoritative replies within 24 hours, and try our best to resolve your problem ASAP More Safe Guarantee with Campark! If you are not satisfied with our product. Please tell us about your thought. That will be much appreciated.
1.2 When using the power adapter (optional), find the rubber seal on the bottom of the camera and open it, then plug it into the power supply (DC DC6V-2A).






















