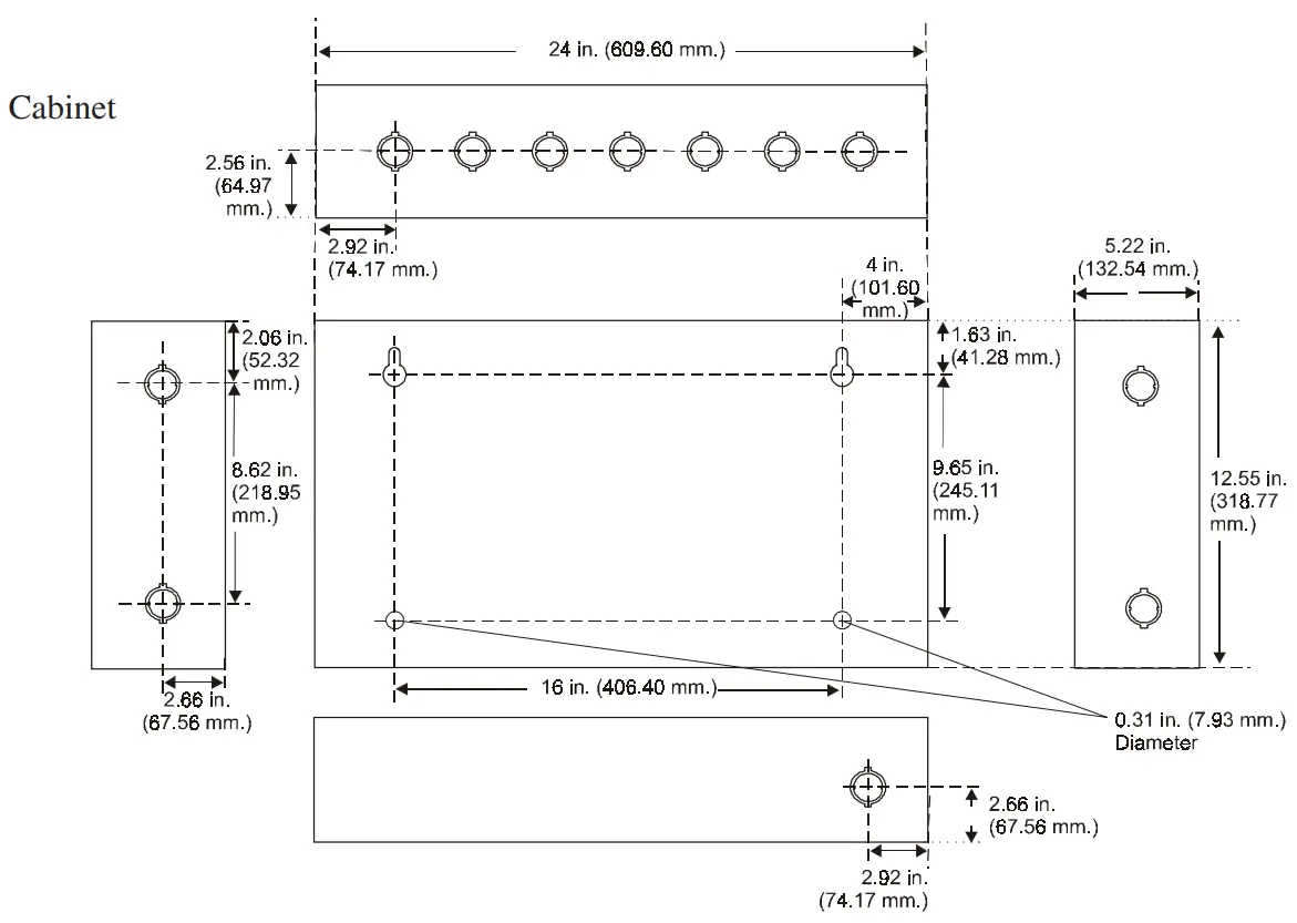
NOTIFIER BB-25 Cabinet

The BB-25 Cabinet is designed to house the CHS-6 Chassis. The cabinet is hinged at the bottom, and is shipped assembled. Below are the cabinet dimensions for installation.
DIMENSION


The BB-25 Cabinet comes with a false bottom plate. Place this plate in the bottom of the cabinet for battery support.


















