TUNTURI PT80 Power Tower User Manual
Attention
Please read this Owner’s manual before assembling this product.
Welcome
Welcome to the world of Tunturi!
Thank you for purchasing this piece of Tunturi equipment. Tunturi offers a wide range of home fitness equipment, including crosstrainers, treadmills, exercise bikes, rowers, strength benches and multi stations. The Tunturi equipment is suitable for the entire family, no matter what fitness level. For more information, please visit our website www.tunturi.com
Important Safety Instructions
This Owner’s Manual is an essential part of your training equipment: reading all instructions in this manual before you start using this appliance. The following precautions must always be followed:
Important safety notice
This exercise equipment is built for optimum safety. However, certain precautions apply whenever you operate a piece of exercise equipment. Be sure to read the entire manual before you assemble or operate your equipment. In particular, note the following safety precautions:
- Keep children and pets away from the equipment at all times. DO NOT leave children unattended in the same room with the equipment.
- Only one person at a time should use the equipment.
- If the user experiences dizziness, nausea, chest pain, or any other abnormal symptoms, STOP the workout at once. CONSULT A PHYSICIAN IMMEDIATELY. Position the equipment on a clear, levelled surface. DO NOT use the equipment near water or outdoors.
- Keep hands away from all moving parts.
- Always wear appropriate workout clothing when exercising. DO NOT wear robes or other clothing that could become caught in the equipment. Running or aerobic shoes are also required when using the equipment. Use the equipment only for its intended use as described in this manual. DO NOT use attachments not recommended by the manufacturer.
- Do not place any sharp object around the equipment.
- Disabled person should not use the equipment.
- Before using the equipment to exercise, always do stretching exercises to properly warm up.
- Never operate the equipment if the equipment is not functioning properly.
- A spotter is recommended during exercise.
- This equipment is designed and intended for home and consumer use only, not for commercial use.
Warning:
Before beginning any exercise program, consult your physician.
This is especially important for individuals over the age of 35 or persons with pre-existing health problems. Read all instructions before using any fitness equipment. Tunturi New fitness bv. assumes no responsibility for personal injury or property damage sustained by or through the use of this
product.
Save these instructions!
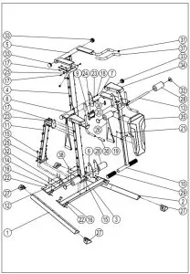
Parts List

| NR | Description | Specs | Qty |
| 1 | Right Base | 1 | |
| 2 | Left Base | 1 | |
| 3 | Long Joint Frame | 1 | |
| 4 | Upright | 1 | |
| 5 | Top Support | 1 | |
| 6 | Leg Support | 1 | |
| 7 | Left Armrest Support | 1 | |
| 8 | Right Armrest Support | 1 | |
| 9 | Joint Tube | 1 | |
| 10 | Backrest Support | 1 | |
| 11 | Rear Support | 1 | |
| 12 | Short Joint Frame | 1 | |
| 13 | Foam Tube | 1 | |
| 14 | Aluminum Pattern Plate | 2 | |
| 15 | Hex Socket Bolt | M12x25 | 8 |
| 16 | Allen Bolt | M8x16 | 16 |
| 17 | Hex Socket Bolt | M10x20 | 10 |
| 18 | Hex Socket Bolt | M10x25 | 4 |
| 19 | Hex Socket Bolt | M6x16 | 4 |
| 20 | Hex Socket Bolt | M6x70 | 4 |
| 21 | Washer | Ø6 | 8 |
| 22 | Washer | Ø8 | 16 |
| 23 | Washer | Ø10 | 18 |
| 24 | Lock Nut | M10 | 4 |
| 25 | Washer | Ø12 | 8 |
| 26 | Ribbon Handle | 2 | |
| 27 | Triangle Cap Sets | 4 | |
| 28 | Foam Roller With Cover | 4 | |
| 29 | Rubber Tube Cap | 2 | |
| 30 | Handle Cap | 4 | |
| 31 | Round Plug | 2 | |
| 32 | Foam Cover | 4 | |
| 33 | Round End Cap | 4 | |
| 34 | Arm Rest | 1 | |
| 35 | Back Rest | 1 | |
| 36 | Hook | 2 | |
| 37 | Handle Foam | 2 | |
| 38 | Self-Plugging Rivet | 12 | |
| Blister Package Of Screws Set | 1 |
Important assembly information
Tools Required for Assembling the Bench: Two Adjustable Wrenches.
NOTE
It is strongly recommended that this equipment is assembled by two or more people to avoid possible injury.
- Ensure Carriage Bolts are inserted through the SQUARE holes on components that need to be assembled. Attach washer only to end of the Carriage Bolt.
- Use Allen Bolts or Hex Bolts inserted through the ROUND hole on components that need to be assembled.
- Always wait until all bolts are assembled onto the bench before tightening the bolts. Do not tighten each bolt right after it is installed
Assembly







WARNING
- Assemble the equipment in the given order.
- Carry and move the equipment with at least two persons.
CAUTION
- Place the equipment on a firm, level surface.
- Place the equipment on a protective base to prevent damage to the floor surface.
- Allow at least 100 cm of clearance around the equipment.
- Refer to the illustrations for the correct assembly of the equipment.
Fasten Nuts and Bolts
Securely tighten all Nuts and Bolts after all components have been assembled in current and previous steps.
NOTE
- Do not over tighten any component with pivoting function.
- Make sure all pivoting components are able to move freely.
Do not tighten all Nuts and Bolts in this step.
Exercise guidelines
Building Muscle and Gaining Weight
Unlike aerobic exercise, which emphasizes endurance training, anaerobic exercise focuses on strength training. A gradual weight gain can occur while building the size and strength of muscles. While developing muscle mass, your body adapts to the stress placed upon it. You can modify your diet to include foods such as meat, fish and vegetables.
These foods help muscles recover and replenish important nutrients after a strenuous workout.
Muscle Strength and Endurance
To achieve the greatest benefit from exercise, it is important to develop an exercise program that allows you to work all of the major muscle groups equally.
To increase muscles strength; follow this principle: Increasing resistance and maintaining the number of repetitions of an exercise results in increased muscle strength.
To tone your body, follow the principle: Decreasing resistance plus increasing the number of repetitions of an exercise results in increased body tone.
Once you feel comfortable with an exercise, you can change the resistance, the number of repetitions, or the speed at which you do the exercise. It is not necessary to change all three variables. For example, let’s say that you are training at 10 kg. and performing the exercise 10 times in 3 minutes. When this becomes too easy, you may decide to move up lifting 12 kg. for the same number of repetitions in the same amount of time. Lifting more weights fewer times most often develops muscle strength. To gain both muscle strength and endurance, it is recommended that you perform each exercise 15 to 20 reps per set.
Training Intensity
How hard you begin to train depends on your overall level of fitness. The soreness you experienced can be lessened by decreasing the load you place on your muscles and by performing fewer sets.
To avoid injury, you should gradually work into an exercise program and set the load to your individual fitness level. The load should increase as your fitness level increases.
Muscle soreness is common, especially when you first start exercising. If you are painfully sore for a long time, it may be time to change your program. Eventually, your muscle system will become accustomed to the stress and strain placed on it
Beginning a Strength Building Program
Warming Up
To begin strength training, it is important to stretch and perform light exercise for 5 to 10 minutes. This helps prepare the body for more strenuous exercise by increasing circulation, raising your body temperature and developing more oxygen to your muscles.
Workout
Each workout to keep in mind that muscle soreness that lasts for a long period in not desirable and may mean that injury has occurred.
Cool Down
At the end of each workout, perform slow stretching exercises for 5 to 10 minutes. Ease into each stretch only going as far as you can. This stage allows your muscles wind down after training.
To provide a total workout program it is also recommended that 2 to 3 days of aerobic exercise is performed in addition to the strength training.
Drinking Water
For the body to function properly, it must be properly hydrated. If you are exercising, you should increase your fluid intake. The reason for this is that the water you take in will leave your system through the sweating mechanism that cools your body during exercise. The water you lose through exercise must be replaced so that the muscles can recover properly.
Rest Day
Although you may not feel like doing it, taking a rest day at least once a week is important because it gives you body a chance to heal it self. Continuously working your muscle will result in over training which will not benefit in the long run.
Care and maintenance
- Lubricate moving parts with WD-40 or light oil periodically.
- Inspect and tighten all parts before using the equipment.
- The equipment can be cleaned using a damp cloth and mild nonabrasive detergent. DO NOT use solvents.
- Examine the equipment regularly for signs of damages or wear.
- Replace any defective components immediately and/or keep the equipment out of use until repair.
- Failure to examine regularly may affect the safety level of the equipment.
Additional information
Packaging disposal
Government guidelines ask that we reduce the amount of waste material disposed of in land fill sites. We therefore ask that you dispose of all packaging waste responsibly at public recycling centres.
End of life disposal
We at Tunturi hope you enjoy many years of enjoyable use from your fitness trainer. However, a Time will come when your fitness trainer will come to the end of its useful life. Under ‘European WEEE Legislation you are responsible for the appropriate disposal of your fitness trainer to a recognised public collection facility.
Limited warranty
Tunturi New Fitness warrants this product to be free from defects in workmanship and material, under normal use and service conditions, for a period of two years on the frame and one year on all other parts and components from the date of purchase. This warranty extends only to the original purchaser. Tunturi New Fitness’s obligation under this Warranty is limited to replacing damaged or faulty parts at Tunturi New Fitness’s option.
All returns must be pre-authorised by Tunturi New Fitness. This warranty does not extend to any product or damage to a product caused by or attributable to freight damage, abuse, misuse, improper or abnormal usage, purchasers own repairs or for products used for commercial or rental purposes. No other warranty beyond that specifically set forth above is authorised by Tunturi New Fitness.
Tunturi New Fitness is not responsible or liable for indirect, special or consequential damages arising out of or in connection with the use or performance of the product or other damages with respect to any economic loss, loss of property, loss of revenues or profits, loss of enjoyments or use, costs of removal, installation or other consequential damages or whatsoever natures.
The warranty extended hereunder is in lieu of any and all other warranties and any implied warranties of merchantability or fitness for a particular purpose is limited in its scope and duration to the terms set forth herein.
Your statutory rights are not affected.
Defects and malfunctions
Despite continuous quality control, defects and malfunctions caused by individual parts can occur in the equipment. In most cases, it will be sufficient to replace the defective part.
- If the equipment does not function properly, immediately contact the dealer.
- Provide the model number and the serial number of the equipment to the dealer. State the nature of the problem, conditions of use and purchase date.
Further contact information or user manuals in other languages can be found on our website.
Weight capacity and dimension


Maximum load weight: 300 kg.
Assembled Dimension: 123x 124x 217.5 cm.
Disclaimer
© 2020 Tunturi New Fitness BV
All rights reserved.
- The product and the manual are subject to change.
- Specifications can be changed without further notice.
- Check our website for the latest user manual version.


















