
Alphacool- THE COOLING COMPANY
Eisblock XPX
Alphacool International GmbH
Eisblock XPX CPU Water Block
Read the safety instructions before starting the installation.
https://www.alphacool.com/download/SAFETY%20INSTRUCTIONS.pdf
NOTE: All Alphacool Eisblock XPX CPU coolers are mounted identically on the CPU socket.
In the event of deviations, this is explicitly stated in these Manuals.
Eisblock XPX
Accessories

1x Digital-RGB adapter
Only with: 12946 – Alphacool Eisblock XPX Aurora – Acryl Black
12947 – Alphacool Eisblock XPX Aurora – Acryl Chrome
12948 – Alphacool Eisblock XPX Aurora Edge – Acryl Black
12949 – Alphacool Eisblock XPX Aurora Edge – Acryl Chrome
5x G1/4 Screw plugs
Only with:12961 – Alphacool Eisblock XPX 1U – Black Acetal
1x Tool
Only with:12961 – Alphacool Eisblock XPX 1U – Black Acetal

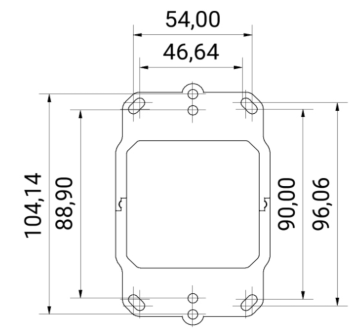
Masurement
Alphacool International GmbH
Alphacool Eisblock XPX Aurora Edge – Acryl Black Digital RGB
Alphacool Eisblock XPX Aurora Edge – Acryl Chrome Digital RGB

Alphacool Eisblock XPX Aurora – Acryl Black Digital RGB
Alphacool Eisblock XPX Aurora – Acryl Chrome Digital RGB
Size in mm
Alphacool Eisblock XPX CPU – Deep Black
Alphacool Eisblock XPX CPU – Satin Clear
Alphacool Eisblock XPX CPU – Polished Clear
Alphacool Eisblock XPX CPU – Satin Clear
Alphacool Eisblock XPX CPU – Polished Clear
Alphacool Eisblock XPX 1U – Black Acetal
LGA 115x / 1200 / 1700 / 2066
AM4 / AM5
Preparation
Only XPX 1U
Select the suitable connection options. All connections with a max. diameter of 18mm are compatible.
You can use each inlet and outlet, all IN and OUT can be combined with each other. Screw in the screw caps with the enclosed tool.
Eisblock XPX
Preparation
Remove the protective film on the cooler plate.
After you have dismantled your old cooler clean the hardware first:
- Remove residues of the thermal paste from the CPU.
- Use a cloth or cotton swab to help. With isopropanol alcohol, you can also remove dried heat-conducting paste.
- Apply a pea-sized blob of thermal paste to the CPU.
- Spread the paste with the aid of a plastic strip or similato form an even, thin layer (<0,5mm layer thickness).
LGA 2066 Mounting
Do not use tools, only tighten up hand-tight!
- Select the appropriate bracket and plug it together.
- The LGA 2066 screws are put through the pressure springs, washers and the holder. Then everything is mounted on the socket.
LGA 1700 Mounting
- Select the appropriate Bracket and plug it together.
- Remove the protective film from the backplate.
- Fix the backplate to the back of the mainboard with the tape. The LGA 1700 screws are inserted through the pressure springs, washers and the holder. Then
everything is mounted on the socket.
LGA 115x Mounting
LGA 1200 Mounting

- Select the appropriate Bracket and plug it together.
- Remove the protective film from the backplate.
- Fix the backplate to the back of the mainboard with the tape. The LGA 115x / 1200 screws are inserted through the pressure springs, washers and the holder. Then
everything is mounted on the socket.
AM4 / AM5 Mounting

- Select the appropriate bracket and plug it together.
- The AM4 / AM5 screws are put through the pressure springs, washers and the holder. Then everything is mounted on the socket.
Screws – Caps
Put the rubber and screw caps on the screws as shown.
NOTE: If you are using a 3-pin fan connector, make sure that the voltage is set to 12V in the bios. This is not necessary for PWM connections.
Alphacool Eisblock XPX CPU – Deep Black
Digital RGB connection

To control the digital – RGB lighting, connect the included adapter to the 3 – pin female connector and plug it to a digital – RGB controller (e.g.
Alphacool Aurora Eiscontrol, Art.: 15360, not included). You can connect additional digital – RGB LEDs to the remaining 3 – pin male connector.
Alphacool Eisblock XPX polished clear/satin clear RGB/Digital RGB Frame
The Alphacool Eisblock XPX CPU Cooler – polished Clear and – satin Clear are not illuminated. Alphacool offers 3 optional lighting frames. 12942 Digital RGB – Black 12893 RGB – Black 12932 RGB – Chrome
V.2.02-08.2022
Alphacool International GmbH Marienberger Str. 1
D-38122 Braunschweig Germany
Support: +49 (0) 531 28874 – 0
Fax: +49 (0) 531 28874 – 22
E-Mail: [email protected]
https://www.alphacool.com
General Managers: Andreas Rudnicki, Fabian Noelte WEEE-Reg.-Nr.: DE 54464644
Trade Register: Amtsgericht Braunschweig HRB 202390
VAT.ID.Nr.: DE270458421 Tax number: 13/207/02047



















