![]()
A 294628/37569/8857
C U 468 931 003 809-3

RTA-3000 S2

RTA-S2

RTNZ-S2
Operating and Installation instructions for room thermostats
The device may only be opened and installed according to the circuit diagram on the device or these instructions by a qualified electrician. The existing safety regulations must be observed. Appropriate installation measures must be taken to achieve the requirements of protection class II. This independently mountable electromechanical device is designed for controlling the temperature in dry and enclosed rooms only under normal conditions. The device confirms to EN 60730, it works according operating principle IC.
The switching point is lower when temperature control knob is turned than in automatic operation. The exact switching point is reached only after a climatisation period of approx. 1-2 hours.
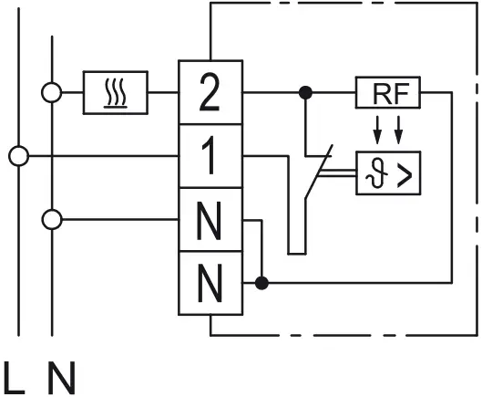
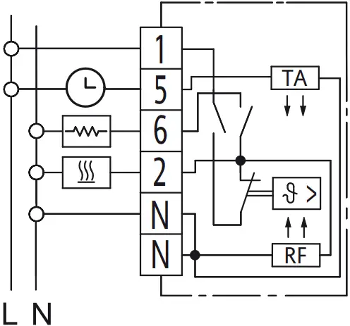
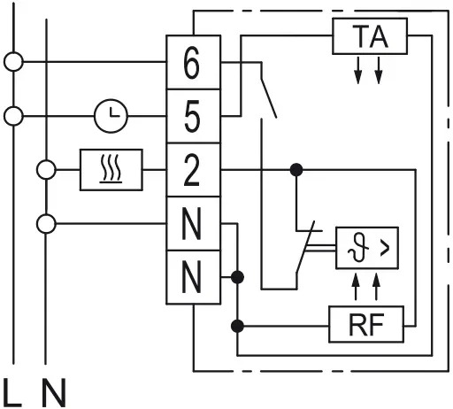
The switch on type RTNZ – S2, marked with Symbol
, activates an auxiliary heater, if connected.
| Temperature range | 5 … 30°C |
| Protection class of housing | IP 30 |
| Switching temperature differential | ~0,5 K |
| Relative humidity | max. 95 % without condensation |
| Rated impulse voltage | 4 KV |
| Brinell test temperature | 75 ± 2 °C |
| Voltage and current for EMC emitted interference testing | 230 V; 0,1 A |
| Operating temperature | 0 … 55 °C |
| degree of pollution | 2 |
| Typ | *RTA-3000 S2, RTA-S2, RTNZ-S2 |
| Symbol | Explanation |
| Mains on | |
| Mains off | |
| Heat | |
| Aux. Heater | |
| °C | Temp. in °C |
![]() | Autom. switching between daytime and nighttime temperature |
| RTA-3000 S2 16(4) A | Switching commutation |
| RTA-S2, RTNZ-S2 10(4) A | |
| RTA-3000 S2, RTA-S2, RTNZ-S2 230V AC, 50 Hz | Supply voltage |
* Depending on the controller model, not all functions may be available





RTA-3000 S2

RTNZ-S2

RTA-S2

Guarantee
For guarantees please refer to the respective terms and conditions of supply for your country.
The installation, electrical connection and first operation of this appliance should be carried out by a qualified installer.
The company does not accept liability for failure of any goods supplied which have not been installed and operated in accordance with the manufacturer‘s instructions.
Environment and recycling
Please help us to protect the environment by disposing of the packaging in accordance with the national regulations for waste processing.
Great Britain
STIEBEL ELTRON UK Ltd.
Unit 12 Stadium Court | Stadium Road
Bromborough | Wirral | CH62 3RP
Tel. 0151 346-2300 | Fax 0151 334-2913
[email protected]
www.stiebel-eltron.co.uk
United States of America
STIEBEL ELTRON Inc.
17 West Street | West Hatfield, MA 01088
Tel. 413 247-3380 | Fax 413 247-3369
[email protected]
www.stiebel-eltron-usa.com




















