EcoDHOME 1320 Motor Actuator

Introduction
Thank you for choosing the Smartdhome motor actuator for pairing with the home automation gateway. This device is a Z-Wave enabled device and is fully compatible with MyVirtuoso Home network. Every mains powered Z-Wave enabled device acts as a signal repeater and multiple devices result in more possible transmission routes which helps eliminate “RF dead-spots”.
Product description and specification
The device is a motor controller for controlling (up/ down/open/close) existing motors for shutters, gates, awnings, etc. For indoor use only.
Specification
- Protocol: Z-Wave.
- Frequency range: 868.42 MHz.
- Operating range: 30 m uninterrupted.
- Operating temperature: -10°C ~ 60°C.
- Operating voltage: 230 Vac.
- Resistive load: 2.200 W.
- Dimensions: 39,5 (H) * 50 (W) * 19 (D) mm.
Package contents
1 Motor actuator.
1 Installation manual.
Installation
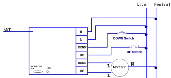
- Follow the wiring diagram to install the motor actuator:

- For Inclusion: Put MyVirtuoso Home gateway into “inclusion” mode (ref. to users manual) and press the inclusion button of the device 3 times within 1.5 seconds. Then the LED on the device turns off. For Exclusion: Put MyVirtuoso Home gateway into “exclusion” mode and press the exclusion button of the device 3 times within 1.5 seconds. Then the LED on the device turns on.
Note: The electricity supply for the circuit must be shut off during installation for safety reasons and to ensure that if wires are shortcircuited during insallation, no damage is caused to the device.
Note: During the inclusion/exclusion phase, the device should be within 1 meter of MyVirtuoso Home gateway.
Operation
As soon as the actuator is connected to the motor you want to control, the device can be activated by the rules defined by MyVirtuoso Home gateway. A short press on the button of the Motor Controller will move the motor up/down. Hold and release the button to stop the motor actuator.
Warning
- Do not dispose of electrical appliances along with general waste, use separate collection facilities.
- Contact your local council for information regarding the collection systems available.
- If electrical appliances are disposed of in landfills or dumps, hazardous substances can leak into the groundwater damaging the environment and human health.
- When replacing old appliances with new ones, the retailer is legally obligated to take back your old appliance for disposal free of charge.
Limited warranty
Visit our website: http://www.ecodhome.com/acquista/garanzia-e-riparazioni.html
SmartDHOME Srl
www.ecodhome.com
[email protected]
For United Kingdom and Ireland only, refer to:
www.ecodhome.co.uk
[email protected]


















