
SR-TUN14H
Stinger HEIGH10 Radio Replacement Kit
for 2014-2021 Toyota Tundra®
Introduction and Features
The SR-TUN14H is a complete radio replacement kit for the installation of the Stinger HEIGH10® modular radio in the Toyota Tundra.
All modules, cables, and adapters are included to retain important features of the factory system, including steering wheel-mounted radio controls, factory amplifier, factory reverse camera, factory USB port, and AM/FM reception. Plug & Play wiring harnesses allow for quick and easy installation without the need to cut or splice any wiring. The display mounting panel allows mounting the 10-inch display without modifying/cutting any part of the vehicle’s sub-dash.
Important Notes
We recommend reading this manual thoroughly to familiarize yourself with the entire process prior to beginning the installation.
- Adjustment of the vehicle settings through the original radio’s vehicle settings menu will be disabled after the installation of the new radio. It is advised to make sure all settings are as you desire prior to the removal of the original radio.
- The RP4.2-TY11 does not retain Rear Seat Entertainment.
- To retain SiriusXM Radio, an SXV300 Tuner is required and sold separately.
- After installation, if you do not initially hear any audio, you may need to cycle the ignition again to initialize the factory amplifier.
- Speaker fading on factory amplified systems is only supported with the “amplified output” connection of the RP4.2-TY11.
- When using real-time fade, if the fader setting is biased more to the front or rear, as the radio turns on the sound may begin at the default setting and then quickly transition to your custom setting.
- Radio features such as High Pass Filters (crossovers) will interfere with proper fader function. In order for the RP4.2-TY11’s fader function to work, the audio from the radio’s output must match so it can compare the front and rear audio levels and determine the proper fader setting for the factory amplifier.
- If the truck is equipped with a factory 360° camera system, changing camera views using the touch screen will no longer be available. Camera views can be changed using the steering wheel controls only.
Recommended Tools
| 10mm Socket | Phillips Screwdriver |
| Ratchet | Plastic Trim Tool |
| Socket Extension | Flush Cutters |
Included Components

- LH Side Bracket (TUN14H_LH)
- HEIGH10 Display Main Frame
- RH Side Bracket (TUN14H_RH)
- Module Bracket (H_MODULE_BRKT)
- Differential Video Adapter (RPA-VA1)
- Radio Interface (RP4.2-TY11)
- Main Harness 3 Plug (SR-TAC19H-HAR)
- Main Harness 4 Plug (SR-TAC16H-HAR)
- Satellite Radio Antenna Adapter (SAT-01)
- AM/FM Antenna Adapter (RPA-VA1)
- USB Adapter (USB-TY1)
- Mounting Hardware: 8pcs – #10 x 3/8” Truss Head Phillips Screws
- GPS Antenna Adapter (GPS-03)
- USB Adapter (USB-TY3)
- Zip Ties (Not Shown)
NOTE: Along with the SR-TUN14H components, additional hardware and wire harnesses from the HEIGH10 (UN1810) kit will also be used in the installation. Refer to the UN1810 Installation Guide for harness and hardware descriptions.
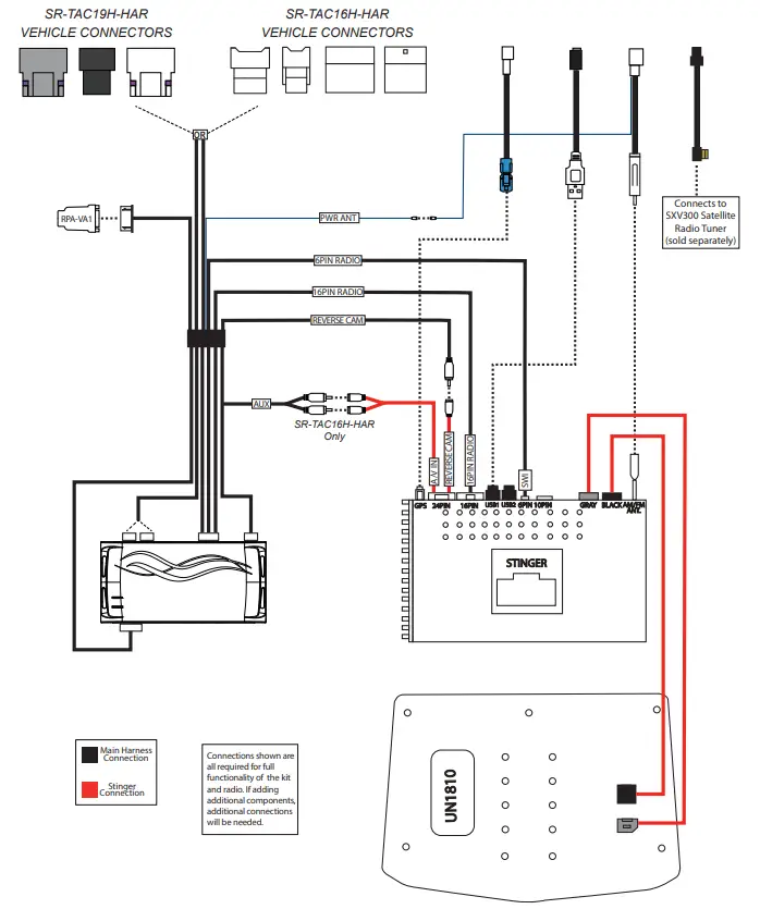
Wiring Overview

This installation manual will cover the necessary order of procedures to complete the installation efficiently and to avoid redoing any steps. The order will be as follows; Disassembly, In-Vehicle Harness Connections, Interface, and Main Harness Connections, Side Bracket Assembly, Main Frame Assembly In-Vehicle Connections, and Radio Unit Installation.
The installation steps shown are all required for the full functionality of the radio. If adding additional components; cameras, amplifiers, satellite radio, etc., additional steps and harnesses will be needed.
Section 1: Disassembly
Before removing the factory radio, ensure that all vehicle settings that are programmed using the factory radio are set to the desired settings.
![]() | ||
| Using a plastic trim tool, remove the media/switch panel below the climate controls. | Remove the climate control assembly by pulling outward from the bottom to release the clips. | Remove the connector on the backside of the climate controls and set panel aside. |
![]() | ||
| Remove the four 10mm bolts below the radio. | Remove the radio by pulling it outward from the bottom to release the clips along the top. | Remove all connectors and cables from the back of the radio. |
Section 2: In-Vehicle Harness Preparation
![]() | ||
| From the SR-TAC16H kit, locate the correct USB adapter that matches the factory USB cable in the vehicle. | From the SR-TAC16H kit, locate the GPS Antenna Adapter and Satellite Antenna Adapter if installing an SXM tuner. | Connect the adapters to the matching connectors removed from the factory radio. |
Section 3: Interface and Main Harness Connections
![]() | |
| Referencing the radio plugs in the vehicle, determine which Main Harness will be used: the SR-TAC16H-HAR (4-Plug) or the SR-TAC19H-HAR (3-Plug) Main Harness. | Set dip switch #3 to the down (ON) position on the side of the RP4.2-TY11 interface. All other switches up (OFF). |

Step 3
Plug in the 3-pin (1), 20-pin (2) and the 24-pin (3) plugs on the main harness to the appropriate ports on the interface.
![]() | ||
| Referencing the sticker on the back, connect the 12-pin connector (4) to the appropriate port. Amplified if the truck has a factory amplifier, Non-Amplified for base audio. | Connect the OEM Camera RCA on the main harness to the Reverse Camera In RCA on the HEIGH10 24-pin A/V harness. | For Tundra’s using the SR-TAC16H-HAR harness, connect the pair of RCA’s labeled AUX AUDIO to the AUX IN RCA’s on the HEIGH10’s 24-pin A/V Harness. |
![]() | ||
From the SR-TUN14H kit, connect the RPA-VA1 Video Adapter to the 6-pin plug on the main harness. | Connect the blue wire on the BAA44 Antenna Adapter to the blue POWER ANTENNA + lead on the main harness. | Connect the SPEED SEN wire on the HEIGH10’s 10-pin MultiCamera harness to the SPEED SEN wire on the main harness. |
Step 10
Attach the PAC interface to the Module Bracket (H_MODULE_BRKT) using supplied zip ties in four locations.

Section 4: Side Bracket Assembly
![]() | ||
| Align the lower holes of the left-hand bracket (TUN14H_LH) to the left side of the HEIGH10 radio module as shown above. | Attach the left-hand bracket to the radio module using two M5 x 10 screws from the HEIGH10 hardware. | Align the lower holes of the right-hand bracket (TUN14H_RH) to right side of the HEIGH10 radio module as shown above. |
![]() | |
| Attach the right-hand bracket to the radio module using two M5 x 12 screws from the HEIGH10 hardware. | Position the module bracket between the side brackets as shown. Align to the top holes and secure using four #10 x 3/8” truss head Philips screws from the SR-TUN14H hardware |
Step 6
From the main harness, plug in the 16-pin (1), 6-pin (2), and 10-pin (3) plug into the HEIGH10 Radio Module. Plug in the HEIGH10 24-pin A/V harness (4). Connect the blue LVDS USB and 8-pin display cables

Section 5: Main Frame Assembly
![]() | ||
| Place the HEIGH10 display into the main frame panel. Carefully turn the panel over while holding the display in place. | With the display face down on a soft surface, attach the display to the panel using four M4 x 12 screws from the HEIGH10 hardware pack. | Route the LVDS (USB) and 8-pin display cables to the front of the assembly, passing between the radio module and the interface bracket. |
![]() | ||
| Plug the display cables into the back of the HEIGH10 display. Place the complete radio and side bracket assembly face down on the main frame. | Align the right side bracket holes to the main frame mounting holes and secure using two #10×3/8” screws from the SR-TUN14H hardware. | Align the left side bracket holes to the main frame mounting holes and secure using two #10×3/8” screws from the SR-TUN14H hardware. |
Step 7
Remove the two retaining clips from the factory radio and install them in the same location on the SR-TUH14H main frame.

Section 6: In-Vehicle Connections and Radio Unit Installation
![]() | ||
Connect the three (or four) vehicle side connectors on the SR-TUN14H main harness to the matching vehicle radio plugs. | Connect the BAA44 antenna adapter to the HEIGH10 AM/FM antenna input (1). Connect the other end to the vehicle’s AM/FM antenna (2). | Plug in the GPS (3) and USB (4) adapters. Note: The USB cable must be plugged into the USB port closest to edge of the radio chassis for Apple CarPlay and Android Auto. |
These are the connections for the basic installation. If adding additional components such as a second USB, SXM tuner or additional cameras, those connections should be made at this point, before mounting the radio module.
NOTE: If the External Microphone is not installed, the setting must be changed from External (Default) to Internal in the Phone Settings: Main Menu > Phone > Settings
![]() | ||
| Slide the radio assembly into position and align the top retaining clips to the sub-dash. | Push to seat the retaining clips. Install one of the 10mm bolts below the radio to temporarily hold it in place. | Before reassembling the vehicle, it is recommended to proceed to Test and Verification on the next page. |
Testing and Verification
- Turn on the radio and check the volume, balance, and fade. If you do not hear any audio you may need to cycle the ignition to initialize the factory amplifier. If there is still no audio, reset the interface according to the procedure in the next section.
- For JBL systems, if the overall volume is too low, use the gain adjustment on the side of the RP4.2 interface to set it to the desired level. The best way to do this is to turn the volume on the radio to 3/4 volume, then turn the gain on the RP4.2 until some distortion is heard, then back it down a little.
- Verify that all SWCs are functioning properly. If any of the SWCs are not functioning properly you may need to reset the interface.
- Verify AM/FM Reception, Bluetooth, USB, Apple Carplay, Android Auto, and Camera(s) are functioning correctly.
Restoring Factory Settings
You can restore the RP4.2-TY11 interface to the factory default settings by pressing and holding the programming button on the side of the module until the status LED starts blinking red. Once the LED starts blinking red, release the button. You must release the button while the LED is blinking red in order to perform the reset. Please note, the LED will go through two stages before it starts blinking red. First, it will blink green, then amber, then red.
This reset will restore the following settings to their factory defaults:
- SWC Mapping
- Factory Amplifier Settings
- Real-Time Fade will be reset to on
Firmware Updates (Stinger HEIGH10)
To update the Stinger radio firmware, refer to the HEIGH10 product page at:
www.stingerelectronics.com/products/heigh10
Radio PRO App
Use of the RadioPRO App allows you to do the following:
- Configure User Interface Options:
- Factory amplifier settings (Bass, Mid, Treble, Gain, Fader, and Balance)
- Real-Time Fading
- Update Product Firmware
- Read Firmware/Hardware Versions

PLEASE NOTE:
The interface must be connected to the vehicle when using the following features of the Radio PRO App:
- Factory Amplifier Settings
The interface does not need to be connected to the vehicle when using the following features of the Radio PRO App:
- Firmware Updates
- Reading firmware/hardware versions
Infotainment/Factory Amplifier Settings
The radio app will also allow you to adjust the settings of the factory amplifier. You can adjust Amp Gain, Fader, Balance, Bass, Mid and Treble, and real-time fade. When real-time fade is enabled in amplified systems, it will allow fading to be controlled directly from the aftermarket radio. Restoring factory settings on the module will default all values back to the middle.

Firmware Updates
The radio app will also allow you to update the interface with new firmware as it becomes available. Please visit www.pac-audio.com or contact our tech support department to see if there is a firmware update for your interface.
In order to update the interface all DIP switches must be set to the down position. Connect the interface to your PC and select “Update Firmware”. Now select “Select File”. Finally, browse to the place where you saved the file and select it. This will begin the updating process. Once finished, disconnect the interface from the PC and set the DIP switches back according to the radio you have installed.

Technical Support
Email: [email protected]
Phone: 727-592-5991
Chat: PAC-Audio.com
Warranty
LIMITED WARRANTY
The quality controls used to manufacture PAC products are designed to ensure your complete satisfaction. This warranty applies only to the original owner of PAC products purchased from an authorized PAC dealer. It covers PAC products that, upon inspection by authorized PAC personnel, are found to have failed in normal use due to defects in material or workmanship. This warranty does not cover installation expenses. Attempting to service or modify our products, or operate them outside their recommended usage will render this WARRANTY VOID.
Unless prescribed by law, PAC is not liable for any personal injury, property damage, and/or incidental or consequential damages (including water damage) resulting from product malfunctions, defects, and/or misuse. PAC is also not liable for any products that are altered or improperly installed.
WARRANTY PERIOD AND PROCESS
Within the first 12 months from the date of purchase, subject to the conditions above, PAC will repair or replace the product at its sole discretion if it is found to be defective in material or workmanship. The product must be returned to an authorized PAC dealer with PROOF OF PURCHASE.

© 2022 AAMP Global. All rights reserved.
PAC is a Power Brand of AAMP Global.
PAC-audio.com
Rev: V2
Date:032222






























