LEGEND FORCE 201125 52 cc 2-Cycle Gas Powered 1-Man Earth Auger

Safety Information
SAFETY DEFINITIONS
The information listed below should be read and understood by the operator. We utilize the symbols below to allow the reader to recognize important information about their safety.
- DANGER: Indicates an imminently hazardous situation that, if not avoided, will result in death or serious injury.
- WARNING: Indicates a potentially hazardous situation that, if not avoided, could result in death or serious injury.
- CAUTION: Indicates a potentially hazardous situation that, if not avoided, may result in minor or moderate injury.
- NOTICE: Indicates a practice not related to personal injury which, if not avoided, may result in property damage.
SAFETY SYMBOLS
Some of the following symbols may be used on this product. Please study them and learn their meaning. Proper interpretation of these symbols will allow you to more safely operate the product.
- Read Operator’s Manual. To reduce the risk of injury, users must read and understand the operator’s manual before using this product.
- Eye and Ear Protection. Always wear safety goggles or safety glasses with side shields, and as necessary a full face shield as well as full ear protection when operating this product.
- Footwear. Always wear safety shoes or heavy boots when operating this product.
- Gloves. Always wear nonslip, heavy-duty protective gloves when operating this product
- Safety Alert. Precautions that involve your safety.
- Risk of Fire. Fuel and its vapors are extremely flammable and explosive. Fire can cause severe burns or death. Do not add fuel while the product is operating or still hot.
- Open Flame alert. Fuel and its vapors are extremely flammable and explosive. Keep fuel away from smoking, open flames, sparks, pilot lights, heat, and other ignition sources.
- Hot Surface. To reduce the risk of injury or damage, avoid contact with any hot surface.
- Amputation Hazard. Rotating parts can entangle hands, feet, hair, clothing and/or accessories. Traumatic amputation or severe laceration can result.
- Toxic Fumes. The engine exhaust from this product contains chemicals known to the state of California to cause cancer and birth defects and other reproductive harm.
- Risk of Asphyxiation. This engine emits carbon monoxide, an odorless, colorless, poisonous gas. Breathing carbon monoxide can cause nausea, fainting or death. Use only in a well-ventilated area.
- Clearance. Keep all objects including others at least 10 feet (3 m) from this machine.
- Serious Personal Injury or Property Damage. Before inspecting, cleaning, or servicing the auger, shut off the engine. Wait for all moving parts to stop, disconnect spark plug wire and move it away from the spark plug. Failure to follow these instructions could result in personal injury or damage to the auger.
CONTROL AND OPERATING SYMBOLS:
- CHOKE CONTROL: Cold Start Run/Warm Start
- FUEL PRIMER: Press 7-10 times
- FUEL MIXTURE: 50:1 (Unleaded Gas : 2 Cycle Oil)
- IGNITION SWITCH: ON/OFF
IMPORTANT SAFETY INFORMATION
- DANGER: Contact your local utility company to locate underground electrical lines or pipes prior to using this product. Failure to do so may result in serious personal injury or death and possible damage to equipment or property.
- DANGER: The auger engine exhaust contains carbon monoxide, an odorless and potentially deadly gas. Never start or run the auger inside an enclosed area or building. Breathing exhaust fumes can kill.
- WARNING: CONTAINS LEAD. May be harmful if eaten or chewed. May generate dust containing lead. Wash hands after use. Keep out of reach of children.
- WARNING: This product can expose you to chemicals including lead, which is known to the State of California to cause cancer and birth defects or other reproductive harm. For more information go to www.P65Warnings.ca.gov.
- WARNING: Read and follow all warnings and safety instructions. Failure to do so can result in serious injury to you or bystanders.
- Avoid dangerous environments. Always thoroughly inspect the area where the earth auger is to be used and remove all foreign objects from the work site.
- Do not operate earth auger while under the influence of alcohol, medications, or drugs. Do not operate the earth auger when you are tired or are mentally or physically unable to operate this equipment safely.
WARNING:
- Always wear heavy-duty long pants, boots and gloves and do not wear loose clothing or jewelry that can get tangled in the moving parts of this earth auger.
- Always wear protective hair covering to contain long hair.
- Always wear a face or dust mask during operation when excessively dusty.
- Always wear eye protection that meets or exceeds the requirements of ANSI Z87.1.
- Always wear hearing protection that meets or exceeds ANSI/ASA S12. 6.
- Always inspect the earth auger for damaged parts, and make sure all fasteners and guards are in place and secure before use. Replace any damaged parts or missing fasteners.
- Auger blades and drilling points are sharp. Avoid contact with the auger blades and drilling points while installing the auger bit, starting the engine or transporting the unit.
- A damaged or dull bit blade can cause serious personal injury. Bit blades must be sharp. Replace earth-bit blades that are bent, warped, cracked, broken or damaged in any way.
- Never use this earth auger with other accessories not specifically designed for use with this product. Use only the manufacturer’s replacement bit blade designed for this unit. Installing or using an unapproved branded bit blade to this unit can result in serious personal injury and void your warranty.
- Do not force the earth auger. It will do the job better and with less likelihood of a risk of injury when used at the rate for which it was designed.
- After turning the unit off, make sure the earth auger bit has stopped rotating before the unit is sat down. A coasting auger bit can cause injury while spinning after the engine has stopped or when the throttle lever is released. Maintain firm proper control until the auger bit has completely stopped rotating.
- WARNING: Never touch the muffler area, muffler or engine during or after the operation because the surfaces will be extremely hot and will cause severe burns upon contact.
WARNINGS WHILE OPERATING EARTH AUGER
CAUTION:
Prolonged exposure to vibrations through use of gasoline-powered hand tools could cause blood vessel or nerve damage in fingers, hands, and joints of people prone to circulation disorders or abnormal swellings. Extensive use in cold weather has been linked to blood vessel damage in otherwise healthy people. If symptoms occur such as numbness, pain, loss of strength, change in skin color or texture, or loss of feeling in the fingers, hands, or joints, discontinue the use of this tool and seek medical attention.
WARNING:
- This auger is only intended for earth digging. Do not use the earth auger for any other job except that for which it is intended. Severe personal injury to you or others can result. Only well-instructed adults should operate the earth auger. Never allow children to operate the earth auger.
- Do not operate the earth auger if it is damaged or not securely and fully assembled.
- Always maintain a firm grip on the handles with both hands and maintain your balance and proper footing at all times while using the auger. Do not overreach. Keep the auger bit away from your body and below waist level.
- Keep all parts of your body away from the cutting area, the rotating auger bit blades and hot surfaces.
- Always keep the throttle control on your right-hand side while the muffler exhaust points away from your body.
- Stay alert. Watch what you are doing.
- WARNING: Always keep bystanders, children and pets at least 50 ft (10 m) away from the worksite.
- WARNING: The auger bit should not rotate while the engine is idling. If rotation does occur when the engine is idling, contact technical service immediately for adjustment instructions.
- WARNING: Use extreme caution when using this unit. Bit thrust or kickback may occur when the spinning blade contacts an object that it does not immediately cut. A kickback can be violent enough to cause the unit and/or operator to be propelled in any direction, and possibly lose control of the unit. Kickback can occur without warning if the bit snags, stalls or binds.
FUEL SAFETY
WARNING:
- Gasoline is highly flammable and explosive. Gasoline can cause a fire or explosion if ignited.
- Gasoline is a liquid fuel but its vapors can ignite.
- Gasoline is a skin irritant and needs to be cleaned up immediately if spilled on skin or clothes.
- Gasoline has a distinctive odor; this will help detect potential leaks quickly.
- Never light or smoke cigarettes near fuel or the earth auger during fueling.
- Always mix and pour fuel outdoors WHERE THERE ARE NO SPARKS OR FLAMES.
- Always mix and store fuel in an EPA and CARB-approved gasoline container.
- Avoid spilling gasoline or oil. Wipe up all fuel spills from the unit and move at least 10 feet (3 meters) away from the fueling site before starting the engine.
- WARNING: Never pump gasoline directly into the earth auger at the gas station. Always use an approved gasoline container to transfer the fuel to the auger. Accidental electrical static discharge can occur and ignite fuel vapors which could result in serious injury or death.
- WARNING: Never remove the fuel cap or add fuel while the engine is running or when the engine is hot.
- Always stop the engine and allow it to cool before removing the fuel cap. Remove the fuel cap slowly.
- WARNING: Store unit and fuel in areas where fuel vapors cannot reach sparks or open flames from water heaters, electric motors or switches, furnaces, etc.
Maintenance, Transporting & Storage of Earth Auger
- Disconnect the spark plug before performing maintenance. Secure spark plug boot away from engine and frame to prevent arcing.
- Maintain earth auger with care. Inspect unit periodically. If unit is not working properly or is damaged, have it repaired by a qualified service center.
- Check for misalignment of moving parts, binding of moving parts, broken parts, mounting and any other condition that may affect its operation.
- Any part that is damaged should be properly repaired or replaced by a qualified service center.
- Use only genuine Legend Force® replacement parts and accessories. Use of any non-Legend Force® parts or accessories could lead to injury, or damage to the unit and will void your warranty.
- Do not remove or modify any parts. Removing or modifying parts could lead to injury, damage the earth auger and will void the warranty.
- Keep handles dry, clean and free from oil and grease.
- Allow the engine to cool and empty the fuel tank into an approved container before storing or transporting in a vehicle. Use up the remaining fuel in the carburetor by starting the engine and letting it run until it stops.
- When not in use, store the unit indoors in a dry location. Store earth auger above the reach of children or in a locked area out of the reach of children.
- For cold weather operations, store the unit in a cool environment to minimize the possibility of condensation which could lead to unsatisfactory product performance.
When preparing the earth auger for storage or when the earth auger will not be used for 30 days or more:
- Inspect and clean the earth auger thoroughly.
- Lightly oil all external metal surfaces.
- Remove the spark plug, and place a few drops of 2-cycle engine oil into the cylinder. Pull the recoil starter several times to distribute the oil. Replace the spark plug.
- Inspect and clean air filters as required.
NOTICE:
To prevent fuel gum deposits in the carburetor and fuel system, it is recommended to use fuel stabilizer. Follow the stabilizer manufacturer’s instructions. Run the engine at least 5 minutes after adding the stabilizer.
WARNING:
Store unit and fuel in area where fuel vapors cannot reach sparks or open flames from water heaters, electric motors or switches, furnaces, etc.
Product Specifications
| Engine | Fuel Tank Capacity | Fuel Type | Auger Bit | 2-Cycle Oil Type | Fuel Mixture |
| 52cc, 2 cycle | 37.2 oz (1.1 L) | Unleaded gasoline – 87 octane or higher | 8 in. (included for Model 201125) | 2-cycle oil that meets or exceeds JASO – FC Specifications | 50:1 (gasoline: 2-cycle oil) |
| Spark Plug | Net Weight | |
| NGK BPMR6A or equivalent | 52cc Auger Powerhead – 19.4 lb | 8 in. Auger Bit – 12.7 lb |
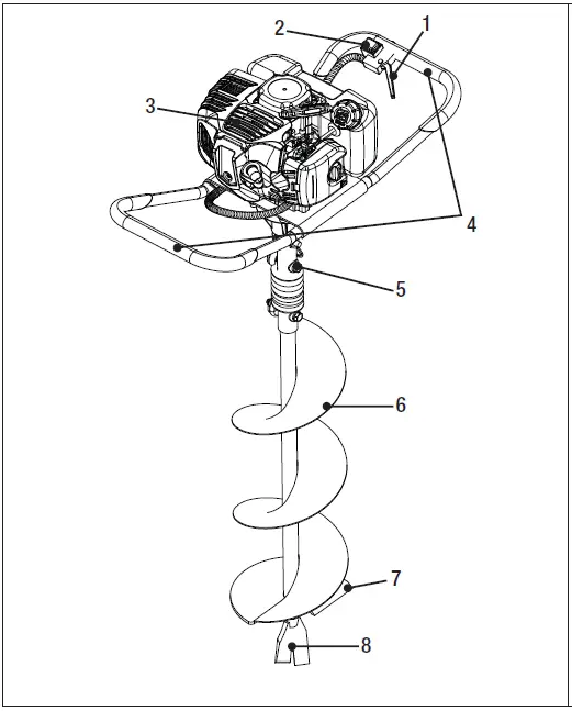
PARTS & FEATURES
| Auger | |
| Part | Description |
| 1 | Throttle/Speed Control |
| 2 | Engine ON/OFF Switch |
| 3 | Engine |
| 4 | Soft Grip Handles |
| 5 | Clevis Pin with Double Wire Snap |
| 6 | 8 in. Auger Bit |
| 7 | Earth Blade (replaceable) |
| 8 | Fishtail Bit Point (replaceable) |

| Engine | |
| Part | Description |
| 1 | Fuel Primer Bulb |
| 2 | Air Filter |
| 3 | Choke Lever |
| 4 | Spark Plug |
| 5 | Muffler |
| 6 | Fuel Tank |
| 7 | Fuel Tank Cap |
| 8 | Recoil Starter Handle |
Assembly
PARTS INCLUDED WITH THE EARTH AUGER
| Part | Description | Quantity |
| 1 | 52cc Auger Powerhead, handlebars and grips | 1 |
| 2 | 8 in. Auger Bit | 1 |
| 3 | Fishtail Point | 1 |
| 4 | Ø9.5 x 45 mm clevis pin with double wire snap | 1 |
| 5 | 19 mm spark plug socket | 1 |
WARNING: Do not operate the earth auger if it is damaged or not securely and fully assembled.
TOOLS NEEDED FOR ASSEMBLY
To Assemble the Fishtail Point to the Auger Bit
- Insert the threaded end of the fishtail point into the threaded hole on the end of the auger bit and rotate clockwise to hand tighten.

- To tighten securely, grasp the auger bit shaft with one hand while placing an adjustable wrench on the fishtail bit point and tighten until it is securely in place.

To Assemble Auger Bit to Powerhead
- Insert the power head output shaft into the auger bit shaft and align the hole in the output shaft with the holes in the auger bit shaft.
- Insert the Ø9.5 x 45 mm clevis pin completely through the aligned holes on the powerhead output shaft and auger bit tube so it is extended out of the other side.
- Place the open triangle looped end of the double wire snap around the exposed end of the Ø9.5 x 45 mm clevis pin to secure the bit to the power head output shaft.

Operation
Before Starting Engine
MIXING GASOLINE/2-CYCLE OIL
WARNING:
Do not smoke or allow smoking near fuel or the earth auger. Mix and pour fuel outdoors WHERE THERE ARE NO SPARKS OR FLAMES.
The 2-cycle engine on your unit requires that gasoline and 2-cycle engine oil be pre-mixed before adding to the unit’s fuel tank.
To mix gasoline and 2-cycle oil:
- Use FRESH unleaded gasoline with an octane rating of 87 or higher. Do not use gasoline containing more than 10% ethanol. We recommend the continuous use of a fuel additive/stabilizer to counteract the effects of ethanol. These additives also prolong the shelf life of gasoline.
NOTICE: Use of gasoline containing more than 10% ethanol can damage the engine and void your warranty. - Always use 2-cycle oil that meets or exceeds JASO – FC specifications and is intended for mixing at a gasoline/oil ratio of 50:1.
- Do not use automotive or 2-cycle marine outboard oil. These will damage your unit’s engine and void the warranty.
- Always mix the gasoline and 2-cycle oil in a container approved for gasoline. Never mix fuel directly in the unit’s fuel tank.
- Follow instructions on a 2-cycle oil container for mixing fuel. Mix gasoline and 2-cycle oil at a ratio of 50:1. A mixture with a 50:1 ratio is obtained by mixing 1 gallon (3.8 liters) of gasoline with 2.6 ounces of oil (77 ml). After adding oil to gasoline, shake the container momentarily to ensure proper mixing.
- Mix only enough fuel for your immediate needs. Do not store premixed fuel.
- Stop the engine and allow to cool before refueling.
FILLING THE FUEL TANK
- Place the earth auger on a flat, level surface, resting on the handle with the throttle/speed control assembled to it so that the fuel tank cap is pointing upward.

- Clean the surface around the fuel cap to prevent contamination.
- Loosen the fuel cap slowly by turning counterclockwise.
- Pour the fuel mixture carefully into the tank.

- Only fill the fuel tank to 80% of the full capacity. The fuel level can be seen via the clear fuel tank.
- Clean and inspect the fuel cap gasket before replacing the fuel cap.
- Replace the fuel cap and tighten it by turning it clockwise.
- Wipe spilled fuel from the product.
- If you spill fuel on the unit, wait 10 minutes after wiping.
- Move at least 10 ft away from the refueling area before starting the product.
NOTICE: It is normal for smoke to be emitted from a new engine during first use.
Starting the Engine
DANGER: The auger engine exhaust contains carbon monoxide, a colorless, odorless, poisonous gas. Breathing carbon monoxide will cause nausea, dizziness, fainting or death. If you start to feel dizzy or weak, get to fresh air immediately.
OPERATE THE AUGER OUTDOORS ONLY IN A WELL-VENTILATED AREA AND POINT EXHAUST AWAY. DO NOT allow exhaust fumes to enter a confined area through windows, doors, vents or other openings.
WARNING:
Running engines produce heat. Severe burns can occur on contact. Combustible material can catch fire on contact.
- DO NOT touch hot surfaces.
- Avoid contact with hot exhaust gases.
- Allow equipment to cool before touching.
- Maintain at least 3 ft (91.4 cm) of clearance on all sides to ensure adequate cooling.
- Maintain at least 5 ft (1.5 m) of clearance from combustible materials.
WARNING:
Always wear eye protection with side shields marked to comply with ANSI Z87.1. Failure to do so could result in objects being thrown into your eyes and other possible serious injuries.
COLD ENGINE
- Place the handlebar with the throttle/speed control assembly side flat on the ground surface.

- Move the engine On/Off switch to the “ON” (I) position.

- Set the choke lever to the CHOKE position.

- Slowly press the primer bulb 7-10 times or until fuel is visible.

- While standing on the operator’s side of the auger, place your foot on the handlebar that is on the ground to stabilize the unit. Grip the other handlebar with the other hand and tilt the auger so that the auger bit is off of the ground.

- Holding the unit firmly, pull the recoil starter grip 2 times to prime with fuel, then pull until engine starts. Use short pulls and do not allow the rope to snap back. Do not pull more than 6 times.

- Once the engine starts, stand the auger up in the vertical position and allow to run for 10-15 seconds.

- After the engine runs for 10-15 seconds, move the choke lever to the run position.

WARM ENGINE
- Place the handlebar with the throttle/speed assembly side flat to the ground surface.

- Move the engine On/Off switch to the “ON” (I) position.

- Ensure that the choke lever is in the run position.

- While standing on the operating side of the auger, place your foot on the handlebar that is on the ground to stabilize the unit. Grip the other handlebar with the other hand and tilt the auger so that the auger bit is off of the ground.

- Holding the unit firmly, pull the starter handle until the engine starts. Use short pulls and do not allow the rope to snap back.

- Once the engine starts, stand the unit up in the vertical position.

WARNING:
Rapid retraction of the recoil cord could pull your hand and arm towards the engine faster than you can let go. An unintentional startup can result in entanglement, traumatic amputation or laceration. Broken bones, fractures, bruises or sprains could also result.
- NOTICE: Manually adjusting or turning the choke lever to the CHOKE position during idle will cause the engine to stop.
- NOTICE: If the engine does not start, return to the “Start a Cold Engine” and repeat the steps that follow.
Stopping the Engine
- Release the throttle/speed control to stop the auger bit from rotating.

CAUTION: The auger bit will continue to rotate for a few seconds after the throttle/speed control is released. - Move the engine On/Off switch to the “OFF” (O) position.

WARNING:
If the engine does not stop when the engine switch is moved to the “STOP” position, release the throttle. Allow the engine to idle. Put the auger down and slide the choke lever to cold start (closed) position.
Operating the Auger
- Holding the unit in the vertical position, place the tip of the fishtail bit point at the desired drilling location.

- Engage the throttle/speed control and first start digging the hole at a slow speed to get a good engagement with the soil.
- Gradually increase the speed as the auger bit enters the soil.
- As the auger bit penetrates deeper into the soil, occasionally lift the auger bit partially up out of the hole to disperse the loose soil. This will keep the hole free of loose soil and prevent the auger bit from becoming stuck in the hole. This will also reduce the time it takes to dig a hole and prevent overworking the engine.
CAUTION:
If the auger bit will not turn in a hole, turn the engine off and remove the auger bit from the hole. Check the auger bit for damage and remove any debris from the auger bit or hole. Secure spark plug boot away from the engine and frame to alleviate potential arcing.
Transporting the Auger
WARNING:
Before transporting the auger, shut off the engine, wait for all moving parts to stop, disconnect the spark plug wire and move it away from the spark plug. Failure to follow these instructions could result in personal injury or property damage.
- Disassemble the auger bit from the power head by removing the open triangle looped end of the double wire snap from the exposed end of the Ø 9.5 x 45 mm clevis pin and removing the clevis pin from the auger bit and power head output shaft. This will disengage the bit from the power head output shaft.

- Carry the power head by the handle that does not have the throttle/speed control with the recoil starter against your leg so the fuel tank cap is pointed skyward while carrying the auger bit in the other hand, held by the shaft.

Maintenance
Make certain that the auger is kept clean and stored properly. DO NOT expose the unit to extreme conditions, excessive dust, dirt, moisture or corrosive vapors. The owner/operator is responsible for all periodic maintenance. Complete all scheduled maintenance in a timely manner. Correct any issue before operating the auger. For service or parts assistance, contact our help line at 1-877-527-0313.
WARNING:
Never operate a damaged or defective auger. Improper maintenance will void your warranty.
NOTICE:
For emission control devices and systems, read and understand your responsibilities for service as stated in the Emission Control Warranty Statement of this manual.
CAUTION:
DO NOT spray the auger power head with water. Water can contaminate the fuel system and can enter the engine through the cooling slots and damage the engine.
WARNING:
Do not at any time let brake fluids, gasoline, petroleum-based products, penetrating oils, etc., come in contact with plastic parts. Chemicals can damage, weaken, or destroy plastic which could result in serious personal injury.
Cleaning and Adjusting the Spark Plug(s)
- Remove the spark plug cable from the spark plug.

- Use a spark plug socket tool, or a 3/4 in. (19 mm) socket to remove the plug.

- Inspect the electrode on the plug. It must be clean.
- Make certain the spark plug gap is set within limits. Refer to the Specifications section for values.

- Refer to the spark plug types in the Specifications when replacing the plug.
- Carefully thread the plug into the engine.
- Use a spark plug socket tool, or a 3/4 in. (19 mm) socket to install the plug.
- Attach the spark plug wire to the plug.
Cleaning the Air Filter
- Using your fingers, turn the knob on the air filter cover counterclockwise to loosen the air filter cover.

- Remove the paper air filter element.
- Clean the filter by gently tapping it on a flat surface. If very dirty, replace it with a new filter.
- Place the air filter back into the assembly.
- Reattach the air filter cover.
Earth Blade and Fishtail Point
WARNING:
Use only the manufacturer’s replacement part intended for this auger bit. Do not use any other earth blade or fishtail point. Installing any other brand part to this auger bit can result in serious personal injury. Replace worn or damaged earth blade or fishtail point.
- Remove the mounting hardware (bolts and nuts), and take off the earth blade.

- Install a new earth blade with new mounting hardware.
- Tighten the bolts to secure the blade.
- To replace the fishtail point, use an adjustable wrench to break it loose.

- Then, using your hand, unscrew the fishtail bit completely. Replace with new part.

Adjusting the Governor
The air-fuel mixture is not adjustable. Tampering with the governor can damage your auger and will void your warranty. Contact our Technical Support Team at 1-877-527-0313 for all other service and/ or adjustment needs.
Maintenance Schedule
| Before Use |
| Wipe up fuel leaks, fuel spillage. |
| Inspect and clean fuel tank. |
| 25 Hours |
| Clean cylinder fins and intake cooling vent. |
| Inspect and clean the air filter. |
| 50 Hours or Every Season |
| Clean and readjust spark plug gap (gap: 0.6 – 0.7 mm [0.024 – 0.028 in.]), and replace if necessary. |
| Inspect and clean the air filter. |
| Annually |
| Replace spark plug. |
Storing the Auger
WARNING: Never store the auger indoors or next to appliances where there is a source of heat, open flame, spark or pilot light as these conditions can ignite gasoline vapors. DO NOT store the auger near fertilizer or any corrosive material. Even with an empty fuel tank, gasoline vapors could ignite. When storing the auger for short or long periods of time, always be sure that the engine switch (where applicable) and the fuel valve (where applicable) are set in the “OFF” position.
NOTICE:
You can store the unit with 50:1 TruFuel because it is pretreated with a stabilizer and has NO ethanol content.
NOTICE:
The engine works well with 10% or less ethanol blended gasoline. When using ethanol-blended gasoline there are some issues worth noting:
- Ethanol-blended gasoline can absorb more water than gasoline alone.
- These ethanol blends can eventually separate, leaving water or a watery goo in the fuel tank, and carburetor.
- The compromised gasoline can be drawn into the carburetor and cause damage to the engine and/or create potential hazards.
- If a fuel stabilizer is used, confirm that it is formulated to work with ethanol-gasoline blends.
- Clean all foreign material from the product. Store idle unit indoors in a dry, well-ventilated area that is inaccessible to children. Keep away from corrosive agents such as garden chemicals and deicing salts.
- Abide by all ISO and local regulations for the safe storage and handling of gasoline.
WHEN STORING 1 MONTH OR SHORTER:
A fuel stabilizer is an acceptable alternative in minimizing the formation of fuel gum deposits during storage. Add a stabilizer to your fuel container (not the fuel tank on the auger). Run engine at least 3 minutes after adding stabilizer.
WHEN STORING LONGER THAN A MONTH:
Drain all fuel from the tank into a container approved for gasoline. Run the engine until it stops.
IMPORTANT MESSAGE ABOUT TEMPERATURE
NOTICE: You can store the unit with 50:1 TruFuel because it is pretreated with a stabilizer and has NO ethanol content.
An important message about temperature: Your product is designed and rated for continuous operation at ambient temperatures up to 104°F (40°C). When needed, it may be operated at temperatures ranging from 5°F (-15°C) to 122°F (50°C) for short periods of time. If exposed to temperatures outside this range during storage, it should be brought back within this range before operation. In any event, the product must always be operated outdoors, in a well-ventilated area, and away from doors, windows and vents.
| Starting Temperature Range (°F/°C) | 5 to 104/-15 to 40 |
Troubleshooting
PROBLEM: THE ENGINE DOES NOT START
| Cause | Solution |
| The engine switch is in the “OFF” position | Move the engine switch to the “ON” position. |
| Fuel mixture is too rich | Open choke. |
| Fuel strainer is clogged | Clean fuel strainer. |
| Flooded engine | Let unit sit for 15 minutes or remove spark plug and clean per the instructions in the MAINTENANCE section of this operator’s manual. |
| Spark plug gap is incorrect | Replace or adjust spark plug per the instructions in the MAINTENANCE section in this operator’s manual. |
PROBLEM: THE ENGINE WILL NOT ACCELERATE, LACKS POWER OR STALLS
| Cause | Solution |
| Choke on | Ensure choke lever is in the “RUN” position. |
| Air filter dirty | Clean air filter per the instructions in the MAINTENANCE section of this operator’s manual. |
| Spark plug gap is incorrect | Replace or adjust spark plug per instructions in the MAINTENANCE section of this operator’s manual. |
| Exhaust port/spark arrestor screen blocked | Clean exhaust port/spark arrestor screen per the instructions in the MAINTENANCE section of this operator’s manual. |
PROBLEM: THE ENGINE SMOKES EXCESSIVELY
| Cause | Solution |
| Fuel mixture incorrect | Empty fuel tank and refill with correct fuel mixture per the instructions in the OPERATION section of this operator’s manual. |
| Air filter dirty | Clean the air filter per the instructions in the MAINTENANCE section of this operator’s manual. |
PROBLEM: AUGER BIT TURNS WHILE ENGINE IS IDLING
| Cause | Solution |
| Idle speed is too high. The carburetor needs adjustment. | Call for free technical service at 1-877-527-0313. |
Technical Service
You may have further questions about assembling, operating or maintaining this earth auger. If so, you can contact our Technical Service Department at 1-877-527-0313 (English only). You may also write to Champion Power Equipment, Inc. 12039 Smith Ave. Santa Fe Springs, CA 90670 USA www.championpowerequipment.com.
When contacting the Technical Service Department, have ready:
- Your Name
- Your Address
- Your Phone Number
- Model Number of Product
- Date of Purchase (include a copy of the receipt for written requests).
Warranty
EARTH AUGER LIMITED WARRANTY
Always specify the model number when contacting the factory
We reserve the right to amend these specifications at any time without notice. The only warranty applicable is our standard written warranty. We make no other warranty, expressed or implied. The Manufacturer warrants this unit and any parts thereof, to be free from defects in material and workmanship for two years from the date of first purchase from an authorized dealer, provided that the product has been properly maintained and operated in accordance with all applicable instructions. This warranty is extended only to the original retail purchaser. The bill of sale or proof of purchase must be presented at the time a claim is made under this warranty.
This warranty does not cover commercial, industrial, or rental usage, nor does it apply to parts that are not in original condition because of normal wear and tear, or parts that fail or become damaged as a result of misuse, accident, lack of proper maintenance, tampering, or alteration. Travel, handling, transportation, and incidental costs associated with warranty repairs are not reimbursable under this warranty and are the responsibility of the owner. To the full extent allowed by the law of the jurisdiction that governs the sale of the product, this express warranty excludes any and all other expressed warranties and limits the duration of any and all implied warranties, including warranties of merchantability and fitness for a particular purpose to two years from the date of first purchase, and the
The manufacturer’s liability is hereby limited to the purchase price of the product and the Manufacturer shall not be liable for any other damages whatsoever including indirect, incidental, or consequential damages. Some states do not allow the limitation of how long an implied warranty lasts or an exclusion or limitation of incidental or consequential damages, so the above limitation of damages may not apply to you. This warranty provides the original purchaser with specific rights. For information regarding those rights, please consult the applicable state laws. The Engine Emissions Control System Warranty is provided by the engine manufacturer, included with this product, and administered by the Manufacturer.
Questions, problems, missing parts?
Before returning to the store, call Customer Service 8 a.m. – 7 p.m., EST, Monday-Friday, 9 a.m. – 6 p.m., EST, Saturday 1-877-527-0313 HOMEDEPOT.COM Retain this manual for future use.


















































