
ITEM # GEN1000
1000 Surge Watts / 900 Running Watts
2-CYCLE PORTABLE GENERATOR
INSTRUCTION MANUAL
GEN1000 900 Running Watts 2-Cycle Portable Generator
READ ALL INSTRUCTIONS AND WARNINGS BEFORE USING THIS PRODUCT.
This manual provides important information on proper operation & maintenance. Every effort has been made to ensure
the accuracy of this manual. These instructions are not meant to cover every possible condition and situation that may
occur. We reserve the right to change this product at any time without prior notice.
HAVE QUESTIONS OR PROBLEMS? CONTACT CUSTOMER SERVICE
If you experience a problem or need parts, call customer service at 1-866-460-9436, Monday-Friday,
8 AM – 4 PM Central Time. A copy of the sales receipt is required. IF THERE IS ANY QUESTION ABOUT A CONDITION BEING SAFE OR UNSAFE, DO NOT OPERATE THIS PRODUCT!
FOR CONSUMER USE ONLY – NOT FOR PROFESSIONAL USE.
KEEP THIS MANUAL, SALES RECEIPT & APPLICABLE WARRANTY FOR FUTURE REFERENCE.
ATTENTION: OIL IS NOT INCLUDED WITH THE GENERATOR AND MUST BE ADDED BEFORE FIRST USE.
ATTENTION: THIS GENERATOR IS NOT INTENDED TO POWER MEDICAL DEVICES OR LIFE SUPPORT APPLIANCES.
ATTENTION: FOLLOW ENGINE BREAK-IN PROCEDURE FOR FIRST 20 HOURS OF USE.
ATTENTION: DO NOT EXCEED MAX WATTAGE CAPACITY, OTHERWISE DAMAGE CAN OCCUR TO GENERATOR AND/OR APPLIANCES. FOLLOW WATTAGE GUIDE TO DETERMINE PROPER STARTING & RUNNING WATTS.

To register your product warranty, please visit buffalotools.com or scan the QR code.
ITEM # GEN1000 1000 Surge Watts / 900 Running Watts Portable Generator
FEATURES

- 1000 Surge Watts / 900 Running Watts
- Unleaded Gasoline Plus 2-Cycle Oil (50:1) Mix Required
- Recoil Start
- 2.0 HP
- 72cc
- 1 – 120 Volt A/C Outlet
- Fuel Capacity: 0.8 Gallon Fuel Tank
- Engine Run Time: 5 Hours @ 50% Load
- Noise Level <65 db @ 24 Feet
- EPA Approved
- Mobility Kit Not Available
- This portable generator is not for use with gasoline/ ethanol blends with over 15% ethanol. Do not use E85 fuel.)
- High Altitude Use: This generator is not recommended for high altitude use 3,000 feet above sea level
- If you are using a generator 3,000 feet above sea level, the generator may not function properly because of air flow getting through the carburetor.
THIS ENGINE MEETS U.S. EPA EMISSION STANDARDS UNDER 40 CFR 1054.625 .
2 YEAR LIMITED EMISSION-RELATED WARRANTY
THIS ENGINE MEETS U.S. EPA EMISSION STANDARDS UNDER 40 CFR 1054.625 .The emission-related limited warranty is valid for two (2) years. Keep the purchase receipt and mail in the product registration card for proof of purchase. Buffalo Corp limits emission-related warranty repairs to authorized service centers for owners located within 100 miles of an authorized service center. For owners located more than 100 miles from an authorized service center, Buffalo Corp will, in its sole discretion, either pay for shipping costs to and from an authorized service center, provide for a service technician to come to the owner to make the warranty repair, or pay for the repair to be made at a local non-authorized service center. The provisions of this paragraph apply only for the contiguous states, excluding the states with high-altitude areas identified in 40 CFR part 1068, Appendix III.
To exercise this warranty, DO NOT RETURN TO RETAILER. Instead, call Customer Service toll free at 1-866-460-9436 (email address [email protected]) and you will be instructed on where to take the engine for warranty service. Take the generator and proof of purchase (your receipt) to the repair facility recommended by the Customer Service Representative. The warranty does not extend to generators damaged or affected by fuel contamination, accidents, neglect, misuse, unauthorized alterations, use in an application for which the product was not designed and any other modifications or abuse.
1 YEAR LIMITED WARRANTY (30 Day Limited Warranty for Commercial and Rental Purpose)
Generators are warranted to be free from defects in materials and workmanship for a period of 1 YEAR from date of original purchase. Buffalo Corp. is not liable for any indirect, incidental or consequential damages from the sale or use of this product. Any implied warranties are limited to 1 YEAR as stated, or as otherwise stated, in this written limited warranty. Some states do not allow the exclusion or limitation of incidental or consequential damages. Some states do not allow limitation on the length of an implied warranty. Buffalo Corp will repair or replace, at its discretion, any part that is proven to be defective in materials or workmanship under normal use during the 1 YEAR warranty period. Warranty repairs or replacements will be made without charge for parts or labor. Parts replaced during warranty repairs will be considered as part of the original product and will have the same warranty period as the original product. This warranty gives you specific legal rights, and you may have other rights that vary state to state.
RECOGNIZE SAFETY SYMBOLS, WORDS AND LABELS
What You Need to Know About Safety Instructions
Warning and Important Safety Instructions appearing in this manual are not meant to cover all possible conditions and situations that may occur. Common sense, caution and care must be exercised when operating or cleaning tools and equipment.
Always contact your dealer, distributor, service agent or manufacturer about problems or conditions you do not understand.
![]() | This is the safety alert symbol. It is used to alert you to potential personal injury hazards. Obey all safety messages that follow this symbol to avoid possible injury or death. |
![]() | DANGER indicates an imminently hazardous situation which, if not avoided, will result in death or serious injury. |
![]() | WARNING indicates a potentially hazardous situation which, if not avoided, could result in death or serious injury. |
![]() | CAUTION indicates a potentially hazardous situation which, if not avoided, may result in minor or moderate injury. |
![]() | CAUTION used without the safety alert symbol indicates a potentially hazardous situation which, if not avoided, may result in property damage. |
Notice Regarding Emissions:
Engines certified to comply with California and U.S. EPA emission regulations for SORE (Small Off Road Equipment) are certified to operate on regular unleaded gasoline and may include the following emission control systems: Three-Way Catalyst (TWC) (if equipped).
Legal Requirements:
Federal and/or State Occupational Safety and Health Administration (OSHA) regulations, local codes, and/or ordinances may apply to the intended use of this generator. Consult a qualified electrician, electrical inspector, and/or the local agency having jurisdiction. Some areas require generators to be registered with local utility companies. Additional regulations may apply if this generator will be used at a construction site.
IMPORTANT SAFETY INSTRUCTIONS
STOP!
Before using this generator and if you have any questions regarding the hazard and safety notices listed in this manual and/or on this generator, call 1-866-460-9436, Monday – Friday, 8 AM – 4 PM Central Time.

Carbon Monoxide Gas: When in operation, the exhaust from this generator contains poisonous carbon monoxide gas. Carbon monoxide gas is both odorless and colorless AND may be present even if you do not see or smell gas. Breathing this poison gas can lead to headaches, dizziness, drowsiness, loss of consciousness and eventually death.
- USE THIS GENERATOR ONLY OUTDOORS IN NON-CONFINED AREAS. DO NOT SECURE THE GENERATOR WITH A CHAIN OR ROPE, AS THIS WILL MAKE IT DIFFICULT TO MOVE IN AN EMERGENCY.
- Keep at least several feet of clearance on all sides to allow proper ventilation for this generator.

Flammable Gasoline: This generator may emit highly flammable and explosive gasoline vapors, which can cause severe burns or even death. A nearby open flame can lead to an explosion even if not directly in contact with gasoline.
- Do not operate this generator near open flame.
- Do not smoke near this generator.
- Always operate this generator on a firm, level surface.
Gasoline is highly flammable and explosive. Handling fuel can result in serious injury or burns.
- Always shut down this generator before refueling. Refuel in a well-ventilated area. Keep heat, sparks and flame away while refueling and away from the location where gasoline is stored. Never refuel indoors where gasoline fumes may reach flames and/or sparks.
- Allow this generator to cool for at least 2 minutes before removing the fuel tank cap. Loosen the cap slowly to relieve pressure in the fuel tank. Avoid spilling fuel.
- Do not fill the fuel tank above the upper limit line. Gasoline may expand during operation. Do not fill to the top of the tank.
- Always check for spilled gasoline and immediately wipe it up before starting this generator.
- Empty the fuel tank before storing or transporting this generator.
- Always handle fuel outdoors.
- Before transporting, turn the fuel valve to the “OFF” position and disconnect the spark plug.

Powerful Voltage: This generator produces powerful voltage, which can result in electrocution.
- ALWAYS ground this generator before using it. (See “Ground the Generator” section in this manual).
- Only electrical devices should be plugged into this generator, either directly or with an extension cord. NEVER connect a building electrical system to this generator without a qualified electrician. Doing so voids your warranty. Such connections must isolate generator power from utility power and comply with local electrical laws and codes. Failure to comply can create a back feed into utility lines creating an electrocution hazard, which may result in serious injury or death to utility workers. Such a back feed may cause this generator to explode, burn and create fires when utility power is restored.
- Use a ground fault circuit interrupter (GFCI) in highly conductive areas such as metal decking or steel work. GFCIs are available in-line with some extension cords.
- Do not use this generator in wet conditions (rain, snow, active sprinkler system, wet hands, etc.). Always keep this generator dry and operate it with dry hands.
- Do not touch bare wires or outlets (receptacles).
- Do not allow children or non-qualified persons to operate this generator.

High Temperatures: This generator produces heat when in operation. Temperatures near the exhaust can exceed 150 Degrees Fahrenheit (65 Degrees Celsius).
- Do not touch hot surfaces. Observe all warning placards on this generator denoting hot surfaces.
- Allow this generator to cool for several minutes after use before touching the engine, muffler or other areas that are hot during operation and before storing indoors.
- Hot exhaust may ignite some materials. Keep flammable materials away from this generator.
- Keep at least several feet of clearance on all sides of this generator during operation. Do not enclose this generator in any structure.

Usage: Misuse of this generator can damage it or shorten its life.
- Use this generator only for its intended purpose.
- Operate this generator only on a dry, level surface. Do not secure the generator with a chain or rope, which would prevent it from being moved in an emergency.
- Allow this generator to run for several minutes before connecting any electrical devices.
- Promptly turn off any malfunctioning devices and disconnect them.
- Do not operate an excessive number of electrical devices in excess of the wattage capacity of this generator.
- Do not turn on electrical devices until after they are connected to this generator.
- Turn off all connected electrical devices before stopping this generator.

Usage: Consult a physician(s) before using this generator if using a pacemaker. Electromagnetic fields in close proximity to a heart pacemaker could cause a pacemaker to malfunction or fail. Caution is necessary when near the engine’s recoil starter.

Usage: Prolonged exposure to high noise levels can be hazardous to hearing. Always wear ANSI-approved hearing protection when operating or working around the generator when it is running.

Usage: This generator is not intended to power sensitive electronic equipment such as TVs, DVD players, stereos, desktop computers or laptop computers without the use of an appropriate line conditioner and/or surge protector (both not included).
Sensitive electronic equipment should be operated on approved inverter type generators or pure sine wave generators. For additional information consult the devices operation manual or call customer service at 1-866-460-9436 Monday – Friday, 8 AM – 4 PM Central Time.

Usage: Avoid the use of extension cords if possible. If you choose to use them, be sure they are sized adequately to handle the flow of electricity. An undersized cord can overheat, short out and cause a fire.

Usage: Do not use fuel stabilizers with this generator, doing so could cause damage to the generator, or decrease the fuel and operating efficiency of the generator. You may choose to add a fuel conditioner to oxygenate the fuel and to help it run more efficiently.
DANGER
EXHAUST CONTAINS POISONOUS CARBON MONOXIDE GAS THAT CAN BUILD UP TO DANGEROUS LEVELS IN CLOSED AREAS. BREATHING CARBON MONOXIDE CAN CAUSE UNCONSCIOUSNESS OR DEATH. Never run the generator in a closed or even partly closed area where people may be present.
WARNING
GASOLINE IS HIGHLY FLAMMABLE AND EXPLOSIVE. YOU COULD BE BURNED OR SERIOUSLY INJURED IF THE GASOLINE IS IGNITED. Before refueling, stop the engine and keep heat, sparks and flame away. Handle fuel only outdoors. Do not fill the fuel tank above the upper limit line. Wipe up spills immediately.
WARNING
IMPROPER CONNECTIONS TO A BUILDING CAN ALLOW ELECTRICAL CURRENT TO BACKFEED INTO UTILITY LINES, CREATING AN ELECTROCUTION HAZARD. Connections to a building must isolate generator power from utility power and comply with all applicable laws and electrical codes.
In addition to the previously described safety information, familiarize yourself with all safety and hazard placards on this generator.

PACKAGE CONTENTS
The following items are supplied with this Portable Generator. Verify that all items are included.
STOP!
If there are missing items, call 1-866-460-9436, Monday – Friday, 8 AM – 4 PM Central Time for customer service.
![]() | Spark plug remover |
![]() | Screwdriver |
GENERATOR COMPONENTS
Observe the locations and functions of the various components and controls of this generator.

- Fuel Tank With Cap
- Carry Handle
- Power Outlet
- Fuel Switch
- Choke Lever
- Circuit Reset
- On/Off Switch
- Hand Start
- Control Panel
- Air Filter Cover
- Grounding Terminal
Using this Generator for the First-Time
STOP!

The following section describes the required steps for preparing this generator for the first use. Failure to correctly perform these steps can damage this generator and/or shorten its life. If still unsure about how to perform any of these steps after reading this section, call 1-866-460-9436 Monday – Friday, 8 AM – 4 PM Central Time for customer service.
If this generator is being used for the first time, the following few steps are required to prepare it for operation:
Step 1 – Add Oil/Gas Mixture Before Use, Mix 0.8 Gallon Gas With 2 oz. 2-Cycle Engine Oil (50:1) In Separate Container, Then Pour In Gas Tank.
This generator is equipped with a two-stroke engine and is therefore powered by a fuel mixture. Use only a mix of unleaded gasoline and two-stroke oil in a ratio of 50:1. The generator is delivered without fuel mixture and must be filled prior to start-up operation. Attention! Always add fuel mixture when the generator is switched off. Please ensure that the fuel switch is in the “OFF“ position. Open the tank cover and fill it with max. 0.8 gallon of fuel mixture while ensuring that the fuel filter is inserted. Do not overfill the tank. Please note that fuel can expand with warm temperatures. Close the tank lid carefully. Attention! Do not smoke, keep fire and open flame away while filling the fuel tank!

Gasoline and gasoline fumes are highly flammable and explosive. Handling fuel can result in serious injury or burns.
- Do not fill the fuel tank near heat, sparks or an open flame. Keep gasoline away from pilot lights, barbecues, electric appliances, power tools, etc.
- Always allow several minutes for the engine to cool before refueling.
- Do not overfill the fuel tank. Check for fuel spills and immediately wipe them up. Spilled fuel is a fire hazard and causes environmental damage.
Step 2 – Ground the Generator

Failure to properly ground this generator can result in electrocution.
Ground this generator by tightening the grounding nut against a grounding wire as illustrated in Figure 3.
A No. 12 AWG (American Wire Gauge) stranded copper wire is generally an acceptable grounding wire.
The other end of this grounding wire should be connected to a copper or brass grounding rod that is driven into the earth.
Grounding codes can vary by location. Contact a local electrician for information on grounding regulations for your area.

IMPORTANT:
- Use only fresh UNLEADED gasoline with an octane rating of 87 or higher.
- Never use old and/or contaminated gasoline.
- Only use a mixture of oil and gasoline with rate of 1:50.
- Avoid getting dirt and/or water in the fuel tank.
- Never store generator for extended time with gasoline in the fuel tank.
STARTING THE GENERATOR
STOP!
Before starting this generator, confirm that all the steps in the section titled, “Preparing the Generator for Use,” of this manual have been correctly completed. If unsure about how to perform any of these steps, call 1-866-460-9436, Monday – Friday, 8 AM – 4 PM Central Time.

Disconnect all electrical loads from this generator before attempting to start.
To start this generator:
- Confirm that there are no electrical devices connected to this generator. Connected devices may increase the difficulty in starting the engine.
- Confirm that this generator is properly grounded. (See “Ground the Generator” section of this manual.)
- Turn the fuel valve to the “on” position.
- Move the choke lever to the “closed” position.
- Set the engine switch to the “on” position.
- Slowly pull on the recoil starter handle until a slight resistance is felt. Then pull briskly to start the engine. Gently return the cord into the generator to avoid damage to the starter or housing. Never allow the cord to snap back.
- If the engine fails to start, repeat step 6. NOTE: After repeated attempts to start the engine, consult the troubleshooting guide before attempting again. If problems persist, call 1-866-460-9436, Monday – Friday, 8 AM – 4 PM Central Time.
- Once the engine has started and runs for about a minute, move the choke lever towards the “open” position.
- Allow this generator to run for several minutes before connecting any electrical devices.
Fuel Cock
The fuel cock is located between the fuel tank and carburetor. When the fuel cock is in the ON position, fuel is allowed to flow from the fuel tank to the carburetor. Be sure to return the fuel cock to the OFF position after stopping the engine.
Choke Rod
The choke is used to provide an enriched fuel mixture when starting a cold engine. It can be opened and closed by operating the choke rod manually. Pull the rod out toward CLOSED to enrich the mixture for cold starting
USING THE GENERATOR

- USE THIS GENERATOR ONLY OUTDOORS IN NON-CONFINED AREAS. DO NOT SECURE THE GENERATOR WITH A CHAIN OR ROPE, AS THIS WILL MAKE IT DIFFICULT TO MOVE IN AN EMERGENCY.
- Keep at least several feet of clearance on all sides to allow proper ventilation for this generator.
After the engine has been running for several minutes, electrical devices may be connected to this generator.
AC Usage
Electrical devices running on AC current may be connected according to their wattage requirements. The rated (running) and surge wattage for this generator is 900 and 1,000 respectively.
| Rated (Running) Wattage | 900 |
| Surge Wattage | 1000 |
The rated (running) wattage corresponds to the maximum wattage a generator can output on a continuous basis.
The surge wattage corresponds to the maximum amount of power a generator can output for a short time. Many electrical devices, such as a refrigerator, require short bursts of extra power for starting and stopping fan motors, etc., in addition to their listed rated wattage. Motorized devices typically require more than their rated wattage for startup. The surge wattage ability of a generator allows for this extra power requirement.
The total running wattage requirement of the electrical devices connected to a generator should not exceed the rated wattage of the generator itself.
To calculate the total wattage requirement of the electrical devices to be connected, look up the rated (running) wattage of each device and add these numbers together to find the total wattage that all of the devices together will draw from the generator. If the total wattage of the selected devices exceeds the rated wattage of the generator, DO NOT connect all of the devices. Select a combination of the electrical devices that will have a total wattage less than or equal to the rated wattage for the generator.

This generator can run at its surge wattage capacity for only a short time. Connect electrical devices requiring a rated (running) wattage equal to or less than the rated wattage of this generator. Never connect devices requiring a rated wattage equal to the surge wattage of a generator.
A device’s rated (running) wattage should be listed somewhere on the device itself and/or in its manual. If the wattage specification for a device is not available, the wattage can be calculated by multiplying the Voltage requirement (120 or 240) by the Amperage drawn. Watts = Volts x Amperes
Or, the wattage required by a device can be estimated by using the following chart. The chart provides only estimates and it is better to know the exact wattage of each electrical device to be powered by this generator.
| Electrical Device | Rated (Running) Watts | Additional Surge Watts |
| air compressor (1 – 1/2 HP) | 2500 | 2500 |
| airless sprayer (1/3 HP) | 600 | 1200 |
| coffee maker | 1500 | 0 |
| computer w/17 inch monitor | 800 | 0 |
| deep freezer | 500 | 500 |
| electric drill (1/2 HP) | 1000 | 1000 |
| furnace fan blower (1/2 HP) | 800 | 1300 |
| hot plate | 2500 | 0 |
| microwave oven (1000 watt) | 1000 | 0 |
| quartz halogen work light | 1000 | 0 |
| refrigerator/freezer (18 Cu. Ft.) | 800 | 1600 |
| saw – circular (7 1/4 inch) | 1500 | 1500 |
| stereo receiver | 450 | 0 |
| electric stove – single element | 1500 | 0 |
| sump pump | 800 | 1200 |
| television (27 inch color) | 500 | 0 |
| well water pump (1/3 HP) | 1000 | 2000 |
| window air conditioner (10000 BTU) | 1200 | 1800 |
| window fan | 300 | 600 |
Connect electrical devices to this generator according to the following procedure:
Allow the engine to run for several minutes after it has been started.
Confirm that the electrical device is switched off prior to plugging it into this generator.

Connect only electrical devices that are in good working order. Faulty devices or power cords present the risk of electrical shock.
Immediately turn off and disconnect any device that commences to operate abnormally, sluggish or abruptly stops. Determine if the problem was the device or the rated load capacity of this generator has been exceeded.
Turn on the connected electrical devices beginning with the device with the highest rated wattage requirement and then each additional device with the next lower rated wattage requirement.
GEN1000 1000 Surge Watts/900 Running Watts Portable Generator
SOME NOTES ABOUT POWER CORDS
Long or thin cords can require more wattage from a generator to power an electrical device. Figure 6 shows the recommended cords according to the power requirement of the electrical device. When using cords that exceed these specifications, allow for the electrical device to have a slightly higher rated wattage requirement.
Figure 6 – Maximum Extension Cord Lengthsby Power Requirement
| Device Requirements | Max. Cord Length (ft) by Wire Gauge | ||||||
| Amps | Watts (120V) | Watts (240V) | #8 wire | #10 wire | #12 wire | #14 wire | #16 wire |
| 2.5 | 300 | 600 | NR | 1000 | 600 | 375 | 250 |
| 5 | 600 | 1200 | NR | 500 | 300 | 200 | 125 |
| 7.5 | 900 | 1800 | NR | 350 | 200 | 125 | 100 |
| 10 | 1200 | 2400 | NR | 250 | 150 | 100 | 50 |
| 15 | 1800 | 3600 | NR | 150 | 100 | 65 | NR |
| 20 | 2400 | 4800 | 175 | 125 | 75 | 50 | NR |
| 25 | 3000 | 6000 | 150 | 100 | 60 | NR | NR |
| 30 | 3600 | 7200 | 125 | 65 | NR | NR | NR |
| 40 | 4800 | 9600 | 90 | NR | NR | NR | NR |
NR = Not
Recommended
STOPPING THE GENERATOR
To stop this generator:
- Turn off all connected electrical devices and then unplug them.
- Allow this generator to run for several more minutes with no electrical devices connected to help stabilize the temperature of this generator.
- Set the engine switch to the “OFF” position.
- Turn the fuel valve to the “OFF” position.

Allow this generator to cool down before touching areas that become hot during operation.

Allowing gasoline to sit in this generator’s fuel tank for extended time without use can increase the difficulty in starting this generator in the future. Never store this generator for extended time with gasoline in the fuel tank.
MAINTENANCE/CARE
Proper routine maintenance of this generator is essential for safe, economical, and trouble-free operation. It will help prolong the life of this generator as well as help reduce air pollution. Perform maintenance checks and procedures according to the schedule in Figure 7.

Never perform maintenance procedures while this generator is running. Allow this generator to cool before commencing any maintenance procedures. Keep heat, sparks and flame away.

Improper maintenance and/or failure to correct any problems prior to operating this generator can cause a malfunction which could cause death or serious injury. Always follow the inspection and maintenance recommendations and schedules in this manual.
Recommended Maintenance Schedule
| Each Use | Every Month or Each 20 Hrs | Every 3 Months or Each 50 Hrs | Every 6 Months or Each 100 Hrs | Every Year or Each 300 Hrs | ||
| Air Filter | Check | X | ||||
| Clean | X | |||||
| Fuel Filler Cap | Clean | X | ||||
| Spark Plug | Check/Clean | X | ||||
| Fuel Tank | Verify Gas Level | X | ||||
| Clean | X |
Figure 7 – Recommended maintenance schedule
Cleaning the Generator
Always try to use this generator in a cool dry place. If this generator becomes dirty, the exterior can be cleaned with a damp cloth, soft brush, vacuum and/or pressurized air. Never clean this generator with a bucket of water and/or a hose as water can get inside and cause a short circuit or corrosion. Never use gasoline to clean parts of this generator.
Spark Plug Maintenance
The spark plug is essential for proper engine operation. The spark plug should be intact, free of deposits, and properly gapped. A bad or incorrectly installed spark plug can cause engine damage.
To inspect the spark plug:
- Remove the spark plug by pulling on the spark plug cap.
- Unscrew the spark plug from this generator by using the included spark plug wrench.
- Inspect the spark plug. If it is cracked and/or chipped, install a new spark plug. A F6TC spark plug is recommended.
- Measure the spark plug electrode gap with a gauge. The gap should be 0.028-0.031in (0.7-0.8mm). (See Figure 9.)
- If re-using the spark plug, use a wire brush to clean any dirt from around the spark plug base and then re-gap the spark plug.
- Screw the spark plug back into place on this generator by using the included spark plug wrench.
- Replace the spark plug cap.

Cleaning the Air Filter
Routine maintenance of the air filter helps maintain proper airflow to the carburetor. Occasionally verify that the air filter is free of excessive dirt. The air filter will require more frequent cleaning when operating this generator in extremely dusty areas.
To clean the air filter, remove the foam filter element from the generator and wash it in warm water and household dish detergent. Thoroughly rinse and dry. Pour a small amount of motor oil onto the filter, ring out ALL excess oil, and reinstall the foam filter element in the generator.
To locate the air filter, unscrew the two bolts attaching the bottom air filter cover, located below the choke lever, to access the foam filter element.
Emptying the Carburetor
To store this generator for extended time, the fuel needs to be drained from the carburetor.
To drain the gasoline from the carburetor turn the fuel valve to the “off” position while the engine is running. The generator will shut down when all the gasoline in the carburetor has been used.

Do not store gasoline for more than 3 months.
STORAGE/TRANSPORT PROCEDURES

Never place any type of storage cover on this generator while it is still hot.
When transporting or storing this generator for extended time:
- Allow generator to fully cool before moving it. A hot engine and exhaust system can burn you and ignite some materials.
- Empty the fuel tank. (See “Emptying the Fuel Tank” in the “Maintenance/Care” section.)
- Turn the fuel valve to the “off” position.
- Disconnect the spark plug.
- Do not obstruct any ventilation openings.
- Do not drop or strike this generator while moving it.
- Store this generator in a cool dry area, free of excessive dust.
| Storage Time | Recommended Storage Procedure (which will help prevent difficult starts) |
| Less than 1 month | No storage procedure required. |
| 1 to 2 months | Fill with fresh gasoline and add gasoline conditioner |
| 2 months to 1 year | Empty the fuel tank. (See “Emptying the Fuel Tank” in the “Maintenance/Care” section.) |
| 1 year or more | Empty the fuel tank. (See “Emptying the Fuel Tank” in the “Maintenance/Care” section.) Disconnect the spark plug. |
TROUBLESHOOTING
IMPORTANT: If trouble persists, call our customer help line at 1-866-460-9436, Monday – Friday, 8 AM – 4 PM Central Time.
| Symptom | Cause | Solution |
| Engine will not start. | Engine switch is set to “off.” | Set engine switch to “on.” |
| Fuel valve is turned to “closed.” | Turn fuel valve to “open.” | |
| Choke is open. | Close the choke. | |
| Engine is out of gasoline/ oil mix | Add gasoline/oil mix | |
| Engine is filled with contaminated and/or old fuel. | Drain fuel from the engine and add new gasoline. | |
| Spark plug is dirty. | Clean spark plug. | |
| Spark plug is broken. | Replace spark plug. | |
| Generator is not on level surface. | Move generator to a level surface to prevent triggering the low oil shutdown. | |
| Oil is low. | Add or replace oil. | |
| Engine runs but there is no electrical output. | Circuit breaker is off. | Flip circuit breaker to “on.” |
| Reset button is “off.” | Push reset button to “on.” | |
| Bad connecting wires/cables. | Try a different extension cord. | |
| Bad electrical device connected to generator. | Disconnect device, try connecting another device. | |
| Generator runs but does not support all connected electrical devices. | Generator is overloaded. | Reduce draw on generator to within this generator’s rated wattage by reducing number of connected electrical devices. |
| Short in one of the connected devices. | Disconnect any faulty or short-circuited electrical loads. | |
| Air filter is dirty. | Clean or replace air filter. |

Do not secure the generator with a chain or rope, which would prevent it from being moved in an emergency.
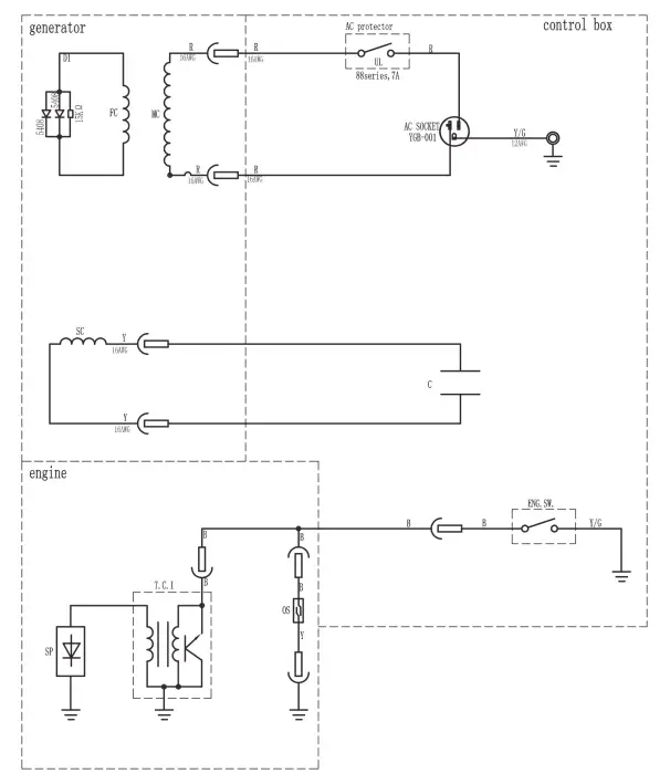
GEN1000 WIRING DIAGRAM

GEN1000 PARTS DIAGRAM

GEN1000 PARTS LIST
| NO. | CODE | DESCRIPTION | QTY. |
| 1 | 2.201E+12 | left crankcase | 1 |
| 2 | 2.201E+12 | right crankcase | 1 |
| 3 | 5.2101E+11 | bearing 6004 | 2 |
| 4 | 5.18014E+11 | hole circlip φ42 | 1 |
| 5 | 5.2201E+11 | oil seal 20*30*7 | 2 |
| 6 | 5.14011E+11 | pin 10*7*14 | 2 |
| 7 | 5.16031E+11 | stub AM6*50 | 2 |
| 8 | 5.12041E+11 | dentiform flange nut M6 | 4 |
| 9 | 5.11051E+11 | flange bolt M6*45 | 4 |
| 10 | 5.16031E+11 | stub AM6*100 | 2 |
| 11 | 5.2201E+11 | oil seal 6*12*7 | 1 |
| 12 | 22010000300 | governor shaft | 1 |
| 13 | 22010000400 | governor fork | 1 |
| 14 | 5.1501E+11 | cross round head bolt M3*8 | 2 |
| 15 | 5.1302E+11 | spring washer φ3 | 2 |
| 16 | 22010000500 | governor arm | 1 |
| 17 | 22010000600 | collar bush | 1 |
| 18 | 22010100000 | weight comp | 1 |
| 19 | 5.11131E+11 | flange bolt M6*16 | 4 |
| 20 | 22010200000 | crankshaft assembly | 1 |
| 21 | 22010000700 | circlip | 2 |
| 22 | 22010000800 | piston pin | 1 |
| 23 | 22010004800 | roller bearing 14*10*13 | 1 |
| 24 | 2.201E+12 | piston | 1 |
| 25 | 2.201E+12 | second piston ring | 1 |
| 26 | 2.201E+12 | first piston ring | 1 |
| 27 | 22010001200 | cylinder gasket | 1 |
| 28 | 22010001300 | cylinder | 1 |
| 29 | 22010001400 | cylinder cap gasket | 1 |
| 30 | 22010001500 | cylinder cap | 1 |
| 31 | 5.11051E+11 | flange bolt M6*105 | 2 |
| 32 | 5.12061E+11 | thick nut M6*18 | 2 |
| 33 | 22010001600 | the cover of cylinder cap | 1 |
| 34 | 5.11051E+11 | flange bolt M6*12 | 10 |
| 35 | 2.201E+12 | ignition coil assembly | 1 |
| 36 | 22010001800 | clamp | 1 |
| 37 | 5.13021E+11 | spring washer φ6 | 7 |
| 38 | 5.15011E+11 | cross round head bolt M6*16 | 2 |
| 39 | 2.20103E+12 | flywheel | 1 |
| 40 | 5.12101E+11 | flange nut M10*1.25 | 1 |
| 41 | 2.20104E+12 | recoil starter assembly | 1 |
| 42 | 22010001900 | intake valve gasket | 1 |
| 43 | 2.20105E+12 | intake vavle assembly | 1 |
| 44 | 5.11051E+11 | flange bolt M6*18 | 4 |
| 45 | 5.16031E+11 | stub AM6*60 | 2 |
| 46 | 22010002000 | intake gasket | 1 |
| 47 | 2.20106E+12 | carburetor | 1 |
| 48 | 22010002100 | carbureor gasket B | 1 |
| 49 | 22010002200 | carbureor gasket A | 1 |
| 50 | 22010002300 | supporting plate | 1 |
| 51 | 22010002400 | compression spring | 1 |
| 52 | 5.15061E+11 | cross round head bolt M6*40 | 1 |
| 53 | 22010002500 | rod link | 1 |
| 54 | 22010002600 | tension spring | 1 |
| 55 | 22010002700 | governor spring | 1 |
| 56 | 2.50107E+12 | controll pannel | 1 |
| 57 | 29030800104 | capacitance | 1 |
| 58 | 5.1705E+11 | self-tapping screw ST4.2*14 | 1 |
| 59 | 61012130008 | alternator stator | 1 |
| 60 | 61012120001 | alternator rotor | 1 |
| 61 | 5.11011E+11 | flange bolt M8*156 | 1 |
| 62 | 29030400101 | rear cover | 1 |
| 63 | 5.11051E+11 | flange bolt M6*80 | 3 |
| 64 | 5.13031E+11 | dentiform washer φ6 | 3 |
| 65 | 5.11051E+11 | flange bolt M6*10 | 2 |
| 66 | 22010800018 | muffler | 1 |
| 67 | 22010003000 | muffler gasket | 1 |
| 68 | 2.201E+12 | CDI winding | 1 |
| 69 | 2.201E+12 | spark plug | 1 |
| 70 | 22010003400 | absorber | 4 |
| 71 | 22010003579 | fuel tank | 1 |
| 72 | 29019900602 | fuel filter | 1 |
| 73 | 29019901101 | fuel tank cap | 1 |
| 74 | 22010003801 | handlebar | 1 |
| 75 | 5.15061E+11 | cross round head bolt M6*30 | 2 |
| 76 | 5.13011E+11 | washer φ6 | 2 |
| 77 | 29019900703 | fuel switch | 1 |
| 78 | 22010004100 | fuel cup | 1 |
| 79 | 22010004000 | Rubber jams | 1 |
EMISSION CONTROL SYSTEM WARRANTY
Buffalo Corp
YOUR WARRANTY RIGHTS AND OBLIGATIONS
The U.S. Environmental Protection Agency (EPA), California Air Resources Board and Buffalo Corp are pleased to explain the emissions control system warranty on your (current model year) 2022 small off-road engine. In California, new equipment that use small off-road engines must be designed, built, and equipped to meet the State’s stringent anti-smog standards. Buffalo Corp must warrant the emissions control system on your small off-road engine for the periods of time listed below provided there has been no abuse, neglect or improper maintenance of your small off-road engine or equipment leading to the failure of the emission control systems.
Your emission control systems may include parts such as the carburetors or the fuel injection system, the ignition system, catalytic converters, fuel tanks, fuel lines (for liquid fuel and fuel vapors), fuel caps, valves, canisters, filters, clamps, and other associated components. Also included may be hoses, belts, connectors, and other emission-related assemblies.
Where a warrantable condition exists, Buffalo Corp will repair your small off-road engine at no cost to you including diagnosis, parts and labor.
MANUFACTURER’S WARRANTY COVERAGE:
The emissions control system on your small off-road engine is warranted for two years. If any emissions-related part on your small offroad engine is defective, the part will be
repaired or replaced by Buffalo Corp.
OWNER’S WARRANTY RESPONSIBILITIES:
- As the small off-road engine owner, you are responsible for the performance of the required maintenance listed in your owner’s manual. Buffalo Corp recommends that you retain all receipts covering maintenance on your small off-road engine, but Buffalo Corp cannot deny warranty coverage solely for the lack of receipts or for your failure to ensure the performance of all scheduled maintenance.
- As the small off-road engine owner, you should however be aware that Buffalo Corp may deny you warranty coverage if your small off-road engine or a part has failed due to abuse, neglect, or improper maintenance or unapproved modifications.
- You are responsible for presenting your small off-road engine to a Buffalo Corp distribution center or service center as soon as the problem exists. The warranty repairs shall be completed in a reasonable amount of time, not to exceed 30 days.
If you have a question regarding your warranty rights and responsibilities, you should contact at 1-866-460-9436 or email [email protected].
! DEFECTS WARRANTY REQUIREMNTS:
(a) The warranty period begins on the date the engine or equipment is delivered to an ultimate purchaser and extends for a period of Two Years.
(b) General Emissions Warranty Coverage.
The small off-road engine or equipment must be warranted to the ultimate purchaser and any subsequent owner the emission control system when installed was:
- Designed, built, and equipped so as to conform with all applicable regulations adopted by the US EPA & California Air Resources Board,; and
- Free from defects in materials and workmanship that causes the failure of a warranted part for a period of two years.
(c) The warranty on emissions-related parts will be interpreted as follows:
- Any warranted part that is not scheduled for replacement as required maintenance in the written instructions required by subsection (e) must be warranted for the warranty period defined in Subsection (b)(2). If any such part fails during the period of warranty coverage, it must be repaired or replaced by Buffalo Corp according to Subsection (4) below. Any such part repaired or replaced under the warranty must be warranted for a time not less than the remaining warranty period.
- Any warranted part that is scheduled only for regular inspection in the written instructions required by subsection (e) must be warranted for the warranty period defined in Subsection (b)(2). A statement in such written instructions to the effect of “repair or replace as necessary” shall advise owners of the warranty coverage for evaporative emissions related parts. Replacement within the warranty period is covered by the warranty and will not reduce the period of warranty coverage. Any such part repaired or replaced under warranty must be warranted for a time not less than the remaining warranty period.
- Any warranted part that is scheduled for replacement as required maintenance in the written instructions required by subsection (e) must be warranted for the period of time prior to the first scheduled replacement point for that part. If the part fails prior to the first scheduled replacement, the part must be repaired or replaced by the engine manufacturer according to Subsection (4) below. Any such part repaired or replaced under warranty must be warranted for a time not less than the remainder of the period prior to the first scheduled replacement point for the part.
- Repair or replacement of any warranted part under the warranty provisions of this article must be performed at no charge to the owner at a warranty station.
- Notwithstanding the provisions of Subsection (4) above, warranty services or repairs must be provided at all manufacturer distribution centers that are franchised to service the subject engines.
- The owner must not be charged for diagnostic labor that leads to the determination that a warranted part is in fact defective, provided that such diagnostic work is performed at a warranty station.
- Throughout the emissions control system’s warranty period defined in Subsection (b)(2), Buffalo Corp must maintain a supply of warranted parts sufficient to meet the expected demand for such parts and must obtain additional parts if that supply is exhausted.
- Manufacturer-approved replacement parts that do not increase the exhaust or evaporative emissions of the engine or evaporative emission control system must be used in the performance of any warranty maintenance or repairs and must be provided without charge to the owner. Such use will not reduce the warranty obligations of Buffalo Corp.
- The use of add-on or modified parts may be grounds for disallowing a warranty claim made in accordance with this Article. Buffalo Corp. will not be liable under this Article to warrant failures of warranted parts caused by the use of an add-on or modified part.
- Buffalo Corp shall provide any documents that describe that Buffalo Corp.’s warranty procedures or policies within five working days of request by the Executive Officer.
(d) A list of all emission warranty parts list must be included with each new engine or equipment subject to this Article, The emission warranty parts list shall include all parts whose failure would increase exhaust and evaporative emissions, and contains the following parts
Exhaust Emission Warranty Parts List.
- Fuel Metering System
(i) Carburetor and internal parts (and/or pressure regulator or fuel injection system).
(ii) Air/fuel ratio feedback and control system.
(iii)Cold start enrichment system.
(iv) Fuel Tank. - Air Induction System
(i) Controlled hot air intake system.
(ii) Intake manifold.
(iii) Air filter. - Ignition System
(i) Spark Plugs.
(ii) Magneto or electronic ignition system.
(iii) Spark advance/retard system. - Air Injection System
(i) Air pump or pulse valve.
(ii) Valves affecting distribution of flow.
(iii) Distribution manifold. - Catalyst or Thermal Reactor System
(i) Catalytic converter.
(ii) Thermal reactor.
(iii) Exhaust manifold. - Particulate Controls
(i) Traps, filters, precipitators, and any other device used to capture particulate emissions. - Miscellaneous Items Used in Above Systems
(i) Electronic controls.
(ii) Vacuum, temperature, and time sensitive valves and switches.
(iii) Hoses, belts, connectors, and assemblies.
Evaporative Emission Warranty Part List
- Fuel Tank
- Fuel Cap
- Fuel lines (for liquid fuel and fuel vapors)
- Fuel Line Fittings
- Clamps*
- Pressure Relief Valves*
- Control Valves*
- Control Solenoids*
- Electronic Controls*
- Vacuum Control Diaphragms*
- Control Cables*
- Control Linkages*
- Purge Valves*
- Gaskets*
- Liquid/Vapor Separator
- Carbon Canister
- Canister Mounting Brackets
- Carburetor Purge Port Connector
*Note: As they relate to the evaporative emission control system.
(e) Written instructions for the maintenance and use of the evaporative emissions control system by the owner shall be furnished with each new engine or equipment subject to this Article. The instructions must be consistent with this Article and applicable regulations contained herein.
Carbon Monoxide (CO) Detection and Shut-off System
This generator features CO WARNING, which will automatically shut-off if dangerous levels of CO is detected.

Carbon monoxide (also known as CO) can be dangerous for humans and pets. Carbon monoxide poisoning can lead to death in a very short time. It is called “the silent killer” because it is odorless, tasteless and invisible: you may be exposed without knowing it.
The CO Detection module monitors for the accumulation of poisonous CO gas found in engine exhaust when the generator is running. If CO detector detects increasing levels of CO gas, it automatically shuts off the engine. CO detector only monitors when the engine is running. Generators are intended to be used outdoors, far from occupied buildings and the exhaust pointed away from personnel and buildings. However, if misused and operated in a location that results in the accumulation of CO, like indoors or in a partially enclosed area, CO detector shuts off the engine, notifies the user of what has happened and directs the user to read the instruction action label for steps to take. CO detector is not a substitute for an indoor carbon monoxide alarm.
After a shut-off, a blinking RED light in the CO detector badge on the side of the generator provides notification that the generator was shut off due to an accumulating CO hazard. The RED light will blink for at least five minutes after a CO shut-off. Move the generator to an open, outdoor area and point the exhaust away from people and occupied buildings. Once relocated to a safe area, the generator can be restarted and the proper electrical connections made to supply electrical power. The RED light will stop blinking automatically upon engine re-start. Introduce fresh air and ventilate the location where the generator had shut down.
If a CO detector system fault has occurred and no longer provides protection, the portable generator is shut off automatically and the YELLOW light will blink for at least five minutes in the CO detector badge to notify the user of the fault. The CO detector module can only be diagnosed and repaired by a trained technician at the dealer. The generator can be re-started, but may continue to shut-off.

CO detector will detect the accumulation of Carbon Monoxide from other fuel burning sources such as engine powered tools or propane heaters used in the area of operation. For example, if another generator is used and the exhaust is pointed at a CO detector equipped generator, CO detector may initiate a shut-off due to rising CO levels. This is not an error. Hazardous Carbon Monoxide has been detected. The user must take action to move and re-direct these devices to better dissipate Carbon Monoxide far away from personnel and occupied buildings.
GEN1000 1000 Surge Watts/900 Running Watts Portable Generator



















