Aerpro AM10X Multi-Media Receiver

Android Auto, Google Play, and Android, are registered trademarks of Google, Inc. Bluetooth is a registered trademark of Bluetooth SIG, Inc. Apple, Apple Car Play, Apple iPhone, Apple Music, and Siri are registered trademarks of Apple, Inc.
Android Auto and Apple CarPlay is not owned or controlled by any car manufacturer and are not responsible for the privacy practices of third parties or the terms and conditions under which they offer such products. We strongly encourage you to read the Android Auto or Apple CarPlay privacy policies and terms and conditions to make sure they are acceptable to you.
INCLUSIONS:
Head unit, GPS antenna, microphone, wiring harness, audio-video lead & screws
DISCLAIMER:
We recommend using an Authorised Dealer that offers an installation service to install this product. Never cut or modify a harness as this could damage the head unit and vehicle, as well as void the warranty of the product.
FEATURES
- Large touchscreen LCD (1024 x 600)
- Works with Apple CarPlay (wireless or wired)
- Supports Android Auto (wireless or wired)
- Built-in Bluetooth (A2DP, AVRCP, HFP, PBAP)
- AM / FM Tuner with RDS & presets (18FM/12AM)
- Reverse camera input (AHD 720P compatible)
- Rear A/V input
- 4V / 5CH RCA Preout
- MP3 / AAC / FLAC / MPEG 1,2,4 Media formats
- Rear USB input (1.5A max charging)
- 8 Band graphic EQ
- 8 EQ Presets
- Time alignment capabilities
- Subwoofer level control
- 40W x 4 Max built-in amplifier
- Shallow 2-DIN chassis mounting design
- Steering wheel control ready
- External microphone included
INTERFACE ICONS

RADIO MODE
To enter Radio Mode, touch the “Radio” icon on the Main Menu
- Home screen/back button
- Seek down
- Radiofrequency
- Seek up
- Display On/Off
- AF and TA settings
- FM Band button
- AM Band button
- Auto Store button
- EQ Mode button
- Keypad button
- Preset station list

Auto Tuning
Press the seek icon ( ) on the TFT Monitor screen to increase/decrease the tuning frequency one step at 0.05MHz increments for FM and 9KHz increments for AM. Press and hold the seek icon ( ) on the TFT Monitor screen to seek the available channel by increasing or decreasing the tuning frequency.
FM and AM
Touch the “FM1” or “AM1” on the screen to change among the following bands: FM1,
FM2, FM3 or AM1 and AM2.
Preset Stations
Six(6) stored stations for the current band appear on the screen, touch the preset directly
for use or press the number buttons located on the head unit.
Storing a station
- Select a station. (Example: FM1 103.6MHz)
- Touch and Hold the desired preset number for 3 seconds to store the Radio station.
Recalling a Stored Station
- Select a Band (If needed).
- Touch the preset button on which the corresponding radio station is stored or press the number button on the Radio panel.
MEDIA PLAYING MODE
This operation allows you to play various compatible formats.
- Touch the icon to return to the previous track or press and hold the icon to fast rewind
- Touch the icon to play or pause the track
- Touch the icon to go to next track or press and hold the icon to fast forward
- Touch the end of the progress bar line and drag it left or right to the desired track time
- Touch the icon to repeat a folder or track
- Touch the icon to activate/deactivate the track in random mode
- Touch the icon to show the tracklist
- Touch the icon to display the equalizer settings
- Playing track ID3 info (needs media file support)
- Touch to go back to the previous folder
- Touch for music list
- Touch for video list
- Touch for a keypad for quick search
- File List

BLUETOOTH MODE
NOTE:
Bluetooth mode can only be accessed when not connected to Android Auto or Apple Carplay. Press the icon to go to the connected devices screen.
- When the phone connects to the unit successfully, all of the phone’s Bluetooth-enabled options will be active.
- This unit can be paired with 5 mobile phones, but only one can be active at a time.
- The unit Bluetooth name is AERPRO


- Touch the icon to enter pairing mode
- Touch the icon to the keypad
- Touch to open the phone book
- Touch to open the phone interface
- Touch the icon to enter Bluetooth music
- Touch the icon to enter Bluetooth settings
- Touch to go to the connected device screen
- Touch “Refresh” to search for Bluetooth devices
- Auto connect to your previously paired Bluetooth device
- Auto answer for incoming calls
- Sync Call logs and Contacts
- Microphone gain volume control
- Some mobile phones may not support the download function.
- Depending on the music player you are using, streaming may not be supported.
CONNECTED DEVICES SCREEN
Touch the icon to access the connected devices screen This screen displays paired devices and allows the user to turn Android Auto/Apple Carplay or other Bluetooth features on or off. (If applicable to the device).
- Paired devices
- Apple Carplay activate/deactivate
- Android Auto activate/deactivate
- Bluetooth calling activate/deactivate
- Bluetooth music activates/deactivate
- Remove paired device
- Add a new compatible device
NOTE:
Only one device can be active at any given time Bluetooth Calling and Bluetooth Music is deactivated on this screen when using Apple Car Play however Bluetooth Calling and Music work through Apple Car Play as intended.
Android Auto requires Bluetooth Calling and Bluetooth Music to be connected and activated for Android Auto to function correctly.
Setup menu allows you to change the settings within unit, General, Display, Audio and Others
General
- Touch “General” on the Setup Menu display for general settings



Audio
Touch “Audio” on the Setup Menu display for audio adjustment settings



Display
Touch “Display” on the Setup Menu display, then select a feature you want to adjust.

Requires an illumination wire to be present in the vehicle (Usually orange wire in ISO harness needs to have a connection)
Others
Touch “Others” on the Setup Menu display, then select for information and factory reset.

Wired & Wireless CarPlay Operation
NOTE:
We recommended that the wired connection method be used for new devices. The park brake needs to be connected for Apple CarPlay to function.
Wired connection
- Turn on Bluetooth and WiFi on your compatible device
- Connect an Apple CarPlay compatible device to this unit via USB.
- A pair message and a pairing request code may appear on your compatible device and head unit. Click allow accepting
- An ‘Allow CarPlay with Aerpro while the phone is locked’ message may appear on your device. Click allow accepting
- Click to enable wireless CarPlay or use USB only option
- Once the connection is enabled for wireless carplay, connection via the USB connection is no longer required and the wireless connection will be automatic
- The Apple CarPlay automatically displays on the screen, if not press the home button, press icon and press the Apple CarPlay icon
Wireless connection
- Before using Apple CarPlay wirelessly, turn on the Bluetooth and WiFi function on the compatible device
- Navigate to the Bluetooth settings on your compatible device and select Aerpro for pairing
- A pair message and a pairing request code may appear on your compatible device and head unit. Click allow accepting
- Apple CarPlay automatically displays on the screen, if not press the home button, press icon and press the Apple CarPlay icon
Wired & Wireless Android Auto™ Operation
NOTE:
We recommended that the wired connection method be used for new devices. The park brake needs to be connected for Android Auto to function.
Wired connection
- Connect an Android Auto™ compatible device to this unit via USB
- Follow on-screen instructions that may appear on your device and head unit
- Press the Android Auto icon to initiate a connection. The Android Auto home screen appears
- Once an initial wired connection has been made, connection via the USB connection is no longer required and wireless connection will be automatic.
Wireless connection
- Before using Android Auto wirelessly, turn on the Bluetooth and WiFi functions on the compatible device.
- Navigate to the Bluetooth settings on your compatible device and select Aerpro for pairing
- A pair message and a pairing request code may appear on your compatible device and head unit. Click allow accepting
- Android Auto automatically displays on the screen, if not press the home button, press icon and press the Android Auto icon
- Follow on-screen instructions that may appear on your device and head unit
HOW TO USE CAR PLAY
Requirements
- Lightning Data Cable
- iPhone 5 or later
- iPhone with iOS 7.1 or later
- Data Plan for in-app content
- Siri activated

Phone Setup (Before you begin):
- Apple CarPlay ® features may operate differently than on your Apple iPhone ®
- Message and data charges may apply when using Apple CarPlay. Please check with your carrier
- Apple CarPlay ® relies on the performance of your phone. If you experience performance issues:
- Close all apps and then restart them again
- Disconnect and then reconnect your phone using the Apple Lightning cable that was provided with your phone is recommended.
- When Apple CarPlay ® is active, your voice recognition system is disabled and you will be using Siri ® to make your requests
- On your phone, go to Settings > General > Siri and ensure Siri is turned ON


NOTE: For details about Apple CarPlay, refer to the manual supplied with your iPhone, or visit the website of Apple CarPlay.
USING SIRI
Apple CarPlay uses Siri to perform many actions like sending messages, placing calls, and looking up/setting POI/Destinations.
A Siri session can be initiated on any screen by:
- Touching and holding the Home icon on the CarPlay screen or
- Pressing the Voice button on the panel or the Steering Wheel, then say any of the following commands:
- “Text <Name> Call you later” to send a text message.
- “Read text messages” to read available text messages.
- “Call <Name>” to make a phone call.
- “Find <POI/Destination>” to locate a POI/Destination.

USING GOOGLE VOICE
Android Auto uses Google voice actions for many functions. A Google voice action session can be initiated on any screen by:
- Touching the Microphone icon on any screen.
- Pressing the Voice Recognition Button on panel or Steering Wheel.

Making a Call
Touch the Phone icon to access the recent call list. Or you can initiate a voice actor and then say “Call <Name>” or “Dial <number>” to make phone calls from any screen.
HOW TO USE ANDROID AUTO
Requirements
- USB Data Cable
- Compatible Android® phone with OS Android 6.0 or higher
- Data Plan for in app content
- Wireless Android Auto requires 5GHz(802.11/ac) Wi-Fi support (refer to page 18 of this manual)
- Android Auto App download from the Google Play® store if not on your device
- Android Auto must be available in your country or region

Phone Setup (Before you begin):
- Android Auto ® features may operate differently than on your Android ® phone.
- Message and data charges may apply when using Android Auto. Please check with your carrier
- Android Auto relies on the performance of your phone. If you experience performance issues:
Close all apps and then restart them again
Disconnect and then reconnect your phone using the USB cable that was provided with your phone is recommended. When Android Auto is active, your in-vehicle voice recognition system is disabled and you will be using Google® voice actions to make your requests.
Overview
Android Auto organizes recent actions and information into simple icons on the Android Auto Home screen. Touching an actionable icon will take you to the app.
NOTE:
For details about Android Auto, refer to the manual supplied with your Android phone, or visit the website of Android Auto.
ATTACHING THE HEADUNIT TO THE FACIA
Before installation use the provided head unit screws and attach the head unit to the mounting positions on the facia. Also retain factory plastic mounting clips and any factory additional screws.
Facias are vehicle specific and their installation may differ and may have additional supplied brackets or parts and fittings. Refer to the QR code on the product box or visit our website and search for your vehicle/product for vehicle-specific facia installation procedures if applicable. We recommend the use of hand tightening tools only as over-tightening may damage the facia plastics.
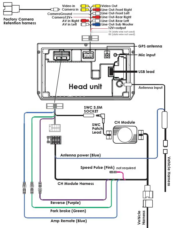
GENERAL WIRING DIAGRAM

NOTE:
This diagram shows a basic wiring configuration. Some vehicles will not have a park brake output from the vehicle. For legality this is required to be connected to the park brake for Apple Carplay and Android Auto to function.
SPECIFICATIONS

FAQ/TROUBLESHOOTING
My Android phone will not connect wirelessly to the head unit
- Your mobile phone must be a compatible Android phone with an active data plan, 5 GHz Wi-Fi support (802.11/ac), and the latest version of the Android Auto app.
- Compatible Android phones include:
- Any phone with Android 11.0 or above
- A Google or Samsung phone with Android 10.0 or above
- A Samsung Galaxy S8, Galaxy S8+, or Note 8, with Android 9.0 or above
- If your phone does not meet the compatible Android phone list but has 5 Ghz Wi-Fi support, you can follow these steps. (Note: We cannot guarantee this will provide a reliable Wireless Android Auto experience and is used as a workaround for older phones)
- Go to the settings of the Android Auto app
- Scroll down to the bottom where is states version number
- Tap this several times until a pop-up message appears asking to enable Developer options. Accept this message
- Tap on the 3 dots in the top right corner and choose Developer Settings
- Scroll down until you can find ‘Add wireless projection to settings’ and enable this. (Make sure that it is also ticked in the settings of Android Auto under the ‘Wireless projection’ section.) ° Try the connection process again
My Mobile phone will not connect to the head unit
- If you are having trouble connecting your phone to the head unit, try restarting your phone and try again.
- It is also recommended to do a factory reset on the head unit as this will solve most of the connection issues between your phone and your head unit.
- If you are having issues with connecting Android Auto or Apple CarPlay over a USB connection, try using another high-quality/shorter length cable. Using low-quality cables and longer lengths may cause issues such as dropouts and or connection issues.
- Make sure your phone is up to date with the latest software updates.
Do I have to connect the GPS module for Android Auto/Apple CarPlay to work?
- It is highly recommended to connect the GPS module to the head unit and place it where it has a clear line of sight to the sky as it will assist the GPS tracking for maps when using Android Auto or Apple CarPlay.
- If you do not use the GPS module then the GPS tracking will rely purely on your phone’s tracking performance which may be spotty depending on the location of the phone in the vehicle.
Android Auto/Apple CarPlay won’t work unless Park Brake is active but the kit didn’t have a Park Brake connection
- If the harness that came with your kit didn’t have a park brake connector then you must manually make a connection between your hand brake and the harness on the headunit for these functions to work.
Red Blinking Power Light on the Head Unit
This can mean the unit doesn’t have enough power to power on the unit or there is a wiring issue. Please refer to the aerpro website for specific instructions related to your vehicle.
SAFETY INFORMATION & WARNINGS
- Do not try opening the shell or try to repair the product by yourself.
- If the product or it’s accessories have any problems and is still under warranty, then take it back to the place of purchase with the original purchase receipt.
- If out of warranty then contact the authorized repair agent, Aerpro Support.
- Do not use a chemical substance, cleaning solvent or cleaner to clean the product, please use moist soft cloth if you would like to clean the product.
- Do not use the product under conditions where dust is present.
- Please pay attention to cleaning the display surface, use a moist soft cloth to clean the display.
TECHNICAL ASSISTANCE
Please retain this user guide for future reference
If you would like to download a digital copy of this manual, or other Aerpro manuals/software, please visit the Aerpro.com website and search for information on your model. This quick start guide is considered correct at the time of printing but is subject to change. For the latest quick start guide, manuals, videos, and updates refer to the website.
Copyright © 2022 by TDJ Australia
All rights reserved. No part of this publication may be reproduced, distributed, or transmitted in any form or by any means, including photocopying, recording, copying or other electronic or mechanical methods, without the prior written permission of the author.
- TEL: 03 – 8587 8898 FAX: 03 – 8587 8866 Mon-Fri 9 am – 5 pm AEST
- aerpro.com.






























