MHOxygen 5TEMP-0002-00 EDS-ip Distributor

REVISION HISTORY

The MH EDS-ip Distributor is typically installed in a trim or instrument/accessory panel and can usually be accomplished by mounting the Distributor unit from behind the panel. However, in situations where there is not sufficient access to the area behind the panel to adequately secure the Distributor unit, an escutcheon adapter such as described here may be used to install the Distributor in a front-panel-mounted configuration.
Notes

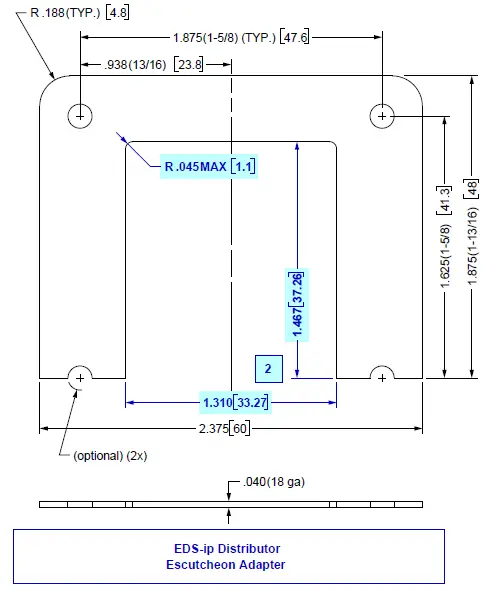
- Make from 18 gauge (.0403) Aluminum sheet stock.
- Interior cut-out dimensions assume 18 gauge stock. These are the only dimensions that are critical, and are distinguished by Bold/Blue font and a shaded background.
All other dimensions may be adjusted to accommodate particular needs or personal preferences, including the size, number and arrangement of the mounting holes.
- Defaults given presume a #6 sheet metal screw.
- Default spacing accommodates up to a #10 screw.
- Flathead screws may also be used by adding an appropriate countersink.
- Extra mounting holes indicated (“half-holes”) are optional.
See Sheet 2 for panel cutout information; Sheet 3 for installation details.
- Dimensions are given in decimal inches (fractional inches where relevant) [millimeters in square brackets].
- Make 2x pieces for each Distributor unit to be mounted.
- Parts may be anodized, powder-coated, or otherwise finished as preferred.
- This geometry is also available as a .dxf file. Contact MH Customer Service.
MOUNTAIN HIGH E&S CO. REDMOND, OR. USA

EDS-ip Distributor panel cutout for front-panel-mount installation

- This template is provided as an aid in creating the required cutout for panel-mounting the EDS-ip Distributor unit.
- Note that the cutout indicated is longer than otherwise necessary in order to allow for “tipping” the Distributor unit into the hole from the front side of the panel. If access is afforded from behind the panel and the Distributor can be installed in that way, then a smaller (1.396 in x 3.020 in) “just-right” hole would be sufficient.
- Check the 10 inch [254 mm] REFERENCE dimension below to verify that the template is printed at the correct scale.
- As noted previously, only the interior dimensions are critical, and the size, number and arrangement of the mounting holes may be adjusted as preferred.
- This geometry is also available as a .dxf file. Contact MH Customer Service.
EDS-ip Distributor Installation Front-Panel-Mount Configuration
Installation
Note: you may wish to validate your installation method using scrap material before cutting into the aircraft.

- The “Gullwings” on the Distributor mounting bracket (back cover) must be removed for a front-panel-mount installation. Remove the 4 screws holding the cover in place, cut off the gullwing features, and re-install the modified cover. The cover must be in place to ensure proper operation of the Distributor.
- Create cutout(s) in panel(s) per the information on Sheet 2.
- The method of securing the Adapter/Distributor to the panel is the prerogative of the installer. If machine screws are used, then nut plates, clip-nuts (speed-nuts), or similar (or a “backing plate” with same) will first need to be installed into the panel. If sheet metal screws are to be used, then appropriately-sized pilot holes must be drilled (or clip nuts/ speed-nuts may also be used).

- Slide a pair of Escutcheon Adapters into the mounting gutter around the body of the Distributor as shown.
- If fit of finished part is too tight, this may be relieved by chamfering the interior edges.
- If fit of finished part is too loose, you can try to “fill the gap”, or may have to start over.
- A snug fit may produce scratches along the mounting gutter around the Distributor, but they will be hidden once installation is complete.
- Feed/pull the oxygen supply tubing and electrical interface cable (DE-09 connector) through the panel cutout and connect to the Distributor as indicated in the EDS-ip manual.

- Feed the Distributor down through the panel cutout, “connector” end first, tipping it as shown in order to negotiate the cutout.

- Secure the Distributor and Adapters to the panel as preferred (sheet metal screw method shown).

DWG NUMBER: 5TEMP-0002-00





















