ULINE Tape Dispenser User Guide

ULINE Tape Dispenser User Guide

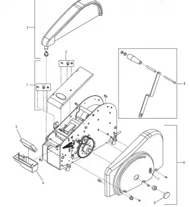
| # | DESCRIPTION | QTY. | ULINE PART NO. | MFG. PART NO. |
| 1 | Top Cover Assembly | 1 | H-1358-TPCVR | RP40310 |
|
2 | Top Cover Hinge with Screw Includes: • Hinge (2) • Nut (2) • Screw (2) |
1 |
H-1360-40311 |
RP40311 |
|
3 | Water Bottle with Valve Includes: • Bottle (1) • Duckbill Valve (1) • Tank (1) |
1 |
H-1358WB |
RP40401 |
| 4 | Brush Tank | 1 | H-1358-BRTNK | RP40405 |
| 5 | Moistening Brush | 1 | H-1358B | RP40407 |
|
6 | Right Side Cover Assembly Includes: • Side Cover (1) • Screw (6) • Handle Hole Plug (1) • Stop Assembly (1) |
1 |
H-1358-RCVR |
RP41301 |
| 7 | Power Switch | 1 | H-1359-PWRSW | RP150536 |
| 8 | Handle Includes: • Handle Arm (1) • Handle (1) • Handle Insert (1) • Washer (1) • Screw (1) • Nut (1) | 1 | H-1358-HNDL | RP41257 |
| 9 | Handle Hole Plug | 1 | ———- | RP43102 |
| Inch Measuring Strip (Not Shown) | 1 | ———- | RP41260 | |
| Metric Measuring Strip (Not Shown) | 1 | ———- | RP41262 | |
| Stop Bolt (Not Shown) | 1 | H-1358-KNOB | RP41290 |

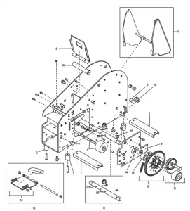
| # | DESCRIPTION | QTY. | ULINE PART NO. | MFG. PART NO. |
| 1 | Ramp | 1 | ———– | RP40315 |
| 2 | Pressure Plate | 1 | H-1358-PLATE | RP40505 |
|
3 | Top and Free Roller Assembly Includes: • Roller (1) • E-Clip (2) • Side Cover (1) |
1 |
———– |
RP40522 |
| 4 | Left Side Cover | 1 | H-1358-LCVR | RP-40305 |
| 5 | Rear Water Bottle Bracket | 1 | H-1358-WBBKT | RP40404 |
| 6 | Front Water Bottle Bracket | 1 | H-1358WBB | RP40403 |
| 7 | Cutter Guard | 1 | H-1358-CUTTR | RP40325 |
|
8 | Pinch Roll Assembly Includes: • Pin (1) • Spring (2) • E-Clip (6) • Shaft (1) • Holder (1) • Roll (1) |
1 |
H-1358-40540 |
RP40540 |
|
9 | Cutter Return Spring Assembly Includes: • Spring (1) • Damper (1) • Screw (1) • Nut (2) • S-Hook (1) |
1 |
H-1358-SPRIN |
RP41905 |
| 10 | Cutter Slide Bolt | 1 | H-1358-41904 | RP41904 |
| Fixed Blade Stop (Not Shown) | 1 | RP40825 |

| # | DESCRIPTION | QTY. | ULINE PART NO. | MFG. PART NO. |
| 1 | Foot Channel | 1 | ———– | RP40110 |
| 2 | Rubber Foot | 1 | ———– | RP40115 |
| 3 | Tape Channel Plate | 1 | H-1358-TCP | RP40515 |
|
4 | Tape Guide Assembly Includes: • Turnbuckle (1) • Guide RHS (1) • Guide LHS (1) |
1 |
———– |
RP40550 |
| 5 | 90° Strain Relief | 1 | ———– | RP42956 |
| 6 | Dome Plug | 1 | ———– | RP42957 |
| 7 | Split Bushing | 1 | ———– | RP42958 |
| 8 | Urethane Feed Wheel with Shaft | 1 | H-1360-40235 | RP40235 |
| 9 | Gearbox Motor Mount Frame | 1 | ———– | RP41101 |
| 10 | Drive Gear With Springs Includes: • Drive Gear (1) • Spring (1) | 1 | H-1359-GEAR | RP5065X |
| 11 | Clutch Roller Assembly Includes: • Clutch (1) • Pin (1) | 1 | H-362-CLUTCH | RP5063X |
|
12 | Brush Tank Cover with Rod & Bushing Includes: • Weighted Tank Cover (1) • Screw (2) • Brass Bushing (1) • Rod (1) |
1 |
H-1360-BTCRB |
RP40516 |
|
13 | Tape Weight with Screw Includes: • Weighted Tank Cover (1) • Screw (1) • Pin (1) |
1 |
H-1358-TPWGT |
RP40517 |
| 14 | 3/8″ Bearing | 1 | ———– | RP40231 |
| 15 | 1/2″ Bearing | 1 | ———– | RP41221 |
| 16 | Dead Roller | 1 | H-1360-40560 | RP40560 |
|
17 | Handle Shaft Assembly Includes: • Shaft (1) • Screw (4) • E-Clip (1) |
1 |
H-1358-41220 |
RP41220 |
| 18 | Washer | 1 | ———– | RP16172 |

| # | DESCRIPTION | QTY. | ULINE PART NO. | MFG. PART NO. |
| 1 | Tape Basket/Motor Cover | 1 | ———– | RP40320 |
|
2 | Cutter Actuating Arm Assembly Includes: • Arm (2) • Spring (2) • E-Clip (6) • Shaft (1) • Screw (2) • Nut (2) |
1 |
H-1358-41258 |
RP41258 |
|
3 | Cutter Replacement Kit Includes: • Cutter Blade Holder (1) • Cutter Blade – Movable (1) • Fixed Blade (1) • Spring (4) • Fixed Blade Shoe (1) • Set Screw (1) • Screw (4) • Bushing (4) • Cutter Guide (2) |
1 |
H-1360-BLREP |
RP40703 |
|
4 | Cutter Blade – Movable Includes: • Cutter Blade – Movable (1) • Screw (2) • Set Screw (1) |
1 |
H-1358-BLADE |
RP40710 |
|
5 | Cutter Blade – Fixed Includes: • Fixed Blade (1) • Spring (4) • Fixed Blade Shoe (1) • Screw (2) |
1 |
H-1358-FIXED |
RP40715 |
| 6 | Cutter Spring – Fixed Blade | 1 | H-1360-40740 | RP40740 |
|
7 | Heater/Thermostat Assembly 110V Includes: • Water Tank Assembly (1) • Thermostat 110V (1) • Screw (9) • Nut (2) • Heater 110V (1) • Wire • Wire Connector |
1 |
———– |
RP40231 |
|
7a | Heater/Thermostat Assembly 220V Includes: • Water Tank Assembly (1) • Thermostat 220V (1) • Screw (9) • Nut (2) • Heater 220V (1) • Wire • Wire Connector |
1 |
———– |
RP41221 |
| # | DESCRIPTION | QTY. | ULINE PART NO. | MFG. PART NO. |
| 8 | Thermostat Assembly | 1 | ———– | RP43977 |
| 9 | 3/8″ Bearing | 38 | ———– | RP40231 |
| 10 | 1/2″ Bearing | 37 | ———– | RP41221 |
| 11 | Cutter Guard Clip | 1 | H-1360-40236 | RP40236 |
| 12 | Stop Bolt and Nut | 1 | H-1358-KNOB | RP41290 |
| 13 | Water Tank Holder | 1 | H-1358-40352 | RP40352 |




















