GROUNDWORK 6 Cubic Feet Large Load Wheelbarrow Instruction Manual
- Max. carry capacity for light goods: 6 cu. ft. / 0.17 cu. m.
- Max. carry capacity for loading: 400 lb / 180 kg
- Max. carry capacity for liquid: 106 qt / 100 I
CAUTION: Never inflate tire above 30 PSI (206 Kpa).
IMPORTANT INFORMATION:
- Read all instructions prior to assembly.
- For ease of assembly, it is recommended that 2 people assemble the wheelbarrow.
- Prior to assembly, lay out all parts on a flat, non-abrasive surface and verify that there are no pieces missing.
PRODUCT OVERVIEW

TOOLS REQUIRED (NOT INCLUDED)


PART LIST | – | |||||||
| KEY | PART | DESCRIPTION | QTY | KEY | PART | DESCRIPTION | QTY. | – |
| A | ![]() | Tray | F | ![]() | Nose Guard | – | ||
| B | ![]() | Wheel |
G | ![]() | Leg | 2 | – | |
| C | ![]() | Leg Brace | H | ![]() | Steel Handle | 2 | – | |
| D
| ![]() | Tray Brace | 2 | I | ![]() | Axle | 1 | – |
| J
| ![]() | Axle Bracket |
2 | – | ||||
| E | Wedge | 2 | – | |||||
HARDWARE LIST | – | |||||||
| K | ![]() | M8 X 135mm Bolt | 2 | M | ![]() | M8 X 70mm Bolt | 4 | – |
| N | ![]() | M8 X 50mm Bo | 4 | – | ||||
| L | ![]() | M8 X 80mm Bolt | 2 | O | ![]() | M8 X 20mm Bolt | 3 | – |
ASSEMBLY INSTRUCTIONS
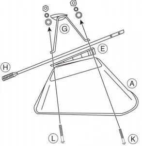
STEP 1
- Repeat for second handle

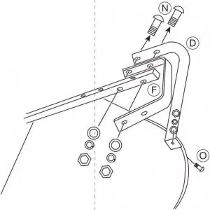
STEP 2
- Nose guard assembly

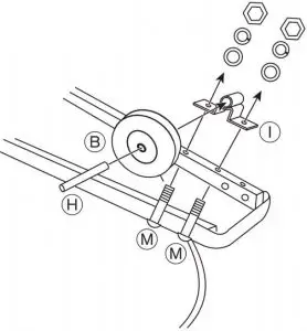
STEP 3
- Wheel & tray brace assembly – Repeat for second leg

STEP 4
- Leg brace assembly

STEP 5
- Align parts and tighten all bolts securely for safety

CARE INSTRUCTIONS:
After use, clean with a wet, soft cloth or sponge. Rinse thoroughly. When not in use, store in a dry or sheltered location. If stored outdoors, place upright, upside down or sideways to ensure water does not collect in the tray to avoid rust formation.
ITEM NUMBER | 10064011 |
DESCRIPTION | 6 cu ft Large Load WheelBarrow |
INSTRUCTION MANUAL SIZE | 445.5mmW) x 210mm(H) |
COLOR | IC+ IC |
MATERIAL | 80gsm Wood free Paper (80in) |
FINISHINFG | __ |
DATE | Dec 06, 2012 |
VERSION | 1.8 |
RELEASED DATE | Dec 17,2012 |
































