
INSTALLATION INSTRUCTIONS
Ventilating Fan

Model No. RG-C1315A
READ AND SAVE THESE INSTRUCTIONS
Thank you for purchasing this Panasonic product. Please read these Instructions carefully before attempting to install, operate or service the Panasonic product. Please carefully read the “GENERAL SAFETY INFORMATION”. Failure to comply with instructions could result in personal injury or property damage. Please explain to users how to operate and maintain the product after installation and this manual should be presented to users. Please retain this manual for future reference.
■ See page 12 for “Panasonic Warranty Sheer.
GENERAL SAFETY INFORMATION
For Your Safety To reduce the risk of injury, loss of life, electric shock, fire, malfunction, and damage to equipment or property, always observe the following safety precautions. Explanation of symbol word panels The following symbol word panels are used to classify and describe the level of hazard, injury, and property damage caused when the denotation is disregarded and improper use is performed.
WARNING Denotes a potential hazard that could result in serious injury or death.
CAUTION Denotes a hazard that could result In minor injury.
NOTICE Denotes a hazard that could result in property damage.
The following symbols are used to classify and describe the type of instructions to be observed.
This symbol is used to alert users to a specific operating procedure that must be followed in order to operate this unit safely.
This symbol is used to alert users to a specific operating procedure that must not be performed.
This symbol is used to alert users not to disassemble the equipment.
This symbol is used to alert users to make sure of grounding when using the equipment with the grounding terminal.
WARNING
To reduce the risk of fire, elect it shock or injury to persons, observe the following:
Use this unit only in the manner intended by the manufacturer. If you have any questions, contact the manufacturer.
Before servicing or cleaning the unit, switch power off at the service panel and lock the service disconnecting means to prevent power from being switched on accidentally.
When the service disconnecting means cannot be locked, securely fasten a prominent warning device, such as a tag, to the service panel.
Installation work and electrical wiring must be done by a qualified person(s) In accordance with all applicable codes and standards, including fire-rated construction.
Sufficient air is needed for proper combustion and exhausting of gases through the flue (chimney) of fuel-burning equipment to prevent back drafting. Follow the heating equipment manufacturer’s guidelines and Safety standards such as those published by the National Fire Protection Association (NFPA), the American Society of Heating, Refrigerating and Air-Conditioning Engineers (ASHRAE), and the local code authorities.
When cutting or drilling into a wall or ceiling, do not damage electrical wiring and other hidden utilities.
Ducted exhaust fans must always be vented to the outdoors.
If this unit is to be installed over a tub or shower, it must be marked as appropriate for the application and connected to a GFCI (Ground Fault Circuit Interrupter) – protected branch circuit.
These models are UL listed for tub and shower enclosures.
Do not disassemble the unit for reconstruction. It may cause fire or electric shock.
If this product is no longer to be used, it must be removed from the ceiling to prevent it from falling.
The ceiling Joist must be able to withstand a static load of at least five times the weight of the product.
Do not install with a method that is not approved in the Instructions.
Do not use this fan with any solid-state speed control device. Solid state controls may cause harmonic distortion which can cause a humming noise in the motor.
This product must be properly grounded.
CAUTION
Do not install this ventilating fan in a location where the interior room temperature may exceed 104 °F (40 °C).
Make sure that the electric service supply voltage is AC 120 V 60 Hz.
Follow all local electrical and safety codes, as well as the National Electrical Code (NEC) and the Occupational Safety and Health Administration (OSHA).
Always disconnect the power source before working on or near the fan, motor or junction box.
Protect the supply wiring from sharp edges, oil, grease, hot surfaces, chemicals or other objects.
Do not kink the supply wiring.
For general ventilating use only. Do not use to exhaust hazardous or explosive materials and vapors.
Not for use in the cooking area. (Fig. A)
The special-purpose or dedicated parts, such as mounting fixtures, must be used if such parts are provided.
NOTICE
Provide make-up air for proper ventilation.
Do not connect multiple units in parallel. If two or more units are connected to one switch in parallel, the units may not function.
Do not Install the unit where ducts are configured as shown in below:
DESCRIPTION
These products are listed by UL under UL file No. E78414. These products use a sirocco fan driven by a DC motor powered by an integral transformer. The motor is designed to have long operating life, high dynamic response, higher speed ranges, and energy savings. The grille covering the fan body is a spring-attached, quick removal type. A damper for preventing air counter flow is provided. The blower uses a high-capacity sirocco fan developed to reduce the noise level.
UNPACKING
Unpack and carefully remove the unit from the carton. Refer to the Supplied Accessories list to verify that all parts are present.
SUPPLIED ACCESSORIES
| Part name | Appearance | Quality |
| Grille | ![]() | 1 |
| Flex-Z Fast TM bracket (with 4 tapping screws – ST4.2X20) | ![]() | 1 |
| Installation instructions/ Warranty sheet | ![]() | 1 |
| Self-drilling screw | ![]() | 4 |
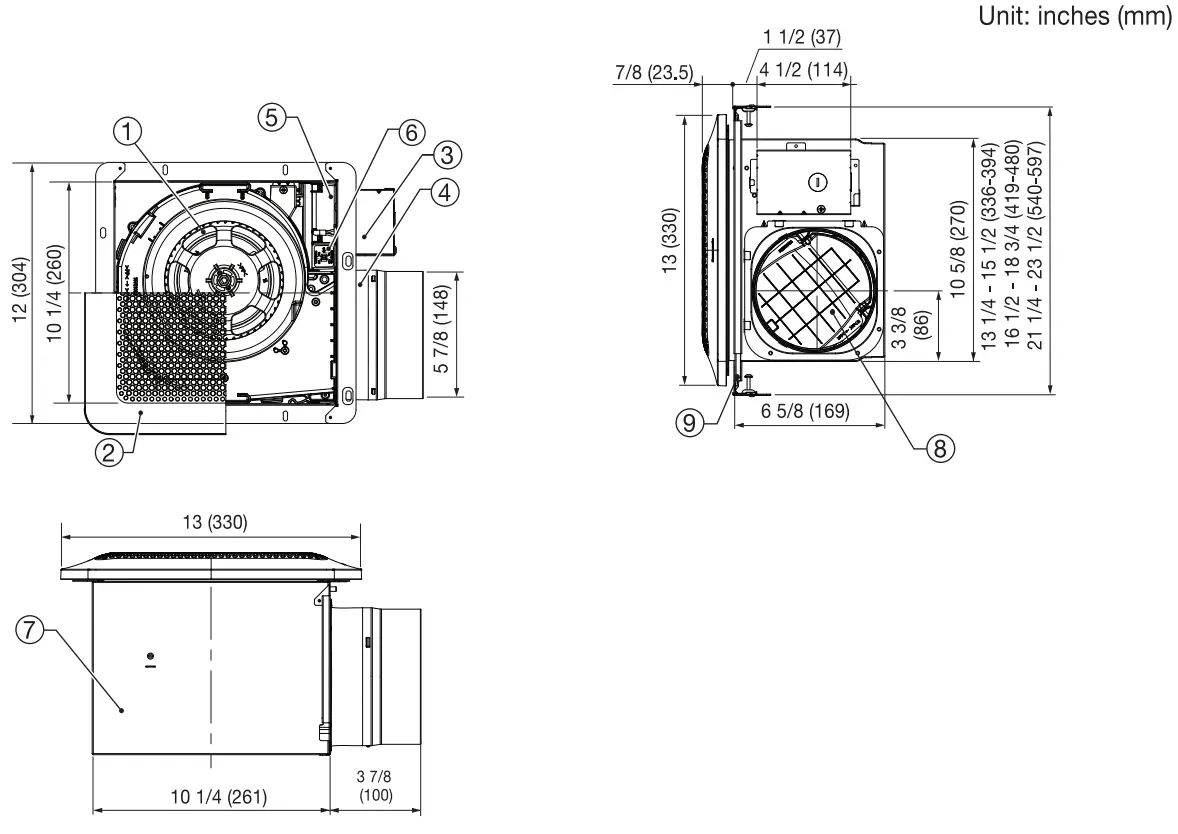
DIMENSIONS

| No. | Part name | No. | Part name |
| 1 | Blade | 6 | Pick-A-FIowTM switch |
| 2 | Grille | 7 | Fan body |
| 3 | Junction box | 8 | Damper |
| 4 | Adaptor | 9 | Flex-Z FastTM bracket |
| 5 | PCB box |
WARNING DIAGRAM

FEATURES
Optimum Ventilation Performance:
Duct length, elbows and other factors increase static pressure which can hinder the performance of most ventilation fans. This fan utilizes Smart Flown” microchip technology that monitors the static pressure in the system and speeds up or slows down the rpm of the fan depending upon the amount of resistance within the ducts. This feature allows the fan to perform as rated and avoid potential installation issues.
Outstanding Energy Savings:
These products are built using DC motor technology. The DC motor is 30% – 70% more energy efficient than the minimum ENERGY STAR requirements.
Pick-A-FlowTM Feature This product comes with Pick-a-FlowTM speed options. The Pick-a-FlowTM switch on the face of the product allows the option to choose 80 or 100 CFM. This product can run continuously or intermittently, depending upon the needs of the owner.
| Air volume (CFM) | Factory setting | ||
| RG-C1315A | 130 | 150 | 130 CFM |
INSTALLATION (RETROFIT)
IMPORTANT: Remove the tape placed on the damper and adaptor before installation. Failure to do so will cause the product to work inefficiently and create a loud noise.

WARNING
Disconnect the power supply before installing the unit.
Please wear gloves to protect your hands during the installation.
- Remove the adaptor from the fan body
Disconnect plug connector from the receptacle and remove the adaptor from fan body by removing the machine screw (M4X8) before installation.
- Remove the existing fan
Remove the existing fan and cut the ceiling opening according to the required dimensions.
- Install Flex-Z Fasten™ bracket
Flex-Z FastTM bracket position can be adjusted from 16″ to 24″ (406mm to 610mm) between joists.
Align the edge of Flex-Z FastTM with the edge of the ceiling opening on the side where the adapter will be installed.
1. Insert Flex-Z FastTM bracket into the opening and extend.
2. Align and install a bracket to the joist by using 2-preinstalled tapping screws.
3. Extend the bracket to the other joist.
4. Install bracket to joist by using 2-preinstalled tapping screws. - Install circular exhaust duct
1. Remove screw from junction box cover to remove the knock-out hole and secure conduit or stress relief to junction box knock-out hole.
2. Install the circular exhaust duct and secure it with clamps or ties and seal it with mastic or approved foil tape. A 6 inch circular duct is needed to connect to the relevant part of the adaptor.
3. Refer to WIRING DIAGRAM (Page 5). Follow all the local electrical safety codes as well as the National Electrical Code (NEC). Use UL-approved wire nuts to connect fan wires. After connecting wires, replace the junction box cover.
4. Install the adaptor to the Flex-Z FastTM bracket by using 2 self-drilling screws.
- Insert and secure fan body
1. Insert fan body and slide into adaptor assembly until the flange overlaps the Flex-Z FastTM bracket.
2. Secure the fan body to the Flex-Z FastTM bracket by using 2 self-drilling screws.
3. Plug the connector into the receptacle and secure the fan body to the adaptor by using a machine screw (M4X8).
CAUTION
Please take care when installing the machine screw (Step 5) to avoid cross threading and to ensure that the screw does not strip or come in contact with Flex-Z FastTM bracket. - Sealing
1. Once the fan body is mounted and secure, fill the gap between the flange and ceiling with caulk or other sealant to prevent air leakage.
2. Adjust the Pick-A-FIowTM switch. (Refer to explanation under FEATURES). (Page 5) - Install grille
1. Insert the mounting springs into the slot as shown to mount the grille to the fan body.
IMPORTANT: Remove the tape placed on the damper and adaptor before installation. Failure to do so will cause the product to work inefficiently and create a loud noise.

WARNING
Disconnect the power supply before installing the unit.
Please wear gloves to protect your hands during the installation.
INSTALLATION (NEW CONSTRUCTION)
1. Remove adaptor I from fan body
1. Disconnect the plug connector from the receptacle and remove the adaptor from the fan body by removing the machine screw (M4X8) before installation.
2. F Install Flex-Z FastTM bracket
Flex-Z FastTM bracket position can be adjusted from 16″ to 24″ (406mm to 610mm) between joists.
1. Bend down 4 tabs and align the bracket to the joist.
2. Align and install a bracket to the joist by using 2-preinstalled tapping screws.
3. Extend the bracket to the other joist.
4. Install bracket to joist by using 2-preinstalled tapping screws.
3. follow steps from the “RETROFIT” Installation
1. Follow steps 4 to 7 on “INSTALLATION (RETROFIT)”.
MAINTENANCE (CLEANING)
WARNING
Disconnect power source before working on unit.
CAUTION
Routine maintenance must be done every year. Please wear gloves during the cleaning work.
Never use gasoline, benzene, thinner or any other such chemicals for cleaning the ventilating fan.
Do not immerse motor in water when cleaning. Do not soak resin parts in water over 140°F (60°C).
- Remove grille
1. Remove the grille by pulling down one mounting spring then pull the other.
- Maintenance of unit
1. Clean grille. (Don’t put into hot water. Use non-abrasive kitchen detergent, and wipe dry with a clean cloth.)
NOTE: The grille should be dry after cleaning.
2. Remove dust and dirt from the fan body using a vacuum cleaner.
3. Using a cloth dampened with kitchen detergent, remove any dirt from the fan body. Wipe dry with a clean cloth. Reinstall grille after finishing.
PRACTICAL GUIDE TO INSTALLATION
Properly insulate the area around the fan to minimize building heat loss and gain. Loose fill or batt insulation can be placed directly over the fan housing in the attic. Panasonic fans do not create excessive heat which is a common problem with recessed light fixtures and some competitors’ fan/light combinations. Our efficient, cool-running motors do not create enough ambient heat to be subjected to these limitations. The ducting from this fan to the outside of the building has a strong effect on the airflow, noise, and energy use of the fan. Use the shortest, straightest duct routing possible for best performance, and avoid installing the fan with smaller ducts than recommended. Insulation around the ducts can reduce energy loss and inhibit mold growth. Fans installed with existing ducts may not achieve their rated airflow.
SPECIFICATIONS
| Model No. | Air direction | Voltage (V) | Frequency (Hz) | Duct diameter (inches) | Air volume at 0.1″ WG (CFM) | Noise (sones) | Speed (rpm) | Power (W) | Weight lb. (kg) |
| RG-C1315A | Exhaust | 120 | 60 | 6 | 130 | 0.4 | 751 | 10.5 | 9.5(4.3) |
| 150 | 0.6 | 809 | 14.2 |
HVI Certified performance based on HVI Procedures 915, 916, 920.
PRODUCT SERVICE
Warning Concerning Removal of Covers. The unit should be serviced by qualified technicians only. Your product is designed and manufactured to ensure a minimum of maintenance. Should your unit require service or parts, call Panasonic Call Center at 1-866-292-7299 (USA).
Panasonic Corporation of North America
2 Riverfront Plaza
Newark, NJ 07102
Panasonic Ventilating Fan Limited Warranty
Panasonic Corporation of North America (“the Warrantor”) will, at its sole discretion, replace this product with new parts or exchange this product, free of charge, in the USA, in the event of defects in material or workmanship in accordance to the following:
ALL Parts: For period of 3 years (36 months)
DC Motor. For period of 6 years (72 months)
LED Light Unit: For a period of 5 years (60 months)
Service in the USA, can be obtained during the warranty period by contacting the selling Distributor or Panasonic Customer Call Center at 1-866-292-7299, toll free. This warranty does not cover labor charges for the removal and installation of parts. This warranty is extended only to the original purchaser of a new product, which was not sold “as is”, who purchased the product either directly from the Warrantor or from the Warrantor’s authorized resellers (including authorized retail and Internet-based sellers), unless otherwise prohibited by law. This warranty only applies to products purchased in the United States.
To claim warranty proof of purchase date will be required, in addition to fan model and serial number as shown in the photos below.

This warranty only covers failures due to defects in materials or workmanship that occur during normal use and does not cover shipping damages, whether visible or concealed, normal wear or cosmetic damage. The warranty does not cover failures that are caused by products and peripherals not supplied by the Warrantor, or failures that result from accident, misuse, abuse, negligence, mishandling, misapplication, alteration, modification, faulty installation, improper setups or adjustments, improper or lack of maintenance, alterations or modifications, power line surge, improper line voltage, lightning damage, or damage that is attributable to acts of God.
LIMITS AND EXCLUSIONS
There are no express warranties except as listed above. THE WARRANTOR SHALL NOT BE LIABLE FOR INCIDENTAL CONSEQUENTIAL, OR PUNITIVE DAMAGES, INCLUDING, WITHOUT LIMITATION, LOSS OF GOODWILL PROFITS OR REVENUE, LOSS OF USE OF THIS PRODUCT OR ANY ASSOCIATED EQUIPMENT, COST OF SUBSTITUTE PRODUCT, DOWNTIME COST, OR CLAIMS OF ANY PARTY DEALING WITH BUYER FOR SUCH DAMAGES, RESULTING FROM THE USE OF THIS PRODUCT OR ARISING FROM BREACH OF WARRANTY OR CONTRACT, NEGLIGENCE OR ANY OTHER LEGAL THEORY, EXCEPT AS EXPRESSLY PROVIDED ABOVE. THERE IS NO WARRANTY OR ANY OTHER KIND, EXPRESS OR IMPLIED, THERE ARE NO WARRANTIES THAT EXTEND BEYOND THE DESCRIPTION ON THE FACE HEREOF. Some states do not allow the exclusion or limitation of incidental or consequential damages, or limitations on how long an implied warranty lasts, so the above exclusions or limitations may not apply to you. This warranty gives you specific legal rights and you may also have other rights which vary from state to state. If a problem with this product develops during or after the warranty period, you may contact your Distributor or Panasonic Customer Call Center. If the problem is not handled to your satisfaction, then write to Panasonic Corporation of North America at the address indicated above.
Customer Services Directory
Obtain Product Information and Operating Assistance, locate your nearest distributor, or make Customer Service and Literature requests by visiting our Web Site at: us.panasonic.com/ventfans or send your request by E-mail to: [email protected]
You may also contact us directly at: 1-866-292-7299 Monday-Friday 9 am – 6 pm, EST.
For hearing or speech impaired TTY users, TTY: 1-877-833-8855
Accessory Purchases
Purchase Parts and Accessories for Panasonic Ventilation Products by visiting our Website:
Consumers:
www.buypanasonicnarts.cont or send your request by Email to: nocpartsaus.panasonic.com You may also contact us directly at 1-800-332-5368 (Monday-Friday 8am to 6pm, EST.)
Distributors:
Send your request by Email to: [email protected] You may also contact us directly at 1-866-292-7299 (Monday-Friday 9 am- 6 pm, EST.)
Panasonic Consumer Electronics Company Customer Service Group 2 Riverfront Plaza, Newark, NJ 07102 For hearing or speech impaired TTY users, TTY: 1-877-833-8855
©Panasonic Corporation 2021
Printed in Mexico P0929-0 C1315A420
Panasonic Corporation of North America
Two Riverfront Plaza, Newark, NJ 07102
www.panasonic.com


















