Panasonic RG-T810LA Ventilating Fan

INSTALLATION INSTRUCTIONS
Ventilating Fan
Model No. RG-T810LA

READ AND SAVE THESE INSTRUCTIONS
Thank you for purchasing this Panasonic product.
Please read these instructions carefully before attempting to install, operate or service the Panasonic product. Please carefully read the “GENERAL SAFETY INFORMATION”. Failure to comply with instructions could result in personal injury or property damage. Please explain to users how to operate and maintain the product after installation and this manual should be presented to users. Please retain this manual for future references.
- See page 12 for “Panasonic Warranty Sheet”.
For Your Safety
To reduce the risk of injury, loss of life, electric shock, fire, malfunction, and damage to equipment or property, always observe the following safety precautions.
Explanation of symbol word panels
The following symbol word panels are used to classify and describe the level of hazard, injury, and property damage caused when the denotation is disregarded and improper use is performed.
- WARNING Denotes a potential hazard that could result in serious injury or death.
- CAUTION Denotes a hazard that could result in minor injury.
- NOTICE Denotes a hazard that could result in property damage.
The following symbols are used to classify and describe the type of instructions to be observed.
- This symbol is used to alert users to a specific operating procedure that must be followed in order to operate this unit safely.-
- This symbol is used to alert users to a specific operating procedure that must not be performed.
- This symbol is used to alert users not to disassemble the equipment.
- This symbol is used to alert users to make sure of grounding when using the equipment with the grounding terminal.
WARNING
To reduce the risk of fire, electric shock or injury to persons, observe the following:
- Use this unit only in the manner intended by the manufacturer. If you have any questions, contact the manufacturer.
- Before servicing or cleaning unit, switch power off at service panel and lock the service disconnecting means to prevent power from being switched on accidentally. When the service disconnecting means cannot be locked, securely fasten a prominent warning device, such as a tag, to the service panel.
- Installation work and electrical wiring must be done by qualified person(s) in accordance with all applicable codes and standards, including fire-rated construction.
- Sufficient air is needed for proper combustion and exhausting of gases through the flue (chimney) of fuel burning equipment to prevent back drafting. Follow the heating equipment manufacturer’s guideline and safety standards such as those published by the National Fire Protection
- Association (NFPA), and the American Society of Heating, Refrigerating and Air-Conditioning Engineers (ASHRAE) and the local code authorities.
- When cutting or drilling into wall or ceiling, do not damage electrical wiring and other hidden utilities.
- Ducted exhaust fans must always be vented to the outdoors.
- These models are UL listed for tub and shower enclosures.
- If this product is no longer to be used, it must be removed from the ceiling to prevent it from falling.
- The ceiling joist or wall stud must be able to withstand a static load of at least five times the weight of the product.
- Install the fan at least 1.5 m (5 feet) above the floor.
- If this unit is to be installed over a tub or shower, it must be marked as appropriate for the application and be conneced to a GFCI (Ground Fault Circuit Interrupter) – protected branch circuit.
- This product must be properly grounded.
- Do not install with a method which is not approved in the instructions.
- Do not use this fan with any solid-state speed control device. Solid state controls may cause harmonic distortion which can cause a humming noise in the motor.
- Not to be installed in a ceiling thermally insulated to a value greater than R60.
- Do not disassemble the unit for reconstruction. It may cause fire or electric shock.
CAUTION
- Follow all local electrical and safety codes, as well as the National Electrical Code (NEC) and the Occupational Safety and Health Administration (OSHA).
- Make sure that the electric service supply voltage is AC 120 V 60 Hz.
- Always disconnect the power source before working on or near the fan, motor, light fixture or junction box.
- Protect the supply wiring from sharp edges, oil, grease, hot surfaces, chemicals or other objects.
- The special-purpose or dedicated parts, such as mounting fixtures, must be used if such parts are provided.
- Please wear gloves to protect hands during installation.
- Do not install this ventilating fan in a location where the interior room temperature may exceed 104 °F (40 °C).
- For general ventilating use only. Do not use to exhaust hazardous or explosive materials and vapors.
- Do not kink the supply wiring.
- Not for use in cooking area. (Fig. A)

NOTICE
- Provide make up air for proper ventilation.
- Do not connect multiple units in parallel. If two or more units are connected to one switch in parallel, the units may not function.
- Do not install the unit where ducts are configured as shown in below:

DESCRIPTION
These products are listed by UL under UL file No. E78414.
These products use a sirocco fan driven by a DC motor powered by an integral transformer.
The motor is designed to have a long operating life, high dynamic response, higher speed ranges and saving energy.
The grille covering the fan body is a spring-loaded, quick removal type.
A damper for preventing air counter flow is provided.
The blower uses a high-capacity sirocco fan developed to reduce the noise level.
The lighting unit is an energy-saving LED lighting device that uses one 10 W LED lamp and produces almost the same illumination as a standard 40 W incandescent lamp.
Night light feature consumes around 0.1 to 0.4 W.
FCC Note
This equipment has been tested and found to comply with the limits for a Class B digital device, pursuant to Part 15B of the FCC Rules. These limits are designed to provide reasonable protection against harmful interference in a residential installation. This equipment generates, uses and can radiate radio frequency energy and, if not installed and used in accordance with the instructions, may cause harmful interference to radio communications. However, there is no guarantee that interference will not occur in a particular installation. If this equipment does cause harmful interference to radio or television reception, which can be determined by turning this product on and off, the user is encouraged to try to correct the interference by one of the following measures:
- Reorient or relocate the receiving antenna.
- Increase the separation between the equipment and receiver.
- Connect equipment into outlet on a circuit different from that to which the receiver is connected.
- Consult the dealer or an experienced radio/TV technician for help.
Warning: This equipment must be installed by a qualified person in accordance with the provided installation instructions; and all applicable codes and standards. Also, any changes or modifications not expressly approved by the party responsible for compliance could void the user’s authority to operate this equipment.
SDoC Responsible Party: Panasonic Corporation of North America Two Riverfront Plaza, Newark, NJ 07102
Customer Call Center: 1-866-292-7299
This device complies with Part 15B of the FCC Rules. Operation is subject to the following two conditions:
- This device may not cause harmful interference, and
- this device must accept any interference received, including interference that may cause undesired operation.
Type IC-Inherently Protected.
UNPACKING
Unpack and carefully remove the unit from carton. Refer to the Supplied Accessories list to verify that all parts are present.
SUPPLIED ACCESORIES

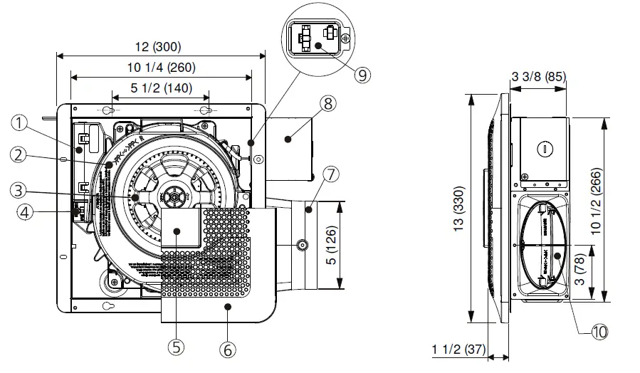
DIMENSIONS


| No. | Part name | No. | Part name |
| PCB box | Adaptor | ||
| Blower assy | Junction box | ||
| Blade | Connector plate | ||
| Pick-A-Flow™ switch | Damper | ||
| LED lamp | Suspension bracket | ||
| Grille | Fan body |
WIRING DIAGRAM

FEATURES
These products employ innovative, state-of-the-art technologies that provide a number of customizable unique features that lead to improved indoor air quality. Please read this manual first in order to realize the benefits of this customizable, modular fan.
Optimum Ventilation Performance:
Duct length, elbows and other factors increase static pressure which can hinder the performance of most ventilation fans. These products utilize Smart Flow TM microchip technology that monitors the static pressure in the system and speeds up or slows down the rpm of the fan depending upon the amount of resistance within the ducts. This feature allows the fan to perform as rated and avoid potential installation issues.
Outstanding Energy Savings:
These products are built using DC motor technology. The DC motor is 30% 70% more energy efficient than the minimum ENERGY STAR requirements.
Pick-A-FlowTM Feature:
This product comes with Pick-A-Flow™ speed options.
The Pick-A-Flow™ switch on the face of the product allows the option to choose 80 or 100 CFM.
This product can run continuously or intermittently, depending upon the needs of the owner.

| Air volume option (CFM) | Factory setting | |
| 80 | 100 | 80 CFM |
INSTALLATION I (JOIST MOUNTING)
- Open knock-out hole
- Before installation, please remove the tape which protects the damper during shipping and accessory screws from the adaptor. Afterwards, check that the damper can open and close smoothly.

- Open one knock-out hole on junction box.
Note
There are two knock-out holes, please open one which is convenient for wiring.
- Before installation, please remove the tape which protects the damper during shipping and accessory screws from the adaptor. Afterwards, check that the damper can open and close smoothly.
- Install circular exhaust duct
- Fix the flange of frame to joist by 2 long screws (ST4.2X30), and fix the suspension bracket to joist by 2 long screws (ST4.2X30).Caution
The screws for fixing suspension bracket should not be replaced by other screws, otherwise the cord in the PCB box may be damaged and cause a fire.
Caution
The screws for fixing suspension bracket should not be replaced by other screws, otherwise the cord in the PCB box may be damaged and cause a fire.
- A 4 inch circular duct is needed to connect to the relevant part of adaptor. Squeeze a circular exhaust duct to fit the adaptor, then slip it onto adaptor and secure it with clamps, or ties and seal it with mastic or approved foil tape.
Note:
If using 3 inch round duct, please purchase the 26 gauge steel Panasonic 4″ Oval – 3″ Round reducer from our representative. - Remove junction box cover and secure conduit or stress relief to the opened knock-out hole.

- Fix the flange of frame to joist by 2 long screws (ST4.2X30), and fix the suspension bracket to joist by 2 long screws (ST4.2X30).Caution
- Connect wires
- Refer to wiring diagram (P.5), follow all the local electrical safety codes as well as the National Electrical Code (NEC).
Using UL approved wire nuts, connect house power wires to ventilating fan wires.
Caution
Mount junction box cover carefully so that lead wires are not pinched.
- Refer to wiring diagram (P.5), follow all the local electrical safety codes as well as the National Electrical Code (NEC).
- Finish ceiling work
- Finish ceiling work. Ceiling hole should be aligned with the inside edge of the flange.
After finishing the ceiling job, fill gap between flange and ceiling with caulk or other sealant to prevent air leakage. - Connect the LED lamp wire to fan body.
- Insert one mounting spring into slot.(If not, the grille may not be installed.)
- Adjust Pick-A-Flow™ switch. (Refer to explanation under FEATURES).

- Finish ceiling work. Ceiling hole should be aligned with the inside edge of the flange.
- Install grille
- Insert the mounting springs into the slot as shown to mount grille to fan body.

- Insert the mounting springs into the slot as shown to mount grille to fan body.
INSTALLATION II (WALL MOUNTING)
- Wall mounting installation
- Before installation, please refer to step 1 of INSTALLATION I. (P.6)
- Fix the flange of frame to stud by 2 long screws
(ST4.2X30), and fix the suspension bracket to stud by 2 long screws (ST4.2X30).
Caution
The adaptor of product must be installed upward.
The screws for fixing suspension bracket should not be replaced by other screws, otherwise the cord in PCB box may be damaged and cause a fire.
- Complete the wiring and duct work, please refer to step 2 and 3 of INSTALLATION I. (P. 6,7)
- Finish the wall work
- Finish the wall work. Wall hole should be aligned with the inside edge of the flange.
After finishing the wall job, fill gap between flange and wall with caulk or other sealant to prevent air leakage.
- Finish the wall work. Wall hole should be aligned with the inside edge of the flange.
- Install grille
- Install the grille, please refer to step 4 and 5 of INSTALLATION I. (P.7,8)

- Install the grille, please refer to step 4 and 5 of INSTALLATION I. (P.7,8)
MAINTENANCE (CLEANING)
warning
Disconnect power supply before working on unit.
CAUTION
- Routine maintenance must be done every year. Please wear gloves during the cleaning work.
- Do not immerse motor or LED lamp in water when cleaning. Do not soak resin parts in water over 140 °F (60 °C).
- Never use gasoline, benzene, thinner or any other such chemicals for cleaning the product.
- Remove grille

- Remove grille by pulling down one mounting spring.
- Disconnect the wire from the receptacle, then pull down the other mounting spring.
- Maintenance of unit
NOTE: The grille should be dry after cleaning.- Clean grille. (Don’t put into water. Use non-abrasive kitchen detergent, wipe dry with a clean cloth).
- Remove dust and dirt from fan body using a vacuum cleaner.
- Using a cloth dampened with kitchen detergent, remove any dirt from fan body.
Wipe dry with a clean cloth.
Reinstall grille after finishing.
FAQ’S
Check according to the following table and correct the problem.
If the fan still does not work correctly, please disconnect the power source and contact the dealer.
| PROBLEM | CAUSE | ACTION |
| Product can not operate. | Is the lead wire connection loose and that resulted in an open circuit? | Disconnect the power source, remove the connector plate to check the wire connection. (If the connector plate (P.4) cannot be removed, please remove the blower assy first, then the connector plate can be removed). |
| There is an ususual sound | Is the shutter opening normally? | Please check if the shutter can open normally before the installation (P.6) |
| Is the grille mounted correctly on the ceiling? | Please check the grille and ceiling surface, make sure that there is no foreign matter on the mounting surface. | |
| Did the installed screw become loose? | Please check all installed screws in the product. Tighten the loosened one. | |
| If the measures above do not solve the problem… | Please disconnect the power source and contact the dealer for servicing. |
PRACTICAL GUIDE TO INSTALLATION
Properly insulate the area around the fan to minimize building heat loss and gain. Loose fill or batt insulation can be placed directly over the fan housing in the attic. Our fans and fan/light combination units do not create excessive heat that is a common problem with recessed light fixtures or some competitor’s fan/light combination. Our efficient, cool-running motors and our LED lighting unit do not create enough ambient
heat to be subjected to these limitations. The ducting from this fan to the outside of the building has a strong effect on the air flow, noise and energy use of the fan. Use the shortest, straightest duct routing possible for best performance, and avoid installing the fan with smaller ducts than recommended.
Insulation around the ducts can reduce energy loss and inhibit mold growth. Fans installed with existing ducts may not achieve their rated air flow.

SPECIFICATIONS
| Model No. | Air direction | Voltage (V) | Frequency (Hz) | Duct diameter (inches) | Air volume at 0.1” WG (CFM) | Noise (sones) | Speed (rpm) | Power (W) | Weight lb. (k ) |
| RG-T810LA | Exhaust | 120 | 60 | 4 | 80 | 0.5 | 881 | 8.9 | 7.9 (3.6) |
| 100 | 1.1 | 993 | 13.2 |
HVI Certified performance based on HVI Procedures 915, 916, and 920.
PRODUCT SERVICE
Warning Concerning Removal of Covers. The unit should be serviced by qualified technicians only. Your product is designed and manufactured to ensure a minimum of maintenance. Should your unit require service or parts, call Panasonic Call Center at 1-866-292-7299 (USA).
Panasonic Corporation of North America
Two Riverfront Plaza, Newark, NJ 07102
www.panasonic.com
Panasonic Corporation of North America
P Riverfront Plaza
Newark, NJ 07102
Panasonic Ventilating Fan Limited Warranty
Panasonic Corporation of North America (‘the Warrantor”) will, at its sole discretion, replace this product with new parts or exchange this product, free of charge, in the USA, in the event of defects in material or workmanship in accordance to the following:
ALL Parts: For period of 3 years (36 months)
DC Motor: For period of 6 years (72 months)
LED Light Unit: For a period of 5 years (60 months)
Service in the USA, can be obtained during the warranty period by contacting the selling Distributor or Panasonic Customer Call Center at 1-866-292-7299, toll free.
This warranty does not cover labor charges for removal and installation of parts.
This warranty is extended only to the original purchaser of a new product, which was not sold “as is”, who purchased the product either directly from the Warrantor or from the Warrantor’s authorized resellers (including authorized retail and Internet-based sellers), unless otherwise prohibited by law.
This warranty only applies to products purchased in the United States.
To claim warranty proof of purchase date will be required, in addition to fan model and serial number as shown in the photos below.

This warranty only covers failures due to defects in materials or workmanship that occur during normal use and does not cover shipping damages, whether visible or concealed, normal wear or cosmetic damage. The warranty does not cover failures that are caused by products and peripherals not supplied by the Warrantor, or failures which result from accident, misuse, abuse, negligence, mishandling, misapplication, alteration, modification, faulty installation, improper setups or adjustments, improper or lack of maintenance, alterations or modifications, power line surge, improper line voltage, lightning damage, or damage that is attributable to acts of God.
LIMITS AND EXCLUSIONS
There are no express warranties except as listed above.
THE WARRANTOR SHALL NOT BE LIABLE FOR INCIDENTAL CONSEQUENTIAL, OR PUNITIVE DAMAGES, INCLUDING, WITHOUT LIMITATION, LOSS OF GOODWILL PROFITS OR REVENUE, LOSS OF USE OF THIS PRODUCT OR ANY ASSOCIATED EQUIPMENT, COST OF SUBSTITUTE PRODUCT, DOWNTIME COST, OR CLAIMS OF ANY PARTY DEALING WITH BUYER FOR SUCH DAMAGES, RESULTING FROM THE USE OF THIS PRODUCT OR ARISING FROM BREACH OF WARRANTY OR CONTRACT, NEGLIGENCE OR ANY OTHER LEGAL THEORY, EXCEPT AS EXPRESSLY PROVIDED ABOVE. THERE IS NO WARRANTY OR ANY OTHER KIND, EXPRESS OR IMPLIED, THERE ARE NO WARRANTIES WHICH EXTEND BEYOND THE DESCRIPTION ON THE FACE HEREOF.
Some states do not allow the exclusion or limitation of incidental or consequential damages, or limitations on how long an implied warranty lasts, so the above exclusions or limitation may not apply to you.
This warranty gives you specific legal rights and you may also have other rights which vary from state to state.
If a problem with this product develops during or after the warranty period, you may contact your Distributor or Panasonic Customer Call Center.
If the problem is not handled to your satisfaction, then write to Panasonic Corporation of North America at the address indicated above.
Customer Services Directory
Obtain Product Information and Operating Assistance, locate your nearest distributor, or make Customer Service and Literature requests by visiting our Web Site at: us.panasonic.com/ventfans
or send your request by E-mail to: [email protected]
You may also contact us directly at: 1-866-292-7299 Monday-Friday 9 am 6 pm, EST.
For hearing or speech impaired TTY users, TTY: 1-877-833-8855
Accessory Purchases
Purchase Parts and Accessories for Panasonic Ventilation Products by visiting our Website
Consumers:
www.buypanasonicparts.com or send your request by Email to: [email protected]
You may also contact us directly at 1-800-332-5368 (Monday-Friday 8am to 6pm, EST.)
Distributors:
Send your request by Email to: [email protected]
You may also contact us directly at 1-866-292-7299 (Monday-Friday 9 am- 6 pm, EST.)
Panasonic Consumer Electronics Company
Customer Service Group
2 Riverfront Plaza, Newark, NJ 07102
For hearing or speech impaired TTY users, TTY: 1-877-833-8855


Note
Caution
Note:

After finishing the ceiling job, fill gap between flange and ceiling with caulk or other sealant to prevent air leakage.

Caution
After finishing the wall job, fill gap between flange and wall with caulk or other sealant to prevent air leakage.

NOTE: The grille should be dry after cleaning.













