RG-C811HA Ventilating Fan
Owner’s Manual

WARNING
This service information is designed for experienced repair technicians only and is not designed for use by the general public. It does not contain warnings or cautions to advise non-technical individuals of potential dangers in attempting to service a product. Products powered by electricity should be serviced or repaired only by experienced professional technicians. Any attempt to service or repair the product or products dealt with in this service information by anyone else could result in serious injury or death.
IMPORTANT SAFETY NOTICE
There are special components used in this equipment that are important for safety. These parts are marked by
the Schematic Diagrams, Exploded Views, and Replacement Parts List. It is essential that these critical parts should be replaced with the manufacturer’s specified parts to prevent shock, fire, or other hazards. Do not modify the original design without the manufacturer’s approval.
Please have a static electricity depletion process in place before handling these components.
Please use gloves when handling PCB parts during the repair process.
Specification
| Model No. | Air direction | Voltage (V) | Frequency (Hz) | Duct diameter (Inches) | Air volume at 0.1″WG (CFM) | Noise (sones) | Speed (rpm) | Power (W) | Weight lb. (kg) |
| RG-C811HA | Exhaust | 120 | 60 | 4 or 6 | 80 | < 0.3 | 824 | 7. | 9.5 (4.3) |
| 110 | <0.5 | 984 | 11. |
HVI Certified performance based on HVI Procedures 915, 916, and 920.
Parts Identification
Main Body Section

Main PCB Section

Main Label

Packing Section

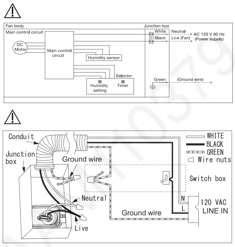
Wiring Diagram

Parts List
Main Body Section
| No. | Part No. | Part Name | Q’ty | Remark |
| 1 | FFVC811LH900 | Frame Assembly | 1 | |
| 2 | FFV11VQC1910 | Adapter Assembly | 1 | |
| 3 | FFVO8VKS3M915 | Connector Plate | 1 | |
| 4 | FFV11QCL1331 | Earth Lead Wire | 1 | |
| 5 | FFV11QCL1301A | Connector Assy | 1 | |
| 6 | FFV11QCL1912A | Junction Cover | 1 | |
| 7 | FFV11QCL1M21AX | Motor | 1 | |
| 8 | FFV11QCL1904C | Motor Support | 1 | |
| 9 | FFVO400114S | Blade | 1 | |
| 10 | FFV7020021S | Nut | 1 | |
| 11 | FFV11QCL1906B | Casing | 1 | |
| 12 | FFV811HAPCB | Main PCB section | 1 | |
| 13 | FFV1315A810 | Grill Assembly | 1 | |
| A | FFVXYM4-E8FJ | Screw (M4-8) | 1 | |
| B | FFVXTT4-8FFJ | Screw (ST4-8) | 5 | |
| C | FFV70000895 | Screw (ST4-12) | 8 | |
| D | FFVXYM4DC8BN | Screw (M4-8)w/washer | 1 | |
| E | FFV70000655 | Screw (M4-12) | 2 |
Main PCB Section
| No. | Part No. | Part Name | Q’ty | Remark |
| 14 | FFVC811LH991 | Main PCB Box | 1 | |
| 15 | FFV11QCL1560 | Selector Indications (Humidity & Timer) | 1 | |
| 16 | FFV11QCL1992C | Main PCB Cover | 1 | |
| F | FFVXTN3-8GFJ | Screw (M3-8) | 3 |
Main Label
| No. | Part No. | Part Name | Q’ty | Remark |
| 17 | FFV11QCL1011A | Switch Label | 1 | |
| 18 | FFV811LH112 | Speed Switch Label | 1 | |
| 19 | FFV811H1050A | Name Plate | 1 | |
| 20 | FFV0810011S | Caution Label 1 | 1 | |
| 21 | FFV811LH183 | Caution Label | 1 | |
| 22 | FFV811LH152 | Instruction Label | 1 | |
| 23 | FFV2260003S | Holograph Label | 1 |
Packing Section
| No. | Part No. | Part Name | Q’ty | Remark |
| 24 | FFV11QCL1920 | Hanger Assy | 1 | |
| 25 | FFV4710381S | Grill Pad Assy | 1 | |
| 26 | FFV4650016S | Poly Cover | 1 | |
| 27 | FFV811A1420 | Installation Inst | 1 | English / Spanish For USA Market |
| 28 | FFV11KSL1M031A | Accessory A | 1 | |
| 29 | FFV11QCL1891 | Left Pad | 1 | |
| 30 | FFV11QCL1892 | Right Pad | 1 | |
| 31 | FFV811H1400 | Packing Case Assy | 1 |













