Honeywell EDA711 ScanPal Enterprise Tablet
INTRODUCTION
- ScanPalTM Enterprise Hybrid Device
- Main battery (3.8V, lithium ion battery)
- Regulator sheet.
Remarks
If you ordered accessories for the terminal, please make sure they are
also included in the package; be sure to keep the original packages for ScanPalTM EDA71 to be returned for repairing when necessary.
Note:
End users should not arbitrarily replace the operating system with other operating systems. To update operating system installed on your device, you need to get license from the OS vendors.
- EDA71-0/EDA71-1 belongs to ScanPalTM Series
- EDA71-0/EDA71
Front Panel
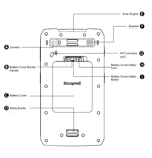
Rear Panel
Left Side View
Install the Main Battery
- Replace the battery with wrong models may cause explosion.
- Please make sure to use the battery in accordance with local regulations.
- Please recycle the battery when possible. Do not dispose it as household waste Please ensure all kits are dry when connect the mobile device or battery to external devices.
- Damages caused by connecting wet kits are not covered by the warranty.
- ScanPal TM EDA71 comes with a battery in a separate package.
- ScanPa Tl EM DA71
Please follow the steps below to install the battery.
- Press down the battery cover safety button to move the battery cover safety lock to the unlock position at right;
- Open the battery cover with the battery cover buckle handle ;
- Insert the battery (Insert the non-connector side first, then press the battery down to establish connection between the battery and the phone)
- Press down the battery cover (Insert the non-connector side first, then press the battery cover down)
- Press down the battery cover safety button to move the battery cover safety lock to the lock position at left
Remarks
Refer to the illustrated installation steps on the following page.
Charging / Sync
Synchronous Communication
Insert the ScanPalTM EDA71 to the USB cup(or the single cradle).
Connect the USB cup(or the single cradle) to the computer.
- ScanPal EDA71
- USB cup
- single cradle
- USB cup
- single cradle
Charging
- Insert the ScanPal TM EDA71 to the USB cup(or the single cradle)
TM ScanPal EDA71USB single cradle。 - Connect the USB cup(or the single cradle) to the power adapter;
USB cup single cradle - Make sure the replaceable adapter plug plugged into the power adapter;
- Connect the power adapter to the wall plug and start charging for ScanPal TM EDA71.ScanPa Tl M EDA71。
Get ScanPalTM EDA71 charged for at least 4 hours before using it, subject to your battery models. Using the terminal while charging will significantly extend the time required for fully charged.
Remarks:
It’s recommended to use Honeywell’s peripherals, batteries, USB charging cables and power adapters. Damages caused by using non-Honeywell peripherals, batteries, USB charging cables or power adapters are not covered by the warranty.
Warnings:
Please make sure all kits are dry when use the terminal and battery with other accessories. Damages caused by using wet kits may not be covered by the warranty.
Suspend / Wake Up the Terminal
Press the power button and then release (less than 2 seconds).
To wake up the device from sleep mode, press the power button and then release (less than 2 seconds).
ScanPalTM EDA71 Power Indicator
ScanPalTM EDA71
The status of power indicators in non-charging and charging process are illustrated as below:
Install memory card
- Power
- Press down the battery cover safety button to move the lock to the unlock position at right;
- Open the battery cover with the battery cover buckle handle ;
- Pull out the battery (First open the battery connector side, then pull out the battery)
- Insert the SD card to SD card slot until it clicks;
- Insert the battery (Insert the non-connector side first, then press the battery down to establish connection between the battery and the phone);
- Press down the battery cover (Insert the non-connector side first, then press the battery cover down);
- Press down the battery cover safety button to move the battery cover safety lock to the lock position at left;
- Power on

Install Micro SIM Card
- Power
- Press down the battery cover safety button to move the lock to the unlock position at right;
- Open the battery cover with the battery cover buckle handle ;
- Pull out the battery (First open the battery connector side, then pull out the battery)
- Open the rubbercover of the SIM card slot and insert the Micro SIM card until it clicks;
- Insert the battery (Insert the non-connector side first, then press the battery down to establish connection between the battery and the phone)
- Press down the battery cover (Insert the non-connector side first, then press the battery cover down);
- Press down the battery cover safety button to move the battery cover safety lock to the lock position at left;
- Power on
Use Scan Engine
Align the aiming beam with the barcodes, and adjust the angle between the beam and the barcodes to get the best results.The recommended range from the terminal to the barcodes is 4″ to 10″ (10cm to 25cm).
- Click the demo application on the interface, and then select Scan demo program;
- Click Scan on the screen or press the Scan Button;
- Align ScanPalTM EDA71 with the barcodes;
- Adjust the aiming beam: in order to obtain the best performance, avoid scanning in a slight angle and slowly move the beam on the barcodes by scanning the reflection of the barcodes;
- The terminal will beep when the barcodes are successfully decoded, which means the information included in the barcode has been obtained by the terminal.

Aiming Beam
- The aiming beam gets narrower when the terminal gets closer to the barcodes ,
- while it gets wider when the terminal gets farther from the barcodes.
- The smaller the barcodes, the closer the aiming beams should get to the barcodes
- The bigger the barcodes, the father the aiming beams should get to the barcodes
- Beam positions when scan 2D images

Technical Support
For information about technical support, after-sales service and maintenance, please visit www.honeywellaidc.com.
www.honeywellaidc.com
User Documents
For the local version of this article, please visit www.honeywellaidc.com.
www.honeywellaidc.com
Patents
For information on patents, please refer to www.honeywellaidc.com/patents.
www.honeywellaidc.com/patents
Warranty
Please log into www.honeywellaidc.com/warranty_information for warranty information on your product.
www.honeywellaidc.com/warranty_information
Disclaimer
Honeywell International Inc. reserves the rights to modify the specifications and other information mentioned above without prior notification. Readers should consult Honeywell International Inc. to make sure if any changes made any time they read this article. The information in this article does not represent any commitments of Honeywell International Inc. Honeywell International Inc. is not responsible for direct or indirect loss caused by any technical or editing errors or omissions contained in this article. The proprietary information contained in this article is protected by copyright. All rights reserved. Without prior written consent from Honeywell International Inc., any form of photocopy,
copy or translation into other languages for any part of this article is not allowed.
FCC Rules
This device complies with Part 15 of the FCC Rules. Operation is subject to the following two conditions: 1) this device may not cause harmful interference and 2) this device must accept any interference received, including interference that may cause undesired operation ot the device. This equipment has been tested and tound to comply with the limits for a Class B digital device, pursuant to part l5 or the FCC rules. Ihese limits are designed to provide reason able protection against harmtul interference in a residential installation. This equipment generates, uses and can radiate radio frequency energy and, if not installed and used in acordance with the instructions, may cause harmful interference to radio communications. However, there is no guarantee that intertference will not occur in a particular installation. If this equipment does cause harmful interference to radio or television reception, which can be determined by turning the equipment off and on, the user is encouraged to try to correct the interterence by one or more of the tollowing measures:
- Reorient or relocate the receiving antenna.
- Increase the separation between the equipment ana recever.
- Connect the equipment into an outlet on a circuit different from that to which the receiver is connected.
- Consult the dealer or an experienced radio/TV tech nician for help.
You are cautioned that changes or modífications not expressly approved by the part responsible for compliance could void the user’s authority to operate the equipment.
The SAR Iimit adopted by USA is 1.6 watts/kilogram (VWkg) averaged over one gram of tissue. The highest SAR value reported to the Federal Communications Commission (FCC) for this device type when it is properly worn on the body is 143 Wkg. (Only for EDA71-1)
FCC RE Radiation Exposure Statement
1. This Transmitter must not be co-located or operating in conjunction with any other antenna or transmitter
2. For body worn operation. this device has been tested and meets FCC RE exposure guicdelines. When used with an accessory that contains metal may not ensure comoliance with FCC RE exposure guidelines.
Honeywell EDA711 ScanPal Enterprise Tablet
























