ZODIAC EL Series EL-25 Saltwater Chlorinator Installation Guide
WARNING
FOR YOUR SAFETY – This product must be installed and serviced by a contractor who is qualified in pool equipment in accordance with the latest applicable version of AS/NZS 3000: 2018, along with any other applicable local and national installation codes/standards”, and any other local applicable regulations. Before installing this product, read and follow all warning notices and instructions that accompany this product. Failure to follow warning notices and instructions may result in property damage, personal injury, or death. Improper installation and/or operation will void the warranty. Improper installation and/or operation can create unwanted electrical hazard which can cause serious injury, property damage, or death.
Important Safety Instructions
READ AND FOLLOW ALL INSTRUCTIONS
All electrical work must be performed by a qualified installer and conform to all national, state, and local codes. When installing and using this electrical equipment, basic safety precautions should always be followed, including the following:
DANGER
To reduce the risk of severe injury or death, do not remove the suction fittings of your spa or hot tub. Never operate a spa or hot tub if the suction fittings are broken or missing. Never replace a suction fitting with one rated less than the flow rate marked on the equipment assembly.
WARNING
Prolonged immersion in hot water may induce hyperthermia. Hyperthermia occurs when the internal temperature of the body reaches a level several degrees above the normal body temperature of 37°C. The symptoms of hyperthermia include dizziness, fainting, drowsiness, lethargy, and an increase in the internal temperature of the body. The effects of hyperthermia include: 1) unawareness of impending danger; 2) failure to perceive heat; 3) failure to recognize the need to exit spa; 4) physical inability to exit spa; 5) fetal damage in pregnant women; 6) unconsciousness resulting in a danger of drowning.
WARNING
To Reduce the Risk of Injury –
- The water in a pool/spa should never exceed 40°C. Water temperatures should remain between 38°C and 40°C. Water temperatures between 38°C and 40°C are considered safe for a healthy adult. Lower water temperatures are recommended for young children and when spa use exceeds 10 minutes.
- Since excessive water temperatures have a high potential for causing fetal damage during the early months of pregnancy, pregnant or possibly pregnant women should limit spa water temperatures to 38°C. Before entering a spa or hot tub, the user should measure the water temperature with an accurate thermometer since the tolerance of water temperature-regulating devices varies.
- The use of alcohol, drugs, or medication before or during spa or hot tub use may lead to unconsciousness with the possibility of drowning
- Obese persons and persons with a history of heart disease, low or high blood pressure, circulatory system problems, or diabetes should consult a physician before using a spa.
- Persons using medication should consult a physician before using a spa or hot tub since some medication may induce drowsiness while other medication may affect heart rate, blood pressure, and circulation.
WARNING
Risk of electric shock – Install the controller at least 3.5 metres from the inside wall of the pool and/or hot tub using non-metallic plumbing. Children should not use spas or hot tubs without adult supervision. Do not use spas or hot tubs unless all suction guards are installed to prevent body and hair entrapment. People using medications and/or having an adverse medical history should consult a physician before using a spa or hot tub
WARNING
To avoid injury ensure that you use this control system to control only packaged pool/spa heaters which have builtin operating and high limit controls to limit water temperature for pool/spa applications. This device should not be relied upon as a safety limit control.
WARNING
People with infectious diseases should not use a spa or hot tub To avoid injury, exercise care when entering or exiting the spa or hot tub. Do not use drugs or alcohol before or during the use of a spa or hot tub to avoid unconsciousness and possible drowning. Before entering a spa or hot tub, measure the water temperature with an accurate thermometer. Do not use a spa or hot tub immediately following strenuous exercise. Prolonged immersion in a spa or hot tub may be injurious to your health. Do not permit any electric appliance (such as a light, telephone, radio, or television) within 3.5 metres of a spa or hot tub. The use of alcohol, drugs or medication can greatly increase the risk of fatal hyperthermia in hot tubs and spas. Water temperature in excess of 38°C may be hazardous to your health.
WARNING
The earth terminal within this controller is connected to the controller’s main supply lead . To reduce the risk of electrical shock which can cause serious injury or death, ensure that the Power Outlet that this controller is connected to, is connected to the grounding terminal of your electric service or supply panel with a continuous copper conductor having green/yellow insulation and one that is equivalent in size to the circuit conductors supplying this equipment in accordance with AS/NZS 3000: 2018. In addition, where required, bonding should be extended in accordance with AS/NZS 3000: 2018 to any metal ladders, water pipes, or other metal within 3.5 m of the pool/spa.
Attention Installer: Install to provide drainage of compartment for electrical components.
SAVE THESE INSTRUCTIONS
System Overview
Contents
Before starting, check that you have the correct parts as indicated in Table 1. If any parts are missing or incorrect, please call your local distributor or technical support at 1300 763 021 for assistance.
Salt Chlorinator System

EL25/EL35 Saltwater Chlorinator
- a. Controller
- b. Wall Mount Bracket
- c. Wall Mount Screws Ø7 mm (X2)
- d. Wall Mount Anchor (X2)
- e. Electrolytic Cell
- f. Unions (X2)
- g. 50mm Glue on Adapter (X2)
- h. 50mm – 40mm Reducing Bush (X2)
- i. O-ring (X2)
Specifications
Salt Chlorinator System
Nominal chlorine production 25 g/h 35 g/h
Nominal output amps 4.4 A 5.8 A
Required salt level 6000ppm
Power supply voltage 230 – 240 VAC
Protection index IP23
Flow through the cell Min. 80 Lpm
Operating water temperature 10°C – 40°C
Table 2. Salt Chlorinator Sy5
Nominal chlorine production 25 g/h 35 g/h
Nominal output amps 4.4 A 5.8 A
Required salt level 6000ppm
Power supply voltage 230 – 240 VAC
Protection index IP23
Flow through the cell Min. 80 Lpm
Operating water temperature 10°C – 40°C
Table 2. Salt Chlorinator Sy 5
Nominal chlorine production 25 g/h 35 g/h
Nominal output amps 4.4 A 5.8 A
Required salt level 6000ppm
Power supply voltage 230 – 240 VAC
Protection index IP23
Flow through the cell Min. 80 Lpm
Operating water temperature 10°C – 40°C
Table 2. Salt Chlorinator Sy5
Nominal chlorine production 25 g/h 35 g/h
Nominal output amps 4.4 A 5.8 A
Required salt level 6000ppm
Power supply voltage 230 – 240 VAC
Protection index IP23
Flow through the cell Min. 80 Lpm
Operating water temperature 10°C – 40°C
Table 2. Salt Chlorinator Sy 5
Nominal chlorine production 25 g/h 35 g/h
Nominal output amps 4.4 A 5.8 A
Required salt level 6000ppm
Power supply voltage 230 – 240 VAC
Protection index IP23
Flow through the cell Min. 80 Lpm
Operating water temperature 10°C – 40°C
Table 2. Salt Chlorinator System Specification
Dimensions
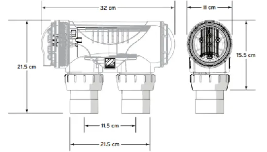
Controller

Figure 1. Controller Dimensions
Cell

Figure 2. Electrolytic Cell Dimensions
Materials and Tools
Controller
Tools Needed for Installation
- Power Drill
- 7 mm Drill Bit – Hammer Drill Bit (only necessary to drill into brick or concrete)
- Pencil or Marking Pen
- Pozidriv Screwdriver
Cell
Tools Needed for Installation
- PVC Cutter
- PVC Cement
- Pencil or Marking Pen
- Check Valve
- 50 mm PVC Pipe (40mm optional)
Plumbing
The cell must be plumbed in a position that is accessible for maintenance and within 1.5 meters of the controller. The cell should be the last piece of equipment in the circulation system. The cell must be installed horizontally, level and with correct fl ow orientation, see Figure 3.

Figure 3. Plumbing Cell Only
- If you intend to plumb the cell on a bypass, the bypass must be equipped with Isolation valves, see Figure 3.
- Plumb the cell inlet and outlet on vertical lengths of 50 mm PVC pipe (if using 40mm pipe, use the provided 40mm reducers). The cell inlet and outlet ports are 11.5 cm apart, see Figure 2. The inlet of the cell is on the side closest to the electrical lead, see Figure 4.


Figure 4. Cell Plumbing Assembly - Put the unions onto the inlet and outlet pipes, see Figure 4.
- Glue the adapters directly onto the pipes.
- Ensure the o-rings are seated properly on the adapters.
- Secure the cell to the plumbing by tightening the unions hand tight. DO NOT OVERTIGHTEN.
- Double check cell orientation. The cell inlet is closest to the cell electrical lead.
Cell Plumbing Assembly
WARNING
- The cell must be installed horizontally and level. Improper installation can lead to gas build up which could result in equipment damage or serious injury.
- The cell must be the last piece of equipment on the return line, see Figure 3.
- It is recommended in all installations that the cell is installed on a bypass equipped with isolation valves, see Figure 3.
- In order to avoid load loss, installing the cell on a bypass is MANDATORY if system flow rated exceeds 300 Lpm, see Figure 3.
- If installing on a bypass, use a downstream check valve instead of a manual valve to prevent improper back flow into the cell.
Install Controller
The controller should be located at or near the equipment pad, at least 3.5 metres or more away from the inside wall of the pool/spa, 1.5 metres off the ground, and within 1.5 meters of the cell. All national, state, and local codes are applicable.
Mount the Bracket
- Determine the controller location.
- Use the enclosed bracket to mark the mounting surface through the screw holes.
- Drill surface with 7 mm bit.
- Install the included wall anchors.
- Hang bracket using the included screws.
- Hang the controller on the wall bracket and slide down to secure in place

Figure 5. Controller Mount
Electrical Connections
WARNING
FOR YOUR SAFETY: This product must be serviced by a professional pool/spa service technician as described on the front cover of this manual. The procedures in this manual must be followed exactly. Failure to follow warning notices and instructions may result in property damage, serious injury, or death. Improper installation and/or operation will void the warranty.
The controller must be permanently powered by connection to a 30 mA residential circuit breaker.
A non-replaceable backup power source is incorporated to maintain time-setting memory in the event of a short, infrequent power interruption.

Figure 6. Chlorinator Cell Cable Connections
Controller and Chlorinator Cell Wiring
- Connect the Chlorinator Cell Cable to the appropriate ports on the cell.
- Connect the EL25/EL35 Controller to the power source.
Prepare and Balance the Pool
Water Chemistry Table
Test and maintain correct water balance throughout the season, according to the table.
| Free Chlorine | pH | Total Alkalinity (ppm) | Calcium Hardness (ppm) | Cyanuric Acid (ppm) | Salt Level (ppm) | Metal | |
| Australian Standard | 1 -3 | 7.2 – 7.8 | 60 – 200 | 100 – 400 *** | up to 50 | 4000 – 7000 | x |
| Ideal range | 1 – 3 | 7.4 | 80 – 140 | 90 – 300 | up to 50 | 4000 at 27°C | < 0.10 ppm |
| To Increase | Add chlorine or increase equipment output | Add buffer or soda ash (sodium carbonate) | Add sodium bicarbonate | Add calcium chloride | Add cyanuric acid | Add salt or minerals ** | x |
| To Decrease | Add muriatic acid | Add muriatic acid or dry acid | Partially drain and refill pool | Partially drain and refill pool* | Partially drain and refill pool* | Use ‘Metal Remover’ | |
| In Season Testing Frequency | Weekly | Weekly | Weekly | Weekly | Weekly | Weekly | Monthly |
NOTE: Test all equipment sensors quarterly.
* Fill pool with water from the mains water supply. Do not use rain water or well water.
** Do not add salt directly into the skimmer. Do not initiate electrolysis until salt has fully dissolved.
*** Reading is True Calcium Hardness, not Total Hardness.
Table 3. Water Chemistry
Operation
User Interface Overview
To avoid risk of serious damage to the equipment, ensure that all salt added to the pool has completely dissolved before activating the chlorination function of your system.

Figure 7. Controller User Interface
Initial start-Up
The following setting must be configured at the initial start up of the device. Settings can be changed or updated at a later time using the general menu, details can be found in Section 7
Output can be set between levels 1 to 8 (P1 to P8), this is controlled in increments from the “main screen” by pressing
. The set value is valid until the next modification.
System Power
- Press
to cycle between:
Manual – Running
Manual – Stopped
Auto
Auto – Running indicates that the chlorinator is running within a timer period
Auto – Stopped indicates that the chlorinator is outside of a timer period.
Set Clock
- Press MENU
and screen should display CLK. Press ENTER
. - Press ENTER
and the hour digit will flash. Use
to adjust. - Press ENTER to change to minutes and set. Use
to adjust. - Press ENTER
and select AM or PM. Use
to adjust. - Press MENU
to save.
Installing Equipment
Programming/Timers
The controller has an internal operating timer that is used to define the length of time for the filter pump to operate during two separate time periods each day
In order to complete the timer program, it is necessary to enter and validate both ON and OFF times. If no timer is set, the filtration and / or chlorination will run continuously
The filtration operating times must be sufficient to correctly treat the water.
Example – single speed pump:
In Season filtration time: 8-10 hours per day.
Off Season filtration time: 4-5 hours per day.
Example – variable speed pump (when running at lower speeds):
In Season filtration time: 12-14 hours per day
Off Season filtration time: 8-10 hours per day
Filter Pump Programming
- Press MENU
. - Press the MENU
again and screen should display TMR. Press ENTER
. - Use
to adjust start time for TIMER1.
Press ENTER
. - Use
to adjust the stop time for TIMER- Press ENTER
.
- Press ENTER
- Repeat for TIMER 2.
User Operation Modes ![]()
The user mode buttons enable you to select and to automatically or manually control the chlorinator/ pump. Functions are as follows:
a. POOL MODE:
- Auto – Running/Stopped: The chlorinator/pump will run according to how you have set the timers.
- Manual – Running: The chlorinator/pump will run continuously.
- Manual – Stopped: The chlorinator/pump will stay off continuously.
Maximum efficiency will be achieved from your chlorinator at the following levels:
- Water temperature 15 Degrees – Salt level required is 6000 ppm.
- Water Temperature 25 Degrees – Salt level required is 4,100 ppm
Inspecting and Cleaning the Electrode
In areas that experience calcium hardness the cell electrode will benefit from cleaning.
- Switch off the filter pump and chlorine generator, close necessary valves and unplug the cell terminal cap.
- Unscrew the retaining ring and remove the electrode. If calcium buildup is present, immerse the electrode in cell cleaning solution without immersing the terminals.
- We recommend using Zodiac Salt Chlorinator Cell Cleaner to clean the electrode. However, you can mix your own by carefully adding one (1) part of Hydrochloric (Muriatic) acid to ten (10) parts water. Stronger solutions will shorten terminal life.
- Allow the cleaning solution to dissolve the calcium deposits for about 10 minutes.
NOTE: Dispose of the cleaning solution at an approved Council Depot and never into storm water or sewage drains - Rinse the electrode in clean water and re-fit the electrode in the cell housing.
- Replace the cell head and plug assembly.
- Reset valves and switches.
- Turn pump and controller on.
- Confirm chlorine output and settings on the power pack. Timer programs will be automatically retained.

Figure 8. Opening the Cell
Winterizing
The chlorinator has a protective system which will limit sanitizer production during unfavorable operating conditions, such as cold water or lack of salt.
Active winterizing leaves the filter pump and chlorinator running during the winter. This is safe for temperatures above 10°C. If temperatures drop below 10°C, the chlorination cell needs to be deactivated.
Passive winterization calls for the pool to be shut down. Water levels will need to be lowered and the piping will need to be drained. The cell electrode can be left in place with isolation valves open.
Reopening the Pool
Required actions:
- Adjust the water level (too much or too little)
- Check the water parameters.
- TAC/TH/pH/Salinity/Chlorine/Stabilizing Agent/ Copper/Metals.
- Adjust the parameters to obtain a balanced, healthy pool, see Section 5.
- Check the condition of the equipment (pump, filter, chlorinator, electrolytic cell).
- Where necessary, check the sensors, clean if needed and re-calibrate.
- Once the salt level has reached the required level of 6000ppm and has dissolved in the water, restart the salt chlorinator.
General Maintenance
If the supply cord is damaged, it must be replaced by Zodiac ,its service agent or a similarly qualified person in order to avoid a hazard
WARNING
Operating the chlorinator with less than 3000 ppm of dissolved salt in the water may cause damage to the cell and will void the warranty. Never start the chlorinator, until the correct quantity of salt has been added and dissolved in your pool water.
Cell Maintenance
Your EL25/EL35 Saltwater Chlorinator has an automatic cleaning feature, that under normal conditions, will keep the cell plates clear of deposits of salt and calcium.
The cell has a negative charge sensor that monitors the flow and salt levels of the water. This sensor is designed to be fail safe. As it is negative charge deposits of calcium or other debris that may be deposited on it, causing an indication of low salt or no flow condition.
Should a low salt condition be indicated, have your salt level checked at your local pool shop. If the low salt condition persists, or a no flow condition is indicated when the supply pump is operating, you may need to manually clean your EL25/EL35 Saltwater Chlorinator Cell. See Section 9 for cleaning instructions.
Maintenance Schedule
The EL25/EL35 Saltwater Chlorinator has high velocity water with chemicals in it. Some of these parts will wear in the normal course of use and require regular checks and maintenance. Performing these checks and maintenance will identify parts that have worn and require repair/ replacement before further serious damage is sustained. A small amount of regular care and attention to your pool equipment will help ensure long life and trouble free performance.
To protect against extremes of temperature, your unit is vented to allow the electronics to cool. Ants and some insects are often attracted to the warmer, dry environment inside the enclosure. We recommend that, with power turned off, you spray a surface insecticide on the surfaces surrounding the control to prevent ant and insect ingress. Repeat every three months or as necessary.
Note: Regular maintenance is important to ensure long life and trouble free performance of your pool equipment. If unable to perform the maintenance yourself, contact your local pool professional to request assistance with the maintenance.
| Timing | Maintenance Check | Service Action If Required |
| Weekly or sooner | Check Cell for calcium buildup | Soak electrode in mixture of 10 parts water to 1 part acid. Use a soft brush only if required. |
| Check water chemistry | Balance pH in pool and adjust output of unit to ensure satisfactory production of chlorine. | |
| Check cable connections to Cell | Ensure no water contact is occurring with pins. | |
| Every Three Months | Check Cell connections for leaks | Isolate Pump, turn power off, clean and grease 0 rings or replace if necessary |
| Check for insects/ants | Spray a surface insecticide on the surfaces around the unit to prevent ant and insect ingress | |
| Every Six Months | Check chlorine levels and pump operating hours | Adjust timer and output depending on demand for current season. |
| Prevent insect ingress to controller | Turn controller off, use an insect spray and spray onto walls around controller. Do not spay directly into unit. |
Table 4. EL25/EL35 Saltwater Chlorinator Maintenance Schedule
Troubleshooting
When there is an error condition, “ERROR” flashes on the display along with the error code.
| Fault Indication | Possible Cause | Solution |
| NO FLOW |
| IP. Ensure valves/pump ON
|
| LOW SALT |
|
|
| Display Blank |
|
|
| Low/No Chlorine in pool |
|
|
| Clock loses time when main power is removed |
|
|
| Timer is set to OFF in the TMR menu | TMR menu
|
|
Table 5. Troubleshooting
Warranty
For full warranty terms and conditions and to register your warranty, simply visit www.zodiac.com.au/warranty and complete your details. Or scan the QR code and be taken directly to the registration page
Record your Equipment details here for quick reference:
Model No.:
Serial No
Refer to the following websites for information on warranty and service in your country:
Australia, NZ, Asia and Sth Pacific go to www.zodiac.com.au
EQUIPMENT INFORMATION RECORD
DATE OF INSTALLATION
INSTALLER INFORMATION
INITIAL PRESSURE GAUGE READING (WITH CLEAN FILTER)
PUMP MODEL HORSEPOWER
FILTER MODEL
CONTROL PANEL MODEL SERIAL NUMBER
NOTES:
Customer Support
Fluidra Group Australia Pty Ltd
219 Woodpark Road,
Smithfield NSW2164, Australia
1300 763 021 | www.zodiac.com.au



















