swim fun PAPI004175 Salt Chlorinator Instruction Manual
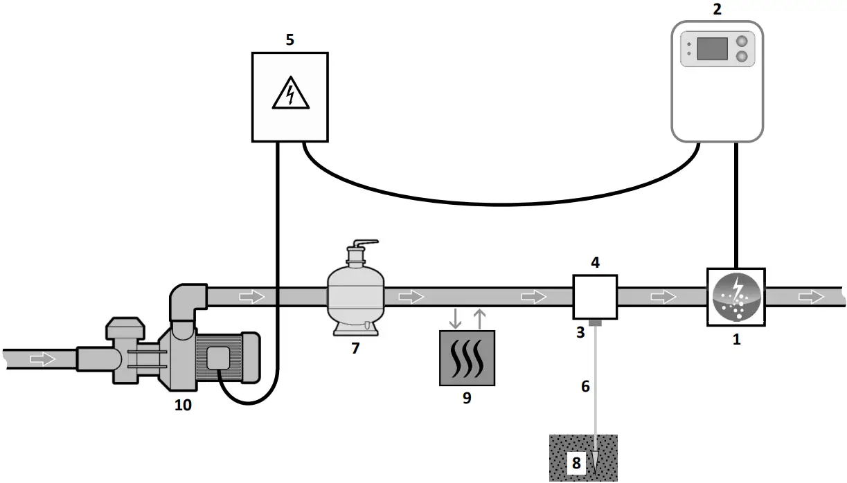
INSTALLATION DIAGRAM
The electrical connections at cell-level must not point upwards, to avoid any deposits of water or humidity on them.
- Cell
- Electronics unit
POOL GROUND KIT (optional) : - Electrode
- Bracket
ELEMENTS NOT SUPPLIED : - Electrical power supply
- Copper cable
- Filter
- Ground rod
- Heat pump
- Filtration pump
ELECTRONICS UNIT
Interface
Non-binding image
- Red LED
- Green LED
- Screen
- Control keys
| ELEMENT | STATUS | MEANING |
| Red LED | Continuously on | Electronics unit powered off |
| Flashing | Alarm activated | |
| Green LED | Continuously on | Production in progress |
| Screen | Default display | Production setpoint |
| Flashing display | Information awaiting validation, or alarm | |
| Frozen display | Confirmed information |
Switching on
- When connecting the electronics unit to a power supply:
After about a minute, production starts automatically, according to the setpoint displayed on the screen. - If the electronics unit is powered off (screen off, red LED on):
Press at least twice on the upper control key. After about a minute, production starts automatically, according to the setpoint displayed on the screen.
Switching off
Set the production setpoint to 00 using the top key (no confirmation required) : after a few seconds, the screen turns off and the red LED comes on.
- The internal ventilator of the electronics unit can may be able to continue running as long as the unit is powered on.
Adjustment of the inversion frequency of the current supplying the cell (optional)
Reversing the flow aims to prevent scale deposits on the cell. The frequency at which flow is reversed must be correctly set following the table below in order to ensure that the cell continues to operate correctly in the long term.
- Possible settings: 02, 04, 06, 08, 10, 12, 14, 16 (hours).
- Default setting: 04
| Water hardness (°f) | 0 to 2 | 2 to 5 | 5 to 8 | 8 to 12 | 12 to 20 | 20 to 40 | 40 to 60 | > 60 |
| Water hardness (mg/L) | 0 to 20 | 20 to 50 | 50 to 80 | 80 to 120 | 120 to 200 | 200 to 400 | 400 to 600 | > 600 |
| Reversal frequency (h) | 16 | 14 | 12 | 10 | 8 | 6 | 4 | 2 |
- Press and hold down the bottom key, until the message In is displayed.
- Press the bottom key : the current setting flashes.
- Select an inversion frequency using the top key.
- Confirm with the bottom key : the display freezes for a moment.
Setting the production setpoint
- Possible settings: from 00 to 10, in increments of 1.
- Default setting: 10.
Select a production setpoint using the top key (no confirmation required).
Boost mode (optional)
Boost mode sets the production setpoint to its maximum for 24 hours, but can be stopped at any point. This function is used when chlorine is urgently needed.
Boost mode cannot replace a conventional shock treatment in the case of water not fit for bathing
- Boost mode continues after powering off the electronics unit.
- When the Boost mode terminates or stops, production continues according to the initial setpoint.
- Switching on: Press the bottom key : the message bo appears.
- Switching off: Press the top key.
Cover” or “Ext” socket (optional)
The socket marked “Cover” or “Ext” (depending on the model of the electronics unit) is used to connect a flow sensor, or an external control, or a cover position switch.
Pre-configuration
This configuration must be carried out.
- Press and hold down the bottom key, until the message In is displayed.
- Press on the top key x times until the message CG is displayed.
- Press the bottom key (one of the following displays will flash).
- Using the top key, move to position :
- CF, for connection to a flow sensor
- CE, for connection to an external control
- Co, for connection to a cover position switch
- oF to deactivate the “Cover” socket (default setting).
- To confirm, press the bottom key : the display freezes for a moment.
Production operation depending on the type of element connected
- If flow sensor or external control (default configuration in NO switch) :
- When the switch is activated, production follows the setpoint as shown on the screen.
- When the switch is not activated, production is stopped. The message oF appears.
- If cover position switch (default configuration in NO switch) :
- When the switch is activated, production is reduced by 25 % in relation to the setpoint. The message Co appears.
- When the switch is not activated, production follows the set point as shown on the screen.
- To switch from a NO switch (normally open) to an NC switch (normally closed), or vice versa:
- A Carry out steps 1 to 4 below.
- b) Press and hold down the 2 keys: the current switch flashes nO or nC.
- c) Using the top key, select an nO or nC switch.
- d) Confirm with the bottom key : the display freezes for a moment.
Alarms
Any alarm that is activated
- immediately displayed on the screen.
- automatically and instantly stops production.
- manually dismissed pressing and holding down the bottom key
| Message displayed | Fault detected | Cause | Checks and solutions |
| A | Production anomaly | Low water | Check that the pipe at cell level is completely filled with water, andthe flow is sufficient. |
| Low salt |
| ||
| Problem in the cell |
| ||
| Problem in the electronics unit | Contact a professional to repair the electronics unit |
ACTIVATING/DISABLING ALARM A1 :
Alarm A1 is disabled by default.
- Press and hold down the bottom key, until the message In is displayed.
- Press the top key x times, until the message AL is displayed.
- Press the bottom key (one of the following displays will flash.
- Using the top key, move to position On to activate alarm A1 or to oF to disable alarm A1.
- To confirm, press the bottom key : the display freezes for a moment.
- Alarm A2 is always activated and cannot be disabled.
GUARANTEE
Before contacting your dealer, please have the following to hand :
- your purchase invoice.
- the serial no. of the electronics unit.
- the installation date of the equipment.
- the parameters of your pool (salinity, pH, chlorine levels, water temperature, stabilizer level, pool volume, daily filtration time, etc.)
Every effort and all our technical experience has gone into designing this equipment. It has been subjected to quality controls. If, despite all the attention and expertise involved in its manufacture, you need to make use of our guarantee, it only applies to free replacement
Guarantee period (proven by date of invoice)
Electronics unit: 2 years.
Cell: – 1 year minimum outside the European Union (excluding warranty extension).
Cell : – 2 year minimum in the European Union (excluding warranty extension).
Repairs and spare parts : 3 months.
The periods indicated above correspond to standard guarantees. However, these can vary depending on the country of installation and the distribution network.
Scope of the guarantee
The guarantee covers all parts, with the exception of wearing parts that must be replaced regularly. The equipment is guaranteed against all manufacturing defects within the strict limitations of normal use.
AFTER-SALES SERVICES
All repairs will be performed in the workshop. Shipping costs in both directions are at the user’s own expense. Any downtime and loss of use of a device in the event of repairs shall not give rise to any claim for compensation. In all cases, the equipment is always sent at the user’s own risk. Before taking delivery, the user must ensure that it is in perfect condition and, if necessary, write down any reservations on the shipping note of the carrier. Confirm with the carrier within 72 hours by recorded letter with acknowledgement of receipt. Replacement under guarantee shall in no case extend the original guarantee period.
Guarantee application limit
In order to improve the quality of their products, the manufacturer reserves the right to modify the characteristics of the products at any time without notice. This documentation is provided for information purposes only and is not contractually binding with respect to third parties. s documentation
Installation, maintenance and, more generally, any servicing of the manufacturer’s products should only be performed by professionals. This work must also be carried out in accordance with the current standards in the country of installation at the time of installation. The use of any parts other than original parts voids the guarantee ipso facto for the entire equipment.
The following are excluded from the guarantee
- Equipment and labour provided by third parties in installing the device.
- Damage caused by installation not in compliance with the instructions.
- Problems caused by modifications, accidents, misuse, negligence of professionals or end users, unauthorised repairs, fire, floods, lightning, freezing, armed conflict or any other force-majeure events
Any equipment damaged due to non-compliance with the instructions regarding safety, installation, use and maintenance contained in this documentation will not be covered by the guarantee. Every year, we make improvements to our products and software. These new versions are compatible with previous models. The new versions of hardware and software cannot be added to earlier models under the guarantee.
Implementation of the guarantee
For more information regarding this guarantee, contact your dealer or our After-Sales Service. All requests must be accompanied by a copy of the purchase invoice.
Legislation and disputes
This guarantee is subject to French law and all European directives or international treaties in force at the time of the claim, applicable in France. In case of disputes concerning its interpretation or execution, the High Court of Montpellier (France) shall have exclusive jurisdiction.
![]()
















