CircuPool UL Series Universal Salt System Advanced Swimming Pool Sanitation

SAFETY INSTRUCTIONS
IMPORTANT SAFETY INSTRUCTIONS. Read and follow all instructions. Ensure all owners/operators of this equipment have access to these instructions. Save all instructions. When installing and using this electrical equipment, basic safety precautions should always be followed, including the following.
- WARNING: Follow all aspects of local and National Electrical Code(s) when installing the CircuPool UNIVERSAL Series. Disconnect all electrical power during installation & service.
- WARNING: To reduce the risk of injury, do not permit children to operate this device. Service should only be attempted by a qualified professional.
- WARNING: Heavy pool (and/or spa) usage and higher temperatures may require higher chlorine output to maintain proper free available chlorine residuals. The actual amount of chlorination required by your pool can change, and varies according to factors not limited to bather load, rain, temperature, dirt, debris, and chemical balance.
- WARNING: Safe operation of the electrolytic Cell requires a minimum water flow rate of 20 gpm. Never operate the unit when the flow of water is restricted. Always turn unit off when operating any plumbing control valves such as for backwashing, water exhaust, or during operation of spa or water features. If operation restricts water flow to the Cell, a build-up of flammable gases will result in hazardous conditions.
- WARNING: We strongly recommend against the use of isolation valves. If full pump pressure is applied to an isolated component, it may be prone to rupture. Turn off all pumps before changing valve positions. Prevent water pressure spikes at Electrolytic Cell.
- Before installation, ensure that materials and equipment used in and around the pool are compatible with the use of chlorinated water and salt. Avoid high chlorine and high salt levels (above the recommended range); it is possible that certain materials and pool (and/or spa) equipment may be susceptible to damage.
- Ensure that the chlorinator operates only when the circulation pump is operating. When installed with a pool equipment timer or control system, wire the Control Module (wall unit) to the load side of the timer clock or control relay.
- If additional chlorine is required (due to heavy bather loads, for example), use Sodium Hypochlorite to maintain an appropriate chlorine residual in the water.
- DO NOT add acid or other concentrated chemicals directly to the skimmer. This may damage the Cell.
- Check the expiration date of any test kits as test results may be inaccurate if used after that date.
- When replacing the Cell, only use replacement Cells having a label that clearly states that it is the replacement for this UNIVERSAL Series model.
- Proper pool chemistry must be maintained at all times. For outdoor pools, chlorine residuals can be protected from destruction by sunlight by addition of stabilizer (cyanuric acid).
- The use of dry acid may damage the salt Cell and is not recommended. When using liquid acid, always add acid to water, never water to acid.
- For proper sanitation, spas must be completely drained periodically. The number of days between COMPLETE SPA DRAINAGE is equal to the volume of the spa water in gallons, divided by 10 times the maximum number of daily spa users. Refill spa with water and repeat initial startup instructions on pages 6-8 of this manual.
- Ensure that the UNIVERSAL Series installation does not constitute a cross connection with the local potable water supply. Consult local plumbing codes.
- note: Some local codes may require external grounding source. Check your local ordinances.
- To reduce the risk of electric shock, the ground wire (green wire) on the power cord must be connected to the grounding means provided in the electric supply service panel.
- One bonding lug for US models is provided on the external surface. To reduce the risk of electric shock, connect the local common bonding grid in the area of the swimming pool, spa, or hot tub to these terminals with an insulated or bare copper conductor not smaller than 8 AWG US.
INTRODUCTION
Congratulations on your recent purchase of a CircuPool UNIVERSAL Series Electronic Chlorine Generator. CircuPool’s high-performance systems offer escape from the routine of manual pool chlorination and sanitization. The UNIVERSAL Series uses a very low level of salt in the pool water to continuously create free chlorine, killing bacteria and algae in the water and thereby helping to maintain a sparkling clean pool. Please take a moment to read through the entire manual before installing your new unit. Your generator must be installed and operated as specified.
GETTING STARTED
READ ENTIRE MANUAL FIRST – To ensure consistent & reliable operation, the pool and equipment must be used and maintained as specified. Most issues are easily avoidable with correct maintenance. Before installation or operation, please take the time to read this entire manual, compare package contents with the parts list, and gather tools required. Improper installation may void the warranty and create unnecessary hazards. This manual contains step-by-step instructions to help ensure that your installation meets the recommended standards. Spending the time to understand your system and its functions will assure successful, trouble-free operation. As with any electrical device, it is very important that the installation and service of this equipment be performed by a qualified person with the skills and experience required to do it safely and correctly. Improper installation or service can result in severe electrical shock to the installer or user of the equipment or pool. Please choose your installer with great care! Be sure to familiarize yourself with the pool chemistry requirements and maintenance procedures. Please visit www.circupool.com/help for more information, tips, and troubleshooting assistance.
UNIVERSAL-SERIES SYSTEM OVERVIEW
The UNIVERSAL-Series system utilizes three main components for operation: 
Control Module:
This component supplies power to the Cell and allows you to customize the system’s operation in order to meet your pool’s unique needs.
Electrolytic Cell:
This component creates chlorine as the water inside passes through and returns to the pool. The Electrolytic Cell (“Cell”) contains a bipolar set of titanium plates that use a low level of DC electrical power to generate chlorine from salt in the water.
Flow Switch:
This component ensures that there is adequate water flow for the Cell to activate.
Additional Items Required (Not Included)
WATER CHEMISTRY & SALT LEVELS
Preparing the Pool Water
It is important that the pool’s water chemistry is balanced before the UNIVERSAL-Series is powered on and used. In order for the system to be able to work, there must be a minimum level of salt in the pool water, see “Salt Levels” below. In order to achieve normal pool operation, water chemistry needs to be balanced according to the national standards listed under “Ideal Chemistry Levels” on page 6. DO NOT add chemicals or salt directly to the skimmer. This may damage the Cell. If the system has already been installed, it should not be turned on before adding salt. Additionally, leave the salt chlorinator off any time there is a chance of recently added chemicals going through the salt Cell in a concentrated form. For New Pools / Remodels: wait 30 days or longer if specified by your builder for plaster to cure before adding salt. For Biguanide (Non-Chlorine) Pools: ensure any Biguanide-based chemicals have been removed prior to startup.
Ideal Salt Levels & Pool Size
The ideal salt level for operation is about 3500 ppm (parts per million), and it is suggested to keep the salinity between 3000-4000 ppm . To achieve this level of salinity, use the chart on page 7, which will help you add approximately 30 lbs of salt for every 1000 gallons of water (or 3.6 Kilograms of salt for every 1000 Liters). If you are unsure of the number of gallons in your pool, double-check with the following equations.
Calculating Gallons (Dimensions in Feet)
- Rectangular Pool Pool Width x Pool Length x Average Depth x 7.5 = Pool Gallons
- Round Pool Pool Diameter x Pool Diameter x Average Depth x 5.9 = Pool Gallons
- Oval Pool Pool Width x Pool Length x Average Depth x 6.7 = Pool Gallons
- Example – 15’ x 30’ Rectangular Pool with 3’ shallow end and 6’ deep end. 15’ wide x 30’ long x 4.5’ Average Depth x 7.5 = 15187 Gallons
Adding Salt
IMPORTANT: Before adding salt at any time, ALWAYS perform an independent water test to measure pre-existing salt levels.
If the salt level (PPM) in your pool is currently…
| 0 | 500 | 1000 | 1500 | 2000 | 2500 | 3000 | 3500 | 4000 | ||
| 4,000 | 117 | 100 | 83 | 67 | 50 | 33 | 17 | 0 | OK | |
| 6,000 | 175 | 150 | 125 | 100 | 75 | 50 | 25 | 0 | OK | |
| 8,000 | 234 | 200 | 167 | 133 | 100 | 67 | 33 | 0 | OK | |
| 10,000 | 292 | 250 | 209 | 167 | 125 | 83 | 42 | 0 | OK | |
| 12,000 | 350 | 300 | 250 | 200 | 150 | 100 | 50 | 0 | OK | |
| 14,000 | 409 | 350 | 292 | 234 | 175 | 117 | 58 | 0 | OK | |
| 16,000 | 467 | 400 | 334 | 267 | 200 | 133 | 67 | 0 | OK | |
| 18,000 | 525 | 450 | 375 | 300 | 225 | 150 | 75 | 0 | OK | |
| 20,000 | 584 | 500 | 417 | 334 | 250 | 167 | 83 | 0 | OK | |
| 22,000 | 642 | 550 | 459 | 367 | 275 | 183 | 92 | 0 | OK | |
| 24,000 | 701 | 600 | 500 | 400 | 300 | 200 | 100 | 0 | OK | |
| 26,000 | 759 | 651 | 542 | 434 | 325 | 217 | 108 | 0 | OK | |
| 28,000 | 817 | 701 | 584 | 467 | 350 | 234 | 117 | 0 | OK | |
| 30,000 | 876 | 751 | 626 | 500 | 375 | 250 | 125 | 0 | OK | |
| 32,000 | 934 | 801 | 667 | 534 | 400 | 267 | 133 | 0 | OK | |
| 34,000 | 992 | 851 | 709 | 567 | 425 | 284 | 142 | 0 | OK | |
| 36,000 | 1051 | 801 | 751 | 600 | 450 | 300 | 150 | 0 | OK | |
| 38,000 | 1109 | 951 | 792 | 634 | 475 | 317 | 158 | 0 | OK | |
| 40,000 | 1168 | 1001 | 834 | 667 | 500 | 334 | 167 | 0 | OK | |
| 42,000 | 1226 | 1051 | 876 | 701 | 525 | 350 | 175 | 0 | OK | |
| 44,000 | 1284 | 1101 | 917 | 734 | 550 | 367 | 183 | 0 | OK | |
| 46,000 | 1343 | 1151 | 959 | 767 | 575 | 384 | 192 | 0 | OK | |
| 48,000 | 1401 | 1201 | 1001 | 801 | 600 | 400 | 200 | 0 | OK | |
| 50,000 | 1460 | 1251 | 1043 | 834 | 626 | 417 | 209 | 0 | OK | |
After measuring for any existing salt content in the pool, add salt according to the chart above. The chart allows you to cross-reference your existing salt level and your pool size to estimate the number of pounds of salt required to achieve 3500 ppm. Without the right amount of salt, the result will be reduced efficiency and a low level of chlorine production. In addition, operation at low salt levels will reduce the longevity of the Cell. When adding the salt to the pool, it is best to empty the required salt into the shallow end of the pool and run the filter and pump simultaneously in order to circulate the water and dissolve the salt (the UNIVERSAL-Series is to remain off during this time period). Do not throw the salt bag into the water as chemicals and inks on the bag can interfere with water balance. Salt may take 24 – 48 hours to dissolve in summer, and longer in winter. Finer granules of salt will dissolve faster than compressed pellets. The salt in your pool is constantly recycled and does not normally need to be replenished frequently. The loss of salt throughout the swimming season should be small, and is due primarily to the addition of extra water to replace water lost from splashing, backwashing, and draining. Salt is not lost due to evaporation. Use only evaporated, granulated, non-iodized salt (Sodium Chloride). The more pure the salt (at least 99%), the better the life and performance of the Electrolytic Cell. Water Softener salt (also known as Water Conditioning pellets) is an economical way to buy large quantities of salt. However, only salt that is at least 99% pure NaCl can be used. Pellets are compressed forms of evaporated salt that may take longer to dissolve. Avoid using salt with anti-caking agents (Sodium Ferrocyanide, also known as YPS or Yellow Prussiate of Soda) that could cause discoloration of fittings and surface finishes in pool. Do not use Calcium Chloride as a source of salt. Do not use Rock Salt; insoluble impurities mixed with the rock salt can shorten the life of the unit. TIP: When adding large quantities of salt, independently test existing salt level and add in portions, retesting at each stage.
Ideal Water Chemistry Levels
It is important to maintain these chemistry levels in order to ensure that the pool can be enjoyed safely, to minimize the amount of effort required to sanitize the water, and to prevent corrosion or scaling. The only unique requirement for a pool with a chlorine generator is the low level of salt (salinity) to be maintained in the water. It may be helpful to provide this manual to any pool professional that you may have performing chemical testing or service, as requirements may vary from brand to brand. 
CHEMISTRY TIPS:
Chlorine Stabilizer (Cyanuric Acid)
The stabilizer is needed to maintain proper levels of chlorine; the sun’s UV radiation can destroy unstabilized chlorine in as quickly as 2 hours. Stabilizers should not typically be maintained above 50 ppm, as excessive amounts can also reduce chlorine effectiveness.
Nitrates and Phosphates
These chemicals are very common and can cause extremely high chlorine demands and can easily deplete your free chlorine levels to zero. Your local pool professional can test for Nitrates and Phosphates, levels should be at zero.
Saturation Index (LSI)
A calculated number used to predict the calcium carbonate stability of water. If the index is higher than +0.2, it can cause quick and excessive calcium scaling on the salt Cell. If the index is lower than -0.2, it can cause the water to be corrosive and damaging to metals and minerals in the water, such as the titanium inside the Cell.
Metals
Metals can cause the loss of chlorine. Also, metals can stain your pool and tint your water. Have your local professional test and recommend methods of removal. Be sure to use a phosphate-free metal remover.
Chloramines / Combined Chlorine
Chloramines should not be present in pool water. When organic materials are not fully oxidized by Free Chlorine, Chloramines are formed. This ties up the Free Chlorine in your pool, and does not allow the chlorine in your pool to disinfect. Chloramines also cloud pool water and burn the eyes. Super Chlorinate (shock) to remove Chloramines at the initial startup of the pool.
pH Levels
pH produced by the Electrolytic Cell is close to neutral pH. However, other factors usually cause the pH of the pool water to rise. Therefore the pH in a saltwater pool tends to stabilize at approximately 7.8. This is within national standards. pH levels above 7.8 drastically reduce the effectiveness of the chlorine, and can also contribute to excessive mineral scaling. If high, have a pool professional test to see if other factors such as high Calcium Hardness or Total Alkalinity are the cause, and then balance accordingly.
Total Dissolved Solids (TDS)
Adding salt to pool water will raise the TDS level. While this does not adversely affect the pool water chemistry or clarity, the pool professional testing for TDS must be made aware that salt has been added. The individual performing the TDS test will then subtract the salinity level to arrive at the correct TDS level.
OPERATION
How it works
Think of the UNIVERSAL-Series as a chlorine generator; set it to create a steady supply of chlorine for the pool, instead of buying and adding chlorine by hand. How it works: Using electrolysis, it creates chlorine from the salt molecules (NaCL) in your water in order to sanitize your pool. A small electric charge is applied across a set of titanium plates inside the Electrolytic Cell. This produces Sodium Hypochlorite (NaOCl). In water, Sodium Hypochlorite dissociates into sodium (NA+) and hypochlorite (OCl-) ions. It is the hypochlorite ions that form with the hydrogen (H+) ions (from the water) to form hypochlorous acid (HOCl), which is the active agent that destroys bacteria and algae, and oxidizes organic matter. This form of chlorine works quickly in the pipe, leaving only a mild residual in the pool. In addition, the Electrolytic Cell continuously “shocks” the incoming water- burning off any oils, organic matter, or other particles that need to be oxidized. Best of all, the process continuously recycles the salt: after cleaning the pool, the original molecules reform and the whole process begins again. The salt doesn’t get used up!
Initial Start-Up
Before starting the system for the first time, verify that the pool water is chemically balanced (see page 8) and that all installation items are completed (see page 19) Apply power to the pool pump switch (or timer controls). This should activate the UNIVERSAL-Series system, and within moments the green LED lights for “Power” and “Generating” should be illuminated. During this time, you may also see the “No-Flow” light flash for up to 60 seconds as your pump begins its operation. During this time, the system will also check that the Cell is connected, and may display a message on screen if it is not. Once powered on, you’ll want to set its power level (Chlorine Output). To find the optimum Chlorine Output setting, start at a setting of 75% and adjust as needed over the initial start up period. Measure your available chlorine in the pool after two to three days, and adjust the Chlorine Output level accordingly. If the available chlorine is too high, lower the Output level; if the available chlorine is too low, raise the Output level. It will take a few adjustments to find the ideal setting for your pool. Once set for the pool’s current needs, it should only take minor adjustments of the system’s power level and/or pump run times throughout the season.
General Operation
By familiarizing yourself with the operation of the UNIVERSAL-Series, you can achieve the maximum performance for your pool. There are three main factors that you can control which directly impact the resulting free chlorine level in the pool:
- The chosen percentage of Chlorine Output on the Control Module
- Hours of pump run-time each day
- Water chemistry balance
- Including the amount of salt in the pool and chemicals that affect chlorine demand, such as chlorine stabilizer, phosphates, nitrates, and more. See “Ideal Chemistry Levels” on page 8 for more important information.
After making the initial adjustments to your chosen Chlorine Output level, additional adjustments are typically only necessary due to changing seasonal temperatures, or changes in pool use and bather load. Like any pool, ensure that your pump runs long enough for all the pool water to pass through the filter 1.5x to 2x a day (usually at least 8 hours). This is amount of time is typically more than sufficient for chlorination of the pool, but if the pool has high chlorine demand, running the pool pump longer allows for more chlorination. Measure your water chemistry and chlorine level on a regular basis. As you use the system throughout the season, make sure that you clean the Cell as frequently as needed (see page 12). Once the system detects that the Cell needs to be cleaned, it will display a “Cell Maint.” warning light, and then will not be able to create more chlorine until all mineral scaling has been removed from the Cell.
Using the Control Module

SWITCH POSITIONS
- AUTO: Normally, this switch should be left in the “Auto” position. In this position the Universal Series will produce sanitizer according to the percentage chosen by the “Output Adjustment Dial”.
- ON: This position turns on the “Super Chlor” feature, for when a larger amount of sanitizer is temporarily needed to contend with high bather loads, heavy rainfall, or cloudy water conditions. This boosts output from its current dial position to 100% output for 24 hours (the filter pump must be on during this time) or until the power has been turned off, whichever comes first. At the end of the Super Chlor period, the system will revert to operation based on the Output Adjustment Dial – put the switch back into the “Auto” position when next able.
- OFF: The “Off” position prevents the Control Module from energizing the Electrolytic Cell. In this position there is no chlorine generation. IMPORTANT SAFETY NOTE: The OFF position does not remove power from the Control Module. Always disconnect the power at the circuit breaker prior to attempting any service procedure.
OUTPUT ADJUSTMENT DIAL:
The yellow dial is used to control the amount of chlorine the Cell generates. The chlorine output is adjustable from 5% to 100%.
LED INDICATOR LIGHTS:
TIP: All LED indicators get reset when the system is powered off. After restoring power, the system will run normally for 1-5 minutes while running diagnostics before displaying any warning lights. Be sure to check system after this point, especially if you were seeing any warning lights prior to turning the system off.
- Power: The Control Module is receiving input power when this light is illuminated.
- Generate: This LED is illuminated during normal operation (when the switch is in On or Auto position). When flashing, the pool water is either too hot or too cold for chlorine generation. This LED is only off when the Super Chlor switch is in the Off position.
- Super Chlor: This LED is illuminated when the Super Chlor mode is active and the switch is in the On position.
- Remote: The Control Module is controlled by a remote control system. (Check with dealer for availability)
- No Flow: This LED is illuminated solidly when the Flow Switch has detected no flow. This causes the Cell to stop generating chlorine. A flashing LED indicates that the flow is restored, but there will be a 60 second delay before generation is re-established.
- Cell Maint.: A flashing LED is only a reminder that enough time has gone by that you should proactively inspect the inside of the cell. The flashing light does not impact operation, and is reset by holding the “system status” button for 10 seconds. A solidly illuminated LED indicates Cell efficiency is greatly reduced and the Cell has stopped producing chlorine. This will eventually happen with normal operation, and at this point the cell simply must be cleaned: see instructions on page 12. Be sure to inspect the cell after cleaning; look through the cell to make sure there are no physical particles or blockages between the titanium plates. If after cleaning the Cell Maint. light comes back on within 10-15 minutes of operation, verify salinity and Cell Version setting, and then continue to clean cell again more thoroughly as needed. It is possible for cleaning to be necessary even if debris or mineral build-up isn’t immediately visible to the eye. Additionally, if inadequate water flow through the cell is not allowing titanium plates to be completely covered by water, this will also cause the system to experience a high amount of wear. If illuminated after thorough cleanings, verifying system parameters and complete water coverage in cell, Cell replacement may be necessary. This light takes priority over any salinity readings or indicator lights, as salinity readings may temporarily be artificially low during such conditions.
- Check Salt: When this LED is flashing, the salt level is near to its minimum threshold, which is causing the Cell to operate at low efficiency. When this LED is illuminated steadily, the salt level is too low and Cell has shut down. The salt level must be raised before operation is restored. See also “Cell Maint.” above. See page 7 for information about adding salt.
- High Salt: When this LED is flashing, the salt level is higher than necessary. When this LED is illuminated steadily, the salt level is too high and the Cell has shut down. The pool water must be diluted with fresh water before operation is restored. See also “Cell Maint.” above.
LCD DISPLAY:
During normal operation, the screen shows the average salt concentration of the pool water, in ppm (parts per million). This average reading is constantly being updated by real-time salinity readings.
- TIP: When first installed, this reading may display the last salinity readings taken at the factory. This average will begin to update with your pool’s operation over the first 24 hours.
- TIP: As mineral scaling builds up in the Cell after regular use, the system may temporarily display an artificially low salinity level. After fully cleaning your Cell, it will begin to detect salinity normally again.
Press the SYSTEM STATUS button sequentially to cycle through the following other information on the LCD Display:
- Pool Temperature (xx degrees Fahrenheit or Celsius)
- Cell Voltage (often 21.0 to 27.0 volts when chlorine is being generated, otherwise 16-31V)
- Cell Current (often 2.50 to 7.80 amps when chlorine is being generated, otherwise 0 amps during normal rest cycles – see “Duty Cycle” below for more information.)
- Selected Chlorine Output percentage level (“0p” to “100p” depending on dial position or input from remote pool automation controller)
- Real-Time Salinity reading ( xxxx PPM or x.x grams/Liter.)
- System ID
- Software revision level
- Cell Version
NOTE: You may see a negative sign in front of some diagnostic numbers during normal operation. This is normal and indicates the system is on one of its two Reverse Polarity cycles, no action is required.On the 9th push of the button the display will revert back to the default Average Salinity display. The default display will also be restored any time the button is not pushed for 30 seconds. The Pool Temperature and Real-Time Salinity displays can each have their units of measure switched. To do so, bring the desired display on screen using the System Status button, then cycle the Super Chlor switch from Auto to On.
Chlorine Generation Duty Cycle
At times you will see the no Cell Current or Real-Time Salinity reading during normal operation – this simply indicates the system is in the resting portion of its duty cycle. No action is required on your part. This model uses an algorithm that determines when it is actively generating chlorine. The lower the chosen chlorine output level, the less frequently these readings will be present, and vice versa. This feature helps maximize the lifespan of your Cell.
MAINTENANCE
Expected Maintenance
Monitor your pool’s salinity level as frequently as you check your other water chemistry levels. After the system has run for a time, your Cell will eventually need to be cleaned due to natural mineral scaling. The system will notify you of this by turning on the “Cell Maint.” light. When illuminated, follow the cleaning instructions below.
IMPORTANT: The frequency of cleaning depends on your water chemistry and the Saturation Index of the water. For most people, cleaning is only necessary a handful of times per season. More rapid mineral build up is sure sign of a chronically high Saturation Index; it is possible for imbalanced chemistry to cause scaling to occur quite rapidly. Consult a pool professional for additional help.
Cleaning the Electrolytic Cell
Once substantial deposits have built up on the titanium plates in the Cell, the “Cell Maint” LED will illuminate, and the mineral scaling must be removed. The Cell may require cleaning even if debris or build-up is not immediately visible to the eye. If the “Cell Maint” LED is on, it typically means the Cell must be cleaned.
CAUTION: When cleaning the Cell always wear adequate protection, such as rubber gloves and eye protection. Always add acid to water, do not add water to acid. Always work in a well-ventilated area. Splashing or spilling acid can cause severe personal injury and/or property damage.
WARNING: Do not insert anything or use metal or other hard objects to clean the cell, this will void the warranty.
IMPORTANT: If mineral build-up is severe, more than one cleaning may be necessary to dissolve remaining solids. Inspect Cell plates closely with a bright light after cleaning. If you can see any remaining scaling, debris, or physical blockages through Cell, repeat the cleaning process as needed. If “Cell Maint.” comes back on soon after cleaning (check a few minutes after restoring power): 1) verify salinity is in range; 2) ensure Cell is completely full of water during operation; 3) verify system’s cell version setting; and then 4) clean Cell again.
Before removing the Cell for cleaning or replacement:
- Turn off all power to all pool equipment, close supply line valves if applicable.
- Unplug the Cell cable connecting the Cell to the Control Module.
- Disconnect the Cell by unscrewing the Threaded Collars around the unions where the Cell attaches to the plumbing.
- Remove entire Cell from between the unions. DO NOT pull or hold the Cell by its cable.
To clean the Cell of mineral buildup:
- Attach Cleaning Cap or Cleaning Stand (sold separately, available at www.circupool.com) and orient the Cell vertically. Place on the ground and stabilize so as to remain upright and prevent spilling.
- In a separate bucket, mix one part muriatic acid into four parts water. Pour this weak acid solution directly into Cell. Ensure that the cleaning solution COMPLETELY covers the components the inside of the Cell.
- Wait for foaming to stop. Allow solution to soak for no more than fifteen minutes.
- Properly dispose of acid solution, and use a hose to generously flush any remaining debris out of the Cell.
- Look inside the cell to check that no debris or scaling remains. Repeat steps 2-4 if necessary.
- Reinstall Cell into PVC return line.
Note: if you don’t currently have a Cleaning Cap or Cleaning Stand, you can completely immerse the cell body in a five-gallon bucket. For instructions, see guides listed under www.circupool.com/help
General Maintenance
Winterizing
Very little chlorine is necessary at low temperatures. The UNIVERSAL-Series will not produce chlorine at very cold temperatures, especially below 50° F. This feature extends the lifespan of the Cell. The system will resume operation once temperatures rise near 55°F. Additionally, winter Bypass Cells are available, which allow you to continue to run water through the plumbing without the Electrolytic Cell in place. (sold separately, available at www.circupool.com)
If you “close” your pool for the winter, you can continue to follow all standard procedures for your local area. The Electrolytic Cell will be damaged by freezing water just as your pool plumbing would. In areas which experience severe or extended periods of freezing temperatures, be sure to drain all water from the pump, filter, supply and return lines before any freezing conditions occur. The Control Module is capable of withstanding any winter weather and does not need to be removed.
Spring Start-up
When opening the pool after a period of inactivity, do not power on and use the chlorine generator until the pool’s water chemistry has been balanced and brought to ideal levels. Salt must be added if water has been drained over the winter.
Replacing the Cell
When the titanium blades inside the Electrolytic Cell have reached the end of their lifespan, replacements are readily available so that the whole system does not have to be replaced. Replacements are easily switched out. To ensure quality and value, only genuine CircuPool replacement parts may be used.
INSTALLATION
IMPORTANT: If you haven’t already done so, it is necessary to balance the pool’s water chemistry before the UNIVERSAL-Series is powered on and used. See pages 6 – 8 for more information. The following are guidelines for the typical installation using 2” plumbing, which should be performed by a qualified individual. If 1.5” plumbing is present, reducers can be used to adapt the system; be sure to note the changes to any listed measurements or dimensions that the addition of reducers may cause. Your installation may vary depending on space available and your specific arrangement of equipment. Double check each measurement before cutting.
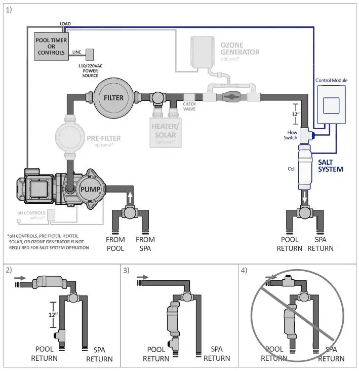
Overview

Above are common installation configurations (#1-3). Be sure to avoid any configuration that may potentially allow water to pass through the Flow Switch, but not the cell (#4). The main components of the UNIVERSAL-Series are the Control Module, Electrolytic Cell, and Flow Switch.
- CAUTION: Ensure that the pool pump and all electrical power are turned off before installation.
- TIP: Lay out your equipment and wiring to confirm placement and measurements first before cutting and gluing.
- TIP: Be sure to clean & smooth cut pipe. When gluing PVC, parts will slip in place easier once glue is applied. Be sure to apply firm, constant pressure between both glued parts for up to a minute to prevent potential slippage.
Installing the Electrolytic Cell and Flow Switch
The Cell and Flow Switch are to be fitted into the return line as the last pieces of equipment the water passes through before returning to the pool: always after the pump, filter, heater (if applicable), etc. If a heater is present, all equipment must be a minimum distance away, per heater manufacturer recommendations. Refer to the overview diagram on page 14 for alternate configurations. For combined pool and spa systems with a spillover, configurations #2 or #3 allow chlorination for both the pool and spa during spillover but preventing possible over-chlorination when operating the spa only. Vertical Installation Kits are also available to minimize the plumbing space required and increase ease of installation (sold separately, available at www.circupool.com).
IMPORTANT: These instructions are for 2” plumbing (typical). Be sure to select the Cell Unions that match the existing pool plumbing size (1 ½” or 2”), and discard the other unneeded Unions. For installations using 1 ½” Cell Unions, you will also use the included 2″-to-1 ½” reducer bushings to adapt the Flow Switch. For 1 ½” installations, be sure to note any new or additional measurements before cutting pipe.
- Lay out your equipment to ensure there is enough pipe space available; the Cell with unions is 15 ¾” in length, and the Flow Switch is 4” in length.
- On the pipe where the Cell will be installed, mark two lines 13 ¾” apart and then cut the pipe (for 2” plumbing).
- Unscrew and removed Threaded Collars from Cell. Slide these over the pipe on each side of the cut, then glue each Union to the cut pipe. Ensure O-Rings are in place on Unions.
- TIP: Glue one Union first, then when gluing second Union use Cell body to gauge the final distance need between each Union; make small adjustments to second union’s slip connection while glue is still wet.
- Only after the glue has fully cured, place the Cell into the opening between Unions and tighten the Threaded Collars (by hand only) to ensure that the Cell fits securely in place. DO NOT OVER-TIGHTEN.
- When positioning the Cell, you can consider the side of the cell with the cord the “inlet” side. If installed horizontally, ensure that the wire-side faces upwards.
- Install the Flow Switch next to the Cell. Ensure that any excess glue does not become contact with movable switch.
- IMPORTANT: When positioning the Flow Switch, there must be at least 6 to 12” (30cm) of straight pipe before the Flow Switch. If installed after the Electrolytic Cell, the Cell can be counted as straight pipe.
- To ensure proper operation, verify that the arrow on the flow switch (located on the black plastic) points in the direction of water flow; the water flow must depress the hinged activator inside of the Flow Switch.
- If installed horizontally, ensure that the black plastic wire portion faces upwards. This portion is threaded and can be turned during service to align arrow with water flow; additional thread seal tape may be added if necessary.
- When plumbing, the Flow Switch’s internal dimensions will add at least 1 ¼” if pipe is fully inserted into its slip connections.
NOTE: When using a Variable-Speed or Multi-Speed pump on a low speed setting, or for general circumstances where flow is less-than-adequate, the cell must be inverted in order to ensure adequate flow & efficient chlorine production.
Installing the Control Module
Mount the Control Module as close to the pump and filtration system as possible. For safety concerns, do not install the Control Module within 10 feet of the pool edges, and follow all applicable codes. Verify that the Cell and Flow Switch cables can reach the Control Module from the section of pipe selected for plumbing. The Module is fully rated for outdoor use; common sense considerations such as minimizing direct exposure to rain, sunlight, water runoff, and lawn sprinkler systems will enhance longevity. As with most electronics, avoid placing the controls above a heater or in tightly enclosed or insulated spaces to avoid a build-up of excess heat. Using screws, secure the Control Module’s mounting bracket at a comfortable level on a wall or vertical support, at least 3 feet above ground level. Hang Controls on bracket.
Wiring
CAUTION: Power must be shut off at the circuit breaker before performing any wiring. Be sure to follow local and NEC/CEC electrical codes. The system has been designed to easily wire into typical in-ground pool systems. To provide safe operation, the unit must be properly grounded and bonded. For operation, the Control Module may be wired in to the pump’s power source so that both turn on and off together, or energized continuously for use with variable speed pumps (Flow switch will control Cell power but lights will remain on).
Bonding:
A lug used for attaching a bonding ground is located on the bottom of the UNIVERSAL-Series Control Module. The Control Module must be bonded with an 8 AWG bare copper wire to the pool bonding system.
Electrolytic Cell and Flow Switch Connections:
The Cell and Flow Switch cables have easy plug-in connectors, which attach easily to the Control Module. Refer to the diagram below for the location of these connections. Carefully align each connector to avoid damage.
Wiring to Power Source:
Always double-check the voltage of your power source. Connection to improper voltage can: a) cause severe damage/harm, or b) cause lights and screen to power on without system function. The UNIVERSAL-Series is shipped from the factory with a 240 VAC configuration. If 120VAC is needed, move the internal jumpers as shown on page 18 (the white wire on the power cord becomes neutral). If unsure, seek professional advice. The Control Module comes with an un-terminated Power Cord (AC Input) which is typically connected to an external timer, which will turn the pump and Control Module on and off together. Have the Control Module wired to the load side of the timer by a qualified person. See the following diagram for typical wiring.
In some parts of the United States and Canada, the Control Module must be connected to a circuit protected by a Class A ground fault interrupter (GFI). Check local codes before connecting.
For use with Variable Speed Pumps: When used with variable-speed or other electronically controlled pumps, you may wish to wire the Control Module directly to your power source. This will allow the pump to determine when the Cell is energized or dormant by activation of the Flow Switch.
Power Protection Mechanisms:
The Control Module has two power protection mechanisms, an external Fuse Reset button (located on underside of unit); and an internal, replaceable ATO “blade-type” fuse (located inside the unit). If the Control Module has input power, but displays no power, press the external Fuse Reset button. If power is not restored, replace the internal ATO fuse. At this point, this installation of your equipment is complete. If the water has not yet been prepared, then you are ready to begin adding salt and balancing your water chemistry, see pages 6-8. Turn the Control Module to the Power Off mode until enough salt has been dissolved in the water.
VOLTAGE CONVERSION
Always double-check the voltage of your power source. Connection to improper voltage can: a) cause severe damage/harm, or b) cause lights and screen to power on without system function. All service should only be attempted by a person with appropriate electrical skills, with all equipment disconnected from power. The UNIVERSAL Series is shipped from the factory with a 240 VAC configuration unless specially ordered. If 120VAC is needed, move the internal jumpers as shown below. If unsure, seek professional advice.
This set of terminal screws can be located inside of the Control Module, and accessed by removing the two screws from the front panel of the Control Module’s display. The factory voltage setting is the 240V configuration, with a jumper clip inserted between the second and third terminals. The Control Module can be made to accept 110V by reconfiguring the jumper clips as shown above right, with two jumper clips instead connecting the first & second terminals, and the third & fourth terminals.
NOTE: Only jumper clips should be moved or reconfigured. No wires should be moved or loosened. Ensure all connections are tight before returning unit to service.
INSTALLATION CHECKLIST
- Cell Unions installed and glued into pipe work.
- Threaded Collars on either side of the Cell are hand tight.
- Flow Switch is installed and oriented properly.
- Control Module is affixed to wall and wired correctly.
- Cell Cable and Flow Switch are connected to Control Module.
- You have checked and confirmed that Control Module switches ON and OFF concurrently with filter pump, or is energized continuously for use with variable speed pump.
- You have checked all connections and joints for leaks.
- Sufficient salt has been added and fully dissolved and circulated throughout pool water.
- Pool has properly balanced water chemistry.
HELPFUL HINTS
For more detailed information and useful tips, visit www.circupool.com/help. Proper operation of the chlorine generator can be easily verified by checking the lights on the control panel. However, if the pool remains cloudy, or the chlorine residual tests low, then the chlorine being produced is being lost due to high chlorine demand or improper water conditions. To reduce the chlorine demand, check the pH and Stabilizer (Cyanuric Acid) readings. Check for phosphates and nitrates, which commonly contribute to severe chlorine demand. If tests show correct, then a shock treatment with an oxidizer agent is advised. Generally, super chlorination is not necessary if the pool is maintained at correct levels.
Recommendations and Helpful Hints:
Recommended List
- Read and keep your manual in a safe place.
- Increase Chlorine Production when temperature goes up.
- Increase Chlorine Production when number of guests goes up.
- Use Stabilizer (Cyanuric Acid) to protect free chlorine in pool.
- Mount Control Module in shade or out of the direct sunlight whenever possible.
- Decrease Chlorine Production when temperature goes down.
- Take pool water sample to a Pool Professional at least once per month.
Not Recommended List
- Do not allow fertilizer anywhere near your pool. Fertilizers are one of many sources that contain Nitrates or Phosphates which cause severe chlorine demand in pool water.
- Never use dry acid to adjust pH. A build-up of by-products can damage the Cell.
- Do not add any chemicals (including salt) to the skimmers.
- Do not let salinity level drop below 3000 ppm.
Definitions:
Algae
Plant-like organisms which grow in water. Especially active in summer conditions, where chlorine disinfectant level is too low to destroy them. Algae may be green, brown, pink, or black (Black Spot) in color.
Chlorine Demand
The amount of chlorine that should be added to the water to provide proper bacteria and algae control.
Chlorine Residual
The amount of chlorine left over, after the “demand” has been met.
Combined Chlorine
Weak chlorine which is combined with the contaminants in the water.
Free Chlorine
Active chlorine in the water with the potency to destroy contaminants.
Shock Treatment
The removal by means of oxidation of those materials that have chlorine demand.
Super chlorination
An extra large amount of chlorine added to the water.
TROUBLESHOOTING


- For more information or troubleshooting, visit www.circupool.com/help

CIRCUPOOL LIMITED WARRANTY
CircuPool UNIVERSAL Series / Si Series Electronic Chlorine Generators carry the following Limited Warranty should failure occur due to faulty manufacture or materials, during normal use and service. For residential use, the manufacturer warrants to the original purchaser that the equipment shall be free of manufacturer’s defects at the time of sale, and upon examination shall provide replacement parts in accordance with the following schedule:
- Year One – No charge for parts.
- Year Two – Parts supplied at 25% of base price.
- Year Three – Parts supplied at 50% of base price.
- Year Four – Parts supplied at 70% of base price.
For Commercial use (any pool that is not for private single-family use, or the use of which is subject to regulation), parts are warranted against defect for a period of one year.
This limited warranty is subject to the following terms, conditions, and exclusions:
- To obtain the benefits of this warranty, contact the warranty department for troubleshooting. You may obtain current contact information at www.circupool.com/help. Warranty claims must be initiated in a timely manner. Upon discovery of a defect, the warranty department will issue a Return Merchandise Authorization (RMA) and defective items and parts are to be shipped by customer to an authorized service representative, freight prepaid. Upon examination, the determination of the cause of failure shall be made solely by CircuPool Products. The date upon which the claim is submitted, and an RMA is issued shall solely serve to determine at what point the claim falls within the schedule of warranty proration, in comparison with the original purchase date. No packages will be accepted without a RMA number.
- Should a defect in any item or part covered by the warranty become evident during the warranty’s term, CircuPool Products will at its sole discretion repair or replace such item or part. CircuPool Products reserves the right to replace defective parts with new or refurbished parts. This warranty does not include the cost of labor or transportation charges for equipment or component parts to or from CircuPool Products, or the removal, reinstallation, or any such costs incurred in obtaining warranty replacements or repairs.
- This warranty extends to the original retail purchaser and original installation site only, beginning at the original date of purchase, and is non-transferable.
- The warranty contains the following exclusions. O-Rings, rubber gaskets and seals, electrical fuses, and circuit-breaker components are normal replacement items subject to wear and are excluded from the warranty. Product discoloration, or any other cosmetic or superficial damage or deterioration, regardless of its cause, is not covered by this warranty. The warranty is not applicable to problems arising from circumstances outside the control of CircuPool
Products, including, but not limited to the following:
- A. Damage or premature wear due to improper pool chemistry, and failure to maintain pool water chemistry in accordance with the recommendations contained in the owner’s manual.
- B. Damage due to improper installation or connection to improper voltages, including materials and workmanship supplied by others.
- C. Damage due to negligence or failure to properly maintain equipment, including operation with insufficient water flow or the maintenance of clean and tight electrical connections.
- D. Damage due to improper service, as well as unauthorized equipment modifications and use of non-genuine replacement parts.
- E. Damage due to misapplication, misuse, abuse, or failure to operate equipment as specified in the owner’s manual.
- F. Problems resulting from tampering, accident, fire, flood, freezing, lightning, insects, or other natural elements, or other circumstances beyond the control of CircuPool Products.
- G. Damage due to over-tightening of threaded components or excessive pressure or stress.
The liability of CircuPool Products shall not exceed the repair or replacement of defective items or parts under the referenced limited warranty terms. There are no implied warranties of merchantability or fitness for a particular purpose that apply to this equipment. Under no circumstances shall CircuPool Products, its agents, employees, and affiliates be liable for any loss, damage, injury, inconvenience or loss of time, incidental expenses such as labor and material charges, or any other incidental, or consequential damages, which may result from the use, installation, removal, or reinstallation of its equipment and parts. This warranty is valid only in the United States of America. This warranty gives you specific legal rights and you may also have other rights, which vary from state to state. This warranty supersedes all previous publications. Any dispute between the original purchaser and CircuPool Products will be settled by binding arbitration, conducted in Harris County, Texas, under the rules of the American Arbitration Association. CircuPool Products (888)-206-9938 www.circupool.com/help

















