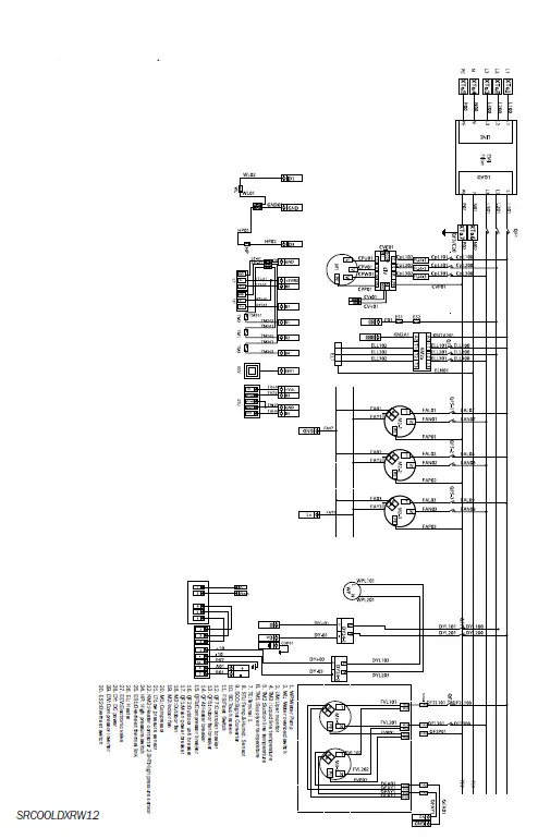
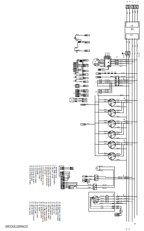
Tripp-lite SRCOOLDXRW12 In-Row Precision Air Conditioning System
Important Safety Information
SAVE THESE INSTRUCTIONS
Prior to installation, operation, maintenance, or servicing of this equipment, read this manual thoroughly.
Only qualified personnel may install, operate, maintain and service this equipment.
CAUTION
This appliance is not intended for use by persons (including children) with reduced physical, sensory or mental capabilities, or lack of experience and knowledge, unless they have been given supervision or instruction concerning the use of the appliance by a person responsible for their safety. Children should be supervised to ensure that they do not play with the appliance. This appliance is classified as APPLIANCE NOT ACCESSIBLE TO THE GENERAL PUBLIC. If the supply cord is damaged, it must be replaced by the manufacturer, its service agent or similarly qualified persons in order to avoid a hazard. The appliance shall be installed in accordance with national wiring regulations The user must install a user-supplied residual current device (RCD) with an all-pole disconnection device with at least 0.118 in. (3 mm) separation distance and a rating of above 10mA into the fixed wiring according to national and local electrical codes.
Explanation of Symbols
The following symbols illustrate messages to warn of potential danger and the need for caution and attention.
- This symbol indicates that with failure to comply with the instructions, there will be a risk of electric shock resulting in injury, as noted in the “DANGER” or “WARNING” safety labels.
- This is a safety alert symbol used to warn of potential personal injury hazards. Follow all safety information to avoid personal injury or death.
- DANGER indicates an imminently hazardous situation which, if not avoided, will result in death or serious injury.
- WARNING indicates a potentially hazardous situation which, if not avoided, can result in death or serious injury.
- CAUTION indicates a potentially hazardous situation which, if not avoided, can result in minor or moderate injury.
- NOTICE addresses practices not related to physical injury including certain environmental hazards, potential damage or loss of data.
Handling Information
Read handling information prior to installing, operating, servicing or maintaining the equipment. Comply with local regulations and laws when handling refrigerant.
DANGER
Hazard of electric shock, explosion or arc flash
- Apply appropriate personal protective equipment (PPE) and follow safe electrical work practices.
- This equipment must be installed and serviced by qualified HVAC personnel only.
- Comply with all local and national wiring and safety regulations applicable where unit will be installed, e.g. National Electric Code (NEC) in the United States.
- Turn off all power supplying this equipment before working on or inside of the equipment.
- Always use a properly rated voltage sensing device to confirm power is off.
- Replace all devices, doors and covers before turning on power to this equipment.
- This appliance is not intended for use by persons (including children) with reduced physical, sensory or mental capabilities, or lack of experience and knowledge, unless they have been given supervision or instruction concerning the use of the appliance by a person responsible for their safety. Children should be supervised to ensure that they do not play with the appliance. Failure to observe this warning may result in death or serious injury.
WARNING
Hazard from moving parts
- Keep hands, clothing, and jewelry away from moving parts. Check the equipment for foreign objects before closing the doors and starting the equipment.
- Failure to observe this warning may result in death or serious injury.
CAUTION
Hazard to equipment or personnel
- All work must be performed only by qualified personnel.
- Failure to observe this warning may result in death or serious injury.
WARNING
Hazard of equipment falling over
- Use two or more persons at all times to move or turn this equipment.
- Always push, pull, or turn while facing the front and rear of this equipment. Never push pull, or turn while facing the sides of this equipment.
- Slowly move this equipment across uneven surfaces or door thresholds.
- Lower leveling feet to floor when this equipment is at rest.
- Lower leveling feet and attach joining brackets to adjacent racks when this equipment is in final position. Failure to observe this warning may result in serious injury or equipment damage.
CAUTION
Hazard to equipment or personnel
- Make sure no spare parts or tools are in the equipment before handling the equipment.
- Do not operate unit without the air filter. This may cause dust accumulation that can damage the unit. Failure to observe this warning may result in serious injury or equipment damage.
- Refrigerants are high pressure and a hazard to equipment
- This unit operates under high pressure. Observe proper safety precautions when operating or servicing the unit.
- The equipment is to be charged with R-410A refrigerant only.
- Copper pipe must support minimum 55 bar pressure.
- Failure to observe this warning may result in serious injury or equipment damage.
The SRCOOLDXRW12 and SRCOOLDXRW25 In-Row Air Conditioning Systems are precision, split type, DX, air-cooled systems.
They require copper piping connections to bridge the In-Row Cooler (indoor) with the condenser (outdoor). No ductwork
or raised floor is required. As a result, these are dedicated cooling systems, meaning the design enables them to operate independently of the building’s HVAC/comfort cooling system.
The system requires charging with R-410A refrigerant.
Notes:
- These are cooling-only devices with no heating capability.
- In-Row Coolers shall be spaced properly to provide coverage across all rack enclosures. Ensure the total number and placement of all coolers adheres to the redundancy model required as per customer design. Typical redundancy is n+1.
- Install the In-Row Cooler either on a solid surface or a raised floor. Ensure the floor is level.
- The In-Row Cooler design is for data centers and other cleanroom applications. It is not intended for harsh or dirty environments.
In-Row Cooler Installation
- For maximum cooling performance in humid environments, install vapor barriers on walls and floors to ensure the cooler is generating the highest amount of sensible vs. latent cooling.
- This product is rated for 64.0 to 98.6°F (17.7 to 37°C), 20 to 80% RH indoor temperature and 14 to 95°F (-10 to 35°C) outdoor temperature. The system continues operating when the outdoor temperature is up to 113°F (45°C), but at reduced cooling capacity and efficiency. The system is protected for temperatures above 113°F (45°C). Contact the manufacturer if over range.
The minimum/maximum air temperature test was conducted at 55°F (12.8°C) indoor temperature and 5°F (-15°C) outdoor temperature / 116.6°F (47°C) indoor temperature and113°F (45°C) outdoor temperature for cooling mode. - GWP for R410A (R32/125: 50/50): 2087.5.
Unpacking
Refer to the unpacking guide attached to the outside of the In-Row Cooler container.
Note: Retain the shipping brackets attached to the In-Row Cooler if the installation will be anchored to the floor.
Side Air Discharge
CAUTION: Remove the front air block (if installed flush) or install perforated side panels (if installed protruded) before turning on the In-Row Cooler. Failure to do so will result in damage to the In-Row Cooler. The In-Row Cooler ships with both the solid front door air block and the solid side discharge panels pre-installed. Configure the air discharge according the following table.
Table: Air Discharge Configurations
| Front of In-Row Cooler Alignment | Front Door Airblock | Side Airblock Type |
| Flush, front-only discharge | Removed | Solid panels |
| Protruded, side-only discharge | Installed | Perforated panels |
| Protruded, front and side discharge | Removed | Perforated panels |

- Figure 2-1: Perforated side panels installed, front airblock installed.
- Figure 2-2: Solid side panels installed, front airblock removed.
Placement Clearance
Using its casters, install the In-Row Cooler beside a rack enclosure. Ensure the installation area has sufficient clearance for both airflow and maintenance and repair. Refer to Figure 2-3: Installation Clearance Requirements below. 
If installing the cooling unit at the end of a row, a minimum of 19 in. (460 mm) clearance is needed on the side for servicing. Adjust the leveling feet to ensure the entire unit is level for proper condensate drainage. Secure the unit directly to the adjacent rack enclosure using baying brackets. For installation next to Tripp Lite racks, use the Z-shaped baying brackets included with the cooler. Refer to Protruded (left) and Flush (right) installation diagram below. 
Condenser Installation (Outdoor Unit)
Note: Avoid installing the condenser in areas with excess heat, dust or debris. Refer to local codes and regulations for proper reinforcement for high wind areas. The maximum outdoor operating temperature is 110ºF (43ºC).
Condenser Elevation and Distance
Confirm that the vertical distance between the condenser and In-Row Cooler is within the range listed in the Condenser Elevation Installation Limits table. Take measurements from the bottom surface (excluding legs) of the condenser to the bottom surface of the In-Row Cooler.
Table: Condenser Elevation Installation Limits
| Type | Vertical height value |
| Positive (condenser higher than indoor unit) | Max: +65 ft. (20 m), bottom-to-bottom |
| Negative (condenser lower than indoor unit) | Max: -16 ft. (-5 m) |
Attach Supplied Lifting Brackets and Screws to Condenser 
Note: After removing the lifting brackets, save the screws; they will be used to attach the condenser’s legs at a later time (refer to section 3.4 Condenser Leg Installation for more information).
Lifting Crane
If the condenser will be installed on a rooftop, a lifting crane may be required.
Condenser Leg Installation
If necessary, install the mounting support legs (SRCOOLDXRW25 horizontal mount only). 
Mounting Clearance
Place the condenser on its base and into position. Ensure the installation area has sufficient clearance for both airflow and maintenance and repair. Refer to following Figures 3-4A and 3-4B. 

Anchor the condenser using expansion bolts according to the hole locations shown in the “Condenser Mounting Interface” figures below. 


Condenser Pad
If installing the condenser on the ground, provide a cement pad that extends at least 2 in. (50 mm) from all sides of the condenser.
Note: For colder weather installations, make sure to keep the condenser off of the ground. Refer to local codes for pad height and other condenser pad requirements.
Piping Installation
Note: The cooling system shall be installed by a professional HVAC installer and in accordance with local codes and regulation. The In-Row Cooler accepts either top or bottom connections.
Table: Unit Connections
| Model | SRCOOLDXRW12 | SRCOOLDXRW25 |
| Refrigerant Discharge | 5/8 in. (16 mm) | 5/8 in. (16 mm) |
| Refrigerant Liquid | 1/2 in. (12 mm) | 5/8 in. (16 mm) |
Notes:
- It is good practice to install isolation valves near the In-Row Cooler on both the discharge and liquid piping for easy removal. Isolation valves are not included with the system.
- For outdoor operating temperatures less than -4°F (-20°C), install the Low Temperature Kit (SRCOOLDXRWLTKIT) according to the instructions provided with the kit.

- Pitch the discharge piping down and away from the In-Row Cooler at a decline of 1 in. per 10 ft. (10 mm per 1 m).
- Use Type L ACR copper tubing.
- Install tube supports where necessary.
- When passing piping through a wall or other obstacle, use a brass cushion to prevent direct contact with the wall when vibration occurs.
- Insulate the liquid line to prevent exposure to direct sunlight.
Notice: the trap locations in Figure 4-2: Piping Trap Examples below. Traps installed in the discharge and liquid piping prevent liquid backflow to the In-Row Cooler and help retain compressor oil when in standby or powered off. 
Whenever the condenser is located above the In-Row Cooler:
- Install a P-trap at the lowest-pitched point of the horizontal discharge piping.
- Install inverted traps or check valves at the condenser inlet and outlet.
- Install an S-trap every 20 ft. (6 m) of vertical height of the discharge piping when the installation vertical height is over 30 ft.(10 m). Refer to the Vertical Discharge Piping S-Traps table.
Table: Vertical Discharge Piping S-Traps
| Vertical Distance | Number of Traps |
| Less than 30 ft. (10 m) | 0 |
| 30 to 40 ft. (10 to 12 m) | 1 |
| 40 to 60 ft. (12 to 18 m) | 2 |
| 60 to 65 ft. (18 to 20 m) | 3 |
Note: Calculate the number of inverted traps from the total vertical height, not per individual vertical run. For example, two vertical runs of 18 ft. each is a total of 36 ft., which requires one inverted trap. Using the Equivalent Length of the Sub-Assembly table, multiply the equivalent length of each elbow type by the total quantity of each elbow, based off Table: Recommended Piping Diameters.
Recommended Piping Diameters
Based on the proposed piping layout and the actual locations of both the In-Row Cooler and the condenser, calculate the total equivalent piping distance, including bends and traps, to determine the necessary piping diameters.
Note: For equivalent piping lengths longer than 100 ft. (30 m), use the long piping kit (SRCOOLLONGPKIT). Look up the recommended piping diameters for both the discharge and liquid piping using the Table: Recommended Piping Diameters.
Table: Recommended Piping Diameters (Use Type L ACR Copper Tubing)
| Discharge horizontal | Discharge vertical | Liquid line | |
| Equivalent length | 0 to 32.5 ft. (0 to 10 m) | ||
| SRCOOLDXRW12 | 5/8″ | 5/8″ | 1/2″ |
| SRCOOLDXRW25 | 7/8″ | 7/8″ | 1/2″ |
| Equivalent length | 32.5 to 65 ft. (10 to 20 m) | ||
| SRCOOLDXRW12 | 5/8″ | 5/8″ | 1/2″ |
| SRCOOLDXRW25 | 7/8″ | 7/8″ | 1/2″ |
| Equivalent length | 65 to 100 ft. (20 to 30 m) | ||
| SRCOOLDXRW12 | 3/4″ | 5/8″ | 1/2″ |
| SRCOOLDXRW25 | 7/8″ | 3/4″ | 5/8″ |
Note: Installations at distances greater than 30 m (100 ft.) require using the Long Pipe Kit (SRCOOLLONGPKIT).
| Equivalent length | 100 to 130 ft. (30 to 40 m) | ||
| SRCOOLDXRW12 | 3/4″ | 5/8″ | 5/8″ |
| SRCOOLDXRW25 | 1″ | 7/8″ | 5/8″ |
| Equivalent length | 130 to 165 ft. (40 to 50 m) | ||
| SRCOOLDXRW12 | 7/8″ | 3/4″ | 5/8″ |
| SRCOOLDXRW25 | 1″ | 7/8″ | 5/8″ |
| Maximum equivalent length | 165 to 200 ft. (50 to 60 m) | ||
| SRCOOLDXRW12 | 7/8″ | 3/4″ | 5/8″ |
| SRCOOLDXRW25 | 1″ | 7/8″ | 3/4″ |
Note: For an equivalent distance greater than 32.5 ft., the vertical discharge piping is generally one size smaller than the horizontal to improve velocity.
Table: Equivalent Length of the Sub-Assembly with the Following Piping Turns/Angles
| Piping Diameter (in.) | Equivalent Length | ||
| Elbow 90° | Elbow 45° | T-Piece | |
| 3/8 | 0.7 ft. (0.21 m) | 0.3 ft. (0.1 m) | 2.5 ft. (0.76 m) |
| 1/2 | 0.8 ft. (0.24 m) | 0.4 ft. (0.12 m) | 2.5 ft. (0.76 m) |
| 5/8 | 0.9 ft. (0.27 m) | 0.5 ft. (0.15 m) | 2.5 ft. (0.76 m) |
| 3/4 | 1 ft. (0.3 m) | 0.6 ft. (0.18 m) | 2.5 ft. (0.76 m) |
| 7/8 | 1.4 ft. (0.44 m) | 0.8 ft. (0.24 m) | 3.6 ft. (1.1 m) |
| 1 | 1.6 ft. (0.5 m) | 0.9 ft. (0.27 m) | 4.1 ft. (1.25 m) |
| 1-1/8 | 1.8 ft. (0.56 m) | 1 ft. (0.3 m) | 4.6 ft. (1.4 m) |
Condensate Drainage
- Ensure there is access to a nearby water drain for the condensate management system.
- The In-Row Cooler comes preinstalled with a condensate management system and ships with condensate tubing.
- Connect the drain tube to the In-Row Cooler (see Table: Drain connection information) from either the top or the bottom.
Table: Drain connection information – SRCOOLDXRW12, SRCOOLDXRW25
| Connection Size | 1/4 in. |
| Drain Tube Length | 13 ft. (4 m) |
| Max Flow | 2.4 gal/h (9 L/h) |
| Maximum Lift | 26.5 ft. (8 m)* |
| Maximum Distance | 150 ft. (45 m)* |
Note: 1 foot of lift equals 10 feet of distance.
- Pitch the discharge piping down and away from the In-Row Cooler at a decline of 1 in. per 10 ft. (10 mm per 1 m)
- Ensure not to expose the drain tube to freezing temperatures
- Perform a test with water to ensure the drainage system is working properly
Electrical Installation
Notes:
- All electrical connections shall be performed by a qualified electrician and must comply with local codes and regulations.
- The In-Row Cooler supplies power to the condenser.
- The In-Row Cooler accepts both delta and wye connections.
Disconnect power at the source prior to making electrical connections. Supply power to the In-Row Cooler according to its nameplate. Cable size should meet the electrical requirements.
Table: In-Row Cooler Nameplate Power Information
| Model | SRCOOLDXRW12: In-Row Cooler + Condenser | SRCOOLOXRW25: In-Row Cooler + Condenser |
| Voltage | 208V | 208V |
| Phase | 3ph | 3ph |
| Frequency | 60 Hz | 60 Hz |
| MCA (Minimum Current Ampacity) | 19A | 33A |
| MOP (Maximum Overcurrent Protection) | 25A | 50A |
| Model | SRCOOLDXRW12: Condenser Only | SRCOOLOXRW25: Condenser Only |
| Voltage | 208V | 208V |
| Phase | 1ph | 1ph |
| Frequency | 60 Hz | 60 Hz |
Table: Motor Protection Information
| Model | SRCOOLDXRW12 | SRCOOLOXRW25 |
| Main breaker | 63A 3-poles | 63A 3-poles |
| Compressor fuse | 15A | 15A |
| Compressor breaker | 32A 3-poles | 20A 3-poles |
| Indoor fan breaker | 20A 2-poles | 20A 2-poles |
| Outdoor fan fuse | — | S505-5-R (5A) |
| Outdoor fan breaker | 20A 2-poles (location indoor unit) | 20A 3-poles |

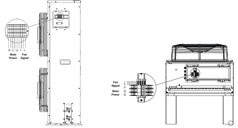
Figure 5-1a: Electrical Connections, SRCOOLDXRW12 
Figure 5-1b: Electrical Connections, SRCOOLDXRW25
Apply strain relief per Figures 5-2A and 5-2B:

Startup and Commissioning
Pre-Startup Information
Contact your service organization for official pre-startup checklist
Review the installation procedure and ensure all steps are completed properly. Ensure the room has proper vapor barrier in place.
- Visual safety inspection done ________________________________________
- Service clearances (In-Row and condensers) checked __________________
- Isolation valves installed (if specified by customer) ______________________
- All accessories installed ___________________________
- Review the electrical wiring and connections and ensure it is safe, done properly and compliant to code.
- In-Row power is within range of nameplate ______V _____ Ph _____ Hz
- Outdoor power input is within range of nameplate ______V _____ Ph _____ Hz
- Circuit breaker/fuse sizes _______________________________________
- Condenser control wiring connected _______________________
Check proper sizing and installation (including hangers and supports) of the refrigerant piping. Check for missing panels or other items and ensure professional appearance for the customer.
- Number of bends and traps recorded _________________________________
- Condenser elevation (above In-Row Cooler) recorded ___________________________________
- Piping diameters recorded ______________________________________
- Pitching of horizontal lines ___________________________________
- Piping clamps, cushioning and insulation present _________________________________
- Long piping kit is present _________________________________
- Condensate drain line routed properly _____________________________
Oil Charging
Use RL68H synthetic oils (or equivalent with the same viscosity). Calculate the additional amount according to the following formula:
For pipe length up to but not exceeding 33 ft. (10 m):
| Liquid Pipe Diameter (in.) | Length Ratio (lb/ft) |
| 3/8 | 0.039 |
| 1/2 | 0.075 |
| 5/8 | 0.122 |
| 3/4 | 0.145 |
| 7/8 | 0.243 |
Note: For installations where the pipe to the condenser unit exceeds 33 ft. (10 m), the use of the SRCOOLLONGPKIT is required. Instructions for oil changing and additional refrigerant are included with the SRCOOLLONGPKIT.
Refrigerant Charging
- Pull a vacuum down to at least 200 microns (25 Pa) for 90 minutes.
- Ensure there are no leaks.
- Charge the liquid line with approximately 9.9 lb. (4.5 kg) for SRCOOLDXRW12 or 15 lb. (7 kg) for SRCOOLDXRW25 of R- 410A refrigerant.
- Start the unit and engage the compressor by setting a low initial temperature setpoint.
- Check the sight glass refrigerant level.
- Charge the suction gas line, approaching 11 lb. (5 kg) for SRCOOLDXRW12 or 17.6 lb. (8 kg) for SRCOOLDXRW25 of total charge.
- Leave the unit and compressor running for 3 minutes; check sight glass and ensure it is clear.
- Observe the sub-cooling data on the user interface. Ensure it is around 11°F (6°C); up to 18°F (10°C) is okay.
- Check pressures on the user interface:
- Low pressure: shall be 9-10 bar, depending on room temperature.
- High pressure: shall be around 26 bar. A range of 22-30 is okay, depending on the outdoor temperature.
- Check evaporation temperature: a range of 41° to 53°F (5° to 12°C) is okay. (If the return air temperature is low, such as 66°F (19°C), evaporation temperature will be on the low side; if the return air temperature is high, the evaporation temperature will also be on the high side.)
- Check the condensing temperature: if the outdoor temperature is 95°F (35°C) or higher, ensure the condensing temperature is not over 122°F (50°C).
Post-Startup Information
Contact your service organization for an official post-startup checklist
Observe any noises and check the tightness of connections. Check for proper sizing and installation (including hangers and supports) of the refrigerant lines, according to the manual. Check for missing panels or other items and ensure a professional appearance for the customer.
- Cooling is active and compressor engages ____________________
- Condenser data visible on UI ___________________________
- Total equivalent distance recorded __________________________________
- Total horizontal run ______________
- Total vertical run _______________
- Vacuum was pulled down to __________ microns, for __________ hours
- Final holding charge __________________________________________ kg/lb
- Sub-cooling data __________________________
- Low pressure ____________________________
- High pressure ____________________________
- Evap temp ____________________________
- Condensing temp ______________________
Commissioning
Each In-Row Cooler requires a minimum heat load for constant cooling operation. The total heat load for the room must be greater than ~3kW (SRCOOLDXRW12) or ~7kW (SRCOOLDXRW25). If the total heat load is lower than the minimum, the cooler will go into start/stop mode. 




















