Schneider Electric Iem3300 Series 125 A Watt-Hour Meter
iEM3300 series 125 A watt-hour meter
You can download user manuals and other documentation at www.se.com. Type iEM3000 series in the search field.
Refer to the user manual when you see the icon above.
Dimensions
![]()
![]()

- A Without communications
- B With communications
Safety precautions
![]()
![]()
DANGER
HAZARD OF ELECTRIC SHOCK, EXPLOSION, OR ARC FLASH
- Apply appropriate personal protective equipment (PPE) and follow safe electrical work practices. See NFPA 70E in the USA or applicable local standards.
- Turn off all power supplying this device before working on it.
- Always use a properly rated voltage sensing device to confirm that all power is off.
- Do not exceed the device’s ratings for maximum limits.
- Do not allow the total additive current flowing through the device to exceed 125 A.
- Do not use water or any liquid material to clean the product. Use a cleaning cloth to remove dirt. If dirt cannot be removed, contact local Technical Support representative.
Failure to follow these instructions will result in death or serious injury.
Overview
![]()
![]()


- A Communications port (see section 10)
- B Communications LED (see section 10)
- C Status LED: on / off / error
- D Energy pulse LED (200 flashes / kWh)
- E Display for measurement and
- F configuration
- G Cancel

- H Confirm

- I Scroll

- J L1 – L3, N
- K Sealing points (4)
- L Sealable covers (2)
Operation LEDs
![]()
![]()
- C Status
- D Energy pulse

| C | ![]() | |||||
| D | ||||||
| Off | On, not counting | On, counting | Internal error, counting is stopped1 | Abnormal, counting continues1 | 1See section 11 – Troubleshooting |
Installation
![]()
![]()

Wiring
![]()
![]()

Recommended cable material: Copper wire with a compatible copper lug
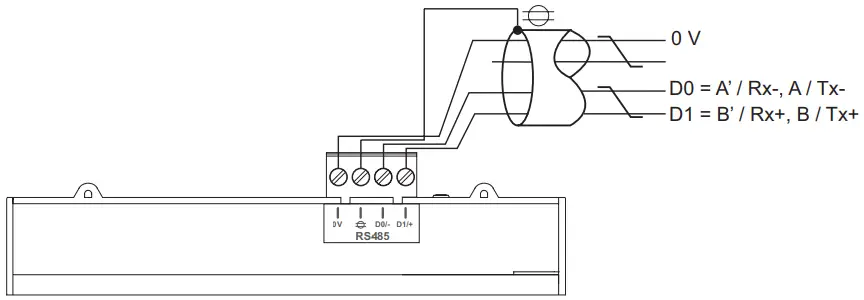
Modbus RS-485
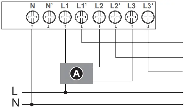
Power system wiring
![]()
![]()
A Fuses and disconnect switch
Clearly label the device’s disconnect circuit mechanism and install it within easy reach of the operator.
Fuses / circuit breakers must be:
- installed in accordance with all local and national electrical codes and standards, and
- rated for the installation voltage, available fault current, and sized for connected loads.
Fuse for neutral is required if the source neutral is not grounded.
1PH


1PH multiple load with N
DANGER
HAZARD OF ELECTRIC SHOCK, EXPLOSION, OR ARC FLASH
Do not connect N’ to the load when setting the wiring type on the meter to 1PH4W Multi L-N.
Failure to follow these instructions will result in death or serious injury.
3PH

Display overview
![]()
![]()


- A Measurement / Parameter
- B Value / Setting
- C Scroll through screens or a list of options
- D Confirm entry or access more screens
- E Cancel and go back to previous screen
- F Units
- G Configuration mode icon
- H Press and hold OK + ESC to enter configuration mode
- I List setting: Press the down arrow to select an option from a list then press OK
- K Numeric value: Press the down arrow to increment the selected digit then press OK to move to the next digit
Initial clock setting
![]()
![]()

These instructions only apply on initial power up.
Basic configuration
![]()
![]()

Navigate to the basic configuration screens shown below and perform basic setup using the down arrow and OK button (see section 6 for instructions).
- A iEM3350 only
Example configuration
Verification
![]()
![]()
After performing basic configuration, navigate to the realtime data screens and verify that the readings are correct.
Modbus communications
Communication LED
| Off: inactive | |
| Flashing: active | |
| See section 3 for the LED location |
Before you connect your meter to your network, configure the basic communications settings (see section 8).
Troubleshooting
![]()
![]()
When the LEDs indicate an error/abnormal situation, navigate to the diagnostics screen and find the diagnostics code. For instructions on navigating the display or performing configuration, see section 6. If the problem persists after following the instructions below, please contact Technical Support.
| Code | Description |
| – | LCD display is not visible. |
| – | Push buttons do not function. |
| 101 | Metering stops due to an EEPROM error. Press OK to display total energy consumption. |
| 102 | Metering stops due to a lack of a calibration table. Press OK to display total energy consumption. |
| 201 | Metering continues. Mismatch between frequency settings and frequency measurements. |
| 202 | Metering continues. Mismatch between wiring settings and wiring inputs. |
| 203 | Metering continues. Phase sequence reversed. |
| 204 | Metering continues. Total active energy negative due to incorrect voltage and current conditions. |
Specifications
Power supply
- Wye: 100 – 277 V L-N, 173 – 480 V L-L ±20%
- Delta: 173 – 480 V L-L ±20%
- Frequency: 50 Hz / 60 Hz ±10%
- Maximum voltage: 332 V L-N or 575 V L-L
- Measurement category III
- Maximum current: 125 A
- Measured current: 1 A – 125 A
- Minimum wire temperature rating required: 105 °C (221 °F)
- Voltage impedance: 6 MΩ
- Current impedance: < 0.2 mΩ
- Burden: < 10 VA at 125 A
- Uimp: 6 kV for 1.2 μs
- Utilization category: UC3
- IEC 62052-31
Installation
- Operating temperature: -25 °C (-13 °F) to +70 °C (+158 °F)
- Storage temperature: -40 °C (-40 °F) to +85 °C (185 °F)
- 5% to 95% RH non-condensing
Maximum dewpoint 50 °C (122 °F) - IP40 front panel, IP20 casing
- Altitude: ≤ 3000 m (9842 ft)
- Pollution degree 2
- Impact rating: IK08
- For indoor use only
NOTICE
Read these instructions carefully and look at the equipment to become familiar with the device before trying to install, operate, service or maintain it.
Electrical equipment should be installed, operated, serviced and maintained only by qualified personnel. No responsibility is assumed by Schneider Electric for any consequences arising out of the use of this material. A qualified person is one who has skills and knowledge related to the construction, installation, and operation of electrical equipment and has received safety training to recognize and avoid the hazards involved.
PowerLogic and Schneider Electric are trademarks or registered trademarks of Schneider Electric in France, the USA and other countries.
- This product must be installed, connected and used in compliance with prevailing standards and/or installation regulations.
- If this product is used in a manner not specified by the manufacturer, the protection provided by the product may be impaired.
- The safety of any system incorporating this product is the responsibility of the assembler/installer of the system.
As standards, specifications and designs change from time to time, always ask for confirmation of the information given in this publication.
CUSTOMER SERVICE
Schneider Electric
35 rue Joseph Monier
92500 Rueil Malmaison
France
+ 33 (0) 1 41 29 70 00
www.se.com




















