
ServicePlus S17R Series 2
User Operating Instructions
Single Channel Timeswitch
The ServicePlus S17R timeswitch will allow up to 3 ON/OFF settings per 24 hours on a weekly schedule and has a 1 hour manual boost and advance button to temporarily override current settings.
There is also a programming switch allowing permanent selection of: OFF/ON/AUTO/ALL DAY
Additionally, the ServicePlus timeswitch gives an advance warning of the annual boiler safety check due date.
The ServicePlus S17R Timeswitch
The simple instructions contained in this user guide are designed to help with the programming and operation of the unit.

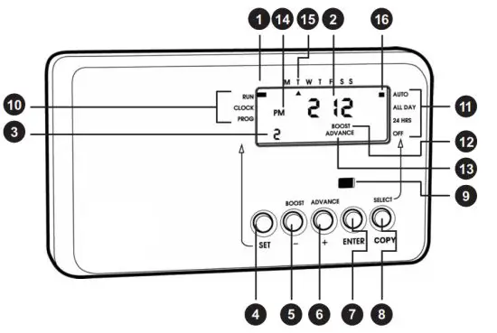
| 1. SET indicator – RUN is the normal position | 9. System ON indicator |
| 2. Time of day | 10. SET positions |
| 3. Switch period symbol | 11. PROGRAMME positions |
| 4. SET button | 12. BOOST symbol |
| 5. BOOST or adjust (-) button | 13. ADVANCE symbol |
| 6. ADVANCE or adjust (+) button | 14. AM/PM symbol |
| 7. ENTER button | 15. Day of week indicator |
| 8. SELECT or COPY button | 16. PROGRAMME indicator |
Manual Overrides
BOOST FUNCTION – 1 hour temporary override
The boost facility will allow the user to boost the system which is currently ‘OFF’ for 1 hour. To indicate the boost being activated BOOST will be shown on the display for the duration of the boost period. The system ON indicator will also be illuminated.

Advance Function – Brings forward the next on or off operation
The advance facility will allow the user to advance the system to ‘ON’ when currently ‘OFF’ or switch the system ‘OFF’ when currently ‘ON’. To indicate the advance feature being activated ADVANCE will be shown on the display until the next programme switching time. The system ON indicator will also be illuminated.

Programme Override Facilities
With the ServicePlus S17R timeswitch operating in the normal running mode it is possible to alter the functionality of the programme by means of the SELECT button.
The options include;
AUTO Timeswitch follows all programmed ‘ON’ and ‘OFF’ times.
ALL DAY Timeswitch operates from 1st ‘ON’ time until 3rd ’OFF’, ignoring all switching times in between.
24HRS Timeswitch will be constantly ‘ON’.
OFF Timeswitch will be constantly ‘OFF’, there is the ability to turn off the heating during the summer without altering the programme times. Boost is still available.
All of the settings above will be permanent, i.e. unaffected by programme times, until alteration by the user.
The diagram below illustrates how to alter the setting, it assumes that the programme is in the AUTO mode to begin with.

Setting Time of Day and Date
The ServicePlus S17R timeswitch has a built in clock and calendar. This will mean that you will need to enter the date as well as the time on initial set up or if the factory re-set has been used. Having done this, the clock will automatically adjust for BST/GMT time changes throughout the year.

Setting the On and Off Times
To alter these settings please proceed as follows:-


Default Time settings
| 1st ON | 1st OFF | 2nd ON | 2nd OFF | 3rd ON | 3rd OFF |
| 6.30AM | 8.30AM | 12.00PM | 12.00PM | 4.30PM | 10.30PM |
The default time settings shown above are preset at the factory
NB. The factory default settings for the 2nd ON/OFF times are both set at 12:00pm (midday) which cancels this ‘ON’ period giving 2 ON/OFF periods for the day. If a midday ‘ON’ period is required set the 2nd ON and OFF times accordingly. If not press ENTER twice.
Resetting the Programmer
Electronic equipment can in some circumstances be affected by electrical interference. If the programmer’s display becomes frozen or scrambled; or if you wish to revert back to the default time settings please reset by pressing the SET and SELECT buttons together as shown below.
After initial installation it is advisable, before programming the ServicePlus for the first time, to reset the unit. Resetting can only be achieved with the power ‘ON’ by pressing the SET and SELECT buttons together. This will return the programmer to the factory set default times.

General Information
Battery
The programmer is fitted with a non-rechargeable, long life battery, which will maintain the programmed time settings for a minimum of two years with the supply disconnected.
THIS SHOULD BE SUFFICIENT TO COVER POWER INTERRUPTIONS DURING THE LIFE OF THE UNIT.
During power interruptions the display will be blank; this is to prolong the battery life.
Battery Insertion
To achieve intended battery life, it should be inserted correctly by matching the polarity.
Service and Repair
This programmer is NOT user serviceable. Please do not dismantle the unit.
In the unlikely event of a fault developing please refer to the RESETTING THE PROGRAMMER section of this user guide shown on page 7. If this fails to resolve the problem please contact a local heating engineer or a qualified electrician.
Secure Meters (UK) Ltd
Secure House, Lulworth Close,
Chandler’s Ford,
Eastleigh, SO53 3TL, UK
t: +44 1962 840048 f: +44 1962 841046
www.securemeters.com
NP0 0 8 4 3 5 3 0 0 0
Part Number P84353 Issue 7



















