TIMEGUARD NTTHDA Compact Digital Heavy Duty Timeswitches

Product Information
The NTTHDA Patress Version, NTTHDS Surface Version, and NTTHDM Module Version are 24 Hour/7 Day Compact Digital Heavy Duty Timeswitches manufactured by Timeguard. The device is designed to control the switching of electrical loads up to 20A resistive and 8A inductive, including lighting, CFL lighting, fluorescent lighting, and a 1HP motor. The device is constructed as class II and operates on 230V AC 50Hz power supply.
Product Technical Specifications
- Power Supply: 230V AC 50Hz
- Construction: Class II
- Relay: 20A
- Switching Type: Normally Open for NTTHDA; Changeover for NTTHDM, NTTHDS
- LED Indicators: Red (Power), Green (Output)
- Maximum Resistive Load: 20A (4.6kW)
- Maximum Inductive Load: 8A
- Maximum LED Load: 200W
- Maximum Halogen Lighting Load: 3000W
- Maximum Fluorescent Lighting Load: 750W
- Maximum CFL Lighting Load: 100W
- Maximum Motor Load: 1HP (750W)
- Volt Free Rating: 28V DC 20A
- Load Control: Timeguard ZV900 Automatic load controller (sold separately) can increase LED load to 200W
- Operating Modes: Permanent ON or OFF, 1 or 2 hour, 24 Hr / 7 day programme times, 5+2 days, individual days
- Programming: Up to 8 programmes per day, Loop mode, and programme suspension mode
- Battery Backup: Up to 720 hours
Product Usage Instructions
- Read the installation and operating instructions carefully and retain them for future reference and maintenance.
- Ensure that the power supply is switched off before installation.
- Select the appropriate version of the timeswitch based on the installation requirements (Patress, Surface, or Module).
- Install the timeswitch in a suitable location with easy access to the electrical loads being controlled.
- Connect the electrical loads to the timeswitch as per the wiring diagram provided in the user manual.
- Set the clock on the timeswitch to the correct time and day using the buttons on the device.
- Program the timeswitch according to the requirements using the programming instructions provided in the user manual.
- Test the timeswitch by switching ON/OFF the electrical loads at different times and days as per the programmed schedule.
- If required, install the Timeguard ZV900 Automatic load controller (sold separately) to increase LED load up to 200W.
General Information
These instructions should be read carefully and retained for further reference and maintenance.
Note: Timeguard reserve the right to alter these instructions at any time. Up to date instructions will always be available for download at www.timeguard.com
Safety
- Before installation or maintenance, ensure the mains supply to the time switch is switched off and the circuit supply fuses are removed or the circuit breaker turned off.
- It is recommended that a qualified electrician is consulted or used for the installation of this time switch and install in accordance with the current IEE wiring and Building Regulations.
- Check that the total load on the circuit including when this time switch is fitted does not exceed the rating of the circuit cable, fuse or circuit breaker.
- To clean use a clean dry cloth only. Do not use liquid cleaners.
Technical Specifications
- Mains Supply: 230V AC 50Hz
- The NTTHDS is of class I construction and must be earthed.
- The NTTHDA and NTTHDM are of class II construction.
- Switch Type: 20A Relay
- Voltage free contacts
- Contact Type: Normally Open NTTHDA
- Changeover NTTHDM, NTTHDS
- Led Status Indicators: Red (Power), Green (Output)
- Operating Temperature: 0°C to +40ºC
- Switch Rating: 20A Resistive (4.6kW)
- 8A Inductive, 200W LED,
- 3000W halogen lighting,
- 750W fluorescent lighting,
- 100W CFL lighting.
- 1HP motor (750W)
- 28V DC 20A (Volt Free)
- The LED switching capabilities of this product can be increased to 200W by the addition of the Timeguard ZV900 Automatic load controller – sold separately.
- Manual Override: Permanent ON or OFF
- Boost Times: 1 or 2 hour
- Programme Modes: 24 Hr / 7 day programme times, 5+2 days, individual days. Up to 8 programmes per day. Loop mode and programme suspension mode. Power Reserve: Up to 720 hours
- Standby Consumption: <1W
- CE / UKCA Approved
- Dimensions:
- NTTHDM: H 60mm x W 60mm x D 47.6mm
- NTTHDA: H 92mm x W 92mm x D 56.2mm
- NTTHDS: H 120mm x W 74mm x D 53mm
Note not suitable for use with Discharge Lighting.
Overview

- Please note that the model NTTHDM is pictured. However, the controls apply to all models in the range.
Installation
- Ensure the mains supply is switched off and the circuit supply fuses are removed or the circuit breaker turned off.
- Follow section 4a for the NTTHDM installation, section 4b for the NTTHDA installation and section 4c for the NTTHDS installation.
Installation (NTTHDM only)
- Connect the installation wiring to the module, according to the legend printed on the rear side of the time switch, or (see section 5a. Connection Diagram).
Installation (NTTHDA only)
- Ensure the mains supply is switched off and the circuit supply fuses are removed or the circuit breaker turned off.
- Remove the two bezel fixing screws, and remove bezel from the timer module and wall plate.
- Ease the module forward without disconnecting, so you have access to the wall plate and loosen the screws on the terminal block for both supply and load cables.
- Fit the wall mounting screws through the wall plate and into the wall box threaded holes, and tighten until the wall plate is firmly fastened.
- Re-position the module back into place ensuring the time indicator is on the bottom right hand side, and the locating holes on the timer are set correctly on the pegs on the back plate.
- Re-fit the bezel over the timer module, and secure to the wall plate with the two fixing screws previously removed.
- Ensuring that the free terminals on the wall plate are at the top, terminate the 230V 50Hz supply and load cables to the terminal block ensuring correct polarity is observed and that all bare conductors are sleeved. Please note the connections are marked on the rear side of the wall plate (see section 5b. Connection Diagram).
Installation (NTTHDS only)
- Ensure the mains supply is switched off and the circuit supply fuses are removed or the circuit breaker turned off.
- Remove the terminal cover by undoing the fixing screw on the bottom of the time switch.
- Mark the position of the top wall mounting screw. Drill out the top mounting hole taking care to avoid any joists, electrical cables or water/gas pipes that may be hidden beneath the surface. Insert the rawl plug into the hole.
- Fix the top mounting screw and leave 2.5mm proud off of the wall.
- Place the key hole in the top of the product, over the screw head, and slide down.
- Mark the position of the lower mounting hole on the wall using the wall plate as a template.
- Remove the product and drill out the lower mounting hole again taking care to avoid any joists, electrical cables or water/gas pipes that may be hidden beneath the surface. Insert the rawl plug into the hole.
- The 230V 50Hz supply and load cables can enter through the rear knock outs or the front cable entry ports provided. If the rear knock outs are being used, remove the blanking plates and pass the supply and load cables through the holes.
- Place the key hole in the top of the product again, over the screw head, and slide down.
- Secure the unit to the wall using the lower mounting screw.
- If the wiring is through the front cable entry ports, use the cable clamps provided to secure the supply and load cables.
- Terminate the supply and load cables to the terminal block ensuring correct polarity is observed and that all bare conductors are sleeved. Please note the connections are marked beneath the terminal block (see section 5c. Connection Diagram).
- Secure the terminal cover back into place using the fixing screw.
Connection Diagram
Connection Diagram (NTTHDM)

- L Live Supply (Brown or Red)
- N Neutral Supply (Blue or Black)
- 1 COM (Mains or Voltage Free Input)
- 2 Normally Open
- 3 Normally Closed
Note: this device needs to be left to charge for a minimum of 15 minutes once powered up, before it will operate.
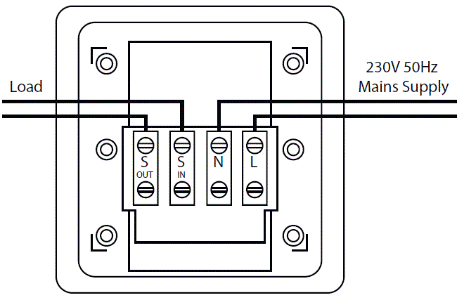
Connection Diagram (NTTHDA)
NTTHDA – 230V Mains Voltage Switching

Note: this device needs to be left to charge for a minimum of 15 minutes once powered up, before it will operate.
230V 50Hz Mains Supply
- Live (Brown or Red) to: L
- Fit a ‘Link’ or ‘Bridge’ between: L & S IN
- Neutral (Blue or Black) to: N
Load
- Switch Live (Brown or Red) to: S OUT
- Neutral (Blue or Black) to: N
NTTHDA – Voltage Free Switching

Note: this device needs to be left to charge for a minimum of 15 minutes once powered up, before it will operate.
230V 50Hz Mains Supply
- Live (Brown or Red) to: L
- Neutral (Blue or Black) to: N
Load
- Voltage free input: S IN
- Voltage free output: S OUT
Connection Diagram (NTTHDS)
NTTHDS – Mains Voltage Switching

Note: this device needs to be left to charge for a minimum of 15 minutes once powered up, before it will operate.
230V 50Hz Mains Supply
- Live (Brown or Red) to: L
- Neutral (Blue or Black) to: N
- Earth (Green/Yellow) to:

Load
- Switch Live (Brown or Red) to either;
- Normally OPEN to mains voltage appliance e.g. Immersion Heater: 2
- Normally CLOSED to mains voltage appliance e.g. Fan: 3
- Leave the ‘Link’ or ‘Bridge’ wire between: L & 1
- Neutral (Blue or Black) to: N
- Earth (Green/Yellow) to:

NTTHDS – Voltage Free Switching

Note: this device needs to be left to charge for a minimum of 15 minutes once powered up, before it will operate.
230V 50Hz Mains Supply
- Live (Brown or Red) to: L
- Neutral (Blue or Black) to: N
- Earth (Green/Yellow) to:

Load
- Remove the ‘Link’ or ‘Bridge’ from between: L & 1
- Voltage free input: 1
- Normally OPEN to voltage free output: 2
- Normally CLOSED to voltage free output: 3
Battery
- The time switch has a factory fitted rechargeable battery to give clock operation and programme memory back up during loss of mains supply.
- Before programming for the first time, connect the unit to the mains for at least 15 minutes prior to pressing the Rst button and programming the unit.
- If the display is not visible or very faint, charge for 4 hours prior to pressing Rst and programming.
Reset
The time switch must be reset before programming for th first time, or after subsequent discharge for more than 5 days, and following a 4 hour period of charging.

- Press the Rst button once using a pointed object e.g. a pencil or a paper clip.
- The display will show all characters/digits and then will clear to show the following; ASCO = Automatic Summer/Winter Change Over.
- Use the Adv/Ovr button to change between ON and OFF for the automatic summer time adjustment.
Setting the clock

- Press and hold the Time button for 3 seconds, the word Hold will show on the screen.
- After 3 seconds release the Time button and the screen will show the year;

- Use the Adv/Ovr to increase (or the Boost buttons to decrease) the value and set to the correct year.
- Press the Time button once to save the year, and the screen with show the month;
- Use the Adv/Ovr or boost button to set the correct month.
- Press the Time button once to save the month, and the screen will show the day;
- Press the Time button once to save the day, and the screen will show the time – hour first;
- Note: The hour is in 24 hour format.
- Use the Adv/Ovr or boost button to adjust to the correct hour.
- Press the Time button once to save the hour, and the minutes can be adjusted.
- Use the Adv/Ovr or boost button to adjust to the correct minutes.

- Press the Time button once to exit the Time/date entry mode.
- The display should now show the correct time/day of the week, for example;
Note: If modifications of the date or time of day is required hold down the time button for 3 seconds and repeat section 8. Where changes are not necessary, press the time button to advance to the next setting.
Programming ON/OFF times
The timer has 8 independent ON/OFF periods for programming each day, including a 24 hours repeat, weekdays + weekend and 7 individual days where each program will change daily.

- Press and hold the Prg button for 3 seconds, the word Hold will show on the screen.
- SCHE will be displayed which indicates schedule mode. If SCHE is not shown on the display press the Adv/Ovr button until SCHE is shown, then press the Prg button.
- Use the Adv/Ovr or Boost to change the day grouping mode. This will step through the following options;
- 24hr – Mo Tu We Th Fr Sa Su
- 5 day – Mo Tu We Th Fr (followed automatically in programming by 2 day – Sa Su)
- Individual day – Mo (followed automatically in programming by each of the other days of the week).
- Once the desired day grouping is selected, press Prg button once to set and move onto programming the ON/OFF times.
- The display will show Prog 1, with dashes for the hours and minutes;
- Note: the example shown is for 5 day + 2 day programming.

- Note: the example shown is for 5 day + 2 day programming.
- Use Adv/Ovr or Boost button to set the hour.

- Press the Prg button once to set and move you to the minutes.
- Use Adv/Ovr or Boost button to set the minutes.
- Press the Prg button once to set and move you to the Prog 1 OFF time.
- Use Adv/Ovr or Boost button to set the hour.
- Press the Prg button once to set and move you to the minutes.
- Use Adv/Ovr or Boost button to set the minutes.
- Press the Prg button to scroll through Prog 2 ON, Prog 2 OFF, etc: adding in times as required. If further times are not required, just leave the dashes in place and scroll past the rest of the programs using the Prg button.
- After Prog 8 has been entered, then next day grouping will follow e.g. In this example the day grouping will change to 2 day – Sa Su Prog 1 ON. Programme ON/OFF times as before.
- After the last required programme has been set, leave any unused slots as dashes and hold down the Prg button to exit.

- At any stage in programming, if the Prg button is pressed and held for 3 seconds, the timer will return to normal operating mode.
- The display will now show the correct time and day as per this example;
- At this stage the output ON/OFF indicator may not reflect the current programme status accurately.
- If the time switch should be OFF now, leave it as it is. The time switch will automatically turn ON at your desired ON time, and will resume the next programme as normal.
- If the time switch should be ON now, press the Adv button once and set it to ON ADVANCE; The time switch will automatically turn OFF at your desired OFF time, and will resume the next programme as normal.
Note that dashes –:– indicate an empty programme and will not trigger any ON/OFF sequence.
Programming across midnight

For programming across midnight, ensure that the correct day is selected when programming an individual day i.e. Prog 1 ON set for 22:00 on Monday & Prog 1 OFF set for 05:00 on Tuesday leaving Prog 1 OFF for Monday & Prog 1 ON for Tuesday blank “–:–”. See example of programming below.
Modifying or adding programmes
- To modify any programmes, repeat the actions from section 9 bullet point 1. Use the Adv/Ovr buttons to adjust any values and then press and hold the Prg button to navigate back to the home screen.
- To add additional programmes cycle though the programme list until a free slot indicated by dashes “–:–” is shown.
- Then enter the new ON/OFF times for that programme based on the programmig sequence covered in section 9.
Suspending Programmes

- Press and hold the Prg button for 3 seconds, the word Hold will show on the screen.
- The MENU screen will be displayed;

- If SUSP (suspend mode) is not displayed, press the Adv/Ovr button until this mode appears.
- Press the Prg button to enter suspend mode.
- Use the Adv/Ovr or Boost to change the day grouping mode. This will step through the same grouping or individual day options as shown in section 9. It is important to remember what day or group setting requires suspending.
- Once the day grouping is selected, press the Prg button.
- Locate the programme to suspend. Use the Adv/Ovr or boost buttons to alter the programme suspension status.

- Suspend ON = Suspend Programme,
- Suspend OFF = Active Programme.

- The programme being suspended is Prog 1. This will disable both the ON and OFF times for Prog 1 from Monday to Sunday as shown above.
- Press and hold the Prg button for 3 seconds to return to the default display. The display will read “suspend 1”indicating that programme 1 has been suspended.
Suspend will only show on the display for programmes which have a suspension timed for that day.
Loop Programmes
- The loop function allows for continuous ON/OFF switching. based on setting an ON period to then be followed by an OFF period in an indefinite loop until cancelled by the user.
- Press and hold the Prg button for 3 seconds, the word Hold will show on the screen.
- The MENU screen will be displayed;

- If LOOP is not shown on the display, press the Adv/Ovr button until this mode appears.
- Press the Prg button to enter loop mode.
- The hour for the loop ON time will flash, use the Adv/Ovr or boost button to set the hour value for the loop ON time.
- Press the Prg button to move on to setting the minutes.
- The minutes for the loop on time will flash, use the Adv/Ovr or boost button to set the minute value for the loop ON time.

- Press the Prg button to move on to setting the loop OFF time.
- The hour for the loop off time will flash, notice how the status has changed from ON to OFF on the display. Use the Adv/Ovr or boost button to set the hour value for the loop OFF time.
- Press the Prg button to move on to setting the minutes.

- The minutes for the loop off time will flash, use the Adv/Ovr or boost button to set the minute value for the loop OFF time.
- Press the Prg button to exit loop mode and return to the home screen. The timer will now switch on the load for your set ON/OFF periods once loop mode is active.
- To activate loop mode, press the boost button until loop is shown on the display. The timer will now begin running in loop mode starting with the ON period followed by the OFF period until this mode is cancelled. To disable loop mode, press the boost button until the display reads OFF.
The example shown in this section is a loop of 1 hr 30 mins ON, followed by 1 hr 15 mins OFF as per images.
- In normal operating mode the Adv/Ovr button advances the programme to the next time change.
- If the output is currently OFF, it will change the output to ON ADVANCE, until the next programmed OFF time.
- If the output is currently ON, it will change the output to OFF ADVANCE, until the next programmed ON time.
- A second push of the Adv/Ovr button selects a permanent ON mode, ON OVERRIDE, where the output is ON irrespective of the programming.
- A third push of the Adv/Ovr button selects a permanent OFF mode, OFF OVERRIDE, where the output is OFF irrespective of the programming.
- A fourth push of the Adv/Ovr button returns the unit to normal operating mode, where the output will conform to the programming.
Boost Button
- One press of the boost button will provide 1 hour of boost, after which the output will turn OFF.
- Two presses of the boost button will provide 2 hours of boost, after which the output will turn OFF.
- A third press of the boost button will enable loop mode. providing that loop mode has been setup.
- A fourth press of the boost button will cancel any boost or loop period and return you to normal operating mode.
Guarantee
3 Year Guarantee

In the unlikely event of this product becoming faulty due to defective material or manufacture, within 3 years of the date of purchase, please return it to your supplier with proof of purchase and it will be replaced free of charge. For years 2 to 3 or with any difficulty in the first year, telephone our helpline.
Note: a proof of purchase is required in all cases. For all eligible replacements (where agreed by Timeguard), the customer is responsible for all shipping/postage charges outside of the UK. All shipping costs are to be paid in advance before a replacement is sent.
If you experience problems, do not immediately return the unit to the store.
- Email the Timeguard Customer Helpline: HELPLINE [email protected]
- or call the helpdesk on 020 8450 0515
Qualified Customer Support Coordinators will be online to assist in resolving your query.
Contact
- For a product brochure please contact: Timeguard.
- Victory Park 400 Edgware Road, London NW2 6ND
- Sales Office: 02084521112
- or email [email protected]
- www.timeguard.com































