KEMPPI TU10 Convert with AC Arc Welding

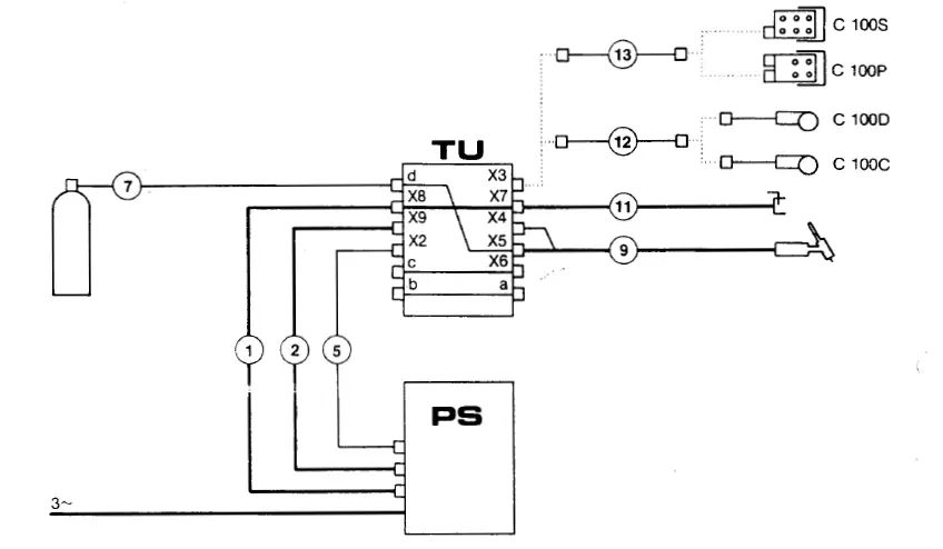
OPERATION CONTROL AND CONNECTORS
- H1
- 1/0 Signal lamp
- R1
- Post gas time control
- R2
- Down-slope control
- R3
- Welding current control
- S1
- 1/0 Switc
- S2
- Selecting switch of control method
- S3
- Selector switch for local-/remote control
- X2
- Control voltage connection
- X3
- Connector of remote control
- X4
- Control connection, welding torch
- XS
- Gas-/welding current connection, welding torch

- X6
- Liquid-/welding current connection. welding torch
- X7
- Connection of return cable
- X8
- Welding voltage connection, positive
- X9
- Welding voltage connection, negative
- A Cooling liquid connection, welding torch
- B Cooling liquid connection, supply
- C Cooling liquid connection, return
- D Connection for shielding gas, supply
COMPONENTS
- Welding current cable, positive
- Welding current cable negative
- Cooling liquid hose return
- Cooling liquid hose, supply
- Control cable
- Control cable
- Shielding gas hose
- Mains cable for WU
- TIG-torch, gas-cooled
- TIG-torch, liquid-cooled
- Return cable
- Interconnection cable for remote control
- Interconnection cable for remote control
- delivery as interconnection cable bundle
WIRRING

THE TU 10 IS AC/DC-TIG UNIT DESIGNED FOR USE WITH THE KEMPPI MULTISYSTEM. THE UNIT IS SUITABLE FOR USE WITH WATER- OR GAS-COOLED TIG-TORCHES.
THE TU 10 DEVELOPES THE IGNITION PULSE REQUIRED FOR ESTABLISHING DC AND AC WELDING ARC AND CONTROLS THE WELDING CURRENT AND GAS FLOW. THE UNIT ALSO INCLUDES CONNECTIONS FOR REMOTE CONTROL AND COOLING.
TECHNICAL DATA
- Duty cycle 300 A 60 % ED 232 A 100 % ED
- Connection/MUL TISYSTEM*) 30 V 35 VA 50/60 Hz
- Dimensions 190 x 290 x 400 mm
- Weight 13 kg
- Degree of protection IP 33
Note! Supply through safety isolating transformer
The product meets conformity requirements for CE marking.
CONTROL DEVICES
Main switch
- in the O-position of the switch, the power source is directly controlled by the local- or remote control
- in the I-position of the switch the ignition and control circuits of the TU are switched on.
- Welding and pulse current: remote control devices from C-series.
- Welding current control scale 1 – 10
- Local-/remote control switch 2 positions
- Continuous/hold -switch 2 positions
- Down-slope control scale 1 – 10 s
- Potentiometer for post gas time s – 3(j s. Automatically controlled gas valve)
OPERATION WAYS
Continuous
When the torch switch is depressed, the gas flow begins and the ignition pulse is developed. When the welding arc is established, the welding current gets the value set in the local or remote control potentiometer. If the TIG arc is not ignited the switch must be closed again. When the switch is opened the welding current decreases to zero during the adjusted slope time and the time for post gas flow begins.
Hold
- When the welding torch switch is depressed, the gas flow begins.
- When the switch is released, the ignition pulse is given and the arc is established.
- To end the welding operation a signal must be given after which the current decreases to zero in the adjusted down-slope time
Long pulse![]()
Welding current can be pulsed with the control device C 100 P.
MAINTENANCE
- The amount of use and the working conditions should be taken into consideration in the maintenance of the TU 1 0 equipment. Careful use and preventive maintenance will ensure troublefree operation without unforseeable service interruptions.
- The unit can be placed independently or on the transport trolley of the MUL Tl SYSTEM.
- In order to reduce the dust disturbances we recommend the siting height about 70 cm from the floor.
- The unit should be protected against hard rain.
- The dust from inside the unit can be blown out with dry compressed air.
- The connectors should be tightened at regular intervals.
WHEN CLEANING WITH DRY COMPRESSED AIR, ALWAYS PROTECT YOUR EYES WITH PROPER EYE PROTECTION !
IN CASE OF PROBLEMS CONTACT THE KEMPPI WORKS IN LAHTI, FINLAND OR YOUR KEMPPIDEALER.
OPERATION SAFETY
- Never watch the arc without a face shield designed for arc welding!
- The arc damages unprotected eyes!
- The arc burns unprotected skin!
- Be careful for reflecting radiation of arc!
- Protect yourself and the surroundings against the arc and hot spray!
- Remember general fire safety!
- Pay attention to the fire safety regulations. Welding is always cla ssified as a fire risk operation.
- Welding where there is flammable or explo sive material is strictly forbidden.
- If it is essential to weld in such an area remove inflammable material from the immediate vicinity of the welding site.
- Fire extinguishers must always be on site where welding is taking place.
- Note! Sparks may cause fire many hours after completion of welding.
- Watch out for the mains voltage!
- Take care of the cables – the connection cable must not be compressed, touch sharp edges or hot work pieces.
- Faulty cables are always a fire risk and highly dangerous.
- Do not locate the welding machine on wet surfaces.
- Do not take the welding machine inside the work piece (i.e. in containers, cars etc.)
- Ensure that neither you nor gas bottles or electrical equipment are in contact with live wires or connections!
- Do not use faulty welding cables.
- Isolate yourself by using dry and not worn out protective clothes.
- Do not weld on wet ground.
- Do not place MIG gun or the welding cables on the power source or other electrical equipment.
- Don’t press on MIG gun switch, if the gun is not directed towards work piece.
- Watch out for the welding fumes!
- Ensure that there is sufficient ventilation.
- Follow special safety precautions when you weld metals which contain lead, cadmium, zinc, mercury or beryllium.
- Note the danger caused by special welding jobs!
- Watch out for the fire and explosion danger when welding container type work pieces.
TERMS OF GUARANTEE
KEMP Pl OY provides a guarantee for products manufactured and sold by them if defects in manufacture and materials occur. Guarantee repairs must be carried out only by an Authorized KEM PP I Service Agent. Packing, freight and insurance costs to be paid by third party. The guarantee is effected on the day of purchase. Verbal promises which do not comply with the terms of the guarantee are not binding on the guarantor.
Limitations on guarantee
The following conditions are not covered under terms of guarantee: defects due to natural wear and tear, non-compliance with operating and maintenance instructions, connection to the incorrect or faulty supply voltage (including voltage surges outside equipment spec.), incorrect gas pressure, overloading, transport or storage damage, fire or damage due to natural causes i.e. lightning or flooding.
This guarantee does not cover direct or indirect traveling costs, daily allowances or accommodation.
Note: Under the terms of the guarantee, welding torches and their consumables, feed, drive rollers and feeder guide tubes are not covered. The guarantee does not cover direct or indirect damage due to a defective product. The guarantee is void if changes are made to the product without approval of the manufacturer, or if repairs are carried out using non-approved spare parts.
The guarantee is also void if repairs are carried out by non-authorized agents.
Guarantee period
The guarantee is valid for one year from the date of purchase, provided that the machine is used for single-shift operation.
The guarantee period tor double and treble shift operations is six months and tour months respectively. Undertaking guarantee repairs
Guarantee defects must be informed to KEMPPI or authorized KEMPPI Service Agents within the guarantee period. Before any guarantee work is undertaken, the customer must provide proof of purchase and serial number of the equipment in order to validate the guarantee.
The parts replaced under the terms of the guarantee remain the property of KEMP Pl.
Following the guarantee repair, the guarantee of the machine or equipment, repaired or replaced, will be continued to the end of the original guarantee period.




















