
Electric Garage Heater
EG7500DH
INSTALLATION & MAINTENANCE INSTRUCTIONS
![]()
EG7500DH Dual Heat 7500W Electric Garage Heater
Before the first use of this heater, please read this user MANUAL very carefully. This USER’S MANUAL has been designed to instruct you as to the proper manner in which to assemble, maintain, store, and most importantly, how to operate the heater in a safe and efficient manner. Please keep this manual for future reference.
CONSUMER: Retain this manual for future reference.
Questions, problems, missing parts? Before returning to your retailer, call our customer service department at 877-447-4768 8:00 a.m. – 4:30 pm CST, Monday – Friday. or email us at [email protected]
IMPORTANT INSTRUCTIONS
![]()
THIS HEATER REQUIRES TO HARDWIRE INSTALLATION (NO PLUG). THE INSTALLATION OF THIS PRODUCT MUST BE CARRIED OUT BY A CERTIFIED ELECTRICIAN AND IN ACCORDANCE WITH ALL LOCAL AND NATIONAL ELECTRICAL CODES.
When using electrical appliances, basic precautions should always be followed to reduce the risk of fire, electric shock, and injury to persons, including the following:
- Read all instructions before installing or using this heater.
- This heater is hot when in use. To avoid burns, do not let bare skin touch hot
surfaces. Keep combustible materials, such as electrical cords, furniture, pillows,
bedding, papers, clothes, and curtains at least 3 feet (0.9 m) from the front of the
heater and keep them away from the sides and rear. - Extreme caution is necessary when any heater is used by or near children or
invalids and whenever the heater is left operating and unattended. - Always turn off the power to the heater when not in use.
- Do not operate any heater after the heater malfunctions, has been dropped, or is damaged in any manner. Disconnect power at the service panel and have the heater inspected by a reputable electrician before reusing it.
- Do not use outdoors.
- This heater is not intended for use in bathrooms, laundry areas, and similar indoor locations. Never locate the heater where it may fall into a bathtub or other water container.
- Do not insert or allow foreign objects to enter any ventilation or exhaust opening as this may cause an electric shock or fire, or damage the heater.
- To prevent a possible fire, do not block air intakes or exhaust in any manner. Do not use it on soft surfaces, like a bed, where openings may become blocked.
- A heater has hot and arcing or sparking parts inside. Do not use it in areas where gasoline, paint, or flammable liquids are used or stored.
- Use this heater only as described in this manual. Any other use not recommended by the manufacturer may cause fire, electric shock, or injury to persons.
- To disconnect the heater, turn the controls off, and turn off power to the heater circuit at the main disconnect panel.
- If the red alarm light on the front of the unit illuminates, immediately turn the heater off and inspect for any objects on or adjacent to the heater that may have blocked the airflow or otherwise caused high temperatures to have occurred. DO NOT OPERATE THE HEATER WITH THE ALARM LIGHT ILLUMINATING.
PET OWNERS WARNING: The health of some small pets including birds is extremely sensitive to the fumes produced during the first-time use of many appliances. These fumes are not harmful to humans but we recommended that you do not use your heater around birds and small pets during its initial use until the manufacturing protective coatings burn off.
SAVE THESE INSTRUCTIONS
WARNING ![]()
This Product can expose you to chemicals including Diisononyl phthalate (DINP) which is known to the State of California to cause cancer and Diisodecyl phthalates (DIDP) which is known to the State of California to cause birth defects or other reproductive harm. For more information go to www.p65Warnings.ca.gov
SPECIFICATIONS
| Rating | AMPS | BTU/hour |
| 7500W II 240-1-60 5600W II 240-1-60 | 31.25 20.9 | 25589 19107 |
SAFETY INFORMATION
WARNING ![]()
THIS HEATER REQUIRES TO HARDWIRE INSTALLATION (NO PLUG). THE INSTALLATION OF THIS PRODUCT MUST BE CARRIED OUT BY A CERTIFIED ELECTRICIAN AND IN ACCORDANCE WITH ALL LOCAL AND NATIONAL ELECTRICAL CODES.
NOTE: COMPATIBLE WITH A 240V LINE VOLTAGE DOUBLE POLE WALL THERMOSTAT. MUST BE INSTALLED BY A CERTIFIED ELECTRICIAN.
READ AND UNDERSTAND ALL INSTALLATION & OPERATION INSTRUCTIONS PRIOR TO OPERATING THIS UNIT. OBSERVE ALL SAFETY INSTRUCTIONS.
- Use only copper wires rated for at least 60ºC.
- Heater air flow must be directed parallel to or away from the adjacent wall.
- Observe all wall, floor, and ceiling clearance requirements.
- All wiring must be done according to national and local electrical codes. The heater must be grounded as a precaution against possible electrical shock.
The heater circuit must be protected with proper fuses. - The mounting structure and the anchoring hardware must be capable of supporting the weight of the heater and the mounting bracket (if used).
- All electrical power must be disconnected at the main service box, which must be locked before connecting, inspecting, cleaning, or servicing the heater. This is an important precaution to prevent serious electric shock.
- This is heater is not suitable for use in hazardous locations containing explosive liquids or vapors. This heater has hot or arcing or sparking parts inside. Do not use it in areas where gasoline, paint, or flammable liquids are used or stored.
- This heater is not suitable for use in corrosive atmospheres such as marine greenhouses or chemical storage areas.
- This heater must be mounted at least 8 feet off the floor. For specific clearances see figure 2.
WARNING ![]()
IMPROPER INSTALLATION OR FAILURE TO FOLLOW THE PROCEDURES OUTLINED IN THIS INSTRUCTION MANUAL CAN RESULT IN SERIOUS ELECTRICAL SHOCK.
LOCATING HEATER
Install heater away from traffic areas, maintaining clearances stated in figure 2 (below). The airflow direction should not be restricted (ie. by columns or machinery). The airflow should wipe exposed walls rather than blowing directly on them. When more than one heater is used in an area, heaters should be installed so that the air discharge of each heater supports the airflow of the others, to provide the best warm air circulation as shown in figure 3.


PRE-INSTALLATION

| Part | Description | Quantity |
| A | Garage Heater | 1 |
| B | Mounting Bracket | 1 |
| C | Infrared Remote Control | 1 |
| D | Screw | 3 |
| E | Washer | 6 |
INSTALLATION
MOUNTING THE BRACKET
Refer to Figures 4a and 4b.
- Locate a wood stud in the wood ceiling joist. If you cannot locate a wood stud, you have to install a wood piece on the ceiling as this heater must be securely fastened.
- Remove the mounting bracket from the heating unit by loosening bracket screws with a wrench and slipping the handle off over the screw heads.
- Place a washer on screws before inserting them through the holes in the mounting bracket and screw them securely into a ceiling joist.
NOTE: If you want to swivel the heater either to the right or left adding a washer to both sides of the bracket is recommended. A longer lag bolt may be required to properly secure the unit. See Figure 4a.

Figure 4a. Single-Screw Mounting Figure 4b. Double-Screw Mounting
HANGING THE HEATER
- Attach the heating unit to the mounting bracket.
- Lift the heater up and into the mounting bracket.
- Align the bracket screws with the keyhole slots in the mounting bracket.
- If the heater is to be tilted it must be positioned in the keyhole slots – see figure 5.
- Tighten the bracket screws with a wrench so the unit is securely suspended at horizontal or vertical levels.

ADJUSTING AIRFLOW DIRECTION
- To turn the unit when it has been installed with a single lag bolt (as shown in figure 4a), simply turn the entire heater as needed. The unit cannot be turned horizontally if it
has been installed with 2 lag bolts. - To tilt the unit vertically, loosen the bracket screws (see figure 5).
NOTE: For the heater to be tilted vertically, it must be mounted in the bottom keyhole slots of mounting brackets to maintain adequate clearance and prevent possible overheating.
- Adjust louvers to the desired position (see Figure 6).
NOTE: The louvers are designed so they cannot be completely closed. Do not attempt to bypass this feature; damage to the unit can result.
WARNING ![]()
TO PREVENT POSSIBLE ELECTRIC SHOCK, DISCONNECT POWER TO THE HEATER AT THE MAIN SERVICE BOX BEFORE ATTEMPTING TO ADJUST THE HEAT OUTPUT OF THIS UNIT.
MULTIPLE VERTICAL ANGLES

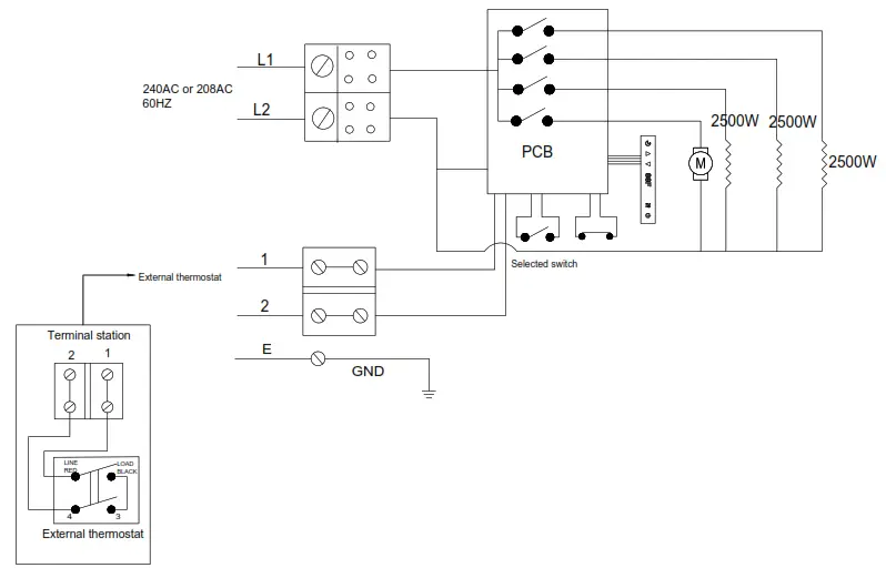
CONNECTING THE POWER

WARNING: DISCONNECT POWER BEFORE SERVICING.
If you will use an external temperature control (external thermostat) to control the heater, please follow the below attention points:
- Make sure that the heater’s temperature control knob (thermostat knob) is turned fully clockwise.
- Connect the wire according to below wiring diagram.

CONNECTING THE POWER - The external temperature control (external thermostat): a certified thermostat must be used.
- The lead wire of external temperature control (external thermostat) can not be less than 14AWG.
TO PROTECT THE HEATING ELEMENT
When starting the heater, turn the temperature control clockwise slowly to desired heat setting, the unit starts the fan first then starts the heating element.
When shutting off the heater, turn the temperature control counter-clockwise to off.
COOLDOWN CYCLE
The cool-down cycle may take up to 5 minutes and continue to cycle on and off as needed to properly cool down.
WARNING ![]()
THIS APPLIANCE MUST BE GROUNDED!
THE APPLIANCE MUST CONNECT TO A CURRENT PROTECTION CIRCUIT OR DEVICE AT OF
AT LEAST 50 AMP BEFORE BEING CONNECTED TO THE POWER SUPPLY!
- Remove the screw from the front of the unit to connect the power to the heater.
- Attach the cable connectors to the unit (See Figure 7) and slide the 8 gauge wire through the cable connector.
NOTE: All wiring must be carried out by a Certified Electrician and must be in accordance to national and local electrical codes. For certain applications, the conduit may be required, See Figure 7. Check local electrical codes. If you run the wiring in conduit and wish to be able to turn the heater be sure to purchase enough flexible conduit to allow the heater to be turned. - Connect the wire to the power block located at the base of the heater – See Figure 7.
- Turn on the power at the main service.
WARNING ![]()
HIGH TEMPERATURES – RISK OF FIRE. KEEP FLAMMABLE MATERIALS, SUCH AS FURNITURE, PILLOWS, BEDDING, PAPERS, CLOTHES, ELECTRICAL CORDS, AND CURTAINS AT LEAST 3 FT. (0.9 M) FROM THE FRONT AND TOP OF THE HEATER AND KEEP THEM AWAY FROM THE SIDES AND REAR. TO REDUCE THE RISK OF FIRE, DO NOT USE IT IN AREAS WHERE GASOLINE, PAINT, OR FLAMMABLE LIQUIDS ARE USED OR STORED.
WARNING ![]()
TO REDUCE THE RISK OF FIRE, DO NOT STORE OR USE GASOLINE OR OTHER FLAMMABLE VAPORS AND LIQUIDS IN THE VICINITY OF THE HEATER.
CONNECTING THE POWER

OPERATING INSTRUCTIONS
WARNING ![]()
THE HEATER MUST BE PROPERLY INSTALLED BEFORE IT IS USED.

Check that the garage heaters outlet grill is not covered or obstructed in any way, and make sure the power to the unit is switched on.
The garage heater control functions can be accessed in two (2) ways:
- Using the touchpad control panel, located on the front of the garage heater below the air guide plates.
- Using the multifunction remote control unit.
- Main Power Button:
This button supplies power to all of the garage heaters’ functions. It must be turned on for the garage heater to work - Heater Control Button:
This button adjusts the 3 heating stages: OFF Fa (Fan Only) LOW (5000W displays “L”), and High (7500W displays “H”). - Temperature/Timer Display:
This LED display shows the set point for the temperature and timer functions. When either of these functions is activated, the display reflects the set point for five seconds and then fades to black. Any change to the set point of the temperature or timer will reactivate the display, which again fades after five seconds. - DOWN Control Button:
This button is used to decrease temperature or timer setting. It adjusts the temperature range between 10°C – 35°C (50°F – 95°F) in 2°F (/1°C) increments. - UP Control Button:
This button is increasing the temperature or timer setting. It adjusts the temperature range between 10°C – 35°C (50°F – 95°F) in 2°F (/1°C) increments. - Timer Button:
This button controls the Timer ON/OFF and 8 settings from 1 hour to 8 hours. When the Timer is first turned on, it will come on at the shortest time setting (1 hour). Each time the Timer button is pressed, the time increases by 1 hour, up to the longest setting (8 hours). Once the set time expires, all garage heaters’ functions will be automatically turned off. - Fahrenheit/Celsius Button:
REMOTE:
This button displays F (Fahrenheit) or C (Celsius) depending on how the temperature mode is set. When the garage heater is turned on, the Fahrenheit (F) temperature will
be displayed.
GARAGE HEATER :
To switch from Fahrenheit to Celsius, or vise-versa, when the garage heater is ON, hold the HEATER CONTROL button for 5 seconds. Unless the power to the unit has been interrupted, the garage heater will remember the last temperature mode setting will start at that setting,
MAINTENANCE
- Before cleaning, make sure the power has been turned off at the circuit breaker panel and that the heating element of the heater is cool.
- To maintain the external appearance of the heater, the unit occasionally needs to be wiped with a dry duster. During the summer months, or at other times when the appliance is not in use and is completely cold, it should be wiped over with a damp cloth.
- Do not use abrasive cleaning powders or furniture polish. Do not use chemicals or abrasive products, metallic scourers, and so on, which may deteriorate the surface, to clean the appliance.
- During the summer months, or at other times when the appliance is not in use, disconnect the power supply. Keep the appliance in a dry and cool place.
- All other servicing should be performed by qualified service personnel. Do not try to repair the heater yourself.
NOTE: The motor is permanently lubricated, and no further lubrication is needed.
REPLACEMENT PARTS
| Part | Description | Part# |
| 1 | Back mesh | EG5000001AC |
| 2 | Hanging plate | EG5000002AC |
| 3 | Fan Blade | EG5000003AC |
| 4 | Air guide plate | EG5000004AC |
| 5 | Large handle seat | EG5000005AC |
| 6 | Small handle seat | EG5000006AC |
| 7 | Spring | EG5000007AC |
| 8 | Motor | EG5000008AC |
| Part | Description | Part# |
| 9 | Heater | EG7500001AC |
| 10 | Selection Switch | EG5000011AC |
| 11 | Main Board | EG7500DH001AC |
| 12 | Terminal block | EG5000014AC |
| 13 | Temperature CUT-OFF | EG5000017AC |
| 14 | Control Panel Circuit Board | EG7500DH002AC |
| 15 | Control Panel box | EG7500DH003AC |
| 16 | Infrared Remote Control | EG7500DH004AC |

TROUBLESHOOTING
| PROBLEM | DISPLAY CODE | ROOT CAUSE | CORRECTIVE ACTION |
| The unit is not heating | The display shows” EE” | The thermostat sensor is broken or disconnected. | Please call customer service. |
| The display shows”EF” | The overheat protection has been activated. | Inspect the garage heater and check that the air inlets and outlets are not blocked as this may cause overheating- ing. Switch off the circuit breaker to the garage heater for 30 minutes and allow it to cool down. Turn the power back on and operate. | |
| The display shows “LOC” | The heater is in Lock Mode | Hold the POWER button for 10 seconds to unlock the heating function. | |
| The display shows “FA” and blows cold air | The heater is set to FAN ONLY mode | Change the setting and switch to “AUT” heating mode | |
| The heater will not start | The room temperature has already reached the set thermostat temperature | Adjust the temperature setting to make sure the thermostat set temperature is higher than the current room temperature. | |
| The heater will not start | The breaker has tripped | Rest the breaker at the fuse panel and restart the heater | |
| The garage heater emits a burning smell | During production dust and/ or oil debris gathered on heating coils. | Make sure the room is well-ventilated. Allow the garage heater to run until the smell is dissipated. | |
| Check and make sure there is no combustible material within 0.9 meters (3 feet) of the garage heater. | Remove the combustible material around the garage heater. | ||
| This heater must be mounted at least 8 feet off the floor, for specific clearances, please check the “LOCATING HEATER” section in the instruction manual | Relocate the garage heater so there is enough space between the heater and the adjacent wall and floor. | ||
| The unit won’t stop working after turning it off | The heater has a built-in cool-down cycle to protect the heating element. | Wait for the fan to be turned off by the temperature sensor, this can take up to 5 to 10 minutes depending on the environment temperature. It may cycle on and off multiple times before completely turning off. Example: Working within 15s, cooling down for 10s; Working for more than 15s, cooling down for the 90s. |
PRODUCT NOTES
Warranty
LIMITED WARRANTY:
This limited warranty is extended to the original retail purchaser of this Forced Air/Convection/Radiant Heater and warrants against any defect in materials and workmanship for a period of one (1) year from the date of retail sale.GHP Group, Inc., at its option, will either provide replacement parts or replace or repair the unit, when properly returned to the retailer where purchased or one of our service centers as directed by GHP Group, Inc., within one (1) year of retail purchase. (Shipping costs, labor costs, etc. are the responsibility of the purchaser.)
DUTIES OF THE OWNER:
This heating appliance must be operated in accordance with the written instructions furnished with this heater. This warranty shall not excuse the owner from properly maintaining this heater in accordance with the written instructions furnished with this heater. A bill of sale, canceled check, or payment record must be kept to verify the purchase date and establish a warranty period. The original carton should be kept in case of warranty return of the unit.
WHAT IS NOT COVERED:
- Damage resulting from the use of improper fuel.
- Damage caused by misuse or use contrary to the owner’s manual and safety guidelines.
- Damage is caused by a lack of normal maintenance.
- Fuses
- Use of non-standard parts or accessories.
- Damage caused in transit. Freight charges on warranty parts or heaters to and from the factory shall be the responsibility of the owner.
This warranty does not imply or assume any responsibility for consequential damages that may result from the use, misuse, or lack of routine maintenance of this heating appliance. A cleaning fee and the cost of parts may be charged for appliance failures resulting from a lack of maintenance. This warranty does not cover claims which do not involve defective workmanship or materials. FAILURE TO PERFORM GENERAL MAINTENANCE (INCLUDING CLEANING) WILL VOID THIS WARRANTY.
THIS LIMITED WARRANTY IS GIVEN TO THE PURCHASER IN LIEU OF ALL OTHER WARRANTIES, EXPRESSED OR IMPLIED, INCLUDING BUT NOT LIMITED TO THE WARRANTIES OF MERCHANTABILITY OR FITNESS FOR A PARTICULAR PURPOSE. THE REMEDY PROVIDED IN THIS WARRANTY IS EXCLUSIVE AND IS GRANTED IN LIEU OF ALL OTHER REMEDIES. IN NO EVENT WILL GHP GROUP, INC. BE LIABLE FOR INCIDENTAL OR CONSEQUENTIAL DAMAGES.
Some states do not allow limitations on how long an implied warranty lasts, so the above limitation may not apply to you. Some states do not allow the exclusion or limitation of incidental or consequential damages so the above limitation or exclusion may not apply to you.
CLAIMS ARE HANDLED AS FOLLOWS:
- Contact your retailer and explain the problem.
- If the retailer is unable to resolve the problem, contact our Customer Service Dept. detailing the heater model, the problem, and proof of date of purchase.
- A representative will contact you. DO NOT RETURN THE HEATER TO GHP GROUP, INC. unless instructed by our Representative.
This warranty gives you specific legal rights and you may also have other rights which vary from state to state.
TO REGISTER THE WARRANTY ON YOUR HEATER, PLEASE FILL OUT THIS CARD COMPLETELY AND MAIL WITHIN 14 DAYS FROM DATE OF PURCHASE OR REGISTER ON-LINE AT www.ghpgroupinc.com
NAME: _______________________________ PHONE: ( ) _________________ EMAIL: ____________________________________
ADDRESS: ___________________________ CITY: ________________________ STATE: _____________________ ZIP: ___________
MODEL: ______________________________ SERIAL#: _____________________ DATE PURCHASED: _________________________
DEALER PURCHASED FROM: _________________________________________ TYPE OF STORE: __________________________
CITY & STATE WHERE PURCHASED: ___________________________________ PRICE PAID: _______________________________
Please Take 1 Minute To Give Us Your Answers To The Following Questions.
All Responses Used Solely For Market Research And Are Held In Strict Confidence.
Who primarily decided on this purchase? Male Female 18-24 25-39 40-59 60 and over of age?
Do you own any other portable heaters? Yes No If yes, type ______________________ brand ____________________
How do you intend to use your new heater? Construction Site Farm Warehouse/Commercial Garage/Outbuilding Other
How did you become aware of this heater?
In-Store Display Newspaper Ad Magazine Ad Friend/Relative
TV Commercial Store Salesperson Other ____________________________________
What made you select this heater? Style Size/Portability Price Package Brand Other ______________
Do you: Own Rent Would you recommend this heater to a friend? Yes No
Please give us your comments _____________________________________________________
THANK YOU FOR COMPLETING THIS FORM!
Information will be held confidential.
WARRANTY REGISTRATION
IMPORTANT: We urge you to fill out your warranty registration card within fourteen (14) days of the date of purchase. You can also register your warranty on the internet at www.ghpgroupinc.com. Complete the entire serial number. Retain this portion of the card for your records.
GHP Group, Inc.
6440 W Howard St
Niles, IL 60714-3302
Tel: (877) 447-4768
www.ghpgroupinc.com
SAVE THIS CARD!
GHP Group, Inc.
6440 W Howard St
Niles, IL 60714-3302
Place Postage Stamp Here





















