Dyna-Glo EG15000DH Dyna Glo 240 Volt Dual Power 15000 Watt Electric Garage Heater

Before the first use of this heater, please read this USER’S MANUAL very carefully. This USER’S MANUAL has been designed to instruct you as to the proper manner in which to assemble, maintain, store, and most importantly, how to operate the heater in a safe and efficient manner. Please keep this manual for future reference.
IMPORTANT INSTRUCTIONS
THIS HEATER REQUIRES HARDWIRE INSTALLATION (NO PLUG). THE INSTALLATION OF THIS PRODUCT MUST BE CARRIED OUT BY A CERTIFIED ELECTRICIAN AND IN ACCORDANCE WITH ALL LOCAL AND NATIONAL ELECTRICAL CODES.
When using electrical appliances, basic precautions should always be followed to reduce the risk of fire, electric shock, and injury to persons, including the following:
- Read all instructions before installing or using this heater.
- This heater is hot when in use. To avoid burns, do not let bare skin touch hot surfaces. Keep combustible materials, such as electrical cords, furniture, pillows, bedding, papers, clothes, and curtains at least 3 feet (0.9 m) from the front of the heater and keep them away from the sides and rear.
- Extreme caution is necessary when any heater is used by or near children or invalids and whenever the heater is left operating and unattended.
- Always turn off the power to the heater when not in use.
- Do not operate any heater after the heater malfunctions, has been dropped or damaged in any manner. Disconnect power at the service panel and have the heater inspected by a reputable electrician before reusing.
- Do not use outdoors.
- This heater is not intended for use in bathrooms, laundry areas and similar indoor locations. Never locate heater where it may fall into a bathtub or other water container.
- Do not insert or allow foreign objects to enter any ventilation or exhaust opening as this may cause an electric shock or fire, or damage the heater.
- To prevent a possible fire, do not block air intakes or exhaust in any manner. Do not use on soft surfaces, like a bed, where openings may become blocked.
- A heater has hot and arcing or sparking parts inside. Do not use it in areas where gasoline, paint, or flammable liquids are used or stored.
- Use this heater only as described in this manual. Any other use not recommended by the manufacturer may cause fire, electric shock, or injury to persons.
- To disconnect heater, turn controls to off, and turn off power to heater circuit at main disconnect panel.
- If the red alarm light on the front of the unit illuminates, immediately turn the heater off and inspect for any objects on or adjacent to the heater that may have blocked the airflow or otherwise caused high temperaturs to have occurred. DO NOT OPERATE THE HEATER WITH THE ALARM LIGHT ILLUMINATING.
PET OWNERS WARNING: The health of some small pets including birds are extremely sensitive to the fumes produced during the first-time use of many appliances. These fumes are not harmful to humans but we recommended that you do not use your heater around birds and small pets during its initial use until the manufacturing protective coatings burn off.
WARNING
This Product can expose you to chemicals including Diisononyl phthalate (DINP) which is known to the State of California to cause cancer and Di-isodecyl phthalates (DIDP) which is known to the State of California to cause birth defects or other reproductive harm.
For more information go to www.p65Warnings.ca.gov
SPECIFICATIONS
| Rating | Switch Setting | Volts | Phase | Hz | AMPS | BTU/hour |
| 15000W | II | 240 | 1 | 60 | 62.5 | 51,180 |
| 12000W | I | 240 | 1 | 60 | 50 | 41,000 |
SAFETY INFORMATION
WARNING
- Use only copper wires rated for at least 60ºC.
- Heater air flow must be directed parallel to or away from adjacent wall.
- Observe all wall, floor and ceiling clearance requirements.
- All wiring must be done according to national and local electrical codes. The heater must be grounded as a precaution against possible electrical shock. Heater circuit must be protected with proper fuses.
- The mounting structure and the anchoring hardware must be capable of supporting the weight of the heater and the mounting bracket (if used).
- All electrical power must be disconnected at the main service box, which must be locked before connecting, inspecting, cleaning or servicing the heater. This is an important precaution to prevent serious electric shock.
- This is heater is not suitable for use in hazardous locations containing explosive liquids or vapours. This heater has hot or arcing or sparking parts inside. Do not use it in areas where gasoline, paint or flammable liquids are used or stored.
- This heater is not suitable for use in corrosive atmospheres such as marine greenhouses or chemical storage areas.
- This heater must be mounted at least 8 feet off the floor. For specific clearances, see figure 2.
WARNING
IMPROPER INSTALLATION OR FAILURE TO FOLLOW THE PROCEDURES OUTLINED IN THIS INSTRUCTION MANUAL CAN RESULT IN SERIOUS ELECTRICAL SHOCK.
LOCATING HEATER
Install heater away from traffic areas, maintaining clearances stated in figure 2 (below). The air flow direction should not be restricted (ie. by columns or machinery). The air flow should wipe exposed walls rather than blowing directly on them. When more than one heater is used in an area, heaters should be installed so that the air discharge of each heater supports the air flow of the others, to provide best warm air circulation as shown in figure 3.
LOCATING HEATER
PRE-INSTALLATION
| Part | Description | Quantity |
| A | Garage Heater | 1 |
| B | Mounting Bracket | 1 |
| C | Infrared Remote Control | 1 |
| D | Screw | 6 |
| E | Washer | 12 |
INSTALLATION
MOUNTING THE BRACKET
Refer to Figures 4a and 4b.
- Locate a wood stud in the wood ceiling joist. If you cannot locate a wood stud, you have to install a wood piece on the ceiling as this heater must be securely fastened.
- Remove the mounting bracket from the heating unit by loosening bracket screws with a wrench and slipping the handle off over the screw heads.
- Place a washer on screws before inserting through the holes in the mounting bracket and screw them securely into a ceiling joist.
NOTE: If you want to swivel the heater either to the right or left adding a washer to both sides of the bracket is recommended. A longer lag bolt may be required to properly secure the unit. See Figure 4a.
HANGING THE HEATER
- Attach the heating unit to the mounting bracket.
- Lift the heater up and into the mounting bracket.
- Align the bracket screws with the keyhole slots in the mounting bracket.
- Tighten the bracket screws with a wrench so the unit is securely suspended at horizontal or vertical level.
- The heater can be mounted with different angles listed in the drawing on page 7 as long as you maintain proper clearance listed on page 4.
ADJUSTING AIR FLOW DIRECTION
- To turn the unit when it has been installed with a single lag bolt (as shown in figure 4a), simply turn the entire heater as needed. The unit cannot be turned horizontally if it has been installed with 2 lag bolts.
- To tilt the unit vertically, loosen the bracket screws (see figure 5).
- Adjust louvers to the desired position (see Figure 6).

NOTE: The louvers are designed so they cannot be completely closed. Do not attempt to bypass this feature; damage to the unit can result.
WARNING
TO PREVENT POSSIBLE ELECTRIC SHOCK, DISCONNECT POWER TO THE HEATER AT THE MAIN SERVICE BOX BEFORE ATTEMPTING TO ADJUST THE HEAT OUTPUT OF THIS UNIT.
MULTIPLE VERTICAL ANGLES
CONNECTING THE POWER
TO PROTECT THE HEATING ELEMENT
When starting the heater, turning the temperature control clockwise slowly to desired heat setting, the unit starts the fan first then starts the heating element.
When shutting off the heater, turning the temperature control counter-clockwise to off, the heating element first will turn off then the fan will run a short cooling cycle and then turn off.
COOLDOWN CYCLE
The cool down cycle may take up to 5 minutes and continue to cycle on and off as needed to properly cool down.
WARNING
THIS APPLIANCE MUST BE GROUNDED!
THE APPLIANCE MUST CONNECT TO A CURRENT PROTECTION CIRCUIT OR DEVICE BEFORE BEING CONNECTED TO POWER SUPPLY!
- Remove the screw from the front of the unit to connect the power to the heater.
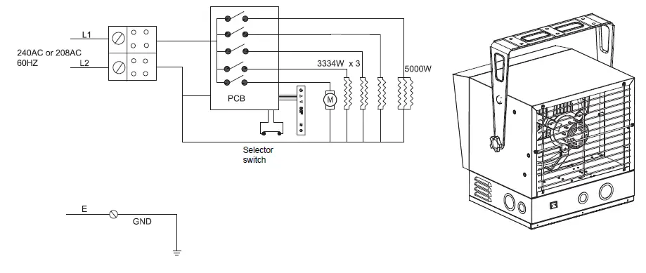
- Attach the cable connectors to the unit (See Figure 7). Select power supply wire to comply with local and national electric codes using heater rating given on the rating label.
NOTE: All wiring must be carried out by a Certified Electrician and must be in accordance to national and local electrical codes. For certain applications, conduit may be required, See Figure 7. Check local electrical codes. If you run the wiring in conduit and wish to be able to turn the heater be sure to purchase enough flexible conduit to allow the heater to be turned. - Connect the wire to the power block located in the base of the heater – See Figure 7.
- Turn on the power at the main service.
WARNING
HIGH TEMPERATURES – RISK OF FIRE. KEEP FLAMMABLE MATERIALS, SUCH AS FURNITURE, PILLOWS, BEDDING, PAPERS, CLOTHES, ELECTRICAL CORDS AND CURTAINS AT LEAST 3 FT. (0.9 M) FROM THE FRONT AND TOP OF THE HEATER AND KEEP THEM AWAY FROM THE SIDES AND REAR. TO REDUCE THE RISK OF FIRE, DO NOT USE IT IN AREAS WHERE GASOLINE, PAINT OR FLAMMABLE LIQUIDS ARE USED OR STORED.
WARNING
TO REDUCE THE RISK OF FIRE, DO NOT STORE OR USE GASOLINE OR OTHER FLAMMABLE VAPORS AND LIQUIDS IN THE VICINITY OF THE HEATER.
CONNECTING THE POWER
Connectors, cable, and hardware used to wire the heater
OPERATING INSTRUCTIONS
WARNING
THE HEATER MUST BE PROPERLY INSTALLED BEFORE IT IS USED.
Check that the garage heaters outlet grill is not covered or obstructed in anyway, and make sure the power to the unit is switched on.
The garage heater control functions can be accessed in two (2) ways:
- Using the touchpad control panel, located on the front of the garage heater below the air guide plates.
- Using the multifunction remote control unit.
- Main Power Button:
This button supplies power to all of the garage heaters functions. It must be turned on for the garage heater to work - Heater Control Button:
This button adjusts the 3 heating stages: OFF Fa (Fan Only) LOW (12000W displays L), High (15000W displays H). The heater will adjust to LOW (5600W displays L) and High (7500W displays H) automatically based on room temperature. - Temperature/Timer Display:
This LED display shows the set point for the temperature and timer functions. When either of these functions is activated, the display reflects the set point for five seconds and then fades to black. Any change to he set point of the temperature or timer will reactivate the display, which again fades after five seconds. - DOWN Control Button:
This button is used to decrease temperature or timer settiing. It adjusts the temperature range between 10°C – 35°C (50°F – 95°F) in 2°F (/1°C) increments. - UP Control Button:
This button is increasing temperature or timer setting. It adjusts the temperature range between 10°C – 35°C (50°F – 95°F) in 2°F (/1°C) increments. - Timer Button:
This button controls the Timer ON/OFF and 8 settings from 1 hour to 8 hours. When the Timer is first turned on, it will come on at the shortest time setting (1hour). Each time the Timer button is pressed, the time increases by 1 hour, up to the longest setting (8 hours). Once the set time expires, all garage heaters functions will be automatically turn off. - Fahrenheit/Celsius Button:
REMOTE:
This button displays F (Fahrenheit) or C (Celsius) depending on how the temperature mode is set. When the garage heater is turned on, the Fahrenheit (F) temperature will be displayed.
GARAGE HEATER :
To switch from Fahrenheit to Celsius, or vise-versa, when the garage heater is ON, hold HEATER CONTROL button for 5 seconds. Unless power to the unit has been interrupted, the garage heater will remember the last temperature mode setting and will start at that setting.
MAINTENANCE
- Before cleaning, make sure the power has been turned off at the circuit breaker panel and that the heating element of the heater is cool.
- To maintain the external appearance of the heater, the unit occasionally needs to be wiped with a dry duster. During the summer months, or at other times when the appliance is not in use and is completely cold, it should be the wiped over with a damp cloth.
- Do not use abrasive clearing powders or furniture polish. Do not use chemical or abrasive products, metallic scourers and so on, which may deteriorate the sur-face, to clean the appliance.
- During the summer months, or at other times when the appliance is not in use, disconnect the power supply. Keep the appliance in a dry and cool place.
- All other servicing should be performed by qualified service personnel. Do not try to repair the heater yourself.
NOTE: The motor is permanently lubricated, and no further lubrication is needed.
REPLACEMENT PARTS
| Part | Description | Part# |
| 1 | Back mesh | EG10000DH001AC |
| 2 | Hanging plate | EG10000DH002AC |
| 3 | Fan Blade | EG10000DH003AC |
| 4 | Air guide plate | EG10000DH004AC |
| 5 | Large handle seat | EG5000005AC |
| 6 | Small handle seat | EG5000006AC |
| 7 | Spring | EG5000007AC |
| 8 | Motor | EG10000DH005AC |
| Part | Description | Part# |
| 9 | Heater | EG15000DH001AC |
| 10 | Selection Switch | EG5000011AC |
| 11 | Main Board | EG15000DH002AC |
| 12 | Terminal block | EG5000014AC |
| 13 | Temperature CUT-OFF | EG5000017AC |
| 14 | Control Panel Circuit Board | EG7500DH002AC |
| 15 | Control Panel box | EG7500DH003AC |
| 16 | Infrared Remote Control | EG7500DH004AC |
TROUBLESHOOTING
| PROBLEM | DISPLAY CODE | ROOT CAUSE | CORRECTIVE ACTION |
|
Unit is not heating | Display shows”EE” | The thermostat sensor is bro- ken or disconnected. | Please call customer service. |
|
Display shows”EF” |
The overheat protection has activated. | Inspect the garage heater and check that the air inlets and outlets are not blocked as this may cause overheat- ing. Switch off the circuit breaker to the garage heater for 30 minutes and allow it to cool down. Turn the power back on and operate. | |
| Display shows “LOC” | Heater is in Lock Mode | Hold the POWER button for 10 seconds to unlock the heating function. | |
| Display shows “FA” and blows cold air | The heater is set to FAN ONLY mode | Change the setting and switch to “AUT” heating mode | |
| The heater will not start | The room temperature has already reached the set ther- mostat temperature | Adjust the temperature setting to make sure the thermostat setting temperature is higher than current room temperature. | |
| The heater will not start | The breaker has tripped | Rest the breaker at the fuse panel and restart the heater | |
|
Garage heater emits a burning smell | During production dust and/ or oil debris gathered on heating coils. | Make sure the room is well ventilated. Allow the garage heater to run until the smell is dissipated. | |
| Check and make sure there is no combustible material within 0.9 meters (3 feet) of the garage heater. | Remove the combustible material around the garage heater. | ||
| This heater must be mounted at least 8 feet off the floor, for specific clearances, please check the “LOCATING HEATER” section in the instruction manual |
Relocate the garage heater so there is enough space between the heater and adjacent wall and floor. | ||
|
The unit won’t stop working after turning it off |
The heater has built in cool down cycle to protect the heating element. | Wait for the fan to be turned off by the temperature sensor, this can take up to 5 to 10 minutes depending on the environment temperature. It may cycle on and off multiple times before completely turning off. Example: Working within 15s, cooling down for 10s; Working for more than 15s, cool- ing down for 90s. |
Warranty
LIMITED WARRANTY:
This limited warranty is extended to the original retail purchaser of this Forced Air/Convection/Radiant Heater and warrants against any defect in materials and workmanship for a period of one (1) year from the date of retail sale.GHP Group, Inc., at it’s option, will either provide replacement parts or replace or repair the unit, when properly returned to the retailer where purchased or one of our service centers as directed by GHP Group,Inc., within one (1) year of retail purchase. (Shipping costs, labour costs,etc. are the responsibility of the purchaser.)
DUTIES OF THE OWNER:
This heating appliance must be operated in accordance with the written instructions furnished with this heater. This warranty shall not excuse the owner from properly maintaining this heater in accordance with the written instructions furnished with this heater. A bill of sale, canceled check or payment record must be kept to verify purchase data and establish warranty period. Original carton should be kept in case of warranty return of unit.
WHAT IS NOT COVERED:
- Damage resulting from use of improper fuel.
- Damage caused by misuse or use contrary to the owners manual and safety guidelines.
- Damage caused by a lack of normal maintenance.
- Fuses
- Use of non-standard parts or accessories.
- Damage caused in transit. Freight charges on warranty parts or heaters to and from the factory shall be the responsibility of the owner.
This warranty does not imply or assume any responsibility for consequential damages that may result from the use, misuse, or the lack of routine maintenance of this heating appliance. A cleaning fee and the cost of parts may be charged for appliance failures resulting from lack of maintenance. This warranty does not cover claims which do not involve defective workmanship or materials. FAILURE TO PERFORM GENERAL MAINTENANCE (INCLUDING CLEANING) WILL VOID THIS WARRANTY.
THIS LIMITED WARRANTY IS GIVEN TO THE PURCHASER IN LIEU OF ALL OTHER WARRANTIES, EXPRESSED OR IMPLIED, INCLUDING BUT NOT LIMITED TO THE WARRANTIES OF MERCHANTABILITY OF FITNESS FOR A PARTICULAR PURPOSE. THE REMEDY PROVIDED IN THIS WARRANTY IS EXCLUSIVE AND IS GRANTED IN LIEU OF ALL OTHER REMEDIES. IN NO EVENT WILL GHP GROUP, INC. BE LIABLE FOR INCIDENTAL OR CONSEQUENTIAL DAMAGES.
Some states do not allow limitations on how long an implied warranty lasts, so the above limitation may not apply to you. Some states do not allow the exclusion or limitation of incidental or consequential damages so the above limitation or exclusion may not apply to you.
CLAIMS HANDLED AS FOLLOWS:
- Contact your retailer and explain the problem.
- If the retailer is unable to resolve the problem, contact our Customer Service Dept. detailing the heater model, the problem, and proof of date of purchase.
- A representative will contact you. DO NOT RETURN THE HEATER TO GHP GROUP, INC. unless instructed by our Representative. This warranty gives you specific legal rights and you may also have other rights which vary from state to state.
TO REGISTER THE WARRANTY ON YOUR HEATER, PLEASE FILL OUT THIS CARD COMPLETELY AND MAIL WITHIN 14 DAYS FROM DATE OF PURCHASE OR REGISTER ON-LINE AT www.ghpgroupinc.com
- NAME: _______________________________
- PHONE: ( ) _________________
- EMAIL: ____________________________________
- ADDRESS: ___________________________
- CITY: ________________________
- STATE: _____________________
- ZIP: ___________
- MODEL: ______________________________
- SERIAL#: _____________________
- DATE PURCHASED: _________________________
- DEALER PURCHASED FROM: _________________________________________
- TYPE OF STORE: __________________________
- CITY & STATE WHERE PURCHASED: ___________________________________
- RICE PAID: _______________________________
Please Take 1 Minute To Give Us Your Answers To The Following Questions. All Responses Used Solely For Market Research And Are Held In Strict Confidence.
- Who primarily decided this purchase? Male Female 18-24 25-39 40-59 60 and over of age?
- Do you own any other portable heaters? Yes No If yes, type_______________________ brand_____________________________
- How do you intend to use your new heater? Construction Site Farm Warehouse/Commercial Garage/Outbuilding Other
- How did you become aware of this heater? In-Store Display Newspaper Ad Magazine Ad Friend/Relative
- TV Commercial Store Salesperson Other_____________________________________________________________________
- What made you select this heater? Style Size/Portability Price Package Brand Other___________________________
- Do you: Own Rent Would you recommend this heater to a friend? Yes No
THANK YOU FOR COMPLETING THIS FORM! Information will be held confidential
WARRANTY REGISTRATION
IMPORTANT: We urge you to fill out your warranty registration card within fourteen (14) days of date of purchase. You can also register your warranty on the internet at www.ghpgroupinc.com. Complete the entire serial number. Retain this portion of the card for your records.
GHP Group, Inc. 6440 W Howard St Niles, IL 60714-3302
Tel: (877) 447-4768
www.ghpgroupinc.com
GHP Group, Inc. 6440 W Howard St Niles, IL 60714-3302






















