EcoLock ECL656 Stop-Start Idle Reduction
Instruction Manual

EcoLock™ ECL656
Stop/Start Idle Reduction with Anti-Theft
2019 – 2022 Chevy Silverado/GMC Sierra
Contact InterMotive for additional vehicle applications.
Introduction
EcoLock is an automatic engine stop/start system that provides improved fuel economy, lower vehicle emissions, improved engine life, and extended oil changes by shutting off the engine when appropriate. When enabled by the driver, and with Transmission in Park, EcoLock allows an officer to remove the keys from the ignition, and leave the vehicle unattended, but with electrical loads left on (light bar, etc.). EcoLock will then continuously monitor battery voltage and cabin temperature while locking the shifter in Park. If either parameter moves outside of a preset range, EcoLock will automatically restart the engine, charging the battery and enabling AC/Heat (as set by officer). EcoLock will then cycle the engine on and off over time as needed to maintain battery voltage and/or cabin temperature. EcoLock will automatically shut off the engine if anyone attempts to steal the vehicle by shifting out of Park while the keys are removed. In addition, the trunk and weapon rack release buttons are deactivated after EcoLock becomes active, preventing theft. EcoLock is instantly disabled when the keys are inserted and turned to Run. EcoLock can be used on K-9 units to maintain cabin temperatures in a preset range.
Installation Instructions
IMPORTANT — READ BEFORE INSTALLATION
It is the installer’s responsibility to route and secure all wiring harnesses where they cannot be damaged by sharp objects, mechanical moving parts and high heat sources. Failure to do so could result in damage to the system or vehicle and create possible safety concerns for the operator and passengers.
Avoid placing the module where it could encounter strong magnetic fields from high current cabling connected to motors, solenoids, etc. Avoid radio frequency energy from antennas or inverters next to the module. Avoid high voltage spikes in vehicle wiring by always using diode clamped relays and solenoids when installing upfitter circuits.
CAUTION
All electronic products are susceptible to damage from Electrostatic Discharge or ESD. Ground yourself before handling or working with the module and harnessing by first touching chassis ground, such as the barrel of the cigarette lighter.
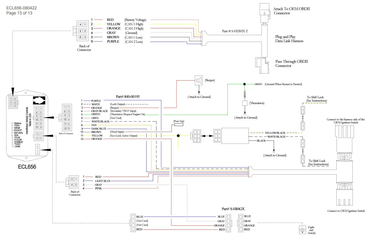
Data Link Harness
- Locate the vehicle’s OBDII Data Link Connector. It will be mounted below the lower left dash panel.
- Remove the mounting screws for the OBDII connector. Plug the Red connector from the EcoLock Data Link Harness into the vehicle’s OBDII connector. Ensure the connection is fully seated and secure connectors together with the supplied wire tie.
- Mount the Black pass through connector from the EcoLock Data Link Harness in the former location of the vehicle’s OBDII connector.
- Secure the EcoLock Data Link harness so that it does not hang below the lower dash panel.
- Plug the free end of the Data Link harness into the mating 6-pin connector on the EcoLock module.

Ignition Switch Harness
The ignition switch must be accessed in order to connect the Eco-Lock ignition harness.
- Remove two T27 Torx screws from lower dash panel.
Solid arrows in image indicate screw locations. - Firmly grasp right side of lower dash panel and pull towards the rear of the vehicle to release clips.
Dashed arrows in image indicate approximate clip locations. The left side of the lower dash panel will still be connected to vehicle.
- Remove steering column tilt lever by pulling away from steering column.

- Image shows steering column after steering column tilt lever has been removed.

- Remove lower half of steering column cover. There are several clips. To release, apply inward pressure on top half of cover and pull down on lower half of cover.
- Locate ignition switch connector. Use image for reference.

- Remove the OEM 6 pin connector from the ignition switch and connect it to the female connector of the Eco-Lock harness. Connect the male Eco-Lock connector to the OEM ignition switch.
Shift Lock Harness
- Locate the OEM Yellow-White wire in pin 1 of the shift lock connector.
- Cut this wire several inches from the connector to provide enough length to work with.
- Connect the Yellow-Black wire from the ECL656 shift lock harnessing to the OEM Yellow-White wire on the connector side.
- Connect the White-Black wire from the ECL656 shift lock harnessing to the OEM Yellow-White wire on the harness side.
- Use the provided Posi-Tap to connect the Black wire from the ECL656 shift lock harnessing to the OEM Black wire in pin 2 of the shift lock connector.

Eco-Lock Output
Pin 2 White wire of the 12 pin connector is the EcoLock output. This output is meant to be attached to installer supplied normally closed relays to disable the trunk and weapon rack release buttons. When EcoLock activates this output, the relays will open the circuits to the buttons and disable them. This prevents theft when Eco-Lock is active and the vehicle unattended.
If EcoLock is enabled, this output activates after a 10 second delay when the key is removed from the ignition. The delay timer is configurable via a laptop connection. This output remains active until the key is back in the run position even in the event of a security shutdown.
Eco-Lock Active Output
Pin 11, Yellow wire of the 12 pin connector is the Eco-Lock Active output. This output (500mA max current) can control installer supplied normally closed relays or auxiliary indicator LEDs. This output can keep police equipment active while EcoLock is cycling the engine. When Eco-Lock is enabled, this output becomes active. This output remains active until the key is back in the run position.
Eco-Lock Enable Switch and Active LED
An LED is provided in the kit which lights when Eco-Lock is active.
- Drill a 16mm (0.630”) hole in the desired mounting location. One possibility is the dash panel to the left of the Steering Wheel.
- Route the LED harness through the hole and mount the LED in the hole.
- Slide the LED’s lock nut onto the harness and snug it down onto the back of the LED.
- Plug in the 4 pin (Black) connector of the LED harness into the mating connector on the Eco-Lock main harness.
- Apply optional “Eco-Lock Enable/Active” label included in the kit.

Aux Battery Input (up to 36 Volt)
Pin #4 (Gray with Black stripe wire) of the 12 Pin Connector is an auxiliary battery voltage monitor input. It measures the analog battery input and can trigger a low battery restart when this input falls below a user defined level. By default, this trigger is disabled, but may be enabled via a laptop connection. Contact InterMotive for details.

Pin #3 Orange wire (inside split loom) of the 12 Pin Connector drives a warning beeper that will sound for 2 seconds prior to an auto restart.
- Attach the beeper using zip ties in a location near where the module will be installed.
- Connect the Orange lead to the Red post of beeper, and Black lead to the negative post. The Black lead eyelet must be grounded in order for the beeper to function.
The bezel on the beeper can be rotated to control volume.
Thermostat/Thermistor
The thermistor may be used to auto restart the engine as a result of either cold or hot temperatures. For example, it may be used to prevent the cabin or even the engine from getting too cold or too hot in severe environments. It may also be used in police K9 vehicles to prevent cabin temperature extremes.
- Mount the thermistor, pin #5 (12 pin connector, Green wire) in a location where it cannot be damaged by sharp objects and mechanical moving parts such as the Park Brake or tilt steering wheel mechanisms.
- Attach the Ground eyelet to a good bare metal ground.
Low Temperature Thermostat Engine Cycling
When a low temperature auto-restart occurs, EcoLock will track change in cabin temperature. If the cabin temperature does not increase 3 degrees in 6 minutes after a low temperature restart, the thermostat is disabled until the key is cycled.
High Temperature Thermostat Engine Cycling
When a high temperature auto-restart occurs, EcoLock will track change in cabin temperature. If the cabin temperature does not decrease 3 degrees in 6 minutes after a high temperature restart, the thermostat is disabled until the key is cycled.
Optional Bimetal Thermostat
A Bimetallic thermostat that will close on temperature rise can be connected to pin #5 (12 pin connector, Green wire with white stripe). When the thermostat reaches the set temperature the switch contacts will close to connect pin#5 to ground and the engine will auto-restart. Once the thermostat switch contacts open again, the engine will auto- shutdown if all other conditions are met. 
Hood Open Disable Switch
The Hood Open Disable input is not optional. This connection must be made in order for the system to operate.
It is one of the most important safety features and time must be taken to properly wire the input as directed.
Pin #10 (12 pin connector, Brown wire inside split loom) is the Hood Open Disable input. As an important safety feature, this connection must be made to prevent auto restarting when someone is working under the hood area.
- Locate the Brown/Light Green wire in pin 24 of the black connector (X4) on the BCM under the drivers side kick-panel.
- Connect the Posi-Tap provided in the kit to the wire.


EcoLock Module Mounting
Ensure all harnesses are properly connected and routed, and are not hanging below the dash area. Mount the module as described on page one and secure with supplied screws or double sided tape.
EcoLock Harness (4 Pin connector and 12 Pin connector)
- Plug the EcoLock 12 Pin connector into the mating 12 pin connector on the EcoLock module.
- Plug the EcoLock 4 Pin connector into the mating 4 pin connector on the EcoLock module.
Reconnect the vehicle battery
Configurable options (with default settings)
- Battery restart, recharge, and delay values:
• Restart Voltage = 12.0V
• Restart Delay (the battery Voltage must be below this threshold for this period of time before a low battery auto-restart) = 5 Seconds
• Recharge Voltage = 13.5V (engine runs until this voltage is reached, then the Recharge Timer starts (see below).
• Recharge Timer = 60 Seconds (engine continues to run after reaching Recharge Voltage for this length of time). - Secondary battery restart, recharge, and delay values (disabled by default).
- EcoLock enable settings (this input activates the system— usually a switch controls this).
• EcoLock enable sense = High true (Not Configurable)
• EcoLock enable delay = 3 seconds - EcoLock timer duration (this timer is for vehicle lock-down, gun rack and trunk) = 10 Seconds
- Idle shutoff timer duration (after driver shuts key off, engine shuts down) = 2 Seconds
- Enable/disable idle shutoff timer = Enabled
- Lowest allowable engine temperature for auto-shutoff to occur = -40° F
- Operation of the Brake pedal = Auto-restart
- Thermostat settings:
• Enable/Disable thermostat = Enabled
• Low restart temperature = 40° F
• High restart temperature = 85° F
• Warm-up temperature = 55° F (after a low temperature restart, engine will not shut off until cabin temperature exceeds this value).
• Cool-down temperature = 75° F (after a high temperature restart, engine will not shut off until cabin cools to this value).
EcoLock Programming Utility Instructions
Requirements:
- Java Runtime Environment (v1.6.0_18 or later [32 bit]) must be installed on your computer prior to running this utility. Most PC’s already have Java installed. The most recent version can be obtained for free at http://java.com/en/download/manual.jsp.
- The EcoLock Programming Utility. This is a free Intermotive software program that will need to be loaded on your PC. The files are available from the download page at www.intermotive.net. It is recommended that an “InterMotive” folder be created to store the files.
- USB to Serial cable (part# s-h37a1) is included with the a-IPU kit and is a one-time purchase. This kit is required for all programming and is recommended to be kept in a central location.
Once EcoLock Programming Utility has been run and the specific configuration has been created, it can be downloaded onto the EcoLock module(s) with the Programming Utility.
Computer Installation:
- Ensure the proper driver is installed for the USB to Serial download cable. This driver can be found at: http://www.ftdichip.com/Drivers/VCP.htm
- To install the programming utility, unzip the EcoLock Programming Utility folder to your local hard drive.
- Create a shortcut on the desktop if necessary, but do not eparate the EcoLock Programming Utility.exe file from the rxtxSerial.dll file!
- Plug in the USB cable (Part# s-h37a1) prior to starting the application.
- Double click the EcoLock Programming Utility.exe file to launch.
- This screen will come up.
• If the program does not launch, close all applications and reinstall the Java Runtime Environment and the EcoLock Programming Utility.
• All options in the configuration menu come with descriptions that explain what parameters are currently set and how to update them. - Configure the settings as desired.
- Select “Save Configuration” under the “File” tab.
- Enter a configuration name (Max. 16 characters) and click “OK”.
Desktop Programming the EcoLock
The InterMotive “a-IPU” kit is sold separately and allows programming the EcoLock on your desktop. It consists of a 12VDC wall adapter and download cable and works with the EcoLock programming software utility.
Note: Do not have the EcoLock Programming Utility opened until instructed to do so.
- Plug the Module Desktop Power/Ground Supply inverter into a 120V AC power source.
- Locate the 6-Pin Female connector on the module but do not connect the AC adapter to the EcoLock module until indicated in the following steps.
- Plug the phone jack end of the download cable into the J4 COMM port of the EcoLock module and the USB end into your PC.
Loading your previously created Configuration file into the EcoLock:
Open the EcoLock Programming Utility. Under the “Download” tab on the EcoLock Programming Utility, choose the COM Port the USB cable is connected to.
Note: This can be determined on Windows 7 by right-clicking on ‘Computer’ and selecting ‘Properties.’ From this window click on ‘Device Manager.’ In the Device Manager window, expand the ‘Ports’ menu and the download cable will display as ‘USB Serial Port (COM#).’
Click the ‘Open File’ button.
- Open the ECL*.ims or configuration file to load on the EcoLock module.
(This file must already be loaded on the computer). - Click the load button on the computer screen. “Waiting” will come up next to the progress bar. This means the program is waiting for the download cable to be plugged into the EcoLock module.

- Plug in the 6 pin connector of the power adapter into the EcoLock module. The progress bar on the computer screen will display status as the configuration loads and takes approximately 2 seconds or less.
- Configuration is loaded once the screen says “DONE” and programming is complete.
To verify that the correct data was loaded into the module, disconnect the 6 pin connector from the module and press the ‘Get” button on the screen.
Plug in the 6 pin connector and the information will be displayed.
To program another module with the same configuration file, start with step 2.
Post Installation Operational Test
Putting module into Installation Test Mode
The installation test mode can be entered by performing the following steps:
- Apply and hold a ground to the Gold test pad on the module labeled “Test” for approximately 5 seconds. All the LED’s on the module will briefly flash and LED 3 will stay illuminated.
- The module is now in “Installation Test Mode.”
EcoLock now functions without monitoring the following pre-conditions: Engine Temp, Battery Voltage, and thermostat. It will also enable Service Brake restarts. This allows for easier testing for the installer.
Several conditions will prevent EcoLock from auto-shutdown in test mode:
Service Brake Pedal Applied, Hood Open (Open = Not Grounded), or Vehicle Speed not zero (Vss ≠ 0).
Test 1. Start the Engine (Trans = Park, Hood closed).
Test 2. While the engine is running, enable EcoLock to go active by asserting the enable request input (switch,
button, control head, etc.).
• The Yellow LED will flash five times and then blink every two seconds.
• Remove the key from the ignition within 3 seconds (settable).
• The engine will remain on for two seconds (Settable: Idle Timer) after the key is removed.
Test 3. EcoLock is now active and will begin monitoring restart triggers. Press Service Brake to manually
trigger a restart. Release Service Brake and engine will shut off in 2 seconds.
Test 4. Ten seconds (settable) after the key is removed, EcoLock disables the trunk and weapon rack release
buttons (if implemented). Ensure trunk and weapons release buttons are disabled.
Test 5. With the engine Off and EcoLock active, open the hood. Press the Service Brake and the engine must
not restart. Once the hood is closed, the Service Brake will restart the engine.
Test 6. To deactivate the system, turn the key to run. The Yellow LED will flash five times and stop.









• If the program does not launch, close all applications and reinstall the Java Runtime Environment and the EcoLock Programming Utility.
















