Tenda N3L-8H Video Security NVR

Please read this guide before you start with the quick setup for this device upon the first use. For product or function details, please go to www.tendacn.com to download the user guide.
Package contents
The N6P-4H of the Network Video Recorder (NVR) Is taken as an example here. The actual product prevails.

- Installation package x 1
Screw. BM3.0*5 mm
(Head diameter: 6.0 mm, head thickness: 2.3 mm)
- Mouse x1

- Quick installation guide x 1
Appearance
The series of NVRs includes ordinary NVR and PoE NVR.
LED Indicator
Bottom panel
The N3L-4H of the NVR is taken as an example here.
Wall- mounting materials are self-prepared. Recommended specifications of the plastic anchors and screws you may use are as follows:
- Plastic anchor: Outer diameter 6.0 mm, length 26.4 mm
- Screw: PA3*14 mm (Head diameter: 5.2 mm, head thickness: 1.8 mm)
Rear panel
Ordinary NVR (The N3L-4H of the NVR is taken as an example here.)
PoE NVR (The N6P-4H of the NVR is taken as an example here.)

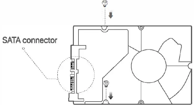
Install the HDD
The N3L-4H of the NVR Is taken as an example here.
This product does not include any HDD. Please prepare it by yourself. You are recommended to use the HDD dedicated for surveillance. You may need a screwdriver. Please prepare it by yourself.
Note
When Installing or replacing the HDD, please cut off the power supply of the NVR, otherwise the HDD may not be detected or even be damaged.
- Unfasten the screws on the bottom, then remove the cover of the NVR. Reserve the screws for later use.

- Take out 2 screws from the NVR installation package, and screw them into the two screw holes closest to the SATA connector. Reserve about 2 mm between the screw head and the HDD for subsequent installation.

- Align the SATA connector of the HDD with the SATA slot on the motherboard of the NVR, and then insert the HDD into the slot until it is tightly fixed.

- Take out the remaining screws from the NVR installation package, and screw them into the HDD screw holes to fix the HDD.

- Mounting the cover with the previously removed screws.


Connect the device
Ordinary NVR topology ( The N3L-4H of the NVR is taken as an example here.)
PoE NVR topology (The N6P-4H of the NVR is taken as an example here.)
Basic configuration
Local management
Startup
Note
Use the included power adapter to power on the NVR Abnormal power supply will cause the NVR to not wock properly, or even the NVR may be damaged.
Connect the included power adapter to the power port of the NVR, and plug the power adapter into the power socket to start up the NVR.
Shutdown
Note
Do not directly cut off the power supply of the NVR to force a shutdown; otherwise, the HDD may be damaged, videos may be lost, or even the NVR may be damaged.
After connecting the mouse and monitor to the NVR, perform the following settings on the NVR’s web UI (exit the Full Screen interface):
Click C) in the upper right corner, click Shutdown@, and then click OK. When The Device is Shut Down. Please Cut Off the Power appears on the screen, unplug the power adapter of the NVR.
Quick setup
After connecting the mouse and monitor to the NVR, you can perform quick setup. The web UI of the NVR may vary depending on different models. The actual web UI prevails. The N3L-4H of the NVR is taken as an example here.
- Set Password, enter your Ema II Address, then click Activate.

- If you want to use a pattern to unlock the web UI, please draw an unlock pattern. Otherwise, click Do Not Use Unlock Pattern and skip to step

- Ensure that the connection status is Connected, and enable or disable the Auto add LAN cameras function as required.
- If you wait to automaticaly add cameras on the LAN side of the NVR, dick Next. Skip to step•·
- If you want to manually add cameras on the LAN side of the NVR, you can disable the Auto add LAN cameras function, and click Next.
Tips
If the connection status is Disconnected, try the following solutions: - Ensure thet the LAN port connection of the NVR is normal.
- Ensure that the DHCP server function of the router to which the NVR Is connected is enabled.

- Add the camera.
Select the camera that you want to add to the Onllne camera list, and click Add. When the cameras appear in the Added camera list and the status is Online, click Next.
Tips- Ensure that the IP address of the camera that you want to add and the IP address of the NVR are in the same network segment.
- If the camera that you want to add is activated and the user name a nd password are different from those of the NVR, click ::-=:,, enter the relevant Information, and click Add

- Ensure that the cloud status is Online and click OK.
Tips
- If the cloud status Is offline &, please ensure that the router to which lhe NVR Is connected can access the Internet and the fllter function ls disabled.
- You can also manage the NVR through the TDSEE App. Please refer to App management In this guide for details.
Completed.
You can preview real-time video, play back the recordings and manage monitoring devices, etc.
Web management
These series of NVRs can be managed on the web UI.
Activate
If the NVR is not activated, you can activate it through the web UL When the activation is completed, you can directly enter the Live Vaew page.
- Connect the computer to the switch or router that is connected to the NVR.
- Set the IP address of the computer 10 an unused one belonging 10 the same network segment as the IP address of the NVR but different from the IP address of the NVR
The default login IP address of the NVR is 192.168.0.254, and the DHCP function is enabled. If there Is a DHCP server in the network, the IP address of the NVR may be changed. Please refer to the actual IP address assigned to the NVR by the DHCP server.
- Start a browser and enter the IP address of the NVR in the address bar. Set Password, enter your Email Address, and click Activate.

Settings completed. You can enter the web UI of the NVR to preview real-time video or configure the NVR as required.
Log in to web UI
- Refer to the steps Oto 8 in the Activate section to connect to the computer and set its IP address.
- Start a browser and enter the IP address of the NVR in the address bar. Enter the Login User Name and Login Password, then click Login.

After successfully logging in to the web UI of the NVR, you can preview real-time video, play back the recordings or configure the NVR as required.
App management
After the cloud service of the NVR Is enabled and the cloud status is online, you can add and manage the NVR through the TDSEE App.
- Download the TDSEE App.
After the mobile phone is connected to the internet successfully, download and install the TDSEE onto your mobile phone by scanning the QR code or by searching for TDSEE in the Google Play or App Store.
- Ensure that the NVR is powered on and working properly.
- Run the TDSEE App and follow the instructions to complete user registration. Enter the Home page, then tap Add a device or tfJ in the upper right corner of the home page.
Note
To ensure that the login password of the NVR can be reset through the TDSEE App, please register using the email address you used to activate the NVR. - Scan the QR code on the label at the bottom of the NVR or scan the QR code on the Cloud Service page, then follow the instructions in the App.
After adding the NVR, you can remotely preview real-time video, play back the recordings and check alarm messages through the TDSEE App.
FAQ
Q1. What should I do II there are no playback videos on the NVR?
A1 Ty the following solutions:
- Ensure that the HDD is working properly.
Navigate to Configuration> Storage> HDD:- If the HDD is not detected, please shut down the NVR first, reinstall the HD□ and start up the NVR.
- If the HDD is under abnormal status, please shut down the NVR first, reinstall the HOD and start up the NVR. If the problem persists, please fom,at the HOD.
- If the formatting falls, please shut down the NVR first, replace the HDD and start up the NVR.
- Ensure that the recording plan is proper.
Navigate to Configuration >Storage> Schedule, and ensure that:- The channel recording schedule is enabled.
- The recording time and recording type have been set properly. If not, please set and save them according to the actual situation.
Q2. What should I do II the TDSEE App falls to add the NVR?
A2.. Try the following solutions:
Navigate to Configuration > Network > Cloud Service of the NVR to ensure that the cloud service function is enabled.
- If Cloud Status is Online, please ensure that the mobile phone (with the App installed) is connected to the Internet.
- If Cloud Status is Offline, try the following solutions:
- Navigate to Configuration > Network> Internet to ensure that the internet parameters configuration is correct.
- Ensure that the LAN port of the NVR is correctly connected to the peer side {switch or router).
- Ensure that the router in the network is connected to the internet and the filter function is enabled (such as MAC filter, blacklist, etc.).
- Ensure that the DHCP server function of the router in the network is enabled.
Q3: What should I do if there is no image display on the video recorder channel?
A3: Navigate to Configuration> Channel> Cmnera of the NVR, find the Added Cmnera, and check the camera status of the channel.
- If the camera status of the channel is Online, navigate to Configuration > Channel> Image of the NVR,and ensure that the Brightness and Contrast L11derthe Image Parameters are not both O.
- If the camera status of the channel is Error, please hover the mouse O to check the exception reason, and try the following solutions:
- If the exception reason is Incorrect user name or password, please click,(” and re-enter the h:)tJin user name and password.
- If the exception reason is Disconnected, ensure that the connection between the NVR and the camera is normal, and the Ethernet cable is not loose.
- Delete the camera and add It again.
- Power off the camera and restart it.
- Reset the camera, and then add it again.
Completed.
You can preview real-time video, play back the recordings and manage monitoring devices, etc.
CE Mark Warning (N3L-4H & N3L-BH & N3L-16H)
CE Mark Warning
This is a Class B product. In a domestic environment, this product may cause radio interference, in which case the user may be required to take adequate measures. The mains plug Is used as disconnect device, the disconnect device shall remain readily operable.
NOTE:
- The manufacturer is not responsible for any radio or 1V interference caused by unauthorized modifications to this equipment.
- To avoid unnecessary radiation interference, it is recommended to use a shielded RJ45 cable.
CE Mark Warning (N6P-4H & N6P-8H & N6P-16H)
CE Mark Warning
This is a Class A product. In a domestic environment, this product may cause radio interference, in which case the user may be required to take adequate measures. The mains plug is used as disconnect device, the disconnect device shall remain readily operable.
NOTE:
- The manufacturer is not responsible for any radio or 1V interference caused by unauthorized modifications to this equipment.
- To avoid unnecessary radiation interference, it is recommended to use a shielded RJ45 cable.
Caution (N6P-4H)
- Adapter Model: BN031-A65051
- Input: 100-240V AC 50/60Hz 1.5A
- Output: 51.0V DC, 1.25A
- Manufacturer: SHENZHEN HEWEISHUN NETWORK TECHNOLOGY CO., LTD
DC Voltage
Caution (N3L-4H & N3L-BH & N3L-16H)
- Adapter Model: BN026-A24012E, BN026-A24012B
- Input: 100-240V AC, 50/60Hz 0.7A
- Output: 12V DC, 2A
- Manufacture: SHENZHEN HEWEISHUN NETWORK TECHNOLOGY CO., LTD.
DC Voltage
Caution (N6P-8H & N6P-16H)
- Adapter Model: 2AAL090R
- Input: 100-240V AC, 50/60Hz 1.5A
- Output: 48V DC, 1.875A
- Manufacture: CHANNEL WELL TECHNOLOGY CO., LTD.
DC Voltage
FCC Statement (N3L-4H & N3L-8H & N3L-16H)
This equipment has been tested and found to comply with the limits for a Class B digital device, pursuant to Part 15 of the FCC Rules. These limits are designed to provide reasonable protection against harmful interference in a residential installation. This equipment generates, uses and can radiate radio frequency energy and, if not installed and used in accordance with the instructions, may caLJSe harmful interference to radio corm,unications. However, there is no guarantee that interference will not occur in a particular installation. If this equipment does cause harmful interference to radio or television reception, which can be determined by turning the equipment off and on, the user is encouraged to try to correct the interference by one or more of the following measures:
- Reorient or relocate the receiving antenna.
- Increase the separation between the equipment and receiver.
- Connect the equipment into an outlet on a circuit different from that to which the receiver is connected.
- Consult the dealer or an experienced radio[TV technician for help.
Operation Is subject to the following two conditions:
- this device may not cause harmful Interference, and
- this device must accept any interference received, including interference that may cause undesired operation . Caution!
Any changes or modifications not expressly approved by the party responsible for compliance could void the user’s authority to operate the equipment.
NOTE:
- The manufacturer Is not responsible for any radio or TV Interference caused by unauthorized modifications to this equipment.
- To avoid unnecessary radiation interference, it is recommended to use a shielded RJ45 cable.
FCC Statement (N6P-4H & N6P-8H & N6P-16H}
This equipment has been tested and found to comply with the limits for a Class A digital device, pursuant to Part 15 of the FCC Rules. These limits are designed to provide reasonable protection against harmful interference when the equipment is operated in a commercial environment. This equipment generates, uses, and can radiate radio frequency energy and, if not installed and used in accordance with the instruction manual, may cause harmful interference to radio communications. Operation of this equipment in a residential area is likely to cause harmful interference in which case the user will be required to correct the interference at his own expense.
Operation rs subject to the following two conditions:
- this device may not cause harmful Interference, and
- this device must accept any interference received, including interference that may cause undesired operation.
Caution!
Arry changes or modifications not expressly approved by the party responsible for compliance could void the user’s authority to operate the equipment.
NOTE:
- The manufacturer is not responsible for any radio or TV interference caused by unauthorized modifications to this equipment.
- To avoid unnecessary radiation interference, it is recommended to use a shielded RJ45 cable.
RECYCLING
This product bears the selective sorting symbol for Waste electrical and electronic equipment (WEEE). This means that this product must be handled pursuant to European directive 2012/19/EU in order to be recycled or dismantled to minimize its impact on the environment. User has the choice to give his product to a competent recycling organization or to the retaller when he buys new electrical or electronic equipment.
- Temperature: O”C-40
- Humidity: (10- 90) %RH, non-condensing
Technical Support
Shenzhen Tenda Technology Co., Ltd.
6-B Floor, Tower E3, N0.1001, Zhongshanyuan Road, Nanshan District, Shenzhen, China. 516052 USA hotline: 1-8 00-570-5892
Toll Free: 7 x 24 hours
Canada hotline: 1-888-998-8 966
Toll Free: Mon – Fri 9 am – 6 pm PST
Hong Kong hotline: 008 52-819319 98
Global hotline: +86 75 5-276 5 718 0 {China Time Zone)
Website: www.tendacn.com
E-mail: [email protected]
Copyright
© 2021 Shenzhen Tenda Technology Co., Ltd. All rights reserved.
Tenda is a registered trademark legally held by Shenzhen Tenda Technology Co., Ltd. Other brand and product names mentioned herein are trademarks or registered trademarks of their respective holders. Specifications are subject to change without notice.




































