KIKUSUI PLZ2405WB Electronic Load Booster Instruction Manual
Introduction
This product can be connected in parallel with a PLZ1205W electronic load to increase input current. You can connect up to four units to a single PLZ1205W. The PLZ1205W operates as a master unit and the PLZ2405WB as a slave unit.
| Number of boosters | Maximum power | Maximum current |
| 1 unit | 3 600 W | 720 A |
| 2 units | 6 000 W | 1 200 A |
| 3 units | 8 400 W | 1 680 A |
| 4 units | 10 800 W | 2 160 A |
About this manual
This manual contains an overview of the PLZ2405WB electronic load booster and information about connection, specifications, and the like. For information on how to perform parallel operation, see the PLZ1205W Series Electronic Load User’s Manual.
These manuals are intended for users of this product and their instructors. Explanations are given under the presumption that the reader has knowledge of power supplies.
Every effort has been made to ensure the accuracy of this manual.
However, if you have any questions or find any errors or omissions, please contact your Kikusui agent or distributor.
If you find any misplaced or missing pages in the manuals, they will be replaced. If the manual gets lost or soiled, a new copy can be provided for a fee. In either case, please contact your Kikusui agent or distributor. At that time, inform your agent or distributor of the “Part No.” written on the front cover of this manual.
After you have finished reading this manual, store it so that you can use it for reference at any time.
Features
- Connecting the maximum of number of boosters (four) in parallel with the PLZ1205W (master unit) creates a 10.8 kW, 2160 A load. The master unit shows the total current and total power. The entire set of units connected in parallel can be used as a single load.
- Connection is easy. Only a single signal cable needs to be connected between the master unit and a booster and between each booster.
- There is no power switch. The on and off of the AC input power supply is controlled by the master unit.
Checking the Package Contents
Check that all accessories are included and that the main unit and accessories have not been damaged during transportation. If the main unit or any of the accessories are damaged or missing, contact your Kikusui agent or distributor. We recommend that you save all packing materials, in case the product needs to be transported at a later date.
Accessories
The attached power cord varies depending on the shipment destination.
- Power cord (1 pc., length: 2.5 m)

- Load input terminal cover

- Parallel operation signal cable kit (PC01-PLZ-5W)

- Load input terminal screw set (2 sets)

- Screws for the load input terminal cover (2 pcs.) [M3-112-018]

- Operation manual (this manual; 1 copy) China RoHS sheet (1pc.)
- Safety Information (1pc.)
Notations Used in this Manual
- In this manual, the PLZ1205W and PLZ2405WB are sometimes referred to as a load.
- The PLZ1205W is sometimes referred to as the master unit.
- The PLZ2405WB is sometimes referred to as a booster.
- The illustrations used in this manual may differ from the actual items.
- The following markings are used in the explanations in this manual.
WARNING: Indicates a potentially hazardous situation which, if ignored, could result in death or serious injury.
CAUTION: Indicates a potentially hazardous situation which, if ignored, may result in slight injury or damage to the product or other property.
Note: Indicates information that you should know.
Safety Precautions
When using this product, be sure to observe the precautions in the Safety Information manual.
Items specific to this product are given below.
CAUTION
Do not stack three or more loads on top of each other.
You can stack loads (booster and master unit), but for safety reasons, only stack up to two units. If you want to use two or more boosters, we recommend that you rack mount them.

Notes on Usage
When installing this product, be sure to observe the temperature and humidity ranges indicated below.
- Operating temperature range: 0 °C to 40 °C (32 °F to 104 °F)
- Operating humidity range: 20 %rh to 85 %rh (no condensation)
When storing this product, be sure to observe the temperature and humidity ranges indicated below.
- Storage temperature range: -20 °C to 70 °C (-4 °F to 158 °F)
- Storage humidity range: 90 %rh or less (no condensation)
- Be sure to include this manual.
Component Names
Front panel

Rear panel

- Air inlet for internal cooling (louver)
Air inlet for exhausting internal heat using a fan. - LOAD LED
Solid green: When load is on. - ALARM LED
Blinking red: Overheat protection activated in this product
Solid red: An alarm detected in another product connected in parallel. - POWER LED
Solid green: When the master unit connected in parallel is on. - DC INPUT (load input terminal)
Terminal for connecting the DUT. - PARALLEL connector
Connectors for connecting the included parallel operation signal cable to enable parallel operation. The upper connector is the IN connector, and the lower connector the OUT. - Serial number
- AC INPUT connector
Power inlet. - Air outlet
Air outlet for exhausting internal heat using a fan.
Connecting the Master Unit
Use the included parallel operation signal cables to connect between loads. You can connect up to four boosters to a single master unit (PLZ1205W). To prevent unstable operation, run the load cables and parallel operation signal cables as far away from each other as possible.
CAUTION
To avoid damaging the product, observe the following precautions.
- Do not connect the cables to the wrong connectors.
- Do not perform standalone operation with the parallel operation signal cable left connected.
—Note—
Do not use cables other than the included parallel operation signal cables to connect.
- Check the following items.
- The master unit’s POWER switch is turned off (○).
- The booster power cords are not connected.
- Connect the PARALLEL connectors of the master unit and boosters using parallel operation signal cables.

This completes the procedure for connecting the signal wires.
Connecting to the DUT
Connect the load and DUT using load cables. Wiring precautions and other items to be considered when connecting the DUT are the same as those when wiring the PLZ1205W. To ensure operational stability, see “Methods to Stabilize Operation” in the appendix of the PLZ1205W User’s Manual.
WARNING
- Risk of fire. Use load cables whose capacity is adequate for the product’s rated output current.
- Risk of electric shock. Use load cables with a voltage rating that meets or exceeds the product’s isolation voltage (±500 V)
CAUTION
Use load cables with a core diameter that is appropriate for the amount of current being used and with sturdy, flame-resistant insulation.
Selecting the load cable
If the resistance of the cables used as the load cables is large, a large voltage drop may occur when current flows through the cables. This may result in the load input terminal voltage being lower than the minimum operating voltage of this product. Referring to the table below, select a cable with a nominal cross-sectional area as great as possible.
| Nominal cross-sectional area [mm2] | AWG | (Reference cross-sectional area) [mm2] | Allowable current1 [A] (Ta = 30 °C) | Kikusui- recommended current [A] |
| 50 | 1/0 | (53.49) | 190 | – |
| 60 | 2/0 | (67.43) | 217 | – |
| 80 | 3/0 | (85.01) | 257 | 200 |
| 100 | 4/0 | (107.2) | 298 | – |
| 125 | – | – | 344 | – |
| 150 | – | – | 395 | 300 |
| 200 | – | – | 469 | – |
| 250 | – | – | 556 | – |
| 325 | – | – | 650 | – |
Excerpt from Japanese laws related to electrical equipment.
Note
A cable’s temperature is determined by the resistive loss based on the current, the ambient temperature, and the cable’s external thermal resistance. The above table shows the current capacity of heat-resistant vinyl cables that have a maximum allowable temperature of 60 °C when one of the cables is separated and stretched out horizontally in air in an ambient temperature of 30 °C. The current must be reduced under certain conditions, such as when vinyl cables that have a low heat resistance are used, when the ambient temperature is 30 °C or greater, or when cables are bundled together and little heat is radiated.
Connecting the DUT
The load input terminal of the master unit (PLZ1205W) is not designed to handle as large a current as the load input terminal of the booster. Separate the load cables that are connected to the DUT into those that are connected to the master unit and those that are connected to the boosters. Use load cables that are as thick and short as possible, and make the lengths and cross-sectional areas the same.
WARNING
Risk of electric shock.
- Do not touch load terminals when the output is turned on.
- Be sure to use the load input terminal cover.
CAUTION
- To avoid damaging the product, observe the following precautions. On the master unit, be sure to use the load input terminal on the rear panel. Do not connect other electronic loads to the load input terminals on the front panel.
To avoid overheating, observe the following precaution. Attach crimping terminals to the cables, and use the supplied screws to connect the cables.
- Check the following items.
- The master unit’s POWER switch is turned off (○).
- The booster power cords are not connected.
- The DUT’s output is off.
- Connect load cables to the load input terminal on the master unit’s rear panel as shown in the PLZ1205W user’s manual.
- Connect the load cables to the load input terminals on the booster using the included load input terminal screw set.
Tightening torque : 33.06 N·m
- Place the bottom half of the load input terminal cover underneath the load input terminals.

- Align the top half of the load input terminal cover to the bottom half.

- Push the load input terminal cover against the panel, and fasten it with the included load input terminal cover screws. Make sure that the screws are securely fastened.

If there are several boosters, connect load cables to all of them in a similar manner. - Refer to the following figure, and connect the master unit and boosters to the DUT. Example: Connection of two boosters.

This completes the procedure for connecting the load cables.
Connecting the Power Cord
This product conforms to IEC Overvoltage Category II (energy-consuming equipment that is supplied from a fixed installation).
WARNING
Risk of electric shock.
- This product conforms to IEC Safety Class I (equipment that has a protective conductor terminal). Be sure to earth ground the product.
- Connect the protective conductor terminal to earth ground.
Use the included power cord to connect to the AC line.
If the supplied power cord cannot be used because the rated voltage or the plug shape is incompatible, have a qualified engineer replace it with an appropriate power cord that is 3 m or less in length. If obtaining a power cord is difficult, contact your Kikusui agent or distributor. The power cord with a plug can be used to disconnect the product from the AC power line in an emergency. Connect the plug to an easily accessible power outlet so that the plug can be removed from the outlet at any time. Be sure to provide adequate clearance around the power outlet.
Do not use the supplied power cord with other instruments.
This product does not have a power switch. The power is synchronized to the on/off state of the master unit.
- Check that the AC power line meets the nominal input rating of the product. The product can receive a nominal line voltage in the range of 100 Vac to 240 Vac at 50 Hz or 60 Hz.
- Connect the power cord to the AC INPUT connector on the rear panel.
- Connect the power cord plug to a properly grounded outlet.
Performing Parallel Operation
During parallel operation, the slew rate and response speed settings on the master unit are used.
If large voltage drops occur because of increased wiring inductance or if oscillations occur due to instability of the product caused by current phase lag, reduce the response speed to ensure stable operation.
Turning the power on and off
- Turning the power on
Turn the master unit’s POWER switch on. This will also turn the boosters on. Set the operation mode and configure the settings on the master unit, and turn the load on. - Turning the power off
Turn the master unit’s POWER switch off. This will also turn the boosters off.
Ending parallel operation
To set the master unit back to independent operation, turn the master unit off, and then remove the parallel operation signal cables.
CAUTION
To avoid damaging the product, observe the following precautions. Do not perform standalone operation with the parallel operation signal cable left connected.
Calibration
The product is calibrated before shipment. To maintain long-term performance, we recommend periodic calibration. To have your PLZ2405WB calibrated, contact your Kikusui agent or distributor.
Rack Mount Brackets
The following brackets are available as options.
| For EIA inch racks | For JIS millimeter racks |
| KRB2-TOS | KRB100-TOS |

When mounting to a rack, to support the main unit, attach an angle support to it that is appropriate for the rack. For information about options, contact your Kikusui agent or distributor.
Specifications
Electrical specifications
Unless specified otherwise, the specifications are for the following settings and conditions.
- Warm-up time: 30 minutes (with current flowing)
- Ambient temperature 23°C±5°C The used terminology is as follows:
- TYP: These are typical values that are representative of situations where the product operates in an environment with an ambient temperature of 23°C. These values do not guarantee the performance of the product.
- set: Indicates a setting.
- range: Indicates the rated value of each range.
- reading: Indicates a reading.
Ratings
| Operating voltage | 0.25 Vdc to 150 Vdc |
| Current | 480 A |
| Power | 2 400 W |
Current range
| H range | 0 A to 480 A |
| M range | 0 A to 48 A |
| L range | 0 A to 4.8 A |
Setting accuracy
| CC mode | H range | ±(0.4 % of set + 0.8 % of range) |
| M range | ±(0.4 % of set + 0.8 % of range) | |
| L range | ±(0.4 % of set + 5 % of range) | |
| CR mode | H range | ±(0.5 % of set + 1.5 % of range |
| M range | ±(0.5 % of set + 1.5 % of range | |
| L range | ±(0.5 % of set + 5 % of range | |
| CV mode | ±(0.2 % of set + 0.2 % of range) | |
| CP mode1 | H range | ±(2 % of range + 0.4 % current range × Vin ) |
| M range | ±(2 % of range + 0.4 % current range × Vin ) | |
| L range | ±(2 % of range + 2.5 % current range × Vin | |
1. Vin: Load input terminal voltage or sensing terminal voltage.
Measurement accuracy
| Voltmeter accuracy | ±(0.1 % of reading + 0.1 % of range) | |
| Ammeter accuracy | H range | ±(0.4 % of reading + 0.8 % of range) |
| M range | ±(0.4 % of reading + 0.8 % of range) | |
| L range | ±(0.4 % of reading + 5 % of range) | |
Protection functions
| Over temperature protection (OTP) | Turns off the load when the heatsink temperature reaches 100 °C |
General specifications
| Input power supply voltage range | 100 Vac to 240 Vac (90 Vac to 250 Vac single-phase, continuous | |
| Input frequency range | 47 Hz to 63 Hz | |
| Power consumption | 95 VAmax | |
| Inrush current (peak value) | 45 Apeak | |
| Environment | Operating temperature range | 0 °C to 40 °C (32 °F to 104 °F) |
| Operating humidity range | 20 %rh to 85 %rh (no condensation) | |
| Storage temperature range | -20 °C to 70 °C (-4 °F to 158 °F) | |
| Storage humidity range: | 90 %rh or less (no condensation) | |
| Installation location | Indoor use, altitude of up to 2 000 m, overvoltage category II | |
| Isolation voltage | ±500 V | |
| Insulation resistance | Between primary and input terminals, between primary and chassis, between input terminals and chassis | 500 Vdc 30 MΩ or greater (at 70 %rh humidity or less) |
| Withstanding voltage | Between primary and input terminals | No abnormalities at 1 500 Vac for 1 minute |
| Between primary and chassis | No abnormalities at 1 500 Vac for 1 minute | |
| Between input terminals and chassis | No abnormalities at 750 Vdc for 1 minute | |
| External dimensions | See “Outline drawing”. | |
| Weight | Approx. 15 kg (33.07 lb) | |
| Accessories | See (p.1). | |
| Electromagnetic compatibility (EMC)1 2 | Complies with the requirements of the following directive and standards. EMC Directive 2014/30/EU EN 61326-1 (Class A3) EN 55011 (Class A3, Group14) EN 61000-3-2 EN 61000-3-3 Applicable under the following conditions The maximum length of all cabling and wiring connected to the product must be less than 3 m. | |
| Safety1 | Complies with the requirements of the following directive and standards. Low Voltage Directive 2014/35/EU2 | |
- Does not apply to specially made or modified products.
- Limited to products that have the CE mark/UKCA mark on their panel.
- This is a Class A equipment. This product is intended for use in an industrial environment. This product may cause interference if used in residential areas. Such use must be avoided unless the user takes special measures to reduce electromagnetic emissions to prevent interference to the reception of radio and television broadcasts.
- This is a Group 1 equipment. This product does not generate and/or use intentionally radio-frequency energy, in the from of electromagnetic radiation, inductive and/or capacitive coupling, for the treatment of material or inspection/analysis purpose.
- This is a Class I equipment. Be sure to ground the this product protective conductor terminal. The safety of this product is only guaranteed when the product is properly grounded.
- Pollution is addition of foreign matter (solid, liquid or gaseous) that may produce a reduction of dielectric strength or surface resistivity. Pollution Degree 2 assumes that only non-conductive pollution will occur except for an occasional temporary conductivity caused by condensation.
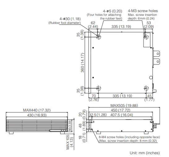
Outline drawing

Trademarks
Microsoft and Windows are either registered trademarks or trademarks of Microsoft Corporation in the United States and/or other countries.
Other company names and product names used in this manual are generally trademarks or registered trademarks of the respective companies.
Copyright
Reproduction and reprinting of this operation manual, whole or partially, without our permission is prohibited. Both unit specifications and manual contents are subject to change without notice. © 2016 Kikusui Electronics Corporation
KIKUSUI ELECTRONICS CORP.
1-1-3, Higashiyamata, Tsuzuki-ku, Yokohama, 224-0023, Japan
TEL: +81-45-482-6353 Fax: +81-45-482-6261
http://www.kikusui.co.jp/en




























