Indoor Load Center
Catalog Number
P2040B1100ACU
Designed for use with
WireGuide™ Circuit Breakers
Enclosure
Type 1
RATINGS:
100A MAXIMUM – SEE MAIN BREAKER RATING IF USED.
BACK-FED BREAKER REQUIRES HOLD-DOWN KIT ECMBR2.
120/240 V~, 60 HZ, 10 3W
208Y/120 V~, 60 HZ, 10 3W
FOR INSTALLATION BY A QUALIFIED PERSON IN ACCORDANCE WITH ALL LOCAL ELECTRICAL CODES AND/OR THE NATIONAL ELECTRICAL CODE ®.
SUITABLE FOR USE AS SERVICE EQUIPMENT WHEN MAIN BREAKER IS INSTALLED. WHEN USED AS SERVICE EQUIPMENT, APPLY “SERVICE DISCONNECT” LABEL TO FRONT NEXT TO MAIN BREAKER HANDLE.
WHEN USED AS SERVICE EQUIPMENT, UNUSED NEUTRAL BAR TERMINALS MAY BE USED TO TERMINATE EQUIPMENT GROUNDING WIRES IN THE COMBINATIONS INDICATED FOR EQUIPMENT GROUND BAR TERMINALS.
IF THE NEUTRAL TIE STRAP IS REMOVED, LUG KIT ECLKB1 MUST BE INSTALLED AND BONDED. THE LEFT NEUTRAL BAR WILL BECOME THE EQUIPMENT GROUND.
TO RESET BREAKERS WITH TRIPPED HANDLE POSITION BETWEEN “ON” AND “OFF”, MOVE HANDLE TO “OFF THEN TO “ON”.
REMOVE TWISTOUTS FROM TRIM ONLY WHERE BREAKERS WILL BE INSTALLED. ALL OPENINGS MUST BE FILLED WITH BREAKERS OR FILLER PLATES. USE ONE ECMBF125 FILLER PLATE TO FILL 100-125A MAIN BREAKER OPENING.
THIS LOAD CENTER IS INVERTIBLE FOR BOTTOM FEED APPLICATIONS.
Siemens Industry, Inc. Norcross, Georgia U.S.A.
J2 40901524 0101 Rev.00
IMPORTANT: DO NOT ALLOW PETROLEUM BASED (HYDROCARBON) SPRAYS, CHEMICALS, SOLVENTS OR ANY PAINT TO CONTACT INTERIOR COMPONENTS. PETROLEUM BASED CHEMICALS CAN CAUSE DEGRADATION OF ELECTRICAL INSULATING MATERIALS.
DANGER
Hazardous Voltage.
Will cause death, serious injury or substantial property damage.
Turn off power supplying this equipment before working inside.
SHORT CIRCUIT CURRENT RATING THIS PANELBOARD HAS A MAXIMUM SHORT CIRCUIT CURRENT RATING OF 100,000 AMPS RMS SYMMETRICAL, 1201240V-. THE ACTUAL RATING IS DEPENDENT ON THE BRANCH BREAKERS INSTALLED IN THIS PANELBOARD AND THE MAIN/FEEDER BREAKER, IF ANY, INSTALLED AHEAD OF THIS PANELBOARD. THE CORRECT MAIN BREAKER/FEEDER/MAIN BREAKER/BRANCH BREAKER SERIES COMBINATIONS TO BE USED ARE LISTED IN THE TABULATION BELOW. ANY CIRCUIT BREAKER INSTALLED, REPLACED, OR ADDED IN THIS PANELBOARD MUST BE MANUFACTURED BY SIEMENS AND MUST BE OF THE CORRECT TYPE AS INDICATED IN THE TABULATION BELOW. USE OF OTHER CIRCUIT BREAKERS IN THIS EQUIPMENT MAY VOID THE WARRANTY.

Cl 00b-RevB
USE COPPER OR ALUMINUM 60°/75°C WIRE
SEE BREAKER MARKINGS FOR WIRE SIZE AND TORQUE REQUIRMENTS.
| TERMINALS | WIRE | TORQUE |
| A, B, N, G | 2/0-4 AWG | 110 LB-INS |
| NEUTRAL/GROUND BARS (USE TYPE EC2GB or EC3GB GND BAR KIT ACCESSORY) | 10-14 CU/10-12 AL 8 AWG 6-4 AWG |
20 LB-INS 25 LB-INS 35 LB-INS |
| GROUND CONDUCTORS ONLY | (2)or(3) 14 AWG (2) 12-10 AWG |
20 LB-INS 20 LB-INS |
| LK1-2 NEUTRAL LUG KIT
LK2 NEUTRAL LUG KIT |
2/0-2 AWG 2/0-4 AWG |
45 LB-INS 135 LB-INS |
| MAIN LUGIMAIN BRKR TO BUS CONNECTION (1/4-20 NUT) | 45 LB-INS | |
| BONDING SCREW | 45 LB-INS | |
| ACCESSORIES | |
| DESCRIPTION | CAT NO. |
| DOOR LOCK | ECQFL2 |
| FILLER PLATE, 1″ | QF3 |
| BREAKER HOLD-DOWN | ECMBR2 |
| MAIN BREAKER FILLER PLATE | ECMBF125 |
| BONDABLE GROUND LUG | ECLKB1 |
| SUBFEED LUG KIT | ECLK2125 |
| STANDBY PWR INTERLOCK KIT | ECSBPK04 |
| MAIN LUG / MAIN BREAKER KITS | |
| USE APPROPRIATE KIT FROM CHART BELOW TO CONVERT PANEL | |
| DESCRIPTION | CAT NO. |
| 100 AMP MAIN BREAKER | MBK100A |
| 100-125 AMP MAIN LUG | ECMLK125 |

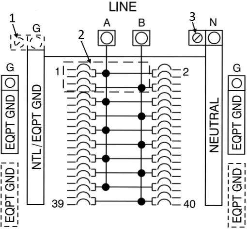
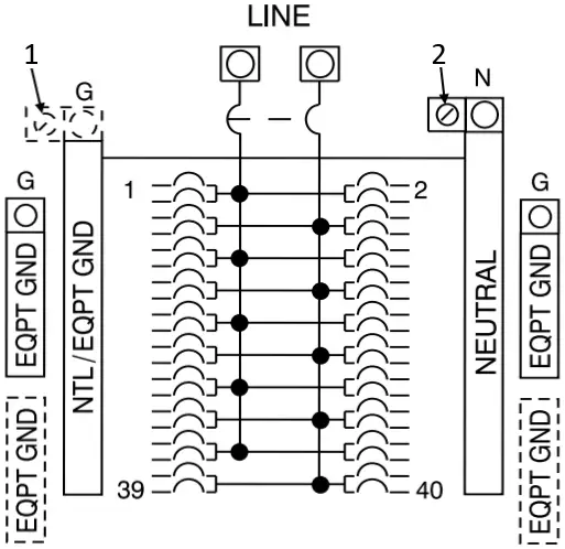
- BOND WHEN NTL TIE STRAP IS REMOVED
- BACK-FED BRKR WHEN USED
- BOND WHEN REQ’D AND NTL TIE STRAP IS IN PLACE

- BOND WHEN NTL TIE STRAP IS REMOVED
- BOND WHEN REQ’D AND NTL TIE STRAP IS IN PLACE
Assembled in Mexico
©2017 Copyright Siemens Industry, Inc.
® The National Electrical Code is a registered trademark of the National Fire Protection Association.
















