Lumos CONTROLS Radiar AF10 AC Powered Light Controller

PRODUCT OVERVIEW
- Radiar AFl0, the dual-channel dimming/ tunable AC fixture controller is a part of the Lumos Controls ecosystem.
- The device is easy to mount in an electrical junction box or compatible fixtures. The device has dual channel 0-l0V independent output to control intensity and correlated color temperature(CCT) and it has a 0-l0VDC input channel and 12VDC aux output to integrate with third-party sensors.
- The device with a 3A relay for load control saves time designing an intelligent lighting network that is in tune with your circadian rhythm. It can be quickly commissioned, configured, and controlled from any mobile device and can be connected to Lumos Controls cloud for data analytics and configuration management.
- The Lumos Controls ecosystem comprises controllers, sensors, switches, modules, drivers, gateways, and analytical dashboards. It is listed by the Design Lights Consortium (DLC), qualifying it for energy conservation incentive programs and rebates by utility companies.
SPECIFICATIONS
Electrical
Sensor Input
FEATURES
- Dual channel 0-l0V independent output to control intensity and corelated color temperature (CCT)
- Auxiliary 12V/200mA output to power sensors
- 0-lOVDC input channel to integrate with third party sensors
- 3A relay for turning ON/OFF DIM to 1 drivers
- Standard ½ inch chase nipple allows easy mounting to a junction box or compatible fixture
- Zero downtime Over-the-Air (OTA) firmware updates
0-lOV Output
Auxiliary Output
Bluetooth
Environmental
Mechanical
WIRE DESCRIPTION 

ANTENNA INFORMATION 

Stick antenna
600mm wire antenna

PRODUCT DIMENSIONS 
Size comparison with a standard credit card
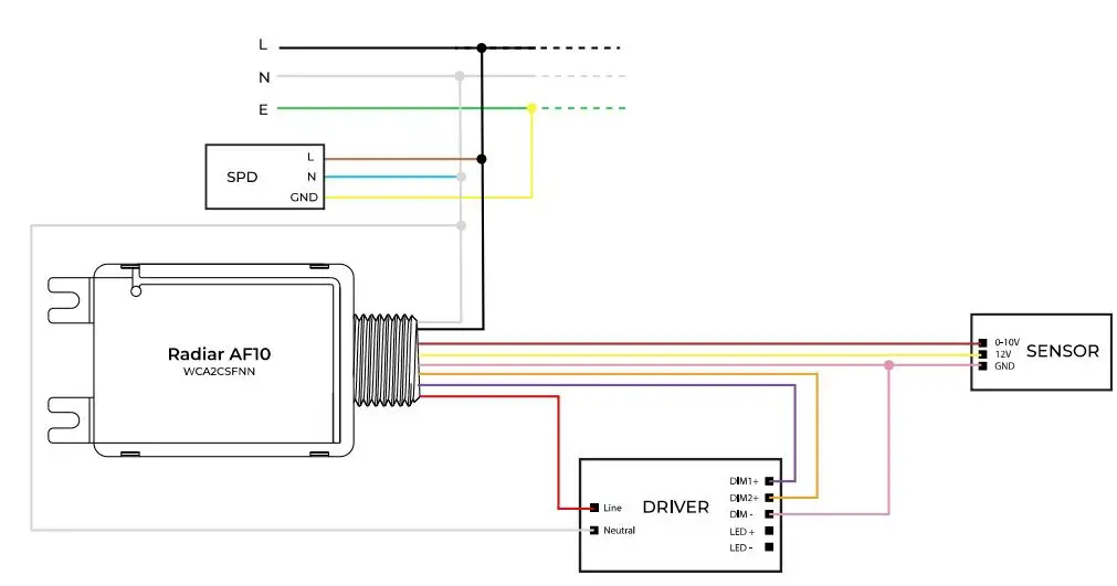
WIRING
Radiar AFlO can be installed in a deep junction box or fixture with standard ½ inch knockouts
- Configuring Radiar AFlO for dimming, tuning and an external sensor control

- Configuring Radiar AFlO for dimming, tuning and an external sensor control (with additional surge protection)


SMART ECOSYSTEM
APPLICATION
ITEMS INCLUDED IN THE PACKAGE BOX
- Radiar AFlO
- User manual
- Metallic locknut
- Wire nuts
ORDERING INFORMATION 
ACCESSORIES 
The Bluetooth® word mark and logos are registered trademarks owned by Bluetooth SIG, Inc. and any use of such marks by WiSilica Inc. is under license. Other trademarks and trade names are those of their respective owners.
FCC Statement
This equipment has been tested and found to comply with the limits for a Class B digital device, pursuant to part 15 of the FCC Rules. These limits are designed to provide reasonable protection against harmful interference in a residential installation. This equipment generates, uses and can radiate radio frequency energy and, if not installed and used in accordance with the instructions, may cause harmful interference to radio communications. However, there is no guarantee that interference will not occur in a particular installation. If this equipment does cause harmful interference to radio or television reception, which can be determined by turning the equipment off and on, the user is encouraged to try to correct the interference by one or more of the following measures:
- Reorient or relocate the receivingantenna.
- Increase the separation between the equipment and recerver.
- Connect the equipment into an outlet on a circuit different from that to which the receiver is connected.
- Consult the dealer or an experienced radio/TV technician for help.
Caution: Any changes or modifications to this device not explicitly approved by manufacturer could void your authority to operate this equipment.
This device complies with part 15 of the FCC Rules. Operation is subject to the following two conditions: (1) This device may not cause harmful interference, and (2) this device must accept any interference received, including interference that may cause undesired operation.
RF Exposure Information
This equipment complies with FCC radiation exposure limits set forth for an uncontrolled environment. This equipment should be installed and operated with a minimum distance 20cm between the radiator and your body.
- 20321 Lake Forest Dr D6, Lake Forest, CA 92630
- www.lumoscontrols.com
- + l 949-397-9330
- All Rights Reserved WiSilica Inc
- Ver 1.2 Feb 2023































