

Voltair
Installation Instructions
Safety notes
Never work when voltage is present on the luminaire.
The installation must be performed by a professional installer in compliance with the standards and regulations relating to electrical installations
Risk of electrostatic discharges. (ESD Norm). Handle with precautions.- Please observe the notes and steps described in the mounting instructions.
Maintenance instructions
Do not use chemicals or abrasives products to clean the fixture.
Keep these instructions for dismantling or future maintenance. You can consult additional information about RESISTEX luminaires on the website
www.resistex-sa.com .
RESISTEX cannot be responsible for any misuse of the product.
INSTALLATION


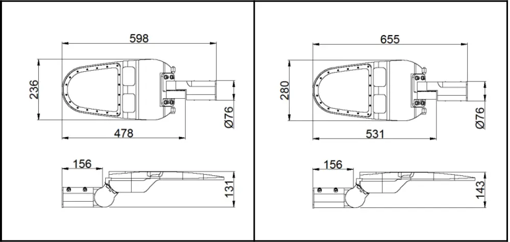
SIZE

www.resistex-sa.com
RESISTEX EXPLOITATION, 11 Quai de la 8anquiere CS 80010, 06730 Saint-Andre-de-la-Roche — France
Tel. 04 93 276 276 – Fax 04 93 276 280 – [email protected] APE 2740Z – Siret 487 593 477 00010 – SAS CAPITAL 649979 € – T.V.A. F.R. 73 487 593 477
![]()


















