smartcell SC-41-0200-0001-99 Dual Input-Output Device

Pre installation
- Installation must conform to applicable local installation codes and should only be installed by a fully trained competent person.
- The use of a non-metallic spacer should be considered if mounting the device on to a metal surface.
- This device contains electronics that may be susceptible to damage from Electrostatic Discharge (ESD). Take appropriate precautions when handling electronic boards.
- Two resistor monitored inputs are available. If both inputs enter an alarm condition, only the first activated input will be shown at the control panel.
- To ensure correct operation, products must be used within the specified environmental operating conditions.
Components
- 4x lid screws
- Lid
- Status light pipe (supplied in resistor pack)
- Back box
- Batteries (not included in some regions *)
- Resistor pack
- Gasket †
* When batteries are not included, only fit specified batteries. † The gasket can be fitted to the lid for additional protection.
Prepare the back box
- Unscrew the four lid fixing screws and remove the lid.
- Drill cable entry points where necessary the in UNSHADED area.
- Cable glands should be used.
- The status light pipe should also now be fitted, as shown below.


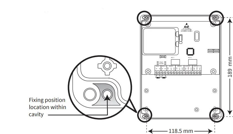
Fix back box
- All four corner fixing positions must be used to ensure a firm fixing
- Use suitable fasteners and fixings.

Fit batteries
- Carefully unclip the battery cover.
- When fitting / replacing batteries, observe correct polarity, using only specified batteries.
- Re-fit the battery cover once all batteries are correctly in place.

Configuration
The device must now be added (programmed) to the control panel.
Refer to the programming manual for full programming details.
SmartCell panel = TSD155 SmartCell WZM = MK067
Input wiring
- Two resistor monitored inputs are available.
- Both inputs monitor; normal, alarm, open circuit and closed circuit conditions.
- Each input is factory fitted with an end of line 20 kΩ resistor.
- To connect inputs to external devices, wire as shown, using the resistors provided.
- Minimum input detection time is 2 seconds.
- If an input is not being used, leave the 20 kΩ resistor as factory fitted.

Output wiring
- Two outputs are available.
- Both outputs are voltage free, with a maximum switching capacity of 30 V at 1 A.

WARNING. DO NOT CONNECT TO MAINS.
This product contains relays which when subjected to severe mechanical shock may cause momentary transitions from the currently active state. The transitions will be less than 1 second and any equipment connected must not respond to such momentary changes of the relay. This product should be fixed to a stable and secure structure that is not subject to severe mechanical shock.
LED operation
The device has six indication LEDs. They operate as follows:
- Input fault: YELLOW LED ON

- Input active: RED LED ON

- Output active: RED LED ON

Completing the installation
The front lid must now be re fitted to the device and all four fixing screws tightened to fully reassemble the unit.
Specification
- Operating temperature -10 to +55 °C
- Storage temperature
- With batteries -10 to +30 °C
- Without batteries -10 to +55 °C
- Humidity 0 to 95% noncondensing
- Location Type A: for indoor use
- Supply 3 x ER14505M 3.6 V lithium thionyl chloride batteries (Fanso or Titus)
CAUTION!
- This is a life safety product. Only use manufacturer approved battery types.
Failure to do so may result in damage to the product. - DO NOT mix batteries of different type or age.
- When replacing batteries; remove all old batteries before fitting replacements
Specification
- Operating voltage 2.7 to 3.65 VDC
- Operating frequency 868 MHz
- Output transmitter power 14 dBm / 25 mW
- Signalling protocol X5
- Dimensions (W x H x D) 150 x 200 x 55mm
Regulatory information
- Manufacturer Carrier Manufacturing Polska Sp. Z o.o. Ul. Kolejowa 24. 39-100 Ropczyce, Poland
- Year of manufacture See devices serial number label
- Certification

- Certification body

- CPR DoP 0359-CPR-00269
- Approved to EN54-13:2005. Fire detection and fire alarm systems.
- Part 13: compatibility assessment of system components.
- EN54-18:2005. Fire detection and fire alarm systems.
- Part 18: input/output devices.
EN54-25: 2008. Incorporating corrigenda September 2010 and march 2012. Fire detection and fire alarm systems. Part 25: components using radio links. - European Union EMS declares that the radio equipment type SmartCell directives Dual Input / Output Device is in compliance with Directive 2014/53/EU. The full text of the EU declaration of conformity is available at the following internet address: www.mysmartcell.com
2012/19/EC (WEEE directive): Products marked with this symbol cannot be disposed of as unsorted municipal waste in the European Union. For proper recycling, return this product to your local supplier upon purchase of equivalent new equipment, or dispose of it at designated collection points. For more information see www.recyclethis.info Dispose of your batteries in an environmentally friendly manner according to your local regulations
Part number
SC-41-0200-0001-99
Product description
Dual Input / Output Device



























