
LabGard® Containment Ventilated Enclosure
Model
NU-813-300/400/600
Portable Bench Top
Operation & Maintenance Manual
November 2021
Revision 1
ABOUT THIS OPERATION & MAINTENANCE MANUAL
The information contained in this manual is intended to reflect our current production standard configuration model along with the more frequently purchased options. Any unique additions/modifications/shop drawings are appended in the back flap of this manual, along with any modifications and/or additions to procedures as outlined in this manual. A copy of the original factory test report is also appended to this manual. In case this manual and/or test report is lost or misplaced, NuAire retains a copy in our files. A replacement copy can be obtained by calling or writing NuAire, Inc. stating the model number and serial number and a brief description of the information desired.
MANUFACTURED BY:
NuAire, Inc. – Plymouth, Minnesota
General Information
1.1 Description
The LabGard® Containment Ventilated Enclosure (CVE) Model NU-813 is offered as a Class I Containment Enclosure equipped with a HEPA filter. In the Class I configuration, the NU-813 provides personnel protection for handling low-risk aerosols and particulate matter. Room air enters the Enclosure, flowing past the operator into the work access opening providing an air barrier that minimizes contaminants generated within the enclosure work zone from migrating into the room. The air flows through the enclosure carrying contaminants with it, exiting through a HEPA filter.
1.2 Safety Instructions
These safety instructions describe the safety features of the LabGard® Model NU-813.
The CVE has been manufactured using the latest technological developments and has been thoroughly tested before delivery. It may, however, present potential hazards if it is not used according to the intended purpose or outside of operating parameters. Therefore, the following procedures must always be observed:
- The CVE must be operated only by trained and authorized personnel.
- For any operation of this unit, the operator must prepare clear and concise written instructions for operating and cleaning, utilizing applicable safety data sheets, plant hygiene guidelines, and technical regulations, in particular.
o Which decontamination measures are to be applied for the cabinet and accessories
o Which protective measures apply while specific agents or materials that are used
o Which measures are to be taken in the case of an accident - Repairs to the device must be carried out only by trained and authorized expert personnel.
- Keep these operating instructions close to the unit so that safety instructions and important information are always accessible.
- Should you encounter problems that are not detailed adequately in the operating instructions, please contact your NuAire Representative or NuAire Technical Service.
1.3 Explanation of Symbols
WARNING WARNING indicated a potentially hazardous situation that, if not avoided, could result in Death or serious injury.
CAUTION CAUTION indicates a potentially hazardous situation that, if not avoided, may result in Minor or moderate injury.
CAUTION CAUTION used without the safety alert symbol Indicates a potentially hazardous situation that, if not avoided, may result in property damage.
Potential electrical hazard, only qualified person to access
Note: Used for important information
Biohazard
Ground, Earth
Lead-Free
Flammable Hazard
Hazardous Gases! Personal Protection Equipment Required
Chemical Hazard 
2.0 Models & Features
The NU-813 comes in three standard size widths:
36″ (914mm) (Model-300/300E)
48″ (1219mm) (Model-400/400E)
72” (1829mm) (Model-600/600E)


Warranty
Details regarding product warranties can be found in the published warranty data separate from this manual and included within the data, a packet is sent with the unit.
Shipments
NuAire takes every reasonable precaution to assure that your LabGard® CVE arrives without damage. Motor carriers are carefully selected and shipping cartons have been specially designed to insure your purchase. However, damage can occur in any shipment, and the following outlines the steps you should take on receipt of a NuAire LabGard® CVE to be sure that if damage has occurred, the proper claims and actions are taken immediately.
4.1 Damaged Shipments
4.1.1 Terms are factory unless stated otherwise. Therefore, it is important to check each shipment before acceptance.
4.1.2 If there is visible damage, the material can be accepted after the driver makes a notation on the consignee’s copy of the freight bill. Then an inspection must be made to verify the claim against the carrier. This inspection is the basis of your filing the claim against the carrier.
4.1.3 If concealed damage is found, it is absolutely necessary to NOTIFY THE FREIGHT AGENT AT ONCE, and request an inspection. Without this inspection, the transportation company may not accept a claim for loss or damage. If the carrier will not perform the inspection, an affidavit must be prepared to state that he was contacted on a certain date and that he failed to comply with the request. This along with other papers in the customer’s possession will support the claim.
Installation Instructions
5.1 Location
Within the laboratory, pharmacy, etc., the ideal location of the CVE is away from personnel traffic lanes, air vents (in or out), doors, and/or any other source of disruptive air currents. 
If drafts or other disruptive air currents exceed the intake velocity of the cabinet through the access opening, the potential exists for contaminated air to exit the cabinet. It depends on the severity of the air current. REMEMBER: A CONTAINMENT CABINET IS NO SUBSTITUTE FOR GOOD LABORATORY TECHNIQUES.
Where space permits, a clear 6-inch (152mm) area should be permitted on each side of the enclosure for maintenance purposes. The electrical outlet to which the CVE is connected should be readily accessible for maintenance purposes.
Do not position the cabinet to prevent access to the power cord. The power cord plug serves as the disconnect and should remain readily accessible. If the outlet is inaccessible, such as a conduit (hardwired) connection, then an appropriate warning label should be applied near the cabinet on/off switch to indicate the circuit breaker on the power distribution panel to be used.
5.2 Electrical Services
The NU-813 Series CVE may be “hardwired” (optional) or connected via an electrical power cord which is standard. The unit requires 115 VAC, 60 Hz or 230 VAC, 50 Hz depending upon the model, and single-phase (current rating varies per cabinet size, reference Electrical/Environmental Requirements). It is recommended that power to the unit be on its own branch circuit, protected with a circuit breaker at the distribution panel.
Note: THIS UNIT CONTAINS ELECTRONIC BALLASTS FOR THE LIGHTING. ELECTRONIC BALLASTS OPERATE WITH A HIGH INRUSH CURRENT. IT IS NOT RECOMMENDED TO USE THIS PRODUCT WITH GROUND
FAULT CIRCUIT INTERRUPTERS (GFCI) BECAUSE THE BALLASTS MAY CAUSE THE GFCI TO TRIP.
5.3 Final Assembly
REMOVE THE PROTECTIVE CARDBOARD COVER OVER THE EXHAUST OUTLET. The exterior surfaces are easily cleaned with any mild household detergent cleaner using a soft cloth. Harsh chemicals, solvent-type cleaners, and abrasive cleaners should not be used.
Cabinet interior walls or work surfaces are easily cleaned with any mild household detergent cleaner using a soft cloth. Turn the CVE on and let it operate for 60 minutes before using it.
5.4 Certification Testing Methods and Equipment
After installation and prior to use, NuAire recommends that the CVE be certified or commissioned to factory standards. At a minimum, the following tests should be performed.
- HEPA filter leak test
- Inflow velocity test
- Airflow smoke patterns
The testing methods and equipment required are specified on the factory inspection report included with this manual (see insert in back cover).
NOTE: IT IS RECOMMENDED THAT THESE TESTS BE PERFORMED BY A QUALIFIED TECHNICIAN WHO IS FAMILIAR WITH THE METHODS AND PROCEDURES FOR CERTIFYING LABORATORY CONTAINMENT EQUIPMENT (SEE INSERT).
NOTE: AFTER THE INITIAL CERTIFICATION, NUAIRE RECOMMENDS THAT THE CABINET BE RECERTIFIED AT A MINIMUM ON AN ANNUAL BASIS AND AFTER EVERY FILTER CHANGE OR MAINTENANCE ACTION OR ANY TIME THE OPERATOR FEELS IT IS NECESSARY.
Note! LabGard® CVE filters and seals provide premium performance; Quality Control in both design and manufacturing assures superior reliability. However, the protection of other products and operators is so vital that certification to the performance requirements should be accomplished as stated to ensure safety established by the factory standards.
LabGard® Containment Ventilated Enclosure
Models NU-813-300/400/600
| Catalog Number | Catalog Number | ||
| NU-813-300 Nominal 3 foot (0.9m) | NU-813-400 Nominal 4 foot (1.2m) | NU-813-600 Nominal 6 foot (1.5m) | |
| Performance Specifications 1. Personal Protection | ANSI/ASHRAE 110 NSF/ANSI 49 Surrogate Powder | ANSI/ASHRAE 110 NSF/ANSI 49 Surrogate Powder | ANSI/ASHRAE 110 NSF/ANSI 49 Surrogate Powder |
| NSF Std. No. 49 Class | Class I | Class I | Class I |
| Style of Cabinet | Benchtop/console with optional base stand | Benchtop/console with optional base stand | Benchtop/console with optional base stand |
| Cabinet Construction | Polycarbonate panels with welded blower module. | Polycarbonate panels with welded blower module. | Polycarbonate panels with welded blower module. |
| HEPA Filter Seal Type: Exhaust Filter-99.995% Eff. on 0.3 microns | Neoprene, Spring loaded | Neoprene, Spring loaded | Neoprene, Spring loaded |
| Fumigation per NIH/NSF Procedure | Yes | Yes | Yes |
| Optional Services: Gas Cocks 3/8″ NPT | Up to 3 ea. Sidewall | Up to 3 ea. Sidewall | Up to 3 ea. Sidewall |
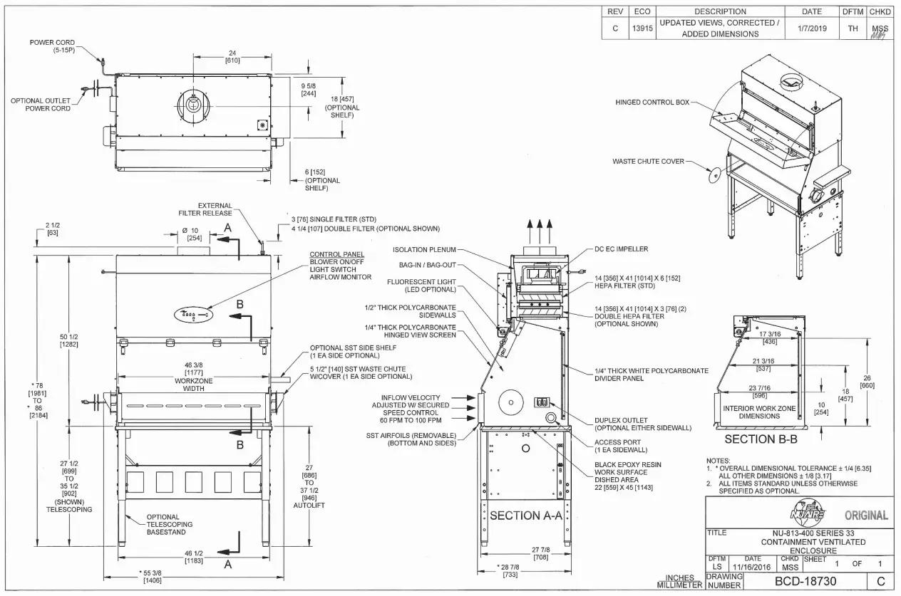
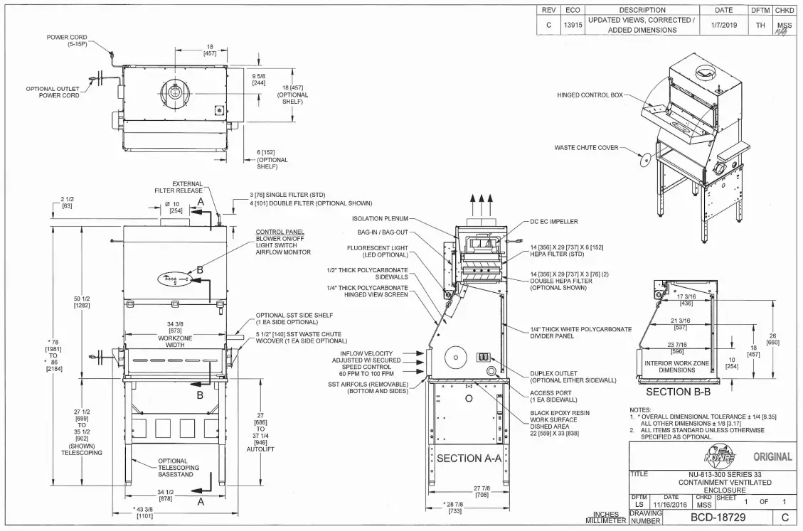
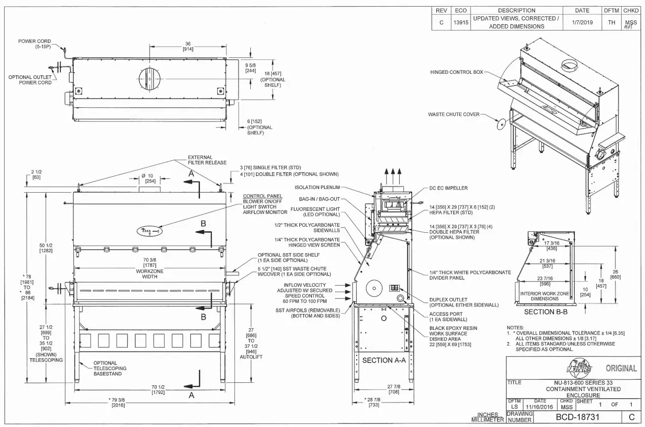
| Cabinet Size Inches (mm): Height Depth Width | 54 (1372) 29 (737) 36 (914) | 54 (1372) 29 (737) 48 (1219) | 54 (1372) 29 (737) 72 (1829) |
| Work Access Opening Inches (mm): Standard Opening Height/Optional Standard Inflow Velocity | 8 (203) 80 FPM (.40 m/s) | 8 (203) 80 FPM (.40 m/s) | 8 (203) 80 FPM (.40 m/s) |
| Work Zone Inches (mm): Height Depth Width | 28 (711) 24 (610) 34-3/8 (873) | 28 (711) 24 (610) 46-3/8 (1178) | 28 (711) 24 (610) 70-3/8 (1788) |
| The viewing window is ¼ in (6mm). clear polycarbonate | Closed: 8 (203) Open: 24 (610) | Closed: 8 (203) Open: 24 (610) | Closed: 8 (203) Open: 24 (610) |
| Noise: dbA Ambient Running | 53 57 | 53 57 | 53 62 |
| CFM @ 80 FPM | 195 CFM | 260 CFM | 390 CFM |
| Heat Rejected, BTU, Per Hour (non-vented) | 265 | 330 | 600 |
| Electrical: 115V (230V) Volts, AC (Hz) Amps: Blower Amps: Lights Amps: Total 12 ft. Power Cord (one) | 115 60 1.6 (.8) .2 (.2) 1.8 (1.0) 14 GA – 3 Wire, 15A | 115 60 1.8 (.8) .2 (.2) 2.0 (1.0) 14 GA – 3 Wire, 15A | 115 60 3.2 (1.1) 4 (.2) 3.6 (1.3) 14 GA – 3 Wire, 15A |
| Crated Shipping Weight: *** Net Weight | 350 lbs. / 159 kg. 300 lbs. / 136 kg. | 450 lbs. / 204 kg. 400 lbs. / 181 kg. | 550 lbs. / 249 kg. 500 lbs. / 227 kg. |
***Crated shipping weight does not include weight for accessories or option
Operating the NU-813
6.1 Aeromax™ Control System
6.1.1 Overview
The Aeromax™ control system is designed to service the control requirements of the LabGard® ES NU-813 CVE.
The Aeromax™ control system consists of an electronic module that will perform the following functions:
- Easy user interface via LEDs and function keys
- Control blower via solid state switch.
- Control lights via solid state switch.
- Hinged window alarm
- Disable audible alarm switch with ring back function.
- Control blower DC EC Impeller with solid-state DC Motor Controller that provides automatic compensation for line voltage variances.
- Monitor and display airflow system performance via PresurFlow™ monitor.
The LabGard® ES NU-813 offers the latest digital microprocessor design technology for improved CVE performance and safety. The Aeromax™ control system integrates a digital pressure sensor (PresurFlow™) to monitor the CVE airflow performance. The Aeromax™ control system also integrates a DC EC Impeller controller that provides automatic compensation for both filter loading and line voltage variances. There is additional on/off control of the blower and light. Lastly, the Aeromax™ control system monitors the hinged window position with a micro switch. All the above functions are shown in a system block diagram (see figure 1). 
AEROMAX CONTROL SYSTEM BLOCK DIAGRAM
Figure 1 
6.1.2 Front Panel
The control system front panel contains the following functions described in detail (see Drawing BCD-16521).
6.1.2.1 Blower Keys
The blower key controls the ON/OFF power to the blower.
LED above key indicates full green for blower on, blinking green for blower pending, and full red for blower alarm.
6.1.2.2 Hidden Key
The hidden key is located just above the blower LED indicator centered in the airflow symbol. The hidden key is used for various functions including the blower password 3 key sequences if the option is activated.
6.1.2.3 Fluorescent Light Key
The fluorescent light key controls the on/off power to the fluorescent light.
LED above the key indicates full blue for fluorescent light on.
6.1.2.4 Ultraviolet (UV) Light Key (Special Option Feature ONLY)
The UV light key controls the on/off power to the UV light (if optionally installed).
LED above indicates full yellow for UV light on.
6.1.2.5 Outlet Keys (Special Option Feature ONLY)
The outlet key controls the ON/OFF power to the outlets (If optionally installed).
LED above indicates full blue for outlets on.
6.1.2.6 Red Alarm LED
The red alarm LED will indicate any alarm condition and remain indicating until the alarm condition is cleared.
6.1.2.7 Audible Alarm Silence
The audible alarm silence key allows user interaction to silence an audible alarm for a period of 15 minutes.
After 15 minutes if the alarm condition still exists, the audible alarm will again sound.
The audible alarm silence key also is used to exit all Aeromax™ user interaction menus.
6.1.2.8 Arrow Adjustment Keys
The arrow adjustment keys allow user interaction for various functions.
6.1.3 Aeromax™ Control System Power
After the LabGard® ES NU-813 is plugged into the appropriate facility line power the control system will power up.
The control panel will also indicate the power-up status by blinking the red alarm LED. Pressing any key will acknowledge the power-up status and turn off the blinking red alarm LED.
If a power interruption occurs, all control system functions, calibrations, and parameters will be maintained and continue upon restoration of power. Just as the initial power up, the red alarm LED will blink to indicate power-up status.
6.1.4 Standby Mode
When the CVE is not using any of the function keys except the blower that initiates run mode may be turned on and off in standby mode.
6.1.5 Run Mode
Any time the blower run key is pressed with the hinged window at its correct operational height, the RUN MODE screen will be initiated. The Run Mode will start with the PresurFlow™ entering an approximate 3-minute warm-up period. The PresurFlow™ LED indicators will blink and indicate the following sequence:
- 1st minute – Left and right Red LED will blink
- 2nd minute – Left and right Green LED will blink
- 3rd minute – Center 3 Green LED’s will blink
Once the warm-up period is complete, only one LED will indicate cabinet airflow status.
During the warm-up period, the cleaning process may begin. If the hinged window is raised, an audible and visual alarm will occur but may be silenced by pressing the alarm silence key.
6.1.6 Temporary Low Flow Mode
The NU-813 may be configured to allow the airflow to be temporarily lowered, but still provide some level of protection for sensitive procedures. Typically, airflow in this mode is set to provide an average of 50 fpm versus the standard 80 fpm. If temporary low flow mode is configured (see section 8.2.2), the blower must be on (greenLED above blower key will blink) and the window in its normal position. To activate, press the blower key for 5 seconds, once activated, the blower LED indicator will blink fast and the PresurFlow™ will indicate 3 green LED indicators will blink. The low flow mode will stay active for the timed duration (normally 15 minutes as programmed, see 6.1.8.2) or can be terminated by pressing the blower key, for 5 seconds.
6.1.7 Standby/Run Mode Alarms
If present, standby/run mode alarms will be both visual and audible, and the red alarm LED oval will turn on. Audible alarms will produce an alarm tone for 30 seconds, then ring back for 2 seconds of every 5 seconds. Pressing the alarm silence key will silence the audible alarm for 15 minutes initially then will start the ring back function again.
The list below represents alarm types and their respective priority from the highest to the lowest priority.
1) New Firmware Loaded
2) Internal Board Failure
3) Power on Reset
4) Airflow Pressure Alarm
5) Blower RPM Failure
6) Window Open
Note: The above messages are described in greater detail in section 8.
6.1.8 Operator Accessible Functions
6.1.8.1 Access and Navigation
To access the operator accessible functions,
![]()
6.1.8.2 Auto Timer Duration
Auto timer duration timers are countdown timers for the functions displayed once the time is entered into a function. The timer will begin to countdown upon the start of that function (i.e. press the UV light key to start timing the UV light). The LED indicator above the function key will start to blink indicating the timer function. If the LED indicator was full on, no timer function is present. As the timer expires the function will turn off.
- Select auto timer duration function
o Outlets
The LED indicator above the outlet will blink fast. Adjust desired time as described below.
o Lights
The LED indicator above the light will blink fast. Adjust desired time as described below.
o UV Light
An LED indicator above the UV light will blink fast.
Adjust desired time as described below. - Low Flow Blower

The LED indicator above the Blower key will blink fast. Adjust desired time as described below.
o Adjust countdown time
Press ↑ or ↓ keys to adjust the time.
Time will change in 15-minute increments as shown on the PresurFlow™ LED segments below.
- Press the hidden key to accept time and exit.
- Select blower password
The Red LED indicator above the blower will blink fast - Select password
Press ↑ or ↓ key to scroll through the code choices below,
- Press the hidden key to accept time and exit.
Note: If the required blower password option is selected in the blower airflow option menu (see section 8.2.2).
Then the “No password” choice above is not available and the default remains B-H-B.
6.2 Operating Guidelines
6.2.1 The intent herein is to present general operating guidelines that will aid in the use of the CVE to control airborne contaminants of low to moderate risk.
6.2.2 Procedure protocols defined in terms of the barrier of control concepts unique to the CVE must be developed in order to obtain a maximum potential for safety and protection. The pre-planning necessary to develop these protocols is based on several fundamental considerations, each of which will contribute to optimum benefits from the equipment:
a. Minimize disruption of “air curtain”
b. Minimize room activity
c. Employ aseptic techniques
6.2.3 The minimum number of items necessary should be placed into the enclosure to prevent overloading, but the work should also be planned to minimize the number of times an operator’s hands and arms must enter and leave the air curtain at the open face. The ideal situation is to have everything needed for the complete procedure placed in the enclosure’s work zone before starting so that nothing need pass in or out through the air barrier at the face until the procedure is completed. This is especially important in working with moderate-risk agents.
Note: When working with agents of lower risk, it is not as important for all materials to be placed in the enclosure work zone before starting, or for the procedure to be completely finished before materials are removed. Also, the time period for a unit of work may be continued over a more extended period during which entries and withdrawals from the enclosure may be made.
6.2.4 Minimize Room Activity
Activity in the room itself should be held to a minimum. Unnecessary activity may create disruptive air currents as well as interfere with the work of the operator. A person walking past the front of CVE can cause draft velocities up to 175 fpm (.88 m/s), which are sufficient to disrupt the air barrier provided by the work access opening.
6.2.5 Employ Methodical Technique
The operator must not assume an attitude of “let the CVE do it”. Properly used, the CVE will do an excellent job of containing viable or toxic agents. Normal laboratory contamination control procedures and basic methodical techniques are necessary to obtain maximum benefit from the CVE. This precaution is merely an extension of good laboratory technique as practiced on open bench tops. Good laboratory practices designed to minimize the creation and/or release of aerosols into the environment should not be discontinued.
Items of equipment in direct contact with powders or etiological agents must remain in the cabinet until enclosed or until surface-decontaminated. Trays of discarded work materials and other work aids must be covered or bagged before removal from the enclosure work zone (aluminum foil may substitute for fabricated covers).
If an accident occurs that spills or splatters suspensions of chemicals or etiologic agents around the work area, all surfaces, and items in the enclosure work zone must be surface-decontaminated before being removed.
In brief, the consideration which should be made in order to obtain optimal personnel safety and product protection may be reiterated:
a. Pre-plan the procedures carefully
b. Minimize disruption of the “air curtain”
c. Employ aseptic techniques
6.2.6 Operating Sequence
Start-Up – Turn on the CVE blower and lights, and check the air intake and exhaust portals of the unit to make sure they are unobstructed. Blower speed must only be readjusted by qualified maintenance technicians.
Allow blowers to operate for a minimum of 5 minutes before manipulations are begun in the CVE. If the filtered air exhausted from the unit is discharged into the room, as in some installations, an additional advantage is obtained from purification (filtration) of characteristics contributing to the quality of the laboratory environment, some owners of CVE leave them in operation beyond the time of actual use.
6.2.7 Wipe down for CVE Operation
The interior surfaces of the workspace should next be disinfected by wiping them thoroughly with 70 percent alcohol or a similar non-corrosive antimicrobial agent.
NOTE: DISINFECTANTS THAT USE CHLORIDES AND HALOGENS WILL CAUSE DAMAGE TO THE STAINLESS STEEL SURFACES IF PRESENT AND LEFT ON FOR LONG PERIODS OF TIME. IF THE DISINFECTANT USED CONTAINS CHLORIDES OR HALOGENS, RE-WIPE ALL SURFACES WITH 70% ALCOHOL OR A SIMILAR NON-CORROSIVE ANTI-MICROBIAL AGENT TO PREVENT DAMAGE TO STAINLESS STEEL.
6.2.8 Materials & Equipment
The apparatus and materials should next be placed into the enclosure work zone. Materials should be arranged so that clean and dirty ( used ) materials are well separated.
6.2.9 Perform work
The work can now be performed. The technician performing the work is encouraged to wear appropriate personal protective equipment (PPE), (i.e. a long-sleeved gown with knit cuffs, rubber gloves, and an appropriate respirator).
This will protect the hands and arms from viable agents and chemical contamination. At a minimum, the hands and arms should be washed well with germicidal soap before and after work.
6.3.10 Terminal Purging & Wipe down
Following completion of the work, allow the cabinet to run for a 2-3 minute period without personnel activity to purge the unit. The decontamination of the interior surfaces should be repeated after the removal of all materials, culture, apparatus, etc. A careful check should be made for spilled or splashes that may contaminate the work environment.
6.2.11 Shut Down
Turn off blowers and lights. Do not use CVE as a depository for excess laboratory equipment during a period of non-operation.
6.3 Ergonomics
Ergonomics, the study or accommodation of work practices is extremely important for proper CVE usage and user health and safety. An evaluation of normal work practices should be performed with each user when working in a CVE. Evaluation criteria should be at a minimum:
a. Proper user posture
b. Effective work zone layout for work practice
c. Vision or sightlines
For each of the above evaluation criteria, several aids may be supplied to accommodate the user.
- Ergonomic chair – A six-way articulating seat and back control for personalized adjustment to assure proper user posture. Be sure feet are resting on the floor, chair foot support, or footrest. Also, be sure the back is fully supported with proper chair adjustments.
- Forearm/elbow support – The cabinet is provided with forearm support on the work access opening.
Periodic mini-breaks during work practice should be taken while resting the forearm to avoid stress and fatigue. - Effective work zone layout – Always prepare your work procedure to minimize reach to avoid neck and shoulder stress and fatigue. Rotating tables are optional to the maximum work zone and minimize reach.
Vision and sightline – Always prepare your work procedure to eliminate glare and bright reflections on the window. Keep your window clean and sightlines clear to your effect work zone.
6.4 Cleaning Procedures
6.4.1 General
Cleaning laboratory equipment is important in terms of both functionality and general good housekeeping. The information provided below is intended to aid the development of facility Standard Operating Procedures (SOPs) for cleaning the equipment. It is strongly recommended that all cleaning materials used to be tested and verified both in terms of both effectiveness and material compatibility before they are written into the cleaning SOP documentation.
An a. The airflow blower should be operating during the cleaning process to maintain sterility and/or containment during the cleaning process.
b. Raise the window to gain additional access if desired.
c. Apply appropriate cleaning material or surface disinfectant to surfaces. Most surface disinfectants require a specific contact time depending on the materials used within the work zone. CONSULT APPROPRIATE DISINFECTANT DOCUMENTATION FOR PROPER APPLICATION AND SAFETY PRECAUTIONS.
c-1. Polycarbonate (Covestro® Makrolon®AR) has noted material compatibility concerns (see polycarbonate compatibility section). They recommend the use of Hydrogen Peroxide based materials such as the following:
– Atriplex SD
– Safetec surface wipes
– Paradox RTU
It is recommended to AVOID the use of cleaning materials that contain Chlorine, Quaternary Ammoniums, and Phenols.
If the polycarbonate is lightly scratched, it may be able to be polished out with Mirror Glaze Plastic Polish or similar.
Further information may be available from www.covestro.com
c-2. Stainless steel (type 304) has noted material compatibility concerns with Acids, Chlorides, and Halogens. IF THESE
MATERIALS ARE USED AND ALLOWED TO BE LEFT ON THE STAINLESS STEEL SURFACE, OXIDATION AND DEGRADATION WILL OCCUR. Only by re-wiping surfaces with either sterile water or 70%, IPA will remove harmful materials from the stainless steel surface.
Further information is available at the following: http://www.parrinst.com/wpcontent/uploads/downloads/2011/07/Parr_Stainless-Steels-Corrosion-Info.pdf
NOTE: NuAire does not offer any product warranty with respect to cleaning material compatibility. USE AT YOUR OWN RISK! The information provided above is from raw material suppliers and known general source documents for use to develop application cleaning sops.
6.4.2 Panel Removal for Powder Use
If the enclosure is used to contain powdered materials, periodically the work zone panels should be removed and cleaned. Use the following procedure for panel removal.
When removing contaminated interior panels, continue to operate the enclosures blower to maintain negative pressure. Use appropriate Personnel Protective Equipment (PPE) (i.e. face mask, gloves, Tyvek gown) to mitigate exposure.
a. Open hinged window
b. Remove (2) knurled screws on the top of the rear panel. Lower panel and clean surfaces.
Once the panel is clean, remove it from the enclosure.
c. Remove the top panel by pushing up and back. Allow the front to swing down, then the back of the panel can be raised over side brackets. Again clean surfaces as required.
d. Clean rear plenum surfaces as well as top surfaces. Do not clean the HEPA filter surface.
e. Replace interior panels by reversing the process.
General Maintenance
All maintenance actions on this equipment must be performed by a qualified technician who is familiar with the proper maintenance procedures required including both certification and repair.
7.1 Decontamination
No maintenance should be performed on the interior of the LabGard® CVE (area behind access panels) unless the cabinet has been microbiologically decontaminated, is known to be biologically clean, or known to be chemically inert.
Surface disinfection is performed as specified in the Cleaning Procedures section.
Hazardous Gases! Personal Protection Equipment Required.
Decontamination using hazardous gas, vapor, or mist must be performed in accordance with the specifications of NSF/ANSI 49, Annex G, EN12469, Annex J or applicable national, state, province, or local regulations
This procedure presents considerable risks and must be performed only by specially trained and authorized service personnel in accordance with applicable national safety regulations.
The decontaminate is generated either external or internal in the sealed cabinet. The quantity of decontaminating should follow standard or manufacturer’s recommendations based on cabinet volume. The decontaminate process should follow standards or manufacturer’s recommendations based on the decontaminating used.
All decontaminate materials are hazardous (chemical-liquid, gas, and vapor) (Flammable – process) and are required to be handled properly. Follow all product and process documentation and labeling.
If microbiological decontamination is necessary, use the following procedure:
- Place decontamination equipment inside the work area. Reference decontamination procedure, per NSF Standard 49, Annex G.
Cabinet Size -300 -400 -600 Cabinet 21.3 cup. ft. 28.5 cu. ft. 42.8 cu. ft. Volume (.603 cu.m) (.807 cu.m) (1.212 cu.m) - Use duct tape and plastic to seal the entire cabinet.
BE SURE THE CVE IS TOTALLY SEALED TO PREVENT ANY LABORATORY EXPOSURE TO DECONTAMINATION GAS.
Perform decontamination procedure per NSF Standard 49, Annex G.
7.2 Fluorescent Lamp Bulb Replacement
The one (T8) fluorescent lamp bulb is cool white, rapid start, and placed external to the cabinet to aid maintenance and minimize heat build-up. The life rating of the bulb is 9000 hours based on three-hour burning cycles.
Disconnect electrical power from the CVE before attempting any maintenance action.
To replace a bulb, it is necessary to access the control panel.
- Remove fasteners on top or sides of the control panel and rotate the control center down.
- The lamp bulb is removed by displacing the bulb to one side against the compressible bulb holder.
- Reverse the procedure to reinstall the lamp assembly.
7.3 HEPA Filter Replacement (Drawing BCD-15639)
The HEPA Filter under normal usage and barring an accident does not need replacement until the work access inflow velocity cannot be maintained.
Disconnect electrical power from the CVE before attempting any maintenance action.
To access the exhaust HEPA filter:
- Remove fasteners on the top and sides of the control panel and rotate the control center down.
- Remove the exhaust filter cover and follow the bag-in/bag-out procedure per drawing BCD-15639 for removal and replacement.
- Reverse the above steps to complete the replacement process.
- Filter Installation
When installing new filters, USE ONLY NUAIRE SPECIFIED FILTERS FOR REPLACEMENT.
| Description: Efficiency: Airflow Rating: Frame Type: | Exhaust HEPA Filter (Single) 99.995% @ 0.3 Micron 100 fpm @ .29 ± .05″ w.g. per sq. ft. Metal | Exhaust HEPA Filter (Dual) 99.995% @ 0.3 Micron 100 fpm @ .48 ± .05″ w.g. per sq. ft. Metal |
| N U-813-300 NuAire Part Number: Filter Size: | A-980939-15 14″ (356mm) x 29″ (737mm) x 5-7/8″ (149mm) | A-980939-20 (2) 14″ (356mm) x 29″ (737mm) x 3″ (76mm) |
| NU-813-400 NuAire Part Number: Filter Size: | A-980939-16 14″ (356mm) x 41″ (1041mm) x 5-7/8″ (149mm) | A-980939-21 (2) 14″ (356mm) x 41″ (1041mm) x 3″ (76mm) |
| N U-813-600 NuAire Part Number: | A-980939-15 (2) | A-980939-20 (4) |
| Filter Size: | 14″ (356mm) x 29″ (737mm) x 5-7/8″ (149mm) | 14″ (356mm) x 29″ (737mm) x 3″ (76mm) |
7.4 Motor/Blower Replacement
7.4.1 The Motor/Blower assembly should never need any preventative maintenance. But in case of a malfunction, the following steps should be taken. Make sure the unit is decontaminated before doing any repairs on the interior of the unit. Disconnect power or unplug the unit before working with any electrical wiring. Motor/Blower removal should be done by a qualified technician.
7.4.2 First, remove the top panel. Disconnect the electrical connections to the impeller. Next, remove the impeller via fasteners.
(See Drawing BCD-15640, Sheet 3).
7.4.3 To install the motor/blower reverse the above procedure.
STEP 1:
LOWER CONTROL BOX AND FILTER COV LOOSEN FILTER PRESSURE FRAME BY TURNING THE LEAD SCREW COUNTER-USE THE ENCLOSED TOOL TO PRY AND PULL THE OLD FILTER OUT INTO THE BA (NOTE: BE SURE BAG IS SECURELY ON FRAME. [F NEEDED,
USE DUCT TAPE TO SECURE.)
STEP 2:
HEAT SEAL OR WIRE TIE AT A POINT BETWEEN THE OLD FILTER AND THE BAG-IN/RAG-OUT F[ ANGE. THE HEAT SEAL OR WIRE-TIED AREA SHOULD BE WIDE ENOUGH SO THAT WHEN THE BAG IS CUT WITH SCISSORS, THE SEAL REMAINS INTACT ON BOTH SIDES OF THE CUT. OR HEAT SEAL OR WIRE TIE 2 SEAMS AND CUT BETWEEN THE TWO.
DISPOSE OF THE CONTAMINATED FILTER. RETAIN FILTER TOOL NEAR THE BAG-IN/BAG-OUT FRAME.
| REV | ECO | DESCRIPTION | DATE | DFTM | CHKD |
| A | 11777 | RELEASE TO PRODUCTION | 10/23/2012 | AW | IAS, Fie |
STEP 3:
PUT THE NEW FILTER IN A CLEAN PLASTIC BAG. BE SURE TO APPLY A LITTLE SILICONE GREASE TO THE FILTER GASKET BEFORE PUTTING IT IN THE PLASTIC BAG. SECURE THE NECK OF THE NEW BAG OVER THE OLD AND ONTO THE FLANGE OF THE BAG-IN/BAG-OUT RING.
(NOTE: AGAIN, USE DUCT TAPE AS NECESSARY TO SECURE)
STEP 4:
PULL THE OLD BAG STUB AWAY FROM THE BAG-IN/BAG-OUT FLANGE AND WORK IT INTO 1HE REAR OF THE NEW BAG. HEAT SEAL OR WIRE TIE AND CUT OFF THE PORTION CONTAINING THE OLD BAG STUB. PUSH THE NEW FILTER INTO THE CABINET UNTIL THE FRONT OF THE FILTER IS FLUSH WITH THE FILTER PRESSURE FRAME. RE-CLAMP THE FILTER PRESSURE FRAME BY TURNING THE LEAD SCREW CLOCKWISE. FOLD THE NEW BAG INSIDE THE CAVITY AND REPLACE THE FILTER COVER. THE FILTER/SEAL INTEGRITY CI NECK MAY NOW BE MADE.
![]() | ![]() |
OVERVIEW:
THE BAG-IN/BAG-OUT PROCEDURE MAINTAINS A BARRIER BETWEEN THE OPERATOR AND DANGEROUS MATERIAL.
THE CONTAMINATED FILTER CAN BE REMOVED FROM THE AREA AND A NEW FILTER INSTALLED WITHOUT EXPOSING PERSONNEL.
SEAL CHAMBER AND DECONTAMINATE PER NIH/NSF PROTOCOL BEFORE STARTING FILTER REPLACEMENT PROCEDURE.
PLEASE NOTE THAT THE POLYETHYLENE BAG IS SECURED TO THE BAG-IN/BAG-OUT FLANGE WITH AN ELASTIC CORD.
IT IS RECOMMENDED THAT DUCT TAPE BE ADDED TO THIS AREA TO AID IN HOLDING THE BAG ONTO THE BAG-IN/BAG-OUT FLANGE DURING THE EXHAUST FILTER REPLACEMENT PROCEDURE.
REFER TO STEPS 1-4 FOR DETAILED INFORMATION.
![]() | PROPRIETARY | ||||
| DATE | 10/16/2012 | TITLE NU-813, SERIES 30 BAG-IN / | |||
| DFTM | AW | ||||
| CHKD | MSS | ||||
| UNLESS OTHERWISE SPECIFY EC DIMENSIONS ARE IN INCHES-TOLERANCES.- DECIMALS ± .032 ANGLES ± 2′ | PART NUMBER BCD 15639 | A | |||
| PROJECT] NUMBER | SHEET 1 OF 1 | ||||
7.5 Airflow Control System Setup and Calibration
7.5.1 General
The operation of the NU-813 CVE requires that the setup and calibration procedures be performed in order to certify or commission for usage. The setup and calibration procedures performed ONLY BY THE CERTIFIER ensure that setpoints are verified and that the airflow monitor sensor is calibrated to the correct values.
7.5.2 Configuration Parameters
Configuration parameters identify CVE motor type and size for proper performance characteristics.
- Select/Verify model and size (Bold items represent default parameters)

LED indicates above both blower (red) and UV light keys will blink fast.
Review cabinet model size and change if desired as described below
o Press ↑ or↓ keys to scroll through the LED segment choices associated with model/size. 
o Press the hidden key to accept model/size and exit![]()
• Select motor control function/type![]()
LED indicators above both blower (red) and light keys will blink fast.
Review motor control function/type and change it desired as described below.
o Press ↑ or ↓ keys to scroll through the LED segment choices associated with motor control function/type.
o Press the hidden key to accept motor control function/type and exit
![]()
7.5.3 Airflow Calibration
Failure to calibrate airflow to the specified requirements may result in unsafe conditions of performance (i.e. product and/or personnel protection, noise, and vibration)
The NU-813 Airflow Calibration consists of adjusting the airflow.
THIS WORK SHOULD BE DONE ONLY BY A QUALIFIED TECHNICIAN WHO CAN MEASURE THE AIRFLOW WITH A
SUITABLE VELOMETER. NuAire provides one adjustment to set the airflow within the cabinet.
This is: PWM signal adjust via calibration parameter menu.
The PWM signal or blower speed adjustment establishes the CVE’s total volume of airflow as well as makes up for filter resistance tolerances.
DC ECM motor PWM signal DC voltage should also be monitored and recorded upon final calibration. The DC voltage may be measured using a digital voltmeter. The two test points to measure DC ECM motor voltage are located on the DC motor connector on the main control board.
The CVE is considered to be certifiable if the following airflow measurements are present:
Inflow average: 80 LFPM + 5 LFPM (.41 m/s + 0.25 m/s) using the direct inflow measurement method or related value using the calculated inflow velocity measurement method.
BEFORE STARTING THE AIRFLOW CALIBRATION PROCEDURE, LET THE CVE RUN FOR AT LEAST 5 MINUTES.
7.5.3.1 Inflow Calibration
Step 1: Measure the inflow velocity using the recommended procedure found in Table 7.0. If necessary, adjust to achieve the correct average inflow velocity within the stated range of 80 + 5 LFPM (.41 + 0.25 m/s).
Step 2: If necessary, enter active blower speed adjustment.
![]()
The LED indicator above the blower (green) key will blink fast.
Step 3: Press ↑ or ↓ keys to adjust the blower speed.
• LED segments will indicate blower speed percentage and active blower speed adjustment 
o Right end red LED indicates active blower speed adjust
The red LED will blink as soon as any adjustments are made and will continue to blink as the motor rpm settles. Once the red LED stops blinking, the motor will run at a steady state at the new percentage.
Note: The red LED must be non-blinking to save or exit
o Green LED’s indicate percentage on of scale (0-100%)
o Yellow LED’s indicate minimum (left/maximum (right) blower speed has been achieved
Note: At any time during the process
- Press the hidden key to accept and enter the blower speed calibration point (If the blower speed calibration point was not successfully entered; a half-second audible alarm will occur. The calibration process must then be repeated for the successful entry of the blower speed calibration point.)
![]()
Table 7.0
Recommended Measurement Methods for CVE Inflow
A. Inflow/Velocity Measurement
a. Instrument: Shortridge Flowhood ADM-870 or TSI 8355 Thermo anemometer.
b. Procedure:
The inflow velocity is measured by using a Direct Inflow Measurement (DIM) Instrument (i.e. Shortridge flow hood).
The DIM Instrument can be used directly on the cabinet with NO CORRECTION FACTORS REQUIRED.
The DIM Instrument should also be duct taped to the cabinet to prevent any sneak air paths from occurring.
The DIM Instrument will read inflow volume (i.e. CFM).
Use the window access opening area to calculate inflow velocity.
Alternate Procedure
The calculated inflow measurement method may also be used.
Inflow air velocity is measured on a 4” by 4” (102mm by 102mm) grid in a vertical plane defined by the access opening.
Readings are taken 3” (76mm) from the top and bottom of the opening and 4” (102mm) from the sides.
c. Test Data – Inches (mm):
DIM Measurement:
| 300 | 400 | 600 | |
| Measured Intake Volume | ft.3/min. (m3/s) | ft.3/min. (m3/s) | ft.3/min. (m3/s) |
| Access Open Area | 2.43 ft2 (.23 m2) | 3.26 ft2 (.3 m2) | 4.86 ft2 (.45 m2) |
| Inflow Velocity | ft./min.(m/s) | ft./min.(m/s) | ft./min.(m/s) |
Inflow Velocity Measurement – Inches (mm):
Front Access Opening
| 300 | 4(102) | 8 (203) | 12 (305) | 16 (406) | 20(508) | 24 (610) | 28 (711) | 32 (813) | |||||||||
| 400 | 4 (102) | 8 (203) | 12 (305) | 16 (406) | 20 (508) | 24 (610) | 28 (711) | 32 (813) | 36 (914) | 40 (1016) | 44 (1118) | ||||||
| 600 | 4 (102) | 8 (203) | 12 (305) | 16 (406) | 20 (508) | 24 (610) | 28 (711) | 32 (813) | 36 (914) | 40 (1016) | 44 (1118) | 48 (1219) | 52 (1321) | 56 (1422) | 60 (1524) | 64 (1626) | 68 (1727) |
| 3 (76) | |||||||||||||||||
| 7 (178) | |||||||||||||||||
| Number of Readings | Average Velocity ft./min.(m/s) |
d. Acceptance Criteria: Nominal velocity must average 75 to 85 fpm (.38 to .43 m/s)
7.5.3.2 PresurFlow™ Alarm Set Points
The PresurFlow™ alarm setpoints are based on the calibration setpoint. Once the calibration setpoint is entered, based on a nominal inflow velocity of 80fpm (.41mls) the associated pressure sensor value is entered as the nominal pressure value. The high and low alarm setpoints are factories verified and set if needed at 60fpm (.30mls) and 100fpm (.51mls).
However, if specific use alarm setpoints are desired, the alarm setpoints may be adjusted by performing the following:
Low Alarm Setpoint
- Press and hold the Hidden and ↓ key for 3 seconds.
(The left red LED will blink and the green LED’s indicate blower speed) - Press ↑ or ↓ keys to adjust blower speed to the desired airflow velocity low alarm setpoint value.

- Left end red LED indicates active low limit blower speed adjust
The red LED will blink as soon as any adjustments are made and will continue to blink as the motor rpm settles. Once the red LED stops blinking, the motor will run at a steady state at the new percentage.
If the low alarm setpoint value is not within an acceptable range, the left-end red LED will blink at a very fast rate.
Note: The red LED must be non-blinking to save or exit.
Note: At any time during the process
- Press the hidden key to accept the low alarm setpoint value
- Press and hold the outlet key for three seconds to remove any previous offsets

- Upon exiting, the blower will go back to actual airflows.
High Alarm Setpoint
- Press and hold the Hidden and ↑ key for 3 seconds. (The right red LED will blink and the green LED’s indicate blower speed)
- Press ↑ or ↓ keys to adjust blower speed to the desired airflow velocity high alarm setpoint value.

- Red end Red LED indicates active high limit blower speed adjust.
The red LED will blink as soon as any adjustments are made and will continue to blink as the motor rpm settles. Once the red LED stops blinking, the motor will run at a steady state at the new percentage.
If the high alarm setpoint value is not within an acceptable range, the right-end red LED will blink at a very fast rate.
Note: The red LED must be non-blinking to save or exit.
Note: At any time during the process
- Press the hidden key to accept the low alarm setpoint value
- Press and hold the outlet key for three seconds to remove any previous offsets

- Upon exiting, the blower will go back to actual airflows.
Note: Specific use alarm setpoints or the offset pressure value from the nominal calibration point will be maintained with a new nominal calibration value.
It is not necessary to re-enter the alarm setpoints after a nominal calibration.
7.5.3.3 Low Flow Calibration (See Section 8.2.2 to Activate the Low Flow Function)
The Nite Care mode is defaulted to operate the blower at approximately 600 rpm or a 14% duty cycle.
However, if desired the Nite Care blower speed can be adjusted higher or lower by performing the following:![]()
The LED indicator above the blower (green) key will blink fast.
Press ↑ or ↓ keys to adjust the blower speed.
- LED segments will indicate Nite Care blower speed percentage and active blower speed adjustment

o Left end red LED indicates active blower speed adjust
The red LED will blink as soon as any adjustments are made and will continue to blink as the motor rpm settles. Once the red LED stops blinking, the motor will run at a steady state at the new percentage.
Note: The red LED must be non-blinking to save or exit
o Green LED’s indicate percentage on of scale (0-100%)
o Yellow LED’s indicate minimum (left/maximum (right) blower speed has been achieved
Note: At any time during the process
- Press the hidden key to accept the Low Flow blower speed calibration point
7.5.3.4 PresurFlow Alarm Verification
The PresurFlow Alarm setpoints are based on the calibration setpoint. Once the calibration setpoint is entered, the Alarm setpoint offset pressure values will align with the calibration pressure value. The high or low alarm setpoint can be verified by measuring inflow volume/velocity while adjusting the blower up or down within the Alarm Verification menu.
- Note: If the blower was off while entering into the Alarm Verification Menu, the low alarm limit will immediately activate. Turn on the blower; once airflow is above the low alarm limit, the alarm will turn off.
- LED segments will indicate the blower speed percentage.

- Press ↑ or ↓ key to raise or lower the blower speed. The alarm is active so yellow and red LEDs will activate if the pressure reaches the low or high alarm limit.

7.6 Filter Integrity Check
The filter must be scan tested before installation into the CVE. Once installed, an internal reference leak test can be performed to assure a proper installation was performed. Challenge aerosol (One Laskin Nozzle, PAO) should be supplied in the rear center of the work zone and the exhaust probed above the ring. When probing, leakage shall not exceed 0.005% of the upstream concentration.
Internal reference concentration with one Laskin Nozzle open should be:
Laskin Nozzle Concentration Formula
| Airflow FPM (m/s) | |||
| 60 (.30) | 80 (.41) | 100 (.51) | |
| Size | Challenge (ug/L) | ||
| 300 | 93 | 69 | 56 |
| 400 | 69 | 52 | 41 |
| 600 | 46 | 35 | 28 |
7.7 Main Control Board Description and Replacement
To access the main control board for fuse or board replacement, remove screws at each upper side of the control center and allow the control center to rotate down, resting on the safety straps. Now the main control board is exposed for service.
7.7.1 Main Control Board Replacement
The main control board consists of one Printed Circuit Board (PCB) assembly.
The PCB contains the power supply, configuration switch, sensor inputs/outputs, and control inputs/outputs components and display.
7.7.2 Main Control Board Fuse Replacement
Disconnect electrical power from CVE before fuse replacement.
All AC circuits are fuse protected and when replacement is necessary, USE ONLY FUSES OF SAME TYPE AND RATING FOR PROTECTION AGAINST RISK OF FIRE.
| DESCRIPTION: | BLOWER FUSE | OUTLET FUSE (Option Only) | ACCESSORY OUTPUT FUSE(Option Only) | LIGHT FUSES |
| FUSE TYPE: | TIME-LAG | TIME-LAG | TIME-LAG | TIME-LAG |
| FUSE SIZE: | 1/4 X 1-1/4 INCH | 5 X 20MM | 5 X 20MM | 5 X 20MM |
| NU-813-300 | 3 AMPS | 3 AMPS | 2 AMPS | 1 AMP (2) |
| NU-813-400 | 3 AMPS | 3 AMPS | 2 AMPS | 1 AMP (2) |
| NU-813-600 | 5 AMPS | 3 AMPS | 2 AMPS | 1 AMP (2) |
7.7.3 Main Control Board Replacement
Note: All setup and calibration data will be lost, the memory reinitialized to the default values and all control functions reset to an initial cabinet power condition.
If possible, before the main control board replacement, it would be preferred to know the operational parameters of the cabinet, (i.e. blower speed/PWM signal DC voltage setpoints if modified and airflow data from the previous certification).
Disconnect electrical power from the CVE before attempting any maintenance action.
813 Dual HEPA Filter Testing
The NU-813 (Series 30) with the double HEPA filter option requires additional HEPA filter integrity testing.
The additional HEPA filter integrity tests are performed by accessing the ports behind the control box.
THESE PORTS ARE UNDER POSITIVE PRESSURE, SO ACCESS SHOULD ONLY BE MADE WITH THE BLOWER OFF.
The access port LABELED S is connected to a sample tube that runs between the two filters.
The purpose of this port is to measure the primary HEPA filter’s integrity with a photometer.
When using a photometer to gross leak test the primary HEPA filter, the leakage shall not exceed .005% of the upstream concentration. A similar technique may be used for a particle counter using the applicable methods and techniques.
For the primary HEPA, the P.A.O. challenge is introduced into the cabinet work zone and the sample probe is taken from the port labeled S on the unit behind the control box.
![]() | ![]() |
| P.A.O. challenge introduced into cabinet work zone center rear wall | Gross leak sample taken from the primary HEPA filter |
![]() | ![]() |
| P.A.O. challenge introduced | Probing exhaust airstream |
The secondary HEPA filter may also be gross leak tested using the secondary filter P.A.O. supply port LABELED C to supply a P.A.O. the challenge to the filter. An internal reference must be used instead of measuring upstream concentration. Normal gross leak testing techniques may then be used to verify the filter integrity of the secondary HEPA.
For the secondary HEPA, the challenge is introduced into the port labeled C on the unit.
The probe sample is taken at the outlet of the unit along the protective screen
A third test shall be performed to verify the integrity of the seal of the cabinet itself. The same internal reference is used. The challenge is introduced into the work zone and the exhaust airflow is probed. The leakage shall not exceed .005%.
Error Messages, Troubleshooting, Option-Diagnostics, and Airflow Sensor Performance Verification
Audible alarms and error messages occur for a variety of reasons. Whenever an alarm condition has been present for a period of at least 10 seconds, the audible alarm/error message will be presented and stay on until the error is cleared. The audible alarm will be on for 30 seconds upon initial alarm condition, then once every ten seconds. When presented with an error message, please perform the following:
Step 1: NOTE ALL ERROR MESSAGES.
An error message will appear on the control panel with red LEDs.
Step 2: VERIFY ERROR MESSAGES.
Error messages can be verified by clearing the error function by either turning the blower or the cabinet on and off.
Step 3: MONITOR RE-OCCURRENCE OF ERROR MESSAGES.
If the re-occurrence of the error message is immediate or daily, use the following guide to correct the situation.
8.1 Error Message Troubleshooting Guide
| Issue | Error Description | Correction |
| 0Window Alarm (Window High) | The hinged window is above standard working height or the microswitch is not operating properly. | Verify standard working height and window micro switch operation. |
| Cabinet fluorescent lights won’t Turn on | The Blue LED above the light key indicates the lamp should be on. | Check the light fuse on the main control board. Check fluorescent lamps. Check the voltage coming out of the main control board to light ballasts. Check light starters, if present. Check ballast. |
| The Cabinet blower won’t turn on. | The green LED above the blower key indicates the blower should be on. Airflow Alarm. | Check blower fuse on main control board. Check AC voltage coming out of the main control board. Check wiring to the blower. Check the blower motor. Check DC motor PWM signal on main control board. |
| Red alarm LED blinks | Indicates a power interruption has occurred. | Press any key to clear. |
| Blower or light fuse continues to blow after replacement. | N/A | Check for short on the output of the fuse. Isolate output of fuse by disconnecting control center connectors, light circuit, AC or DC blower circuit, etc. to isolate the short. |
| PresurFlow™ left a red LED indicator and a red LED alarm | PresurFlow™ reading low flow (pressure) | Check airflow values. Check the blower function. Recalibrate PresurFlow™ system. |
| PresurFlow™ right red LED indicator on and red LED alarm | PresurFlow™ reading high flow (pressure) | Check airflow values. Recalibrate PresurFlow™ system. |
| All PresurFlow™ LED’s blink | Message acknowledges new firmware was loaded into the microprocessor | N/A |
| Blower red LED blinks and red LED alarm | Indicates that the motor rpm signal has been interrupted | Check connectors and wires from the main control board to the motor Replace the motor if required |
8.2 Option Parameters
The options parameter menu allows A QUALIFIED TECHNICIAN to configure several different optional parameters per the menu as described below.
8.2.1 Sync Function with Active Blower
To access the options parameter menu, perform the following:![]()
The Red LED indicator above the blower key will blink fast
The PresurFlow™ blinking green LED segments will indicate seven optional parameters as shown and described below. The UV Light key (move lefts) and outlet key (move right) allow the selection of the options parameter desired.
Once the desired option parameter is indicated, press ↑ or ↓ key to turn it on or off. A slow blinking green LED indicator means off and a fast blinking green LED indicator means on. Multiple option changes can be selected.
- Pressing the hidden key will accept all changes and exit

![]() | Sync Fan Relay with Active Blower – Normally the fan relay will activate when the blower switch is pressed. The blower can either be actively running or pending. If the fan relay sync is active the blower must be actively running for the relay to change state. |
![]() | Sync Accessary Outlet with Active Blower – Normally the accessory outlet is on all the time. If the accessory outlet sync is active, the blower must be actively running for the accessary outlet to turn on. |
![]() | Sync Outlet Power with Active Blower – Normally the outlet power is turned on via the outlet key. If the outlet power sync is active, the outlet power will turn on and off with the blower or may be turned on and off independently if the blower is active. |
![]() | Sync Fluorescent Light with Active Blower – Normally the fluorescent light is turned on via the fluorescent light key. If the fluorescent light sync is active, the fluorescent light will turn on and off with the blower or may be turned on and off independently if the blower is active. |
![]() | Sync 15 Volt DC output with active blower normally the 15 Volt DC output located on the control board is on when power is applied to the system. If the 15 Volt DC output sync is active, the blower must be actively running for the 15 Volt DC output to turn on. |
8.2.2 Blower/Airflow Options
To access the options parameter menu, perform the following:![]()
The Red LED indicator above the blower key will blink fast
The PresurFlow™ blinking green LED segments will indicate seven optional parameters as shown and described below.
The UV Light key (moves left) and outlet key (moves right) allow the selection of the options parameter desired.
Once the desired option parameter is indicated, press ↑ or ↓ key to turn it on or off. A slow blinking green LED indicator means off and a fast blinking green LED indicator means on. Multiple option changes can be selected.
- Pressing the hidden key will accept all changes and exit

Require Password –
Normally it is not required to use a password (i.e. 3 key press sequence of the blower and hidden key). If the option is turned on, it would be required to use the correct password to turn on the blower. The default password once turned on is blower hidden-blower keys in sequence. The password can be changed in the lower password options menu. Note: If turning off the password option, you must also select the no password menu item (see section 6.1.8.3)
Allow UV light anytime –
Normally the UV light is interlocked with the window being in the closed position.
For service purposes only, if the function is active, the UV light may be turned on at any window height.
Note: In addition to the Allow UV light anytime system function, there is a double redundant UV light window interlock relay. To override the UV light window interlock relay, the relay itself must also be shorted. (See electrical schematic for reference).

Manual Blower Restart –
Normally when the blower is actively running and a power interruption occurs.
The blower will automatically come back on when power is restored. If this function is turned off, the blower will not automatically come back after a power interruption but would require the user to press the blower key to restart the blower.

Low Flow –
Normally the function is turned off. If selected and turned on, once the blower is actively running. Upon closure, the blower will continue to run at a calibrated lower speed level to maintain a negative airflow. The PresurFlow™ will indicate(s) blinking green LEDs along with a green LED above the blower key.

Disable PresurFlow™ –
If this function is active, the digital pressure sensor and alarm function are turned off.

Temporary Low Flow –
When this optional parameter is turned on and the other requirements below are met, the blower key (when held for 5 seconds) will toggle the blower between normal and Low Flow blower speed. The Low Flow blower will time out, based on the Auto Timer duration for Low Flow without a blower key press and the blower speed will revert back to normal.
In addition to turning this option on the following requirements must also be met
- Temporary Low Flow Option must be selected
- Password Option must be selected
- The window is at normal height and the blower is running
- Low Flow Option must be selected
- Low Flow blower auto timer must be set for a minimum of 15 minutes.
Disable audible alarms / audible key feedback
Normally audible alarms from the PresurFlow™ monitor and audible key feedback are present to provide an audible sound to the user. If this function is active, all audible sounds will be silenced when the control system is in normal run mode.
Audible sound will still occur in any service/calibration menu function.

Remote Contacts
The NU-813 has several contact closures for remote sensing of various functions.
10.1 Fan Relay
The fan relay contacts are normally open and closed contact closure outputs that are activated whenever the blower key is pressed and the blower key LED indicator is on or blinking. Contact ratings are 250 VAC maximum at 2 Amps.
10.2 Alarm Relay
The alarm relay contacts are normally open and closed contact closure outputs which are activated whenever an airflow
alarm condition occurs. Contact ratings are 250 VAC maximum at 2 Amps.

10.3 15VDC Output
The 15VDC (100mA) output is generated if the blower is actively running.
11.0 Electrical/Environmental Requirements
11.1 Electrical (Supply voltage fluctuations not to exceed +/- 10%)
NU-813-300/400/600 115Vac, 60Hz, 1 Phase, 5 Amps
11.2 Operational Performance (for indoor use only)
Environment Temperature Range: 41°F-104°F (5°C – 40°C)
Environment Humidity: Maximum relative humidity 80% for temperatures up to 31°C Decreasing linearly to 50% relative humidity at 40°C
Environment Altitude: 6562 Feet (2000 Meters) Maximum
11.3 Light Exposure
Standard Fluorescent Lighting @ 150 ft. candles (1614 LUX) maximum intensity.
11.4 Installation Category: II
The installation category (overvoltage category) defines the level of transient overvoltage which the instrument is designed to withstand safely. It depends on the nature of the electricity supply and its overvoltage protection means. For example, in CAT II, which is the category used for instruments in installations supplied from a supply comparable to public mains such as hospital and research laboratories and most industrial laboratories, the expected transient overvoltage is 2500 V for a 230 V supply and 1500 V for a 120 V supply.
11.5 Pollution Degree: 2.0
Pollution degree describes the amount of conductive pollution present in the operating environment. Pollution degree 2 assumes that normally only non-conductive pollution such as dust occurs with the exception of occasional conductivity caused by condensation.
11.6 Chemical Exposure
Chemical exposure should be limited to antibacterial materials used for cleaning and disinfecting. CHLORINATED AND HALOGEN MATERIALS ARE NOT RECOMMENDED FOR USE ON STAINLESS STEEL SURFACES. Equipment decontamination can be accomplished by non-condensing gas or vapor paraformaldehyde, Hydrogen Peroxide, or Chlorine Dioxide following NSF/ANSI Annex G.
11.7 EMC Performance (classified for light industrial)
Emissions: EN61326
Immunity: EN61326
Class A equipment is intended for use in an industrial environment.
In the documentation for the user, a statement shall be included drawing attention to the fact that there may be potential difficulties in ensuring electromagnetic compatibility in other environments, due to conducted as well as radiated disturbances.
Note: The EMC performance requirements are generated within the product enclosure.
The enclosure will be all metal grounded to the earth.
In addition, the membrane front panel will also include a ground plane for maximum protection and an electrostatic shield.
12.0 Disposal and Recycle
CVEs that are no longer in use and are ready for disposal contain reusable materials. ALL components with the exception of the HEPA filters may be disposed and/or recycled after they are known to be properly disinfected.
NOTE: Follow local, state, and federal guidelines for disposal of HEPA filter solid waste.
BIOHAZARD
CAUTION Prior to any disassembly for disposal, the cabinet must be decontaminated.
| Component Top Cabinet Worksurface Window Control Center Top Interior Panel Bottom Exterior Panel Exhaust Filter HEPA Filter Frames Blower Wheel Motor Printed Wiring Assembly Wire Ballasts Armrest Connectors Hardware Workzone Side Panels Workzone Rear Panels | Material Painted Steel Epoxy Resin Polycarbonate Painted Steel Painted Steel Painted Steel Aluminum Stainless Steel and Plated Steel Plastic or Aluminum Various Steel/Copper Lead-Free Electronic PVC Coated Copper Various Steel, Electronic Stainless Steel Nylon Stainless Steel and Steel Polycarbonate Polycarbonate |
Note: Material type can be verified with the use of a magnet with stainless and aluminum being non-magnetic.
Parts List | ||
| ITEM | PART NUMBER | DESCRIPTION |
| 6 | A-813-1570 | COVER, CABLE |
| 24 | B-813-1522-TAB | VVELDMENT, CONTROL BOX |
| 27 | B-813-1532-TAB | REAR DIVIDER PANEL |
| 28 | B-813-1533-TAB | FILLER ANGLE |
| 29 | B-813-1534-TAB | WORKZONE TOP PANEL |
| 40 | F-813-1404 | ASSEMBLY, MAGNET HOUSING |
| 47 | X-980494-01 | 5/16 ACORN NUT |
| 50 | X-980609-03 | 8-32 X 1/2 SCREW |
| 53 | X-980619-04 | 8-32 X 3/4 SCR KNL SS |
| 54 | X-980667-01 | 5/16-18 X 3/4 BOLT |
| 59 | X-980790-04 | WASHER FL 5/16 SAE ZINC |

Parts List
| ITEM | PART NUMBER | DESCRIPTION |
| 3 | A-540-737 | CORD PASSTHRU MEMBRANE |
| 4 | A-813-1438 | BRACKET, CONTROL BOX HINGE |
| 5 | A-813-1456 | HINGE BACKING PLATE |
| 6 | A-813-1570 | COVER, CABLE |
| 7 | A-813-499 | BRACKET, LIFT |
| 8 | A-813-886 | BACKUP PLATE, WINDOW LIFT |
| 13 | B-813-1248-TAB | INELDMENT, BACK PANEL |
| 14 | B-813-1257 | AIRFOIL SIDE |
| 15 | B-813-1399-TAB | HINGED VIEW SCREEN |
| 16 | B-813-1403-TAB | UPPER WINDOW |
| 25 | B-813-1531-01 | PANEL RS |
| 26 | B-813-1531-02 | PANEL LS |
| 27 | B-813-1532-TAB | REAR DIVIDER PANEL |
| 28 | B-813-1533-TAB | FILLER ANGLE |
| 29 | B-813-1534-TAB | WORKZONE TOP PANEL |
| 30 | B-813-1535-01 | ATTACHMENT ANGLE R.S. |
| 31 | B-813-1535-02 | ATTACHMENT ANGLE L.S. |
| 32 | B-813-1581-TAB | AIRFOIL FOR WORK SURFACE (REMOVABLE) |
| 33 | B-813-1582-01 | AIRFOIL SIDE MOUNTING FLANGE RS |
| 34 | B-813-1582-02 | AIRFOIL SIDE MOUNTING FLANGE LS |
| 35 | B-813-1585 | ASSEMBLY, CHUTE |
| 36 | B-813-1586 | PORT COVER, INSIDE |
| 37 | 8-813-1587 | PORT COVER, OUTSIDE |
| 38 | B-813-1590 | ASSEMBLY, PORT COVER |
| 41 | X-980038-01 | 8-32 X 3/8 PPHMS |
| 42 | X-980185 | 5/16-18 BALLSTUD |
| 43 | X-980250-04 | WINDOW RAM |
| 44 | X-980430-02 | LKNUT 1/4-20 SERR FLNG ZINC |
| 45 | X-980432-01 | NUT, T 5/16-18UNC PLAIN |
| 46 | X-980490-09 | 10-24 SST LOCKNUT |
| 47 | X-980494-01 | 5/16 ACORN NUT |
| 48 | X-980505-24 | 0-RING 5.60″ ID 70A BUNA-N |
| 49 | X-980510 | ACORN NUT, 8-32 SST |
| 50 | X-980609-03 | 8-32 X 1/2 SCREW |
| 51 | X-980609-05 | 8-32 X .750 PPH |
| 52 | X-980609-06 | SCR PPH 8-32 X 1-1/4 SST |
| 53 | X-980619-04 | 8-32 X 3/4 SCR KNL SS |
| 55 | X-980692-02 | #10-24 X .750 HEX HD (SST) |
| 56 | X-980724-03 | SCREW, TRUSS – 8-32 x .750 |
| 57 | X-980781-06 | 5/16 LOCK WASHER |
| 58 | X-980783-03 | #8 SST FLAT WASHER |
| 59 | X-980790-04 | WASHER FL 5/16 SAE ZINC |
| 60 | X-980794-01 | FLAT WASHER, #8 |
| 61 | X-980815-03 | #8 INT. TOOTH LOCK WASHER |
| 62 | X-980906-02 | WINDOW HINGE |

| (STANDARD) Pails List | ||
| REM | PART NUMBER | DESCRIPTION |
| 1 | A-430-2217 | WELDMENT COUPLING MOUNTING PLATE |
| 2 | A-480-9037 | CONTROL BOX BRACKET |
| 9 | A-980939-15 | HEPA 14X29X6 AL FR BEAD PACK (-300 /-600 (2)) |
| 10 | A-980939-16 | HEPA 14X41X6 AL FR BEAD PACK-400 |
| 11 | A-980939-20 | HEPA 14X29X3 AL FR BEAD PACK (-300 /-600 (2)) |
| 12 | A-980939-21 | HEPA 14X41X3 AL FR BEAD PACK-400 |
| 17 | 8-813-1415-TAB | WELDMENT, TOP PANEL |
| 18 | B-813-1417-TAB | SEAL FLANGE BI / BO ( -600 (2)) |
| 19 | B-813-1420-TAB | WELDMENT, BI / BO COVER (-600 (2)) |
| 20 | B-813-1423-TAB | WELDMENT, PLATE, EC IMPELLER ( -600 (2)) |
| 21 | B-813-1428-TAB | BAG ASSEMBLY, SINGLE FILTER 813 ( -600 (2)) |
| 22 | B-813-1431-TAB | ASSEMBLY, CHAIN RACK ( -600 (2)) |
| 23 | B-813-1443-TAB | ASSEMBLY, FILTER SPACER PLENUM ( -600 (2)) |
| 39 | F-425-3697 | ASSY, SCREW W/CAPTIVE 0-RING |
| 44 | X-980430-02 | LKNUT 1/4-20 SERR FLNG ZINC |
| 50 | X-980609-03 | 8-32 X 1/2 SCREW |
| 63 | X-999148-17 | ASSY, IMPELLER & HARNESS |
| 64 | X-999260-02 | SEAL, CORD CRIMP |

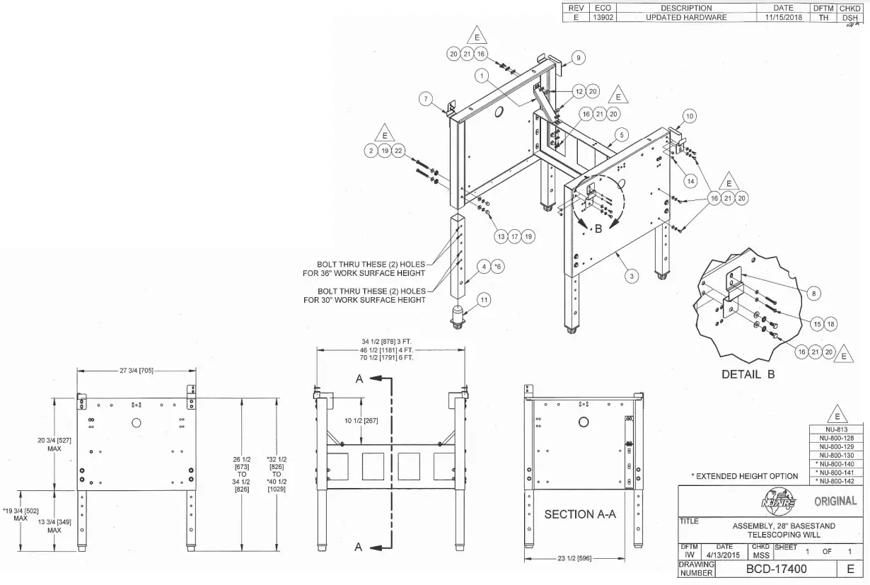
| Parts List | ||||||
| ITEM | GIN | PART NUMBER | 3 FT. | 4 FT. | 6 FT. | DESCRIPTION |
| 1 | 2 | A-425-7373 | BRACE LATERAL, BSC | |||
| 2 | 8 | A-500-395 | BUSHING, BASE STAND LEG | |||
| 3 | 2 | 8-400-9562 | WELDMENT, END PANEL, BASESTAND (28″) | |||
| 4 | 4 | B-500-390 | LEG EXTENSION, BASE STAND | |||
| 5 | 1 | B-500-391-TAB | -1 | -2 | -4 | WELDMENT, CROSS MEMBER PANEL 3 FT. |
| 6 | *4 | 8-800-1579 | LEG EXTENSION, BASE STAND EXTENDED HEIGHT | |||
| 7 | 1 | B-813-1510-01 | BRACKET,813 BASE STAND, FRONT LEFT | |||
| 8 | 1 | 6-813-1510-02 | BRACKET.813 BASE STAND FRONT RIGHT | |||
| 9 | 1 | B-813-1511-01 | BRACKET, 813 BASE STAND, REAR LEFT | |||
| 10 | 1 | B-813-1511-02 | BRACKET, 813 BASE STAND, REAR RIGHT | |||
| 11 | 4 | X-980443 | LEG LEVELER FOR 2″ SQ TUBING | |||
| 12 | 8 | X-980493 | ACORN NUT, 1/4-20 | |||
| 13 | 8 | X-980494-03 | NUT, ACORN 3/8-16 18-8 SST | |||
| 14 | 8 | X-980495 | 1/420 NUTSERT | |||
| 15 | 4 | X-980609-06 | SCR PPH 8-32 X 1-1/4 SST | |||
| 16 | 20 | X-980659-12 | SCREW, HHCS, 1/4-20 X 5/8 18-8 SST | |||
| 17 | 8 | X-980781-07 | 3/8 LOCK WASHER | |||
| 18 | 4 | X-980783-03 | #8 SST FLAT WASHER | |||
| 19 | 16 | X-980783-07 | WASHER FL 3/8 SAE NKL | |||
| 20 | 28 | X-980794-02 | 1/4 SST FLAT WASHER | |||
| 21 | 20 | X-980815-01 | 1/4 INTERNAL TOOTH LOCK WASHER | |||
| 22 | 8 | X-980929-01 | BOLT 3/8-16 X 2-3/4 SST | |||

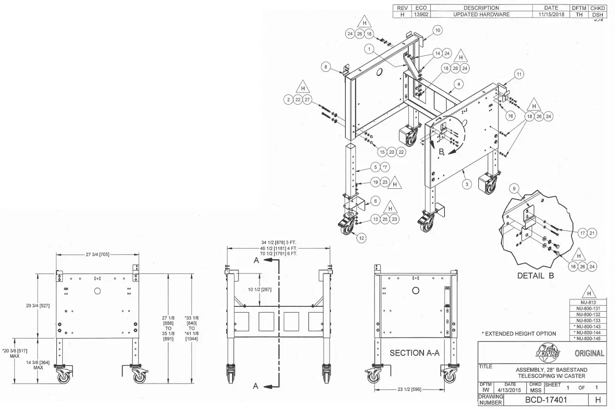
| Parts List | ||||||
| ITEM | QTY | PART NUMBER | 3 FT. | 4 FT. | 6 FT. | DESCRIPTION |
| 1 | 2 | A-425-7373 | BRACE LATERAL, BSC | |||
| 2 | 8 | A-500-395 | BUSHING, BASE STAND LEG | |||
| 3. | 2 | B-400-9562. | WELDMENT, END PANEL, BASESTAND (28″) | |||
| 4 | 1 | B-500-391-TAB | -1 | -2 | WELDMENT, CROSS MEMBER PANEL 3 FT. | |
| 5 | 4 | B-500-507 | WELDMENT, LEG EXTENSION (CASTOR) | |||
| 6 | 4 | 13-620-2285 | BASE STAND, SAFETY ANGLE FOR 4-INCH CASTER | |||
| 7 | “4 | B-800-1577 | WELDMENT, LEG EXTENSION (CASTOR) EXTENDED HEIGHT | |||
| 8 | 1 | 8-813-1510-01 | BRACKET,813 BASE STAND, FRONT LEFT | |||
| 9 | 1 | B-813-1510-02 | BRACKET,813 BASE STAND FRONT RIGHT | |||
| 10 | 1 | B-813-1511-01 | BRACKET, 813 BASE STAND, REAR LEFT | |||
| 11 | 1 | B-813-1511-02 | BRACKET, 813 BASE STAND, REAR RIGHT | |||
| 12 | 4 | X-980040-08 | CASTOR, SWIVEL W/ BRACKET, 4″. SST | |||
| 0. | 16 | X-980490-06 | NUT HEX 5/16 -18, FINISHED, SST | |||
| 14 | 8 | X-980493 | ACORN NUT, 1/4-20 | |||
| 15 | 8 | X-980494-03 | NUT, ACORN 3/8-16 18-8 SST | |||
| 16 | 8 | X-980495 | 1/4-20 NUTSERT | |||
| 17 | 4 | X-980609-06 | SCR PPH 8-32 X 1-1/4 SST | |||
| 18 | 20 | X-980659-12 | SCREW, HHCS, 1/4-20 X 5/8 18-8 SST | |||
| 19 | 16 | X-980667-01 | 5/16-18 X 3/4 BOLT | |||
| 20 | 8 | X-980781-07 | 3/8 LOCK WASHER | |||
| 21 | 4 | X-980783-03 | #8 SST FLAT WASHER | |||
| 22 | 16 | X-980783-07 | WASHER FL 3/8 SAE NKL | |||
| 23 | 32 | X-980790-06 | WASHER FL 5/16 SAE SST | |||
| 24 | 28 | X-980794-02 | 1/4 SST FLAT WASHER | |||
| 25 | 16 | X-980795-05 | WASHER LK 5/16″ SPLIT 18-8 SST | |||
| 26 | 20 | X-980815-01 | 1/4 INTERNAL TOOTH LOCK WASHER | |||
| 27 | 8 | X-980929-01 | BOLT 3/8-16 X 2-3/4 SST | |||


NOTE: REMOVE TOP PANEL FROM UNIT TO DRILL DUCT CANOPY MOUNTING HOLES TO AVOID METAL PARTICLES FROM DROPPING INTO BLOWER/HEPA FILTER.
INSTALLATION
- LOCATE CANOPY TRANSITION BRACKET IN (3) EQUAL DISTANT SPACES (120°) AROUND 12 INCH DIAMETER CIRCUMFERENCE OF DUCT CANOPY. POSITION WITH BOTTOM OF CANOPY TRANSITION BRACKET FLANGE FLUSH WITH BOTTOM OF DUCT CANOPY.
- DRILL 0.188 HOLES (QTY: 6) AND FASTEN BRACKETS WITH 8-32 X 112- SCREWS AND NUTS PROVIDED.
- REMOVE TOP PANEL FROM NU-813 AND LOCATE DUCT CANOPY ON TOP PANEL EXHAUST COLLAR MARKING ONE HOLE LOCATION ON EACH BRACKET.
- DRILL 0.136 HOLES (QTY:3, ONLY ONE REQUIRED PER BRACKET) IN THE TOP PANEL EXHAUST COLLAR AND FASTEN DUCT CANOPY BRACKETS WITH #8 X 1/2″ SHEET METAL SCREWS PROVIDED
- RE-ATTACH TOP PANEL AND CONNECT FACILITY EXHAUST DUCT.
OM0304
November/2021































