Altronix TANGO8AP PoE Driven Multi-Output Power Supply

Models Include
Tango8AP
- 12VDC and/or 24VDC selectable by output @ 65W max.
- Eight (8) selectable Fail Safe, Fail-Secure fused outputs or Form “C” dry outputs
- Fire Alarm Disconnect selectable by output
- Eight (8) additional fused outputs
- Built-in Lithium Iron Phosphate Battery Charger
Tango8APCB
- 12VDC and/or 24VDC selectable by output @ 65W max.
- Eight (8) selectable Fail Safe, Fail-Secure PTC outputs or Form “C” dry outputs
- Fire Alarm Disconnect selectable by output
- Eight (8) additional PTC outputs
- Built-in Lithium Iron Phosphate Battery Charger
Overview
Altronix Tango8AP(CB) PoE Driven Multi-Output Power Supply/Charger With Access Power Controller converts an IEEE802.3bt PoE input into eight (8) regulated 24VDC and/or 12VDC outputs and eight (8) protected 24VDC and/ or 12VDC outputs up to 65W. It eliminates the need for a high voltage inside of an enclosure. Tango8AP(CB) is designed to support a single 12VDC LiFePO4 (Lithium Iron Phosphate) battery for 12VDC and 24VDC backup.
Specifications
Inputs
Tango1B:
- 802.3bt PoE up to 90W or 802.3at up to 30W or 802.3af up to 15W.
ACMS8/ACMS8CB:
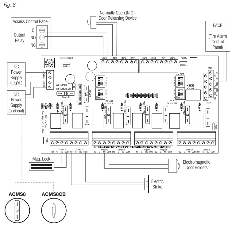
- Eight (8) trigger inputs:
a) Normally open (NO) inputs (dry contacts).
b) Normally closed (NC) inputs (dry contacts).
c) Open collector sink inputs.
d) Wet Input (5VDC – 24VDC) with 10K resistor
e) Any combination of the above.
Outputs:
Tango1B:
2VDC up to 5.4A (65W) and/or 24VDC up to 2.7A (65W). Combined output not to exceed 65W.
- When charging batteries:
12VDC up to 4.6A (55W) and/or 24VDC up to 2.3A (55W). Combined output not to exceed 55W. - ACMS8:
– Fuse protected outputs rated @ 2.5A per output, non power-limited. Total output 20A max. - ACMS8CB:
– PTC protected outputs rated @ 2A per output, Class 2 power-limited. Total output 16A max.
Do not exceed the individual power supply ratings. See Input/Output Voltage Ratings, pg. 6.
Total output current should not exceed max. current rating of the power supplies employed on each input.
See Maximum Output of Altronix Power Supplies. - Eight (8) selectable independently controlled outputs or eight (8) indepently controlled Form “C” relay outputs
(see below for ratings):
a) Fail-Safe and/or Fail-Secure power outputs.
b) Form “C” relays rated @ 2.5A. 5, 12, 24VDC, 0.6 Power Factor (ACMS8 only).
c) Auxiliary power outputs (unswitched).
d) Any combination of the above. - Individual outputs may be set to OFF position for servicing (output jumper set to middle position). Does not apply to Dry Contact applications.
- Any of the eight (8) fuse/PTC protected power outputs are selectable to follow power Input 1 or Input 2. Output voltage of each output is the same as the input voltage of the input selected. See Input/Output Voltage Ratings, pg. 6.
PDS8:
- Fuse protected outputs rated @ 3A per output, non power-limited.
PDS8CB:
- PTC protected outputs rated @ 2A per output, Class 2 power-limited.
- Surge suppression.
Fuse/PTC Ratings:
- ACMS8(CB)
Main input fuses rated 15A/32V each.
– ACMS8: output fuses are rated 3A/32V.
– ACMS8CB: Output PTCs are rated 2A. - PDS8(CB):
– Main input fuses rated @ 10A/32V each.
– PDS8: output fuses rated @ 3A/32V each.
– PDS8CB: output PTCs rated @ 2A each. - TANGO1B: battery fuse rated @ 10A/32V each.
Ethernet Output (Tango1B):
- Pass-through Ethernet Port (data only).
- 100/1G.
Battery (Tango1B):
- 12VDC battery charger for Lithium Iron Phosphate Battery (LiFeP04 only).
- Unique technology allows for single battery to backup 12VDC and/or 24VDC systems.
- Low power shutdown. Shuts down DC output terminals if battery voltage drops below 80% of nominal. Prevents deep battery discharg
Supervision (Tango1B):
- Loss of PoE Input.
- Battery Supervision.
Fire Alarm Disconnect:
- Fire Alarm disconnect (latching or non-latching) is individually selectable for any or all of the eight (8) outputs. Fire Alarm disconnect input options: a) Normally open [NO] or normally closed [NC] dry contact input. Polarity reversal input from FACP signaling circuit.
- FACP input WET is rated 5-30VDC 7mA.
- FACP input EOL requires 10K end of line resistor.
- FACP output relay [NC]: either Dry 1A/28VDC, 0.6 Power Factor or 10K resistance with [EOL JMP] intact.
Visual Indicators:
- Tango1B
– Input indicates input voltage is present.
– Battery status indicates battery trouble condition.
– PoE Class indicator.
– Supervision PoE Fail or BAT Fail. - ACMS8(CB)
– Red LEDs indicate outputs are triggered.
– Blue LED indicates FACP disconnect is triggered.
– Individual voltage LED indicates 12VDC (Green) or 24VDC (Red). - PDS8(CB)
– Individual voltage LEDs indicate 12VDC (Green) or 24VDC (Green and Red).
Environmental:
- Operating temperature: 0ºC to 49ºC ambient.
- Humidity: 20 to 85%, non-condensing.
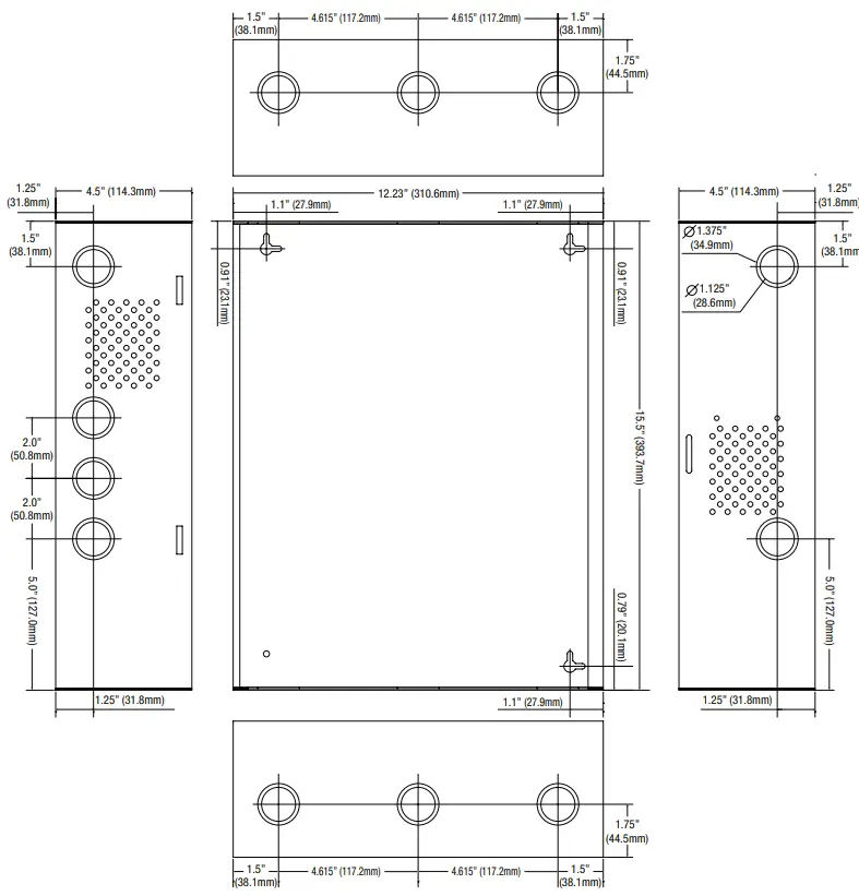
Enclosure Dimensions (approximate H x W x D):
15.5” x 12.25” x 4.5” (394mm x 311mm x 114mm).
Accessories:
Power Sourcing Equipment
NetWay1BT – Single Port Managed Hi-PoE Injector supplies 90W total power.
NetWaySP1BT – 802.3bt Media Converter/Injector supplies 90W total power.
NetWay4BT – 4-Port Managed Hi-PoE Midspan Injector supplies 480W total power.
NetWay8BT – 8-Port Managed Hi-PoE Midspan Injector supplies 480W total power.
Stand-by Specifications
| Battery | Access Control Applications Stand-by |
| 4AH | 30 Mins. |
| 7AH | 45 Mins. |
| 12AH | 1.5 Hours |
Installation Instructions
Wiring methods shall be in accordance with the National Electrical Code/NFPA 70/NFPA 72/ANSI, the Canadian Electrical Code and with all local codes and authorities having jurisdiction. Product is intended for indoor use only.
- Mount unit in desired location. Mark and predrill holes in the wall to line up with the top two keyholes in the enclosure. Install two upper fasteners and screws in the wall with the screw heads protruding. Place the enclosure’s upper keyholes over the two upper screws, level and secure. Mark the position of the lower two holes. Remove the enclosure. Drill the lower holes and install the two fasteners. Place the enclosure’s upper keyholes over the two upper screws. Install the two lower screws and make sure totighten all screws (Enclosure Dimensions, pg. 12). Secure enclosure to earth ground.
Tango1B: - Connect IEEE802.3bt PSE from PoE source to RJ45 Jack marked [PoE+ Data Input] on the Tango1B board (Fig. 1b, pg. 5). If Data pass-through is required, connect another IEEE802.3bt PSE to RJ45 Jack marked [Data Output] (Fig. 1a, pg. 5).
CAUTION: Do not touch exposed metal parts.There are no user serviceable parts inside. Refer installation and servicing to qualified service personnel. - . When the use of stand-by batteries is desired, they must be Lithium Iron Phosphate (LiFePO4 ). Connect batteries to the terminals marked [+ BAT –] on Tango1B (battery leads included) (Fig. 1f, pg. 5).
- Connect appropriate signaling notification devices to terminals marked [C FAIL NC] (Fig. 1c, pg. 5) supervisory relay output.

PDS8(CB):
- Ensure all output jumpers [OUT1 – OUT8] on PDS8(CB) are placed in the
OFF (center) position marked [•] (Fig. 2, pg. 5). - Set each output [OUT1 – OUT8] to route power from Input 1 or Input 2
(jumper position 1 or 2) (Fig. 1, 2, pg. 5, Fig. 3 pg. 6). IN1 = 24VDC, IN2 = 12VDC. Note: Measure output voltage before connecting devices. This helps avoiding potential damage - .Connect devices to terminal pairs 1 to 8, marked [P (Positive) – OUT1-OUT8, N (Negative)](Fig. 1, pg. 5, Fig. 3 pg. 6).

ACMS8(CB):
- Ensure all output jumpers [PWR1] – [PWR8] are placed in the OFF (center) position (Fig. 3, pg. 5).

- Set each output [OUT1] – [OUT8] to route power from Input 1 or 2 (Fig. 3, pg. 5).
Note: Measure output voltage before connecting devices. This helps avoiding potential damage. - Turn power off before connecting devices.
- Output Options:
ACMS8(CB) will provide up to eight (8) switched power outputs or eight (8) dry form “C” outputs, or any combination of both switched power and form “C” outputs, plus eight (8) unswitched auxiliary power outputs.
Switched Power outputs:
Connect the negative (–) input of the device being powered to the terminal marked [COM].
• For Fail-Safe operation connect the positive (+) input of the device being powered to the terminal marked [NC].
• For Fail-Secure operation connect the positive (+) input of the device being powered to the terminal marked [NO].
Form “C” outputs:
When form “C” outputs are desired, the corresponding jumper (1-8) must be placed in the OFF position
(Fig. 3, pg. 5). Alternatively, the corresponding output fuse (1-8) can be removed (Tango8AP only).
Connect negative (–) of the power supply directly to the locking device.
Connect the positive (+) of the power supply to the terminal marked [C].
• For Fail-Safe operation connect the positive (+) of the device being powered to the terminal marked [NC].
• For Fail-Secure operation connect the positive (+) of the device being powered to the terminal marked [NO].
Dry contacts rated @ 2.5A, 28VDC.
Auxiliary Power outputs (unswitched):
Connect positive (+) input of the device being powered to the terminal marked [C] and the negative (–) of the device being powered to the terminal marked [COM]. Output can be used to provide power for card readers, keypads etc. - Turn main power on after all devices are connected.
- Input Trigger options:
Note: If Fire Alarm disconnect is not used, connect a 10K ohm resistor to terminals marked [GND and EOL], plus connect a jumper to terminals marked [GND, RST].
Normally Open (NO) Input:
Slide input control logic DIP switch into the OFF position for [Switch 1 8]
(Fig. 4, on right). Connect your wires to terminals marked [+ INP1 –] to [+ INP8 –].
Normally Closed (NC) Input:
Slide input control logic DIP switch into the ON position for [Switch 1-8]
(Fig. 4, on right). Connect your wires to terminals marked [+ INP1 –] to [+ INP8 –].
Open Collector Sink Input:
Connect the open collector sink input to the terminal marked [+ INP1 –] to [+ INP8 –].
Wet (Voltage) Input Configuration:
Carefully observing polarity, connect the voltage input trigger wires and the supplied 10K resistor to
terminals marked [+ INP1 –] to [+ INP8 –].
If applying voltage to trigger input – set the corresponding INP Logic switch to the “OFF” position
If removing voltage to trigger input – set the corresponding INP Logic switch to the “ON” position. - Fire Alarm Interface options (See page 11):
A normally closed [NC], normally open [NO] input or polarity reversal input from FACP signaling circuit will trigger selected outputs. To enable FACP Disconnect for an output turn the corresponding DIP switch [SW1-SW8] ON. To disable FACP disconnect for an output turn the corresponding DIP switch [SW1-SW8] OFF. Switch is located directly to the left of the Fire Alarm Interface Terminals.
Normally Open Input:
Wire your FACP relay and 10K resistor in parallel on terminals marked [GND] and [EOL].
Normally Closed Input:
Wire your FACP relay and 10K resistor in series on terminals marked [GND] and [EOL].
FACP Signaling Circuit Input Trigger:
Connect the positive (+) and negative (–) from the FACP signaling circuit output to the terminals marked [+ FACP –]. Connect the FACP EOL to the terminals marked [+ RET –] (polarity is referenced in an alarm condition).
Non-Latching Fire Alarm Disconnect:
Connect a jumper to the terminals marked [GND, RST].
Latching Fire Alarm Disconnect:
Connect a NO normally open reset switch to terminals marked [GND, RST]. - FACP Dry NC output:
Connect desired device to be triggered by the unit’s dry contact output to the terminals marked [NC] and [C].
When [EOL JMP] is kept intact, the output is of 0 Ohm resistance in a normal condition.
When [EOL JMP] is clipped, a 10k resistance will be passed to next device when in a normal condition.
Wiring
Use 18 AWG or larger for all low voltage power connections.
LED Diagnostics
Tango1B
| LED | ON | BLINKING |
| Input | Input voltage is present. | Input voltage not present. |
| Battery | Normal operating condition. | Battery is low or missing. |
| PoE | Indicates Class. | Refer to table below Classes 3-8 |
| Supervision | PoE Fail or BAT Fail. | NC dry contact 30V 1A (not an LED) |
|
|
PDS8:
| LED | ON |
| Green | 12VDC Output. |
| Green and Red | 24VDC Output. |
ACMS8 and ACMS8CB Access Power Controller
| LED | ON | OFF |
| LED 1- LED 8 (Red) | Output relay(s) de-energized. | Output relay(s) energized. |
| FACP | FACP input triggered (alarm condition). | FACP normal (non-alarm condition). |
| Green Output 1-8 | 12VDC | – |
| Red Output 1-8 | 24VDC | – |
Terminal Identification
Tango1B
| Terminal/RJ45 Legend | Function/Description |
| PoE+ Data Input | IEEE802.3bt Input (Fig. 1b, pg. 5). |
| Data Output | Passes Data to Switch (Fig. 1a, pg. 5) |
| C FAIL NC | Power and Battery Fail (Fig. 1c, pg. 5). |
| + 12V – | 12VDC output (Fig. 1d, pg. 5). |
| + 24V – | 24VDC output (Fig. 1e, pg. 5). |
| + BAT – | Lithium Iron Phosphate battery backup (Fig. 1f, pg. 5). |
| 8-Pin Connector (Fig. 2g, pg. 4) | Facilitates electrical connection to PDS8(CB). |
PDS8(CB):
| Terminal Legend | Function/Description |
| + INP1 – | Factory connected to Tango1B. Do not use these terminals. |
| + INP2 – | Factory connected to Tango1B. Do not use these terminals. |
| P [OUT1-OUT8] | Positive DC power outputs. |
| N [OUT1-OUT8] | Negative DC power outputs. |
ACMS8 and ACMS8CB Access Power Controller
| Terminal Legend | Function/Description |
| + PWR1 – | Factory connected. Do not use these terminals. |
| + PWR2 – | Factory connected. Do not use these terminals. |
| + INP1 – through + INP8 – | Eight (8) independently controlled Normally Open (NO), Normally Closed (NC), Open Collector Sink or Wet Input Triggers. |
| C, NC | FACP Dry NC output rated 1A/28VDC @ 0.6 Power Factor. Class 2 power-limited. With EOL JMP intact, will provide 10k resistance in a normal state. |
| GND, RST | FACP interface latching or non-latching. NO dry input. Class 2 power-limited. To be shorted for non-latching FACP interface or Latch FACP reset. |
| GND, EOL | EOL Supervised FACP Input terminals for polarity reversal FACP function. Class 2 power-limited. |
| – F, + F, – R, + R | FACP Signaling Circuit Input and Return terminals. Class 2 power-limited. |
| Output 1 through Output 8 NO, C, NC, COM | Eight (8) selectable independently controlled outputs [Fail-Safe (NC) or Fail-Secure (NO)] and eight (8) independently controlled Form “C” Relay outputs. |

Typical Application Diagram for ACMS8(CB)

Hook-Up Diagrams
![]() | ![]() |
![]() | ![]() |
![]() | ![]() |
Enclosure Dimensions (BC400)
15.5” x 12.25” x 4.5” (394mm x 311mm x 114mm)

Altronix is not responsible for any typographical errors.
140 58th Street, Brooklyn, New York 11220 USA | phone: 718-567-8181 | fax: 718-567-9056
website: www.altronix.com | e-mail: [email protected] | Lifetime Warranty
IITango8AP(CB) D19V
Tango8AP(CB) – PoE Driven Multi-Output Power Supply/Charge With Access Power Controller Installation Guide





























