SALUS 091FLRF Wireless Room Thermostat

Introduction
091FL/091FLRF is a programmable, weekly thermostat used to control room temperature in heating or cooling systems. Before use please read this manual carefully. Use only AA 1.5V alkaline batteries in the thermostat. Place the batteries into the battery slot located under the cover. Do not use rechargeable batteries.
Product Compliance
This product complies with the following EU Directives:
091FL: 2014/30/EU, 2014/35/EU, 2011/65/EU
Safety Information
Use in accordance with national and EU regulations. Use the device only as intended, keeping it in a dry condition. The product is for indoor use only. Installation must be carried out by a qualified person in accordance with national and EU regulations.
Proper Thermostat Placement

Technical Specification
Wired Thermostat 091FL
| Power supply | 2 x AA batteries |
| Rating max | 5 (3) A |
| Sal | Voltage-free NO/COM relay |
| Temperature range | 5 – 30°C |
- SUN
Comfort temperature or changing parameters up - MOON
Economic temperature or changing parameters down - D
Set the day of the week - H
Set the hour - M
Set the minutes - Temp
Temperature setpoint - Prog
Weekly programming - Prog #
Program selection - OK
Confirm function - Reset
Factory Reset
LCD Icon Description
![]()
- Day of the week indicator
- Heating Mode ON
- Cooling Mode ON
- Room / Setpoint Temperature
- Temperature unit
- Controlled device working status (e.g. boiler)
- Temporary override
- Eco Mode
- Program number
- Antifrost Mode
- Comfort Mode
- Program timeline indicator
- Clock
- Low battery indicator
- AM/PM
091FL Wiring Diagram

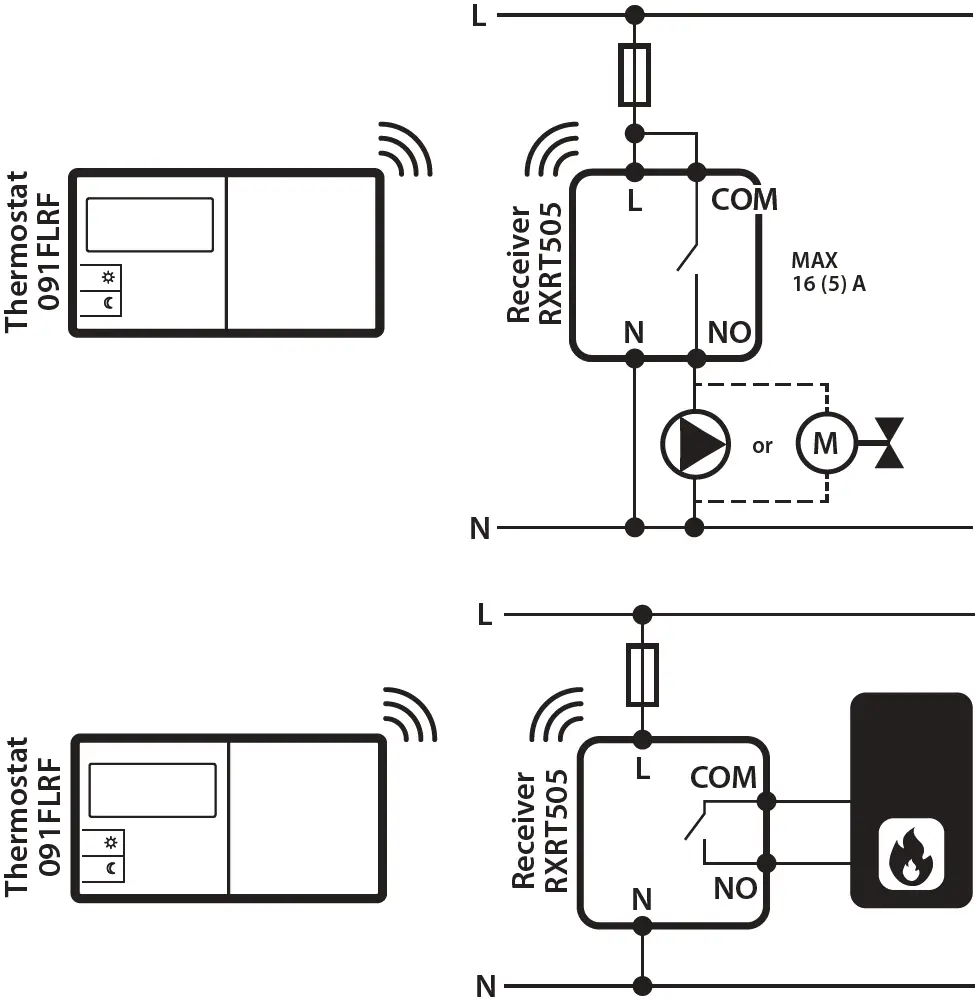
091FLRF Wiring Diagram

CHANGING THE COMMUNICATION CODE OF 091FLRF
Note: To prevent interference from other wireless devices it is recommended to change the communication code from factory setting.
- Use DIP switches (numbered 1-5) to change the communication code.

- Set DIP switches randomly – they need to be in the same position on both the receiver and the transmitter.
- Press Reset button after communication code changing.

Setting Time
- Press OK button to highlight the display.
- Press D to set the day.
- Press H to set the hour.
- Press M to set the minutes.
Setting the Comfort Temperature
- Press OK button to highlight the display.
Press and then press Temp. - Display will show current comfort temperature.
To change this temperature, press SUN or MOON icons button.
- To confirm press OK button.
Setting the Economic Temperature
- Press OK button to highlight the display.
Press Moon and then press Temp. - Display will show current economic temperature.
To change this temperature, press Sun or Moon button.
- To confirm press OK button.
Programs

Comfort Temperature
There are 9 programs available. Programs 0-5 are factory programs. Programs 6-8 can be defined by user.
Selection of Factory (0-5) Programs
- Press OK to highlight the display.
- Press Prog # to set the program number (0-5) for the selected day.
Program 0 is a special program. It will set the thermostat to antifrost temperature (7°C) for the full day.
- To confirm press OK button.
Choosing and Programing (6-8) User Programs
- Press OK button to highlight the display.
Select the day of the week by pressing Prog button. - Press Prog # to set the program number (6,7 u 8) for the selected day.

- Press Sun or Moon button (each pressing one of these buttons moves the timeline by one hour and assigns a comfortable or an economic temperature).
- To confirm press OK button.
CHANGE COOLING / HEATING
Press OK button to highlight the display.
- Heating mode – the relay closes the contacts when there is a need for heating (default setting).
Cooling mode – the relay closes the contacts when there is a need for cooling (with 5 minutes delay).
Press Sun or Moon to select mode.
To confirm your option press OK. - DLYOFF Heating device delay switch disabled (default setting).
DLYON Heating device delay switch is ON (5 min).
Select by pressing Sun or Moon button.
To confirm your option press OK. - SPAN Temperature span selection, possible values are 0.5°C or 1.0°C (default = 1.0°C).
Press Sun or Moon to set span.
To confirm your option press OK. - OFF5 Measured temperature correction*
(value range: -3.0°C to + 3.0°C, default = 0.0°C).
Press Sun or Moon to set correction.
* This feature is available from 2.4 software version.


























