baanool 405 GPS Tracker User Manual
In order to protect the environment and provide timely up-to-date information about your tracker, we have made electronic user manual.
To down load your electronic user manual, please visit our website:www.baanooliot.com
Hardware Description

Terminal Installation
- Please ask a qualified engineer to install it.
- The installation environment should ensure that the GSM and GPS signals are good
- Please do not install it in a dusty and humid environment.
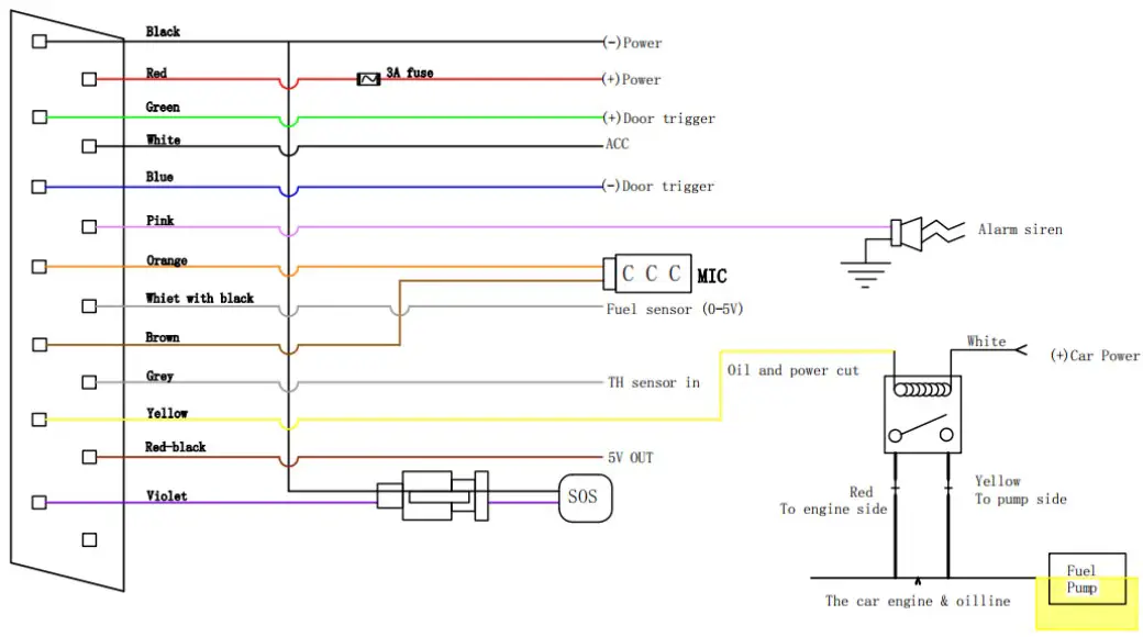
- Find the 14PIN wiring harness provided with the product, insert it into the corresponding wiring hole of the product, and connect to the original car circuit as shown in the following Wiring Diagram:

- The pink wire can be connected to the original car alarm horn or the alarm horn purchased together.
- Understand that the vehicle door trigger type is positive trigger or negative trigger. Connected to the green wire if it is positive trigger, and connected to the blue wire if it is negative trigger.
- Please install the SOS button where the driver can touch it.
- SIM card installation
Open sealed buckle of sim card, insert the sim card, then, Put sealed buckle back.
Please be sure to confirm that the SIM card network frequency band is the network frequency band supported by the device. Caller ID must be turned on and the PIN code must be turned off. The call forwarding function cannot be turned on.
- After inserting the SIM card, connect the positive and negative (red and black) wires of the power supply to the 12V or 24V power supply of the car. Wait the device works normally After 1 minute of power-on
Device Status Light
| Indicators | Status | |
| Power LED (Red) | Flash | Low battery |
| ON | Charging | |
| OFF | Fully charged | |
| GSM LED (Green) | ON | No GSM signal |
| Flash 1 time each second | GSM mode | |
| Flash 2 times each second | GSM mode, GPS signal isnormal | |
| Flash 3 times each second | GSM mode, GPS signal isvery good | |
| Flash slowly 1 time each 3 seconds | GPRS mode | |
| Flash slowly 2 times each 3 seconds | GPRS mode, GPS signal isnormal | |
| Flash slowly 3 times each 3 seconds | GPRS mode, GPS signal isvery good | |
Mobile APP
Scan the QR code to download APP

Google Play、App Store、Baidu App Store search “BAANOOL IOT” to download it
Register
Open BAANOOL IOT, register a new account and login, Choose “BAANOOL car “to enter it.
Bind Device
Click “Me” “Device Management” “Add”, scan the QR CODE on the device or enter the IMEI manually to bind the device
BAANOOL IOT’s Web Version
Open www.baanooliot.com , The login account name and password are the same as phone app’s

Attention:
When reading this user manual, you will notice that we have used “+” and “space” between some words;”+” between two words means they should be written together as one word and “space” between two words means you should leave one character space between two words.
GPRS configuration for live real-time tracking
Set APN, Account user name and password to login web platform Usually, the device can automatically recognize and select the APN, user name and password of GPRS settings. If the device cannot connect to the web platform, then you need to use the mobile phone text message to configure the settings according to following steps.
APN Setting
APN is an abbreviation for Access Point Name and changes depending on which mobile network you are using. For more information about your local APN, please check with your local wireless carrier.
SMbS command: APN+password+space+local APN
Tracker response: APN OK
Example: APN123456 CMNET
Note: 123456 is the default password, please change password on APP or refers to 8.1.
Configure user name and password of GPRS
In the most countries, the user name and password of GPRS are not necessary; therefore, you can ignore this step if it is not necessary for your local network.
For those countries requiring user name and password, please configure as following:
SMS command: up+password+space+user+space+password
Tracker response: user, password ok!
Example: up123456 Jonnes 666666
Note: 123456 means the password of the device, Jonnes means the user name ofgprs, and 666666 means password of gprs
Configure domain name and port
Tracker connects to tracker.baanooliot.com 8090 by default. If you need to connect to another domain name, please configure it.
SMS command: dns+password+space+DNS domain name+space+port
Tracker response: dns success!
Example : dns123456 tracker.baanooliot.com 8090
Note:
If you want to configure IP instead of DNS, then please send SMS command: “adminip+password+space+IP+space+port”
GPRS mode
SMS command: GPRS+password
Tracker response: GPRS OK! (It means it has been switched to GPRS mode.)
Function Details
The following setting functions can be set through the APP or web version
Changing Password
- SMS command: password+oldpassword+space+new password Tracker response: password OK
- Be sure to keep the new password in mind, you have to flash the firmware to restore the initialized setting in case of losing the new password
- Attention: Make sure the new password is in 6 digits Arabic numbers, otherwise the tracker cannot recognize it
Up to 5 numbers can be authorized.
- call the tracker 10 times in succession, the number will be authorize automatically as the first number and tracker response “add master ok”
- SMS command: admin+password+space+mobile phone number , Tracker response: admin ok。
- SMS command: noadmin+password+space+authorized number Tracker response: noadmin ok
- If you want to receive these kinds of notification alerts when the trackers moved to another country, you must put the country code before the phone number to authorize it in international format, If there is a “0” before your phone number, please remove the “0”, for example, admin123456 008613322221111, then 13322221111 had been configure to authorization number。
Single Tracking
- If there aren’t any authorized numbers set-up, it will reply all calls with a location report; if there are authorized numbers set-up, then it will not respond when an unauthorized number calls it。
- If you call it from authorized phone number, it will hang up and report a real-time location as below:

When it lost fix to satellites, the message will include the last known GPS position and a LAC code of the updated position as well。 - SMS Command:position+password,The function is the same as 8.3.2
Sleep tracking strategy
Sleep off timing tracking strategy
SMS Command:Sleep+password+space+off+space+030s+030m +005n The above command means: no sleep mode (GPRS is always online), It will update a position every 30s interval when moving,and update a position at 30 minutes interval when motionless, and only 5 times are updated, 005n means 5 times, ***n means unlimited times.
Sleep offis the default mode, but not default tracking strategy.
Note: The time must be represented by 3 Arabic numerals, and the time interval should be set to a minimum of 10 seconds (s: seconds, m: minutes, h: hours)
Sleep off timing and distance tracking strategy
SMS command:Sleep+password+space+off+space+030m +0200d +005n
The above command means: no sleep mode (GPRS is always online), It will update a position at 30min interval when moving, and update a position at 200 meters interval when motionless, and only 5 times are updated, 005n means 5 times, ***n means unlimited times.
Note: The time must be represented by 3 Arabic numerals, and the moving distance must be represented by 4 Arabic numerals. d represents the distance, the distance unit is meters, and the time interval is set to a minimum of 10 seconds (s: seconds, m: minutes, h: hours)
Sleep on timing tracking strategy
SMS Command:Sleep+password+space+on+space+030s+001h+005n
The above command means: sleep mode (GPRS offline when the device is stop, motion or any alarm trigger get online), the device is reported 30 seconds interval when the device is moving, and every 1 hour when it is stop , and only report 5 times, 005n means limited to 5 times of positioning, * **n means Unlimited times.
Note: The time must be represented by 3 Arabic numerals, the movement interval is at least 10 seconds, and the stop interval is at least 30 minutes (s: seconds, m: minutes, h: hours)
Sleep on timing and distance tracking strategy
SMS command:Sleep+password+space+on+space+001h+0200d +005n
command means:Sleep mode (GPRS offline when the device stop, motion or any alarm trigger get online),Report 1 hour interval when the device stop,When the device move, the moving distance reaches 200 meters, it will reported, and only report 5 times.005n is means limited to 5 times of positioning, * **n means Unlimited times.
Note: The time must be represented by 3 Arabic numerals, the distance must be represented by 4 Arabic numerals, d represents the distance, the distance unit is meters, and the minimum static interval is set to 30 minutes (s: seconds, m: minutes, h: hours)
Cancel tracking strategy
SMS command:nofix+password,Tracker response: nofix ok
Smart angle updating
- It will update positions automatically to web platform when the vehicle changes driving direction over a preset angle value to make its trace following the actual road and seem better on the map. This function is only available in GPRS mode.
- SMS command: angle+password+space+angle value,Tracker response: angle ok
- Note: The angle value must be 3 Arabic digits, and the default value is 30 degree.
Location based service (LBS) / Cell-ID tracking
If the tracker cannot establish a solid GPS Fix, it will calculate its location using Cell-ID GSM locating. In SMS mode, location reports will include the GPS coordinates of the last known positions as well as a LAC code which is the current latest position. If in GPRS mode, tracker will automatically switch to tracking by LBS. and locate directly on the platform map with LBS positioning prompts. The base station positioning information has an error with the actual position, and the error range is related to the strength of the GSM signal.
Note: This function can be used normally in most areas according to GSM signal conditions, but may not be available in some areas.
Listen
- The default mode is Track mode, dial the device, reply position
- SMS command: listen+password, switch to Listen mode, dial the device, enter call
- SMS command: tracker+password, restore to Track mode
Forwarding incoming SMS messages
- SMS command:forward+password+space+third party phone number,Tracker response: forward ok The carrier’s number which used to sending notification messages is recommended to set up, tracker will forward the notification message to authorized numbers when carrier send message to remind you to top up your SIM card.
- Cancel:noforward+password
SIM Card Balance Enquiry
SMS command: balance+password+space+phonenumber+space+code
Tracker response: It will forward the code to the specified phone number and return the content from that number.
This function assumes that your GSM network provider has the option where you can check your SIM card’s balance by sending a SMS message to a specified number, which is 10086 in this example of China Mobile.
ACC ON/OFF Alert
- This function is OFF by default.
SMS command to activate:ACC+password,Tracker Response:ACC ok If tracker detect “ignition on” signal from ACC wire (white wire), tracker will send “ACC on+latitude& longitude” to authorize number to tell you the vehicle has been started. When detect “ignition off” signal, it will send “ACC off+ latitude & longitude” to tell you the vehicle has been stopped. - SMS command to deactivate:noACC+password,Tracker response:noACC ok
- It can only activate or deactivate the notification by SMS message to authorized phone numbers, the notification to web platform cannot be deactivated and will always send automatically
Remote immobilizing
Immediate execution way
SMS command: quickstop+password Tracker response: quickstop OK
Example: quickstop123456 Tracker will immobilize the vehicle immediately
Remote immobilizing
SMS command: stop+password, Tracker response: Stop engine succeed
Example: stop123456
If the speed is higher than 20KM/H, the function of cutting off fuel and power will not be executed immediately, and reply “it will be executed after speed less than 20KM/H”. When the speed of the vehicle is less than 20KM/H, the device will cutoff fuel and power and reply “Stop engine Succeed”.
Remote fuel resume
SMS command: resume+password, Tracker response: Resume engine Succeed
Example: resume123456
This means tracker will now resume the fuel & power supply
Fuel sensor calibrating
For reasons such as different fuel tank heights and specifications, tracker needs to set the proper height to zero and full values in order to read the correct percentage value.
Calibrate 0% when the fuel tank is empty:
SMS command: oilzero+password
Tracker response: oilzero ok!
Example: oilzero123456
Calibrate 100% after fill the fuel tank 100%:
SMS command: oilfull+password
Tracker response: oilfull ok!
Example: oilfull123456
You can connect the original car’s voltage type fuel sensor, the applicable range is 0 ~ 5V. If the original one cannot be used, then an external voltage type fuel sensor is the solution.
Configure times of alarm
The times of sos, power, oil, door, ACC alarm sending can be set.
Send once by default.
SMS command: xtime+password+times value
Tracker response: xtime ok!
Example: xtime123456 005 (It means to send alarm 5 times.)
Note: The times value must be 3 digits
Alarms
Low battery alarm
This feature is activated by default, when the battery voltage is close to 3.55V, tracker will send message “low battery + latitude & longitude” to authorized numbers for 2 times at 15 minutes interval.
SMS command to deactivate: lowbattery+password+space+off
Tracker response: lowbattery off ok
Example: lowbattery123456 off
SMS command to activate: lowbattery+password+space+on
Tracker response: lowbattery on ok
Example: lowbattery123456 on
Power disconnection alarm
This feature activate by default. Tracker will send “Power alarm+latitude& longitude” to authorized numbers when external power disconnected.You can receive alarm notifications on the app at the same time.
SMS command to deactivate: extpower +password+space+off
Tracker response: extpower off ok
Example: expower123456 off
SMS command to activate: extpower +password+space+on
Tracker response: extpower on ok
Example: expower123456 on
Blind area alarm
This feature is deactivated by default, tracker will send SMS notification “No gps+latitude& longitude of the last know position.” to authorized numbers if lost fix to GPS satellites.
SMS command to activate: gpssignal +password+space+on
Tracker response: gpssignal on ok
Example: gpssignal123456 on
SMS command to deactivate: gpssignal +password+space+off
Tracker response: gpssignal off ok
Example: gpssignal123456 off
SOS alarm
Press SOS button for 3 seconds, tracker will send SMS notification “Help me+latitude& longitude” to all the authorized numbers.
When any authorized numbers replies sms”help me”, it will stop sending alarm messages.
Geo-fence
The Geo-fence feature creates a virtual fence. When the tracker moves out of this virtual fence, SMS notification “stockade!+latitude &longitude”will be sent to the authorized numbers when SMS mode. Geo-fence alarm will be sent to Web when gprs mode command to activate: stockade+password+space+latitude, longitude; latitude, longitude
Tracker response: stockade ok!
Example: stockade123456 22.554459, 113.903981; 22.553002, 113.909378
Note: The first latitude & longitude is coordinate of the top left corner of the Geo-fence, and the second latitude & longitude is the coordinate of the bottom right corner.
Command to deactivate: nostockade+password
Example: nostockade123456
Movement alarm
When the device stays in one place for 3-10 minutes and confirms that there is a GPS signal, you can send the SMS command “move+password+space+0200” to the device (assuming a range of 200 meters, maximum support four digits, unit: meters), the device Will reply “move ok!”. Once the device is out of range, the device will reply the message “move + latitude and longitude” to the authorized number. (The default distance of the device is 200 meters,)
Cancel the setting: Send SMS “nomove+password” to cancel this function setting.
Over speed alarm
Send SMS command “speed+password+space+080” to the device (assuming the speed is 80km/h), then the device will reply “speed ok!”. When the device runs over 80km/h, the device will send the message ” speed+080!+latitude and longitude” to the authorization number. Over speed alarm SMS mode only sends a text message once within 3 minutes, GPRS mode only send once within 3 seconds; the siren sounds for one second when speeding.
Cancel the setting: Send SMS “nospeed+password” to cancel this function setting.
Note: The recommended speed should not be less than 30km/h.If the speed is set lower than this you may get a false alarm due to GPS inaccuracy
Fuel alarm
When the vehicle’s fuel consumption exceeds the normal standard while the vehicle is running, or there is fuel leakage or fuel stealing when the vehicle is stopped, tracker will send “oil: ××%+latitude & longitude” to the authorized numbers. The siren will beep for 20 seconds.
SMS command to stop the notification: nooil+password
Example: nooil123456
Temperature alert (Option)
The available temperature range is from -40℃ to 80℃
Activate temperature Alert
Send SMS command “temperature+password+space+the lowest temperature( the number should be 2 digits), the highest temperature ( the number should be 2 digits)”to the tracker, it will reply “temperature ok” .When the temperature is beyond the limited range, the tracker will send SMS alarm to the authorized numbers.
For example: Send SMS “temperature123456 -10,40” ,when the temperature is below -10℃ or above 40℃,the tracker will send SMS alarm to the authorized numbers and siren beeps 20 seconds
Deactivate temperature alerts
Send SMS command “notemperature+password” to tracker, it will reply “notemperature OK”.
Arming
Arming by SMS
Command:arm+password
Response:Tracker is activated, the vehicle terminal enters the armed state. If the vehicle is in the ignition state(Represents ths key not pulled),itcannotenterthe armedstate,and then reply “set up fail! pls turn off ACC”.
Silent Arming
Silent arming by SMS
SMS Command:silent+password
Respond:silent ok!, the terminal enters the silent arming state. After the alarm is triggered, the siren does not sound, but an alarm text message will be sent to the authorized number.
Disarming
Disarming by SMS
SMS command: disarm+password
Tracker response: Tracker is deactivated
Example: disarm123456
After disarming, the door, shock sensor and ACC alarm will be deactivated, and these alarms won’t be triggered any more.
Alarm function in arming state
Door Opening Alarm
When the door is opened in arming state, tracker will send SMS notification “Door alarm+latitude & longitude” to authorized numbers. The siren will beep for 20 seconds, and if the door is still open, then the siren will beep for another 20 seconds with 20 seconds pause, disarming to quit the alarm.
ACC Alarm
Tracker will send “ACC alarm + latitude / longitude” to authorized numbers if the ignition of the vehicle has been switched “ON” (Key is rotated to “ACC ON” position when tracker works in arming state. The siren will beep for 20 seconds, and if the ignition is still on, then the siren will beep for another 20 seconds with 20 seconds pause,disarming to quite the alarm.
At the same time app receive alarm message.
Acceleration Sensor Alarm
- There is a built-in three axis acceleration sensor in the tracker to detect the movement, tilt and shock when in arming state and tracker will send “Sensor alarm + latitude / longitude” to authorized numbers, and only send once in 3 minutes. Siren will beep for 5 seconds for the first trigger and second trigger, and then beep 10 seconds for another trigger, at the same time app receive alarm message ,disarming to quit the alarm
- Sensor’s sensitivity configuration
There are three different levels:
First level: Alarm will be triggered by slight vibration.
SMS command: sensitivity+password+space+1
Tracker response: sensitivity ok
Example: sensitivity123456 1
Second level: Alarm will be triggered by medium vibration.
SMS command: sensitivity+password+space+2
Tracker response: sensitivity ok
Example: sensitivity123456 2
Third level: Alarm will be triggered by severe vibration.
SMS command: sensitivity+password+space+3
Tracker response: sensitivity ok
Example: sensitivity123456 3
WiFi hotspot (For C/D model)
This function is deactivate by default. When the hotspot is turned on, user’s other devices can use the wifi name and password to connect to the Internet.
activate: hotspot+password+space+on, Tracker Response: wifi name and password deactivate: hotspot+password+space+off, Tracker Response: hotspot off ok WiFi hotspot can also be turned on and off through the web platform and App.
If a camera is installed, the hotspot should be turned on to use the camera and video functions
Check WiFi hotspots (For C/D model)
send SMS command: checkhotspot+password, Tracker Response: wifi name and password
Modify WiFi hotspot password (For C/D model)
send SMS command: hotspotpwd+password+space+hotspot new password, Tracker Response: hotspotpwd ok
WiFi camera (For C/D model)
- Configure the network for the camera
- Open the app, open the hotspot, and open the QR code
- Point the camera at the QR code to scan the code
- Camera prompt “Network configuration successful”
Camera function
When the vehicle-mounted terminal detects a DOOR/ACC/SOS alarm, the device will actively turn on the camera function at the same time as the alarm, then upload the captured photos to the monitoring platform and send link address of the picture to all authorized numbers.
The camera function can also be enabled by requesting images through the platform and app
View real-time video
Both the monitoring platform and app can open a live video stream to view the surrounding environment of the vehicle.
When the video is playing, you can click the up, down, left, and right directions to adjust the camera direction, and you can also click the camera button to capture video frames.
Check Status
SMS command: check+password
Reply: Power, Battery, GPS signal, ACC, Door, GSM signal, GPRS, APN, UP, IP, Port etc
Example: check123456
Tracker response:
Power: ON/OFF
Battery: 100%
GPRS: ON/OFF
GPS: OK/NO GPS
ACC: OFF/ON
Door: OFF/ON
GSM Signal: 1-32 (The higher, the better)
APN: cmnet
IP: 104.250.138.146
PORT: 9000
Arm: OFF/ON
Temperature: 30
Humidity: 50%
Check IMEI
SMS command: imei+password
Tracker response: xxxxxxxxxxxxxxx (A 15 digits IMEI of your device)
Example: imei123456
Local time setting
Tracker works in the local time zone by default. If you find that the time zone is incorrect, you can configure the time zone
SMS command: time+space+zone+password+space+time zone value
Tracker responds: time ok
Example: time zone123456 8
Reset Hardware
SMS Command: reset+password
Tracker Response: reset ok
Example: reset123456
Activate Fuel value in GPRS
GPRS data string has no fuel value by default, if you need the fuel value in GPRS data string, please configure it as following:
SMS command: protocol+password 18
Tracker response: protocol 18 ok
Example: protocol123456 18
If you want to change back to the default data string, please configure as following:
SMS command: protocol+password 12
Tracker response: protocol 12 ok
Example: protocol123456 12
Note: By default, tracker is connected to www.baanooliot.com:8090 with fuel value, so no need to configure this step. If you are using another IP or domain name, use this command to activate the fuel value.
TCP / UDP switch
SMS command to switch to TCP mode: GPRS+password,0,0 (TCP mode is the default one)
SMS command to switch to UDP mode: GPRS+password,1,1
Tracker response: GPRS OK!
Example: GPRS123456,0,0
GPRS123456,1,1
SMS mode
Switch to SMS mode will disconnect the GPRS connection for live tracking.
SMS command: SMS+password
Tracker response: SMS OK! ( It means it has been switched to SMS mode.)
Example: SMS123456
Configure SMS monitoring center number
SMS command: centernum+password+space+phone number
Tracker response: centernum ok
After the SMS monitoring center number is successfully set, the SMS reported by the
positioning strategy will be sent to this number.
If the monitoring center number needs to receive the alarm notification message, please set
this number as an authorized number too.
Cancel SMS monitoring center number
SMS command: nocenternum+password
Tracker response: nocenternum ok
Example: nocenternum123456
Configure GPRS heartbeat package interval
The default heartbeat interval to keep GPRS connection alive is 100 seconds; you can change it if necessary, but please be kindly informed that if the time interval is too long, it may cause GPRS disconnection.
SMS command: heartbeat+password+space+time interval
Tracker response: heartbeat ok
Example: heartbeat123456 120
Note: (123456 means tracker’s password, 120 means the interval.)
The minimum interval is 60 seconds, and tracker will continue to send heartbeat every 60 seconds if you configure it less than 60 seconds.
Initialization
If the tracker cannot work properly, you can send command to initialize it to return to default factory settings.
SMS command: begin+password
Tracker response: begin ok
Example: begin123456
Cautions
Please be sure to follow when using:
- Keep the tracker used in a dry environment. The humid environment can easily damage internal circuits.
- Please do not put it in a dusty environment.
- Do not put the tracker in overheated or overcooled places.
- Handle carefully. Don’t vibrate or shake it violently.
- Please clean with a dry cloth, do not use chemicals and detergents.
- Please do not paint the device; this may lead to internal circuit failure.
- Do not disassemble the device.
- Please read the user manual carefully before installation and operation, and understand voltage range. Otherwise, it won’t work properly or damage the tracker.
Troubleshooting
| Faults | Solution |
| Fail to turn on |
|
|
No GSM signal |
|
| No GPS signal | The device needs to be in an unobstructed position to ensure that it can receive GPS signals normally. |
| No response for SMS command |
|
|
No response for a call/No alarm notification message |
|
|
Fail to stop engine |
|
| Remote control cannot be used | Turn off tracker, and turn it on to program the remote control again. |
FCC Caution:
Any Changes or modifications not expressly approved by the party responsible for compliance could void the user’s authority to operate the equipment.
This device complies with part 15 of the FCC Rules. Operation is subject to the following two conditions:
- This device may not cause harmful interference, and
- this device must accept any interference received, including interference that may cause undesired operation.
IMPORTANT NOTE:
Note: This equipment has been tested and found to comply with the limits for a Class B digital device, pursuant to part 15 of the FCC Rules. These limits are designed to provide reasonable protection against harmful interference in a residential installation. This equipment generates, uses and can radiate radio frequency energy and, if not installed and used in accordance with the instructions, may cause harmful interference to radio communications. However, there is no guarantee that interference will not occur in a particular installation. If this equipment does cause harmful interference to radio or television reception, which can be determined by turning the equipment off and on, the user is encouraged to try to correct the interference by one or more of the following measures:
- Reorient or relocate the receiving antenna.
- Increase the separation between the equipment and receiver.
- Connect the equipment into an outlet on a circuit different from that to which the receiver is connected.
- Consult the dealer or an experienced radio/TV technician for help.
FCC Radiation Exposure Statement:
This equipment complies with FCC radiation exposure limits set forth for an uncontrolled environment. This equipment should be installed and operated with minimum distance 20cm between the radiator& your body.


















