VIKING VE-9×12 Weather-Proof Enclosure Owner’s Manual
The VE-9×12 and VE-9×20 outdoor enclosures provide the ultimate in weather protection for your Viking product or other device. The VE-9×12 enclosures are constructed of glass fiber reinforced durable UV stable plastic. The VE-9×20 enclosures are constructed of cast aluminum. Both models are made for years of outdoor service. The heavy-duty doors are labeled “Telephone” and have a gasket seal to keep out even the harshest weather. The VE-9×12 allows you to choose from two panels that allow mounting many different Viking products.
Both the VE-9×12 and VE-9×20 are available in three high visibility colors: red with silver lettering, yellow with red lettering, or black with silver lettering.
Models VE-9×12-0P and VE-9×20-0 come without an adapter panel, ideal for mounting non-Viking equipment.
These enclosures come in all three colors and include a separate “Telephone” label.
Features
- Designed to meet NEMA/EEMAC Type 4/4X/12 requirements
- VE-9×12 Construction: Heavy-duty glass fiber reinforced UV stable PBT plastic
- VE-9×20 Construction: Heavy-duty 319 cast aluminum, powder coated for durability and UV stability, ½” NPT conduit openings on top and bottom
- Drip guard and gasket sealed door
- 0.020” thick stamped aluminum “Telephone” label with scratch resistant UV stable clear coat
- All models are available in Red, Yellow, or Black
- VE-9×12 models have two internal adapter panel options, see page 6
- VE-9×20 models have one internal adapter panel option, see page 7
- Both models available without internal adapter panel for mounting other (non-Viking) products and include a separate “Telephone” label, see pages 6-7
- Mounting holes for standard RJ11 wall plate available, see Installation section B on page 4
- VE-9×20 models include one VE-SPG door return hinge spring, optional second VE-SPG may be added (sold separately)
- Optional VE-SPG door return hinge spring available
- Optional VE-PBL push button lock and key set available
Applications
- Parking lots
- Maintenance areas
- Building exteriors
- Gas stations
- Swimming pools
- Playgrounds
- Roadside help areas
www.VikingElectronics.com
Information: 715-386-8861
Specifications
Dimensions: See Specifications on pages 2-3
Compatible Viking Products: See pages 6-7
VE-9×12 Shipping Weight: 9 lbs (4.08 kg)
VE-9×20 Shipping Weight: 17 lbs (7.7 kg)
Colors: Red with silver lettering, yellow with red lettering, or black with silver lettering
VE-9×20 Conduit Opening: ½” NPT top and bottom, top plug
NEMA Rating: Designed to meet NEMA/EEMAC Type 4, 4X and 12 requirements
VE-9×12 Box
Material: Heavy-duty glass fiber reinforced PBT UV stable plastic
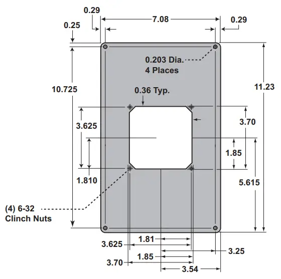
Minimum Internal Clearance: 5.75” x 10.0” x 6.75”
*Conduit Openings: Conduit holes can be drilled where needed in the bottom of the chassis base
* Caution: When warm air comes in contact with cold surfaces, such as outside walls and conduits, it causes condensation. To prevent condensation and moisture from accumulating inside the VE-9×12 enclosure, always bring conduit into the bottom of the unit.
VE-9×12 Adapter Panels
- Adapter Panel 1
Material: 12 gauge aluminum
Finish: Black powder paint
Minimum Internal Clearance: 5.75” x 10.0” x 5.25”
Top View of Adapter Panel 1
Front View of Adapter Panel 1
- Adapter Panel 2
Material: 12 gauge aluminum
Finish: Black powder paint
Minimum Internal Clearance: 5.75” x 10.0” x 4.0”
Top View of Adapter Panel 2
Front View of Adapter Panel 2
VE-9×20 Box
Material: Heavy-duty 319 cast aluminum construction
Finish: Powder coated for durability and UV stability
Minimum Internal Clearance: 5.75” x 17.25” x 6.75”
*Conduit Openings: ½” NPT conduit openings on top and bottom, top comes with ½” NPT plug
* Caution: When warm air comes in contact with cold surfaces, such as outside walls and conduits, it causes condensation. To prevent condensation and moisture from accumulating inside the VE-9×20 enclosure, always bring conduit into the bottom of the unit.
VE-9×20 Adapter Panel
Material: 14 gauge stainless steel
Finish: #4 brushed finish
Minimum Internal Clearance: 5.75” x 17.25” x 4.0”
Top View of Adapter Panel
VE-9×20 Adapter Panel
Installation
Adhering the Optional “Telephone” Label on the VE-9×12-0P or VE 9×20-0
| Step 1 | Clean the recessed area on the door cover with isopropol alcohol. |
| Step 2 | Make sure the outside edges of the “Telephone” label are not warped upward (re-form if necessary). Remove backing paper, then firmly press label in recessed area on the front cover. |
Mounting to the VE-9×12(R/Y/B)-1P with an RJ11 Wall Plate
| Step 1 | Mount the VE-9×12(R/Y/B)-1P to the wall, or surface desired, using the (4) corner mounting holes. |
| Step 2 | Run the conduit and wiring as appropriate. |
| Step 3 | Attach adapter panel 1 using the (4) included 8-32 x 3/8 black cap screws. |
| Step 4 | Attach a standard RJ11 wall plate (not included). |
| Step 5 | Attach the compatible Viking product to the RJ11 wall plate (see page 6 for compatible products). |

Mounting to the VE-9×12(R/Y/B)-1P
| Step 1 | Mount the VE-9×12(R/Y/B)-1P to the wall, or surface desired, using the (4) corner mounting holes. |
| Step 2 | Run the conduit and wiring as appropriate. |
| Step 3 | Attach adapter panel 1 using the (4) included 8-32 x 3/8 black cap screws. |
| Step 4 | Attach the compatible Viking product directly to the adapter panel using the installation instructions provided in the Product Manual (see page 6 for compatible products). |

Mounting to the VE-9×12(R/Y/B)-2P
| Step 1 | Mount the VE-9×12(R/Y/B)-2P to the wall, or surface desired, using the (4) corner mounting holes. |
| Step 2 | Run the conduit and wiring as appropriate. |
| Step 3 | Attach adapter panel 2 using the (4) included 8-32 x 3/8 black cap screws. |
| Step 4 | Attach the compatible Viking product directly to the adapter panel using the installation instructions provided in the Product Manual (see page 6 for compatible products). |

Installing a Viking Panel Phone in the VE-9×20(R/Y/B)
- Mounting the Viking Panel Phone
Step 1 Remove the adapter panel from the VE-9×20(R/Y/B) using the included hex key. Step 2 Mount the VE-9×20(R/Y/B) to the wall, or surface desired, using the (4) corner mounting holes. Step 3 Run the conduit and wiring as appropriate. Step 4 Attach adapter panel. Step 5 Attach the Viking product directly to the adapter panel using the installation instructions provided in the Product Manual. 
- Adjusting the Armored Cable
Step 1 Loosen the 6-32 nut on the back of the panel phone. Step 2 Loosen the brass collar set screw on the back of the panel phone using the 3/32 hex key included with the panel phone. Step 3 Pull the armored cable through to the desired length, making sure the cable length is short enough that the door of the VE-9×20(R/Y/B) will not close on the cable. The extra cable length will easily store behind the adapter panel. Step 4 Tighten the brass collar and the 6-32 nut. 
Optional VE-PBL Push Button Lock
An optional VE-PBL lock and key set is available if you choose to keep your VE-Series phone box locked. Please contact your distributor for pricing and availability.
Optional VE-SPG Door Return Hinge Spring
An optional VE-SPG door return hinge spring is available to assure the door is closed after use. Please contact your distributor for pricing and availability.

Understanding VE-9×12 Model Numbers

- A. Size of the Enclosure
9×12 = Measures approximately
9” wide x 12” tall - B. Color of the Enclosure
R = Red with silver lettering
Y = Yellow with red lettering
B = Black with silver lettering - C. Internal Panel
1 = Panel 1 included, see page 2
2 = Panel 2 included, see page 2
0 = No internal panel included - D. Enclosure Material
P = Glass fiber reinforced plastic
Viking Products Compatible with VE-9×12
| Compatible Viking Product | Product Description | Model | Color | Panel |
| E-10A | Analog speaker phone, black finish | VE-9×12 | R/Y/B | 2 |
| E-10A-EWP | Analog speaker phone with EWP, black finish | VE-9×12 | R/Y/B | 2 |
| E-10-IP | VoIP speaker phone, black finish | VE-9×12 | R/Y/B | 2 |
| E-10-IP-EWP | VoIP speaker phone with EWP, black finish | VE-9×12 | R/Y/B | 2 |
| E-1600-03B | Analog emergency phone, stainless | VE-9×12 | R/Y/B | 1 |
| E-1600-03B-EWP | Analog emergency phone with EWP, stainless | VE-9×12 | R/Y/B | 1 |
| E-1600-03-IP | VoIP emergency phone, stainless | VE-9×12 | R/Y/B | 1 |
| E-1600-03-IPEWP | VoIP emergency phone with EWP, stainless | VE-9×12 | R/Y/B | 1 |
| E-1600-20A | Analog emergency phone with 2 buttons | VE-9×12 | R/Y/B | 2 |
| E-1600-20A-EWP | Analog emergency phone with 2 buttons and EWP | VE-9×12 | R/Y/B | 2 |
| E-1600-20-IP | VoIP emergency phone with 2 buttons | VE-9×12 | R/Y/B | 2 |
| E-1600-20-IPEWP | VoIP emergency phone with 2 buttons and EWP | VE-9×12 | R/Y/B | 2 |
| E-1600-30A | Analog emergency phone, stainless | VE-9×12 | R/Y/B | 2 |
| E-1600-30A-EWP | Analog emergency phone with EWP, stainless | VE-9×12 | R/Y/B | 2 |
| E-1600-30-IP | VoIP emergency phone, stainless | VE-9×12 | R/Y/B | 2 |
| E-1600-30-IPEWP | VoIP emergency phone with EWP, stainless | VE-9×12 | R/Y/B | 2 |
| E-1600-40A | Analog emergency phone, red with no text | VE-9×12 | R/Y/B | 1 |
| E-1600-40A-EWP | Analog emergency phone with EWP, red with no text | VE-9×12 | R/Y/B | 1 |
| E-1600-40-IP | VoIP emergency phone, red with no text | VE-9×12 | R/Y/B | 1 |
| E-1600-40-IPEWP | VoIP emergency phone with EWP, red with no text | VE-9×12 | R/Y/B | 1 |
| E-1600-45A | Analog emergency phone, yellow | VE-9×12 | R/Y/B | 1 |
| E-1600-45A-EWP | Analog emergency phone with EWP, yellow | VE-9×12 | R/Y/B | 1 |
| E-1600-45-IP | VoIP emergency phone, yellow | VE-9×12 | R/Y/B | 1 |
| E-1600-45-IPEWP | VoIP emergency phone with EWP, yellow | VE-9×12 | R/Y/B | 1 |
| E-1600-60A | Analog “POLICE” emergency phone, blue | VE-9×12 | R/Y/B | 1 |
| E-1600-60A-EWP | Analog “POLICE” emergency phone with EWP, blue | VE-9×12 | R/Y/B | 1 |
| E-1600-60-IP | VoIP “POLICE” emergency phone, blue | VE-9×12 | R/Y/B | 1 |
| E-1600-60-IPEWP | VoIP “POLICE” emergency phone with EWP, blue | VE-9×12 | R/Y/B | 1 |
| E-1600-65A | Analog emergency phone, blue | VE-9×12 | R/Y/B | 1 |
| E-1600-65A-EWP | Analog emergency phone with EWP, blue | VE-9×12 | R/Y/B | 1 |
| E-1600-65-IP | VoIP emergency phone, blue | VE-9×12 | R/Y/B | 1 |
| E-1600-65-IPEWP | VoIP emergency phone with EWP, blue | VE-9×12 | R/Y/B | 1 |
| E-1600A | Analog emergency phone, red | VE-9×12 | R/Y/B | 1 |
| E-1600A-EWP | Analog emergency phone with EWP, red | VE-9×12 | R/Y/B | 1 |
| E-1600-BKA | Analog compact emergency phone, black | VE-9×12 | R/Y/B | 1 |
| E-1600-BKA-EWP | Analog compact emergency phone with EWP, black | VE-9×12 | R/Y/B | 1 |
| E-1600-BK-IP | VoIP compact emergency phone, black | VE-9×12 | R/Y/B | 1 |
| E-1600-BK-IPEWP | VoIP compact emergency phone with EWP, black | VE-9×12 | R/Y/B | 1 |
| E-1600-BLA | Analog compact emergency phone, blue | VE-9×12 | R/Y/B | 1 |
| E-1600-BLA-EWP | Analog compact emergency phone with EWP, blue | VE-9×12 | R/Y/B | 1 |
| E-1600-BL-IP | VoIP compact emergency phone, blue | VE-9×12 | R/Y/B | 1 |
| E-1600-BL-IPEWP | VoIP compact emergency phone with EWP, blue | VE-9×12 | R/Y/B | 1 |
| E-1600-BLPA | Analog compact “POLICE” emergency phone, blue | VE-9×12 | R/Y/B | 1 |
| E-1600-BLPA-EWP | Analog “POLICE” emergency phone with EWP, blue | VE-9×12 | R/Y/B | 1 |
| E-1600-BLP-IP | VoIP compact “POLICE” emergency phone, blue | VE-9×12 | R/Y/B | 1 |
| E-1600-BLPIPEWP | VoIP emergency “POLICE” phone with EWP, blue | VE-9×12 | R/Y/B | 1 |
| E-1600-IP | VoIP emergency phone, red | VE-9×12 | R/Y/B | 1 |
| E-1600-IP-EWP | VoIP emergency phone with EWP, red | VE-9×12 | R/Y/B | 1 |
| E-1600-RDA | Analog compact emergency phone, red | VE-9×12 | R/Y/B | 1 |
| E-1600-RDA-EWP | Analog compact emergency phone with EWP, red | VE-9×12 | R/Y/B | 1 |
| E-1600-RD-IP | VoIP compact emergency phone, red | VE-9×12 | R/Y/B | 1 |
| E-1600-RD-IPEWP | VoIP compact emergency phone with EWP, red | VE-9×12 | R/Y/B | 1 |
| E-1600-SSA | Analog compact emergency phone, stainless | VE-9×12 | R/Y/B | 1 |
| E-1600-SSA-EWP | Analog compact emergency phone with EWP, stainless | VE-9×12 | R/Y/B | 1 |
| E-1600-SS-IP | VoIP compact emergency phone, stainless | VE-9×12 | R/Y/B | 1 |
| E-1600-SS-IPEWP | VoIP compact emergency phone with EWP, stainless | VE-9×12 | R/Y/B | 1 |
| E-1600-YLA | Analog compact emergency phone, yellow | VE-9×12 | R/Y/B | 1 |
| E-1600-YLA-EWP | Analog compact emergency phone with EWP, yellow | VE-9×12 | R/Y/B | 1 |
| E-1600-YL-IP | VoIP compact emergency phone, yellow | VE-9×12 | R/Y/B | 1 |
| E-1600-YL-IPEWP | VoIP compact emergency phone with EWP, yellow | VE-9×12 | R/Y/B | 1 |
| E-20B | Analog speaker phone | VE-9×12 | R/Y/B | 1 |
| E-20B-EWP | Analog speaker phone with EWP | VE-9×12 | R/Y/B | 1 |
| E-20-IP | VoIP speaker phone | VE-9×12 | R/Y/B | 1 |
| E-20-IP-EWP | VoIP speaker phone with EWP | VE-9×12 | R/Y/B | 1 |
| E-20TF-IP | VoIP touch-free entry phone, plastic chassis | VE-9×12 | R/Y/B | 1 |
| E-20TF-IP-EWP | VoIP touch-free entry phone with EWP, plastic chassis | VE-9×12 | R/Y/B | 1 |
| E-30 | Analog speaker phone with dialer, stainless | VE-9×12 | R/Y/B | 2 |
| E-30-EWP | Analog speaker phone with EWP, stainless | VE-9×12 | R/Y/B | 2 |
| E-30-IP | VoIP speaker phone with dialer, stainless | VE-9×12 | R/Y/B | 2 |
| E-30-IP-EWP | VoIP speaker phone with EWP, stainless | VE-9×12 | R/Y/B | 2 |
| E-30-PT | Analog push-to-talk speaker phone, stainless | VE-9×12 | R/Y/B | 2 |
| E-30TF-IP | VoIP touch-free entry phone, stainless steel | VE-9×12 | R/Y/B | 2 |
| E-30TF-IP-EWP | VoIP touch-free entry phone with EWP, stainless | VE-9×12 | R/Y/B | 2 |
| E-35 | Analog speaker phone with camera, stainless | VE-9×12 | R/Y/B | 2 |
| E-35-EWP | Analog speaker phone with camera and EWP, stainless | VE-9×12 | R/Y/B | 2 |
| E-35-IP | VoIP speaker phone with dialer, stainless steel | VE-9×12 | R/Y/B | 2 |
| E-35-IP-EWP | VoIP speaker phone with camera and EWP, stainless | VE-9×12 | R/Y/B | 2 |
| E-60 Series | Analog double-gang speaker phones | VE-9×12 | R/Y/B | 2 |
| E-60-EWP Series | Analog double-gang speaker phones with EWP | VE-9×12 | R/Y/B | 2 |
| E-60-IP Series | VoIP double-gang speaker phones | VE-9×12 | R/Y/B | 2 |
| E-60-IP-EWP Series | VoIP double-gang speaker phones with EWP | VE-9×12 | R/Y/B | 2 |
| E-65 Series | Analog double-gang speaker phones with video | VE-9×12 | R/Y/B | 2 |
| E-65-EWP Series | Analog speaker phones with video and EWP | VE-9×12 | R/Y/B | 2 |
| E-70 Series | Analog speaker phones with proximity reader | VE-9×12 | R/Y/B | 2 |
| E-70-EWP Series | Analog speaker phones with proximity reader and EWP | VE-9×12 | R/Y/B | 2 |
| E-75 Series | Analog phones with video and proximity reader | VE-9×12 | R/Y/B | 2 |
| E-75-EWP Series | Analog phones with video, proximity reader, and EWP | VE-9×12 | R/Y/B | 2 |
| K-1500P-W | Wall phone with ringer, red | VE-9×12 | R/Y/B | 1 |
| K-1500P-W ASH | Wall phone with ringer, ash | VE-9×12 | R/Y/B | 1 |
| K-1900W-2 | Analog hot-line wall phone, red | VE-9×12 | R/Y/B | 1 |
| K-1900W-2 ASH | Analog hot-line wall phone, ash | VE-9×12 | R/Y/B | 1 |
| K-1900W-IP | VoIP hot-line wall phone, red | VE-9×12 | R/Y/B | 1 |
| K-1900W-IP ASH | VoIP hot-line wall phone, ash | VE-9×12 | R/Y/B | 1 |
| W-1000 | Handsfree doorbox, black finish | VE-9×12 | R/Y/B | 2 |
| W-1000 | Handsfree doorbox with EWP, black finish | VE-9×12 | R/Y/B | 2 |
| W-2000A | Handsfree doorbox, plastic chassis | VE-9×12 | R/Y/B | 1 |
| W-2000A-EWP | Handsfree doorbox with EWP, plastic chassis | VE-9×12 | R/Y/B | 1 |
| W-3000 | Handsfree doorbox, stainless steel | VE-9×12 | R/Y/B | 2 |
| W-3000 | Handsfree doorbox with EWP, stainless steel | VE-9×12 | R/Y/B | 2 |
Understanding VE-9×20 Model Numbers

- A. Size of the Enclosure
9×20 = Measures approximately
9” wide x 20” tall - B. Color of the Enclosure
R = Red with silver lettering
Y = Yellow with red lettering
B = Black with silver lettering - C. Internal Panel
[blank] = Standard panel included,
0 = No internal panel included
Viking Products Compatible with VE-9×20
| Compatible Viking Product | Product Description | Enclosure Model | Color |
| K-1500-7 | Analog no-dial panel phone | VE-9×20 | R/Y/B |
| K-1900-7 | Analog hot-line panel phone | VE-9×20 | R/Y/B |
| K-1900-712L | Analog hot-line panel phone | VE-9×20 | R/Y/B |
| K-1900-712L-EWP | Analog hot-line panel phone | VE-9×20 | R/Y/B |
| K-1900-712L-IP | VoIP panel phone with dialer | VE-9×20 | R/Y/B |
| K-1900712LIPEWP | VoIP panel phone with dialer | VE-9×20 | R/Y/B |
| K-1900-7-EWP | Analog hot-line panel phone | VE-9×20 | R/Y/B |
| K-1900-7-IP | VoIP panel phone with dialer | VE-9×20 | R/Y/B |
| K-1900-7-IP-EWP | VoIP panel phone with dialer | VE-9×20 | R/Y/B |
| K-1900-8 | Analog panel phone with keypad | VE-9×20 | R/Y/B |
| K-1900-812L | Analog panel phone with keypad | VE-9×20 | R/Y/B |
| K-1900-812L-EWP | Analog panel phone with keypad | VE-9×20 | R/Y/B |
| K-1900-812L-IP | VoIP panel phone with built-in entry system | VE-9×20 | R/Y/B |
| K-1900812LIPEWP | VoIP panel phone with built-in entry system | VE-9×20 | R/Y/B |
| K-1900-8-EWP | Analog panel phone with keypad | VE-9×20 | R/Y/B |
| K-1900-8-IP | VoIP panel phone with built-in entry system | VE-9×20 | R/Y/B |
| K-1900-8-IP-EWP | VoIP panel phone with built-in entry system | VE-9×20 | R/Y/B |
Warranty
IF YOU HAVE A PROBLEM WITH A VIKING PRODUCT, CONTACT VIKING TECHNICAL SUPPORT: 715-386-8666
Our Technical Support Department is available for assistance Monday through Friday 8:00am to 5:00pm central time. Before you call, please:
- Know the model number, the serial number and what software version you have (see serial label).
- Have the Product Manual in front of you.
- It is best if you are on site.
RETURNING PRODUCT FOR REPAIR
The following procedure is for equipment that needs repair:
- Customer must contact Viking’s Technical Support Department at 715 386-8666 to obtain a Return Authorization (RA) number. The customer MUST have a complete description of the problem, with all pertinent information regarding the defect, such as options set, conditions, symptoms, methods to duplicate problem, frequency of failure, etc.
- Packing: Return equipment in original box or in proper packing so that damage will not occur while in transit. The original product boxes are not designed for shipping – an overpack box is required to prevent damage in transit. Static sensitive equipment such as a circuit board should be in an anti-static bag, sandwiched between foam and individually boxed. All equipment should be wrapped to avoid packing material lodging in or sticking to the equipment.
Include ALL parts of the equipment. C.O.D. or freight collect shipments cannot be accepted. Ship cartons prepaid to:
VIKING ELECTRONICS
1531 INDUSTRIAL STREET
HUDSON, WI 54016 - Return shipping address: Be sure to include your return shipping address inside the box. We cannot ship to a PO Box.
- RA number on carton: In large printing, write the RA number on the outside of each carton being returned.
RETURNING PRODUCT FOR EXCHANGE
The following procedure is for equipment that has failed out-of-box (within 10 days of purchase):
- Customer must contact Viking’s Technical Support at 715-386-8666 to determine possible causes for the problem. The customer MUST be able to step through recommended tests for diagnosis.
- If the Technical Support Product Specialist determines that the equipment is defective based on the customer’s input and troubleshooting, a Return Authorization (RA) number will be issued. This number is valid for fourteen (14) calendar days from the date of issue.
- After obtaining the RA number, return the approved equipment to your distributor. Please reference the RA number on the paperwork being shipped back with the unit(s), and also the outside of the shipping box. The original product boxes are not designed for shipping – an overpack box is required to prevent damage in transit. Once your distributor receives the package, they will replace the product over the counter at no charge. The distributor will then return the product to Viking using the same RA number.
- The distributor will NOT exchange this product without first obtaining the RA number from you. If you haven’t followed the steps listed in 1, 2 and 3, be aware that you will have to pay a restocking charge.
TWO YEAR LIMITED WARRANTY
Viking warrants its products to be free from defects in the workmanship or materials, under normal use and service, for a period of two years from the date of purchase from any authorized Viking distributor. If at any time during the warranty period, the product is deemed defective or malfunctions, return the product to Viking Electronics, Inc., 1531 Industrial Street, Hudson, WI., 54016. Customer must contact Viking’s Technical Support Department at 715-386-8666 to obtain a Return Authorization (R.A.) number.
This warranty does not cover any damage to the product due to lightning, over voltage, under voltage, accident, misuse, abuse, negligence or any damage caused by use of the product by the purchaser or others. This warranty does not cover non-EWP products that have been exposed to wet or corrosive environments. This warranty does not cover stainless steel surfaces that have not been properly maintained.
NO OTHER WARRANTIES. VIKING MAKES NO WARRANTIES RELATING TO ITS PRODUCTS OTHER THAN AS DESCRIBED ABOVE AND DISCLAIMS ANY EXPRESS OR IMPLIED WARRANTIES OR MERCHANTABILITY OR FITNESS FOR ANY PARTICULAR PURPOSE.
EXCLUSION OF CONSEQUENTIAL DAMAGES. VIKING SHALL NOT, UNDER ANY CIRCUMSTANCES, BE LIABLE TO PURCHASER, OR ANY OTHER PARTY, FOR CONSEQUENTIAL, INCIDENTAL, SPECIAL OR EXEMPLARY DAMAGES ARISING OUT OF OR RELATED TO THE SALE OR USE OF THE PRODUCT SOLD HEREUNDER.
EXCLUSIVE REMEDY AND LIMITATION OF LIABILITY. WHETHER IN AN ACTION BASED ON CONTRACT, TORT (INCLUDING NEGLIGENCE OR STRICT LIABILITY) OR ANY OTHER LEGAL THEORY, ANY LIABILITY OF VIKING SHALL BE LIMITED TO REPAIR OR REPLACEMENT OF THE PRODUCT, OR AT VIKING’S OPTION, REFUND OF THE PURCHASE PRICE AS THE EXCLUSIVE REMEDY AND ANY LIABILITY OF VIKING SHALL BE SO LIMITED.
IT IS EXPRESSLY UNDERSTOOD AND AGREED THAT EACH AND EVERY PROVISION OF THIS AGREEMENT WHICH PROVIDES FOR DISCLAIMER OF WARRANTIES, EXCLUSION OF CONSEQUENTIAL DAMAGES, AND EXCLUSIVE REMEDY AND LIMITATION OF LIABILITY, ARE SEVERABLE FROM ANY OTHER PROVISION AND EACH PROVISION IS A SEPARABLE AND INDEPENDENT ELEMENT OF RISK ALLOCATION AND IS INTENDED TO BE ENFORCED AS SUCH.
Product Support: 715-386-8666
Due to the dynamic nature of the product design, the information contained in this document is subject to change without notice. Viking Electronics, and its affiliates and/or subsidiaries assume no responsibility for errors and omissions contained in this information. Revisions of this document or new editions of it may be issued to incorporate such changes.























