POTTER SHB SLB120-75 Indoor Outdoor Strobe

Features
- Unit by itself is UL Listed for outdoor use
- Low current consumption
- Wide operating voltage range
- AWG #18 lead wire connection
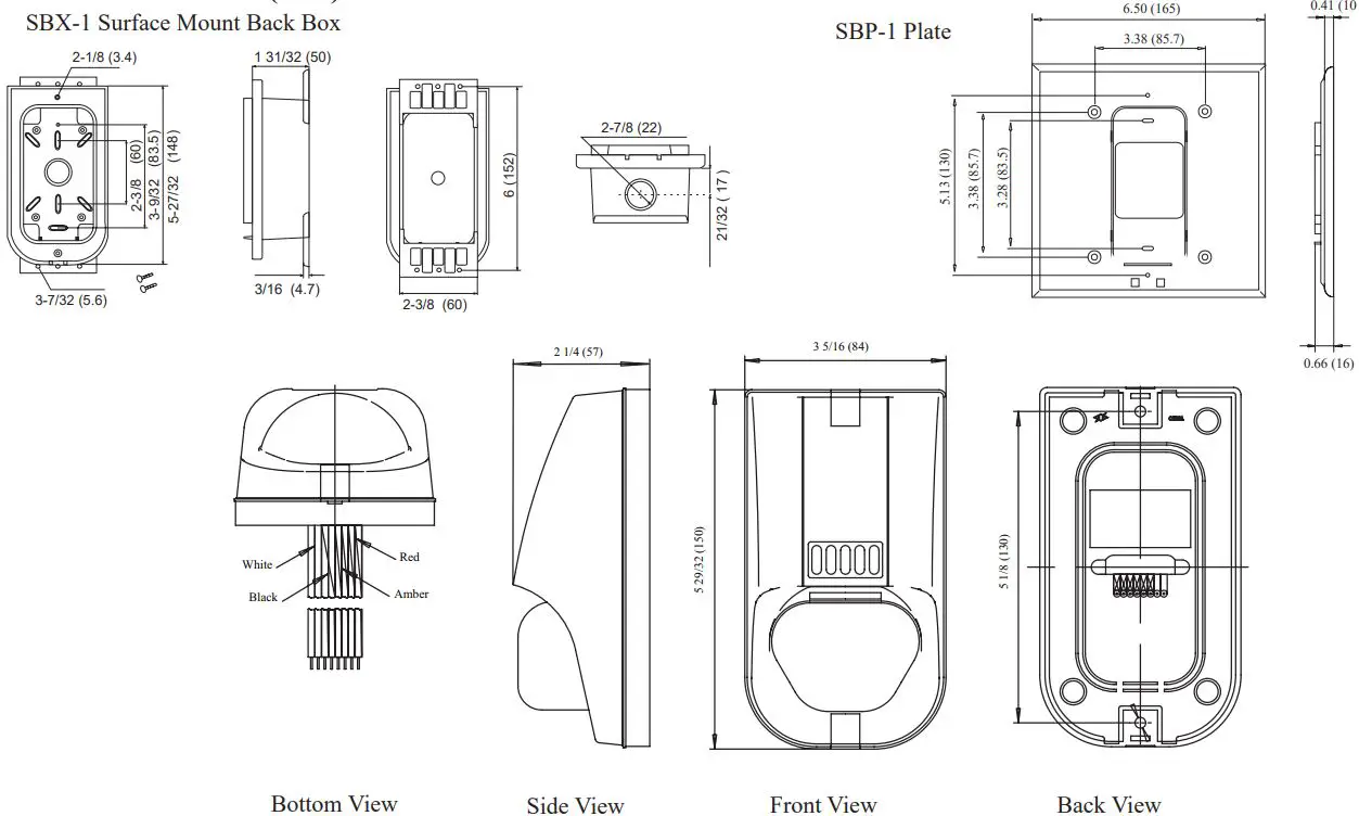
- Mounts to SBX-1 outdoor box or SBP-1 plastic mounting plate (optional)
- FIRE decal included
- Available in red or gray housing
- Available in clear lens only
The SLB and SHB offer a slim look with a stylish round strobe. The SLB and SHB strobes and strobe/horns are listed indoor or outdoor applications and are completely sealed units. The colored coded fl ying leads provide a simple connection of one or multiple devices. The strobe/horn combinations are selectable with either a continuos or ANSI Temporal 3 output.
These strobes are used in various applications such as Mass Notifi cation, Severe Weather Warning, Machine Operation, Industrial Detection Systems, Access Control, and many, many, more. These devices are UL listed for general signaling (UL 1638). The bodies of the strobes are available in red or gray. The strobes are designed for 120 VAC, however will operate anywhere between 96 and 132 VAC.
Ordering Information
| Model Number | Housing Color | Input Voltage | Operating Voltage Range | Light Output | Flash Rate | Installation | Mounting Type | Operating Temperature Range |
| SHB120-75C | Red |
100 cd | ||||||
| SHB120G-75C | Gray | 120V AC | 96-132V AC | 75 times/ | Indoor/ | Wall | -40°F – 150°F | |
| SLB120-75C | Red | min. | Outdoor | Mount | (-40°C – 66°C) | |||
| SLB120G-75C | Gray |
Engineering Specifi cations
The Amseco SLB120 strobe or SHB120 strobe/horn shall be provided for visual (and audible with SHB) notifi cation. The device shall be completely sealed and listed for both indoor and outdoor installations. For outdoor installations, the SBX-1 back box shall be provided. The devices shall be UL listed for General Signaling and shall provide a minimum of 75 candela in all positions. The strobe shall operate between 96 and 132 VAC regulated or full wave rectifi ed. The strobe shall fl ash a minimum of once a second continuously at 96 VAC. A jumper shall allow the user to select either a continuous or ANSI temporal output. The devices are either mounted on a single gang plate, the SBX-1 back box or the SBP-1 plate for 4” square boxes.
Installation

Dimensions: inches (mm)

Wiring Diagram




















