POTTER SL-401 Strobe Light

SL-401 STROBE LIGHT
- Easy 2-wire connection with reverse polarity protection
- 60,000 candle power output
- 115mA current draw at 12V DC
- Two colored lead wires AWG#22 provided for input power connection
- Operating life in excess of 200 hours
- Available lens colors: amber, blue, clear, red
The SL-401 is the lowest current consumption, weather-proof strobe in its class. It operates on 12V DC and draws a low 115mA. It is made of high impact resistant thermoplastic to stand up to abuse. The strobe is rated at 60,000 candle power and is designed with an operating life in excess of 200 hours of continuous operation.
| Stock Number | Strobe Color |
| 4190016 | Amber |
| 4190017 | Blue |
| 4190018 | Clear |
| 4190019 | Red |
Application
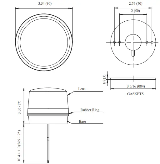
Dimension
inch (mm)
Installation
WARNING
Secure the lens firmly in the lock position to create a good seal. Removing the lens repeatedly may cause the rubber ring to flatten and lose its efficiency.
Specifications
| Model Number | Input Voltage | Current Output (Amps) | Operating Voltage Range (VDC) | Flash Rate Per Minute | Candle Power | Lens Color Available | Operating Temperature Range |
| SL-401 | 12V DC | 115mA | 9.6 – 14.4 | 60 – 100 | 60,000 | Amber, Blue Clear, Red | -4°F – 140°F -20°C – 60°C |
Potter Electric Signal Co., LLC St. Louis, MO
Cust Service: 866-240-1870
Tech Support:866-956-1211
Canada 888-882-1833
www.pottersignal.com
firealarmresources.com



















