535 1987 Electrical Wiring Diagrams
Instructions
535 1987 Electrical Wiring Diagrams
COMPONENT LOCATOR:
A/C & HEATER SYSTEM …. C-F 24-27
ACTIVE CHECK CTRL UNIT …. A 28-31
AL TERNA TOA……………………… D 3
ANTI-LOCK BRAKE SYS … C-F 21-23
AUTO CHARGING FLASHLIGHT .. C 24
BACK-UP LT SW……………………D 46
BATTERY………………….A 2
BOLSTER SUPPORT SYS …. A-B 38-39
BRAKE ACCUMPRES SW ………… F 35
BRAKE FLUID LEVEL SW………….F 35
BRAKE SENSORS…………………..B 34
BRAKE SW…………………………..D 20
CENTRAL LOCKING CTRL SYSTEM …………D-F 44-47
CHIME MODULE …………….A 22, D 31
CIGLTR……………… D24
CIGLTRLT……………………..C29
COOLANT TEMP SENSOR ….. A 34
CRUISE CTRL SYSTEM ……. A-C 20-22
DIAGNOSTIC CONNECTOR ….. E-F 20
DIRECTIONAL SW……………..D-E 2t
DOME l TS ………………………….E-F 30
DOOR SWS ……………………… C-D 30-31
DUAL TEMP SW (MS)…………..F 3
EVAPORATOR PURGE RELAY (S38) ………….. F 8
FLASHER UNIT …………………….. D 29
FOG LIGHT/INTERIOR LT SW…………… E-F 31
FOG LIGHT RElAY…………… C 15
FUEL INJECTORS ($38)………… E-F 11
FUEL INJECTORS (3.5L) ………..E.F 7
FUEL PUMP…………………………. C-D 35
FUEL PUMP RELAY (3.SL)……. F 4
FUEL TANK SENDER/SW …………. E 35
FUSE BLOCK …………….., B-E 13-15
FUSE NUMBER & AMP CHART …. E 12
GLOVE BOX LT ……………………….D 24
HAZARD SW…………………………..E-F 28
HEATER PNL A A/CLTS …………… C 29
HIGH BEAM RELAY………………….B14
HIGH BEAM SW………………………D-E 28
HIGH SPEED COLNT TEMP Sw…..E 2
HIGH SPEED FAN RELAY…………….E 3
HORN BUSHING/SLIP RING &SWITCHES…………….C 1·2
HORN RELAY…………………………………….D 14
HYDRAULIC HEIGHT LEVEL
CTRL SYSTEM ……………. A 40-43
HYDRAULIC PRES SW………………F 35
IGNITION COIL (S38)………………F 8
IGNITION COIL (3.Sl)……………….E4
IGNITION SW ………………. A-C 35
INSTRUMENT CLUSTER …. A-F 32-34
INTERIOR LIGHT TIMER CTRL …. E 31
LIGHT SW……………………………..B-D 28
LOCK HEATER CTRL UNIT…………8 44
LOW BEAM CHECK RELAY ……… E 13
LOW BEAM RELAY………………..B15
MAIN RELAY (S38)………….D 11
MAIN RELAY (3.5L)……………DE7
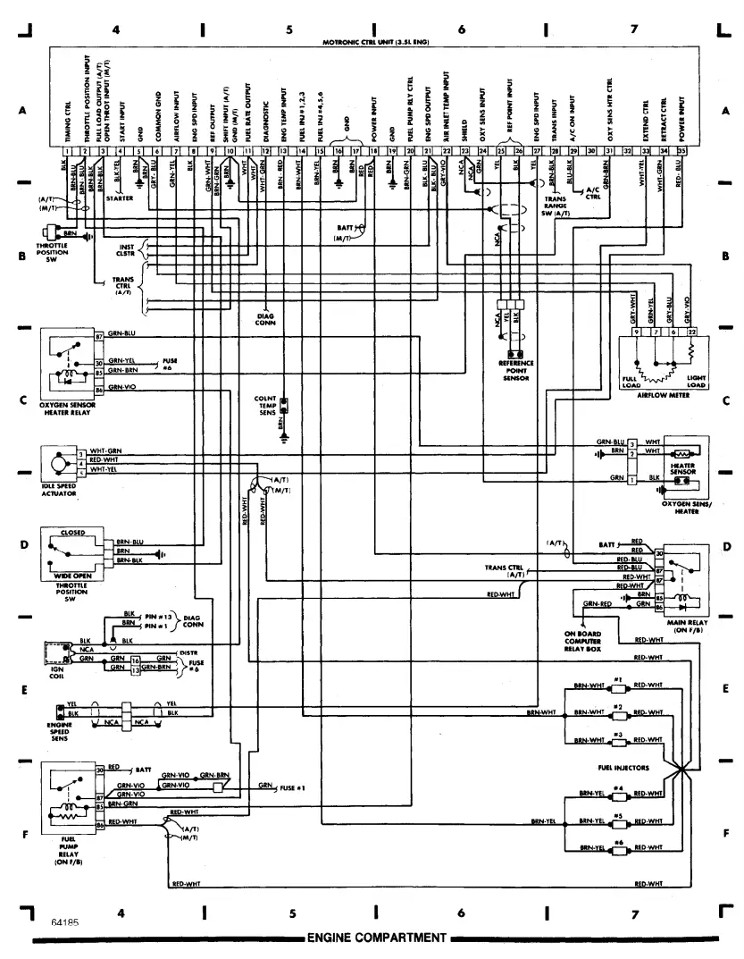
MOTRONIC CTRL UNIT (S38) A 8-11
MOTRONIC CTRL UNIT (3.5L) A4-7
NORMAL SPEED COOLANT TEMP SW………E 2
NORMAL SPEED FAN ELAY ….D-E 3
OIL PRES SW………………………..E 34
ON BOARD COMPUTER SYSTEM ………… A-C 21-23
OXYGEN SENSOR/FUEL PUMP RELAY (S38) ………….C8
OXYGEN SENSOR HEATER RELAY (3.5L)………….C 4
PARK BRAKE SW………………………….E 34
POWER ANTENNA …………………… A-B 43
POWER MIRROR SYSTEM .. A-B 26-27
POWER SEAT CTRL SYS …. B-F 36-39
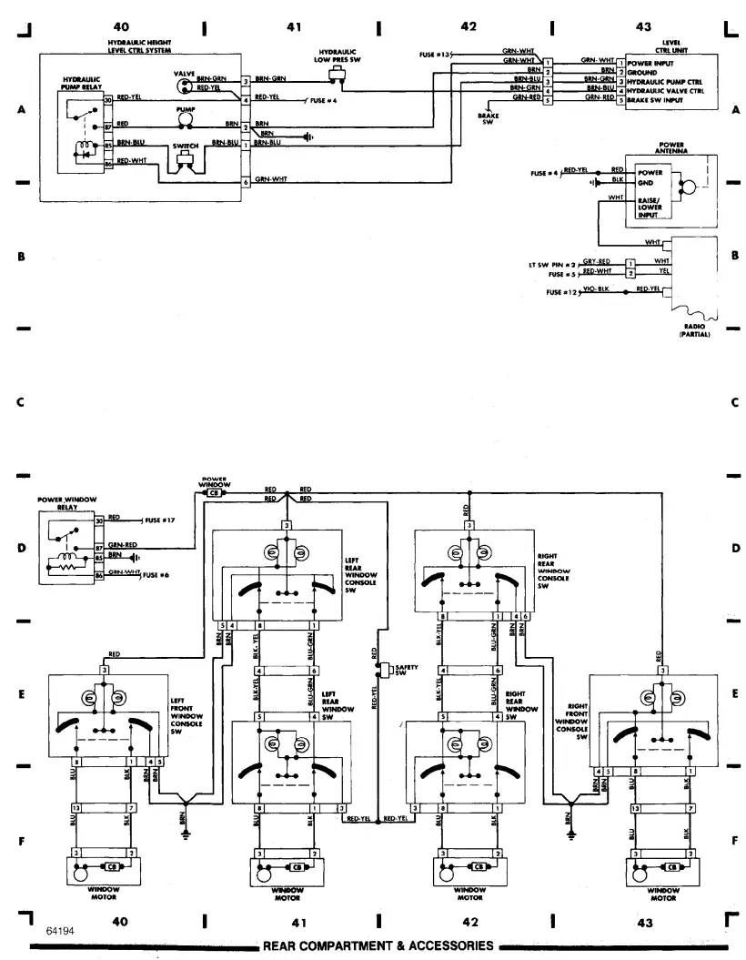
POWER WINDOW CONTROL SYSTEM ………..D-F 40-43
PROGRAM SEL SW ………………. C-D 19
REAR LIGHT CHECK RLY ……………….. 8-D 44-45
REAR WINDOW DEFOGGER SYSTEM ………………. A 44
SEAT BELT WARN TIMER …….. B-C 31
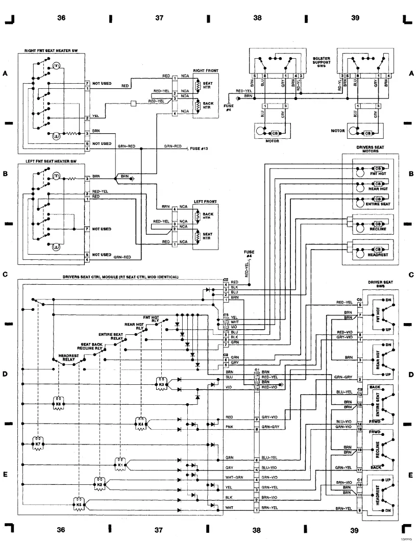
SEAT HEATER SYS …………………… A-C 36-38
STARTl!R……………………………….A3
STARTER RELAY…………….c3
SUNROOF SYS ………. A-B 45-46
TDC SENSOR …………….F 20
TRANSMISSION CTRL UNIT ….. A-C 19
TRANS RANGE DISPLAY ………. D-F 16
TRANS RANGE SW ……………. E-F 19
WIPER/WASHER SYSTEM ………….. A-C 24-25
WIRING DIAGRAMS
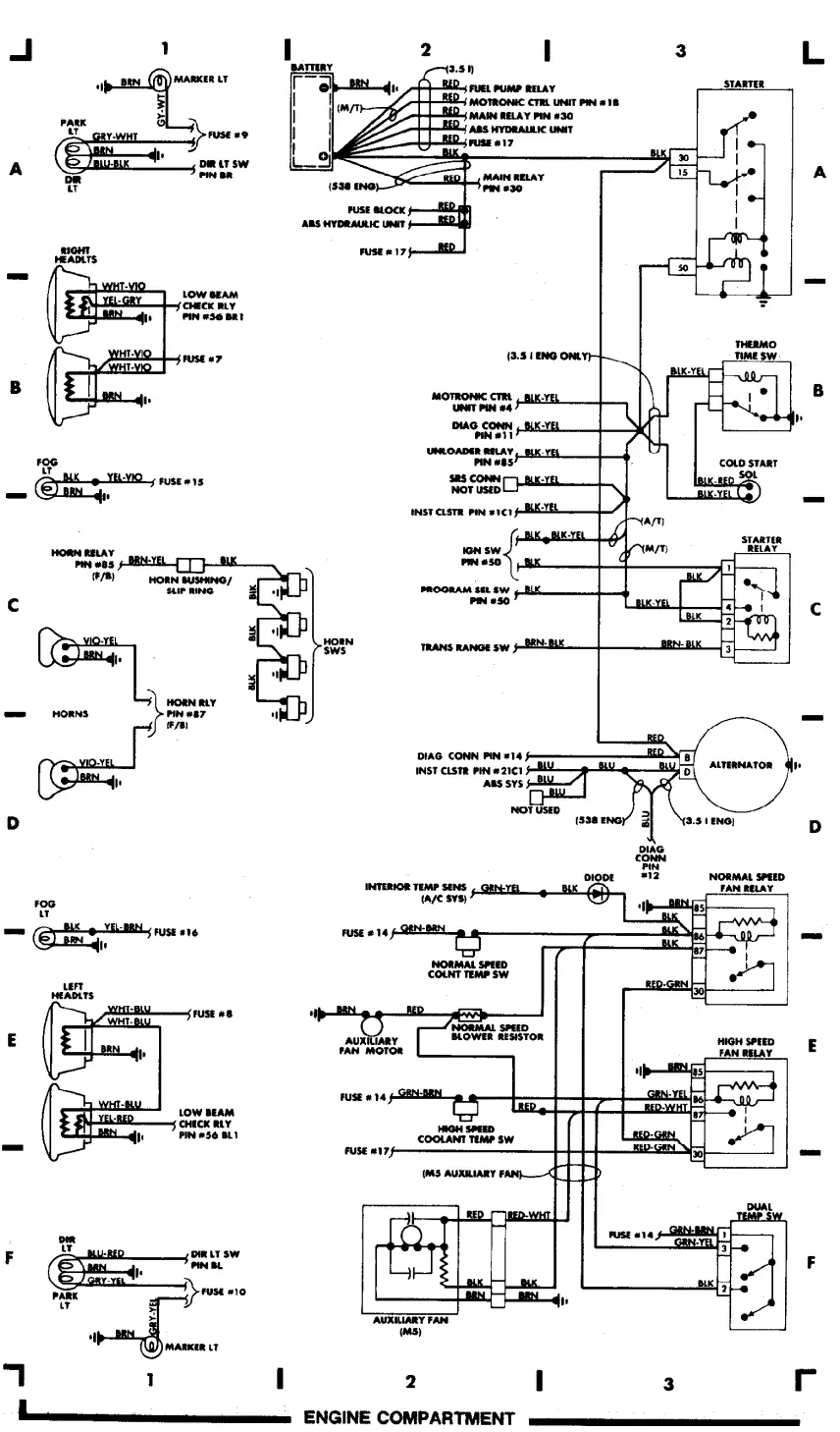
Fig. 1: Engine Compartment (Grids 1-3) 1987 BMW 535i

Fig. 2: Engine Compartment (Cont.) (Grids 4-7) 1987 BMW 535i
Fig. 3: Engine Compartment (Cont.) (Grids 8-11) 1987 BMW 535i 
Fig. 4: Fuse Block (Grids 12-15) 1987 BMW 535i

Fig. 5: Underdash (Grids 16-19) 1987 BMW 535i

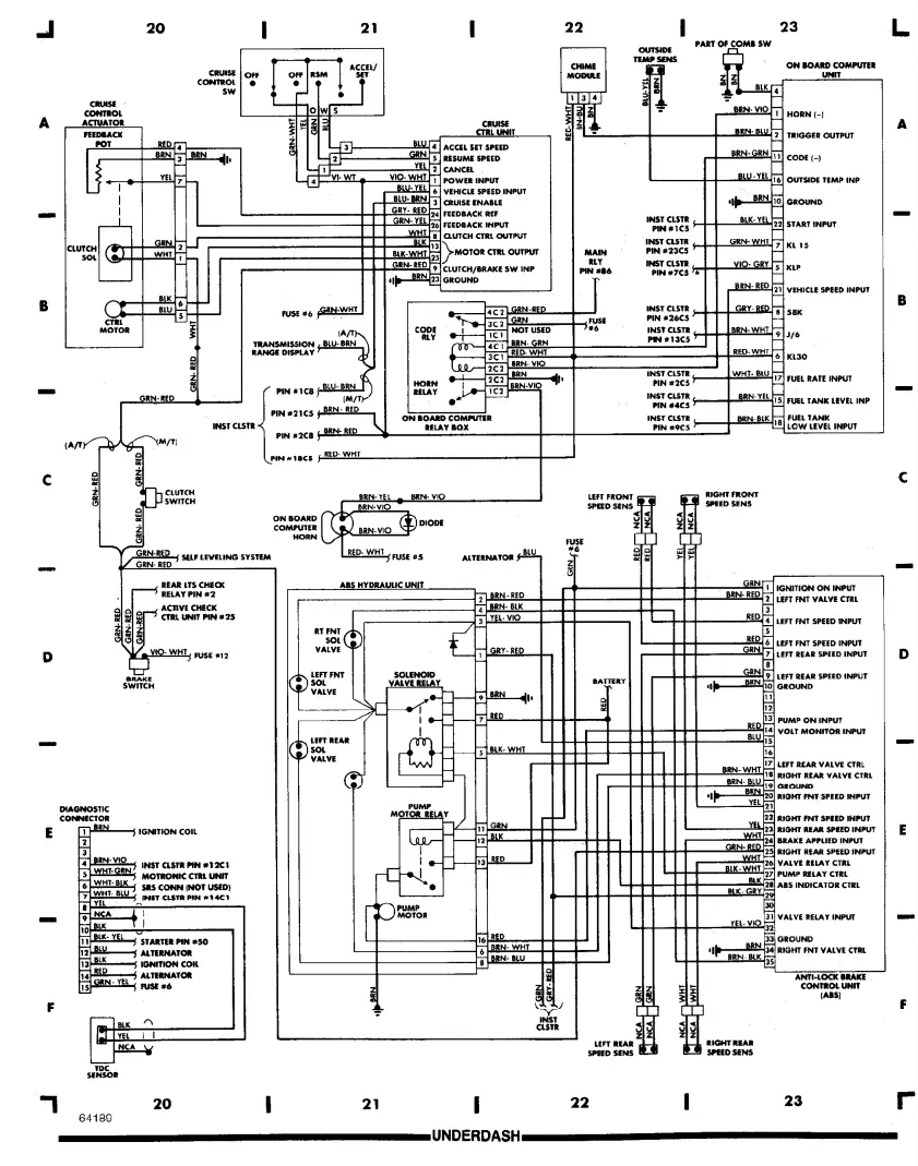
Fig. 6: Underdash (Cont.) (Grids 20-23) 1987 BMW 535i

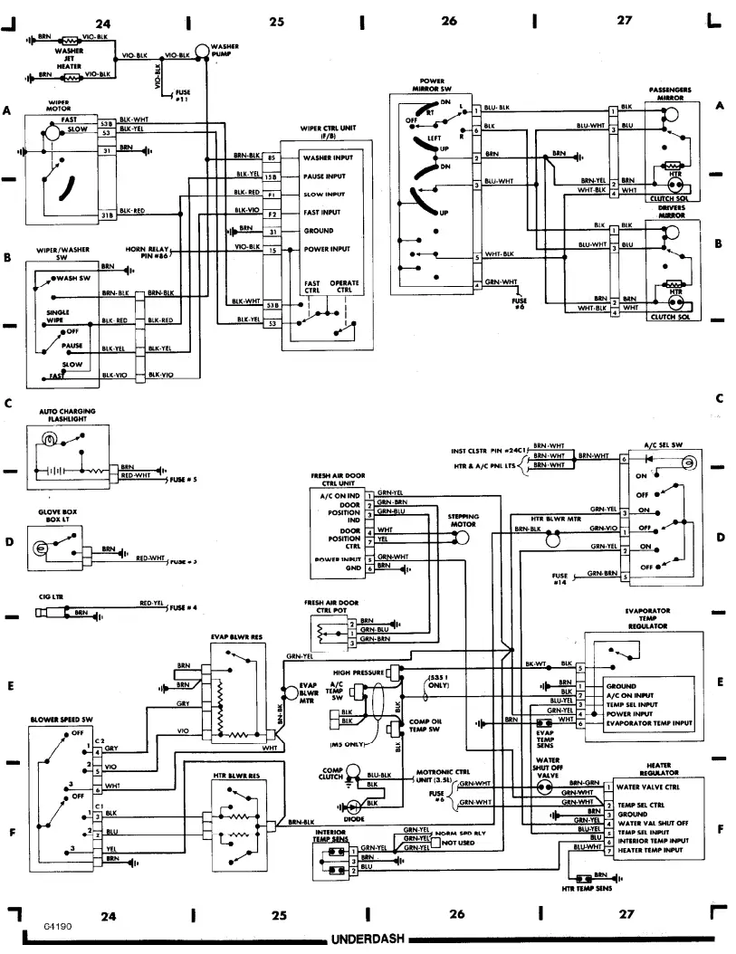
Fig. 7: Underdash (Cont.) (Grids 24-27) 1987 BMW 535i

Fig. 8: Underdash (Cont.) (Grids 28-31) 1987 BMW 535i

Fig. 9: Instrument Panel (Grids 32-35) 1987 BMW 535i

Fig. 10: Rear Compartment & Accessories 1988 BMW 535i
Fig. 11: Rear Compartment & Accessories (Cont.) (Grids 40-43) 1987 BMW 535i
Fig. 12: Rear Compartment & Accessories (Cont.) (Grids 44-47) 1987 BMW 535i




















