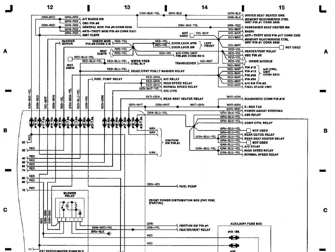
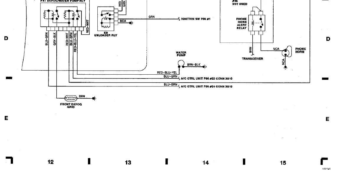
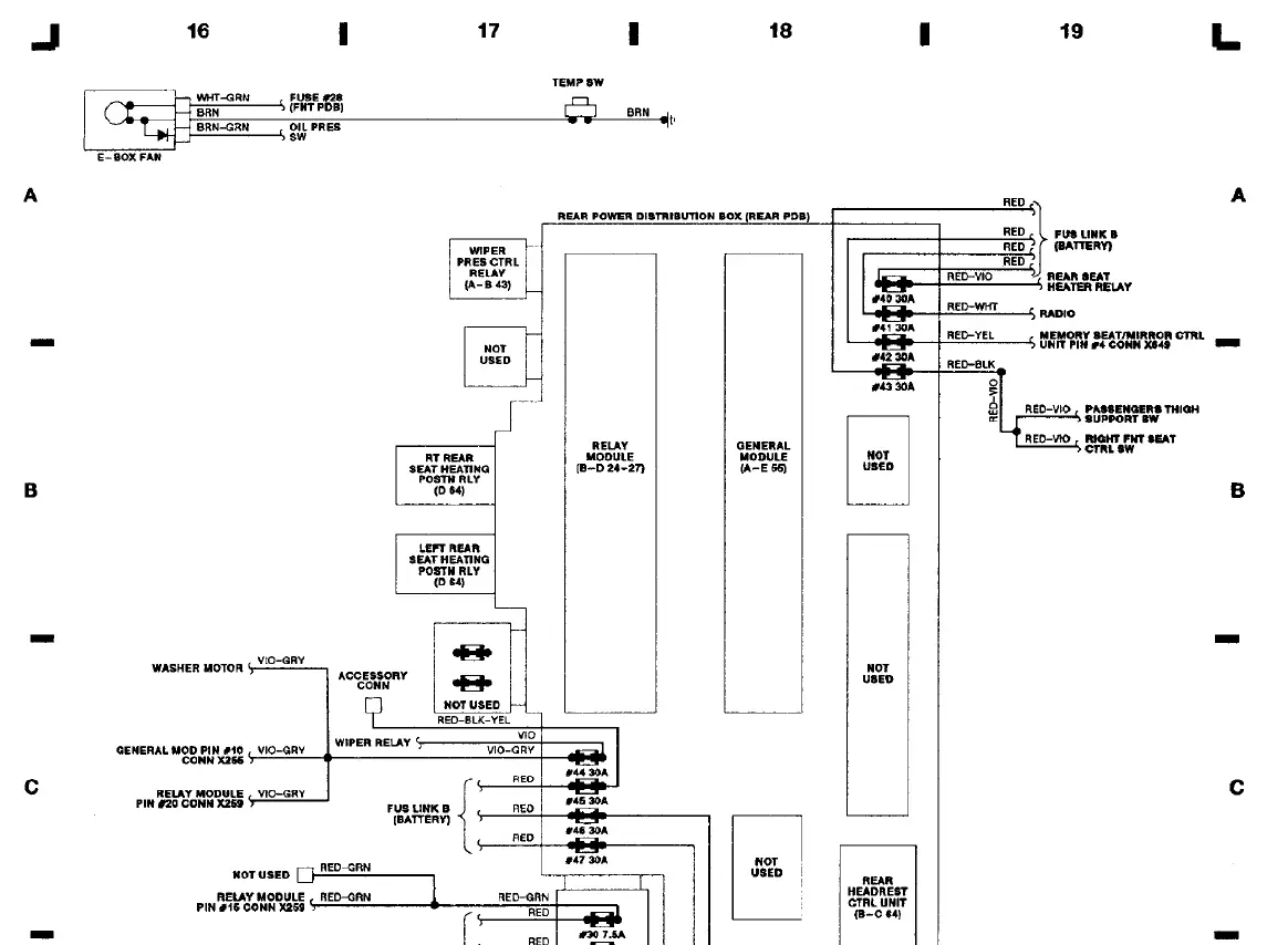
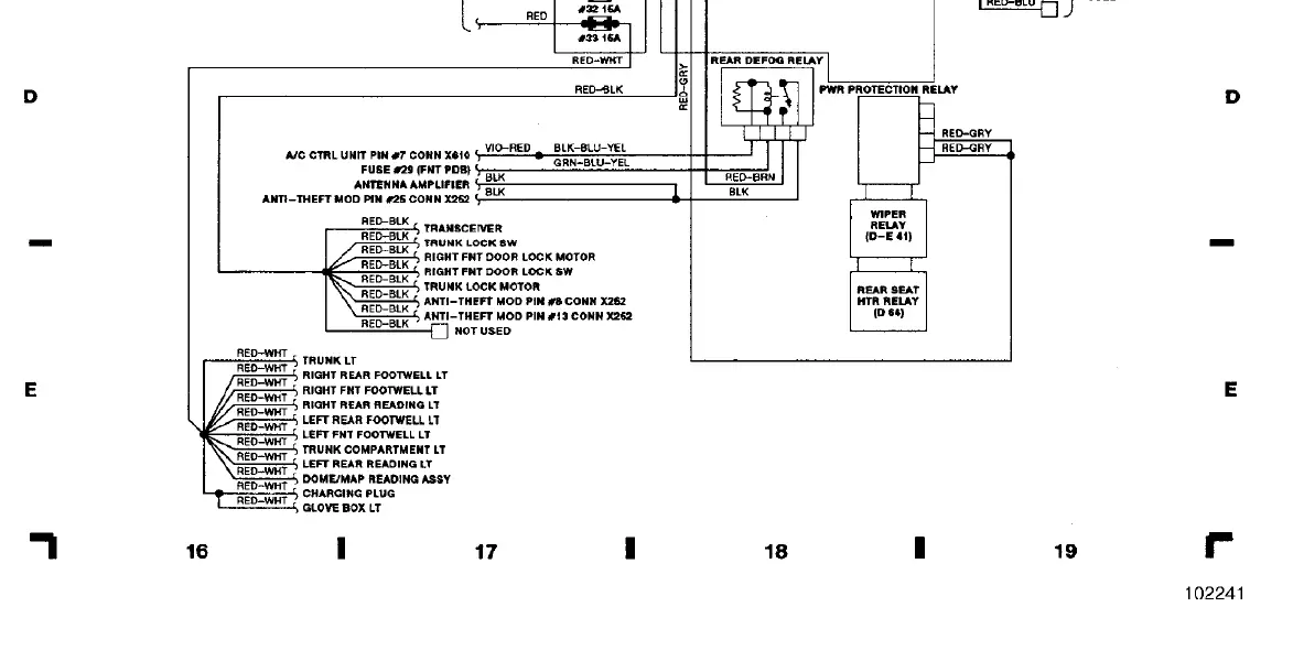
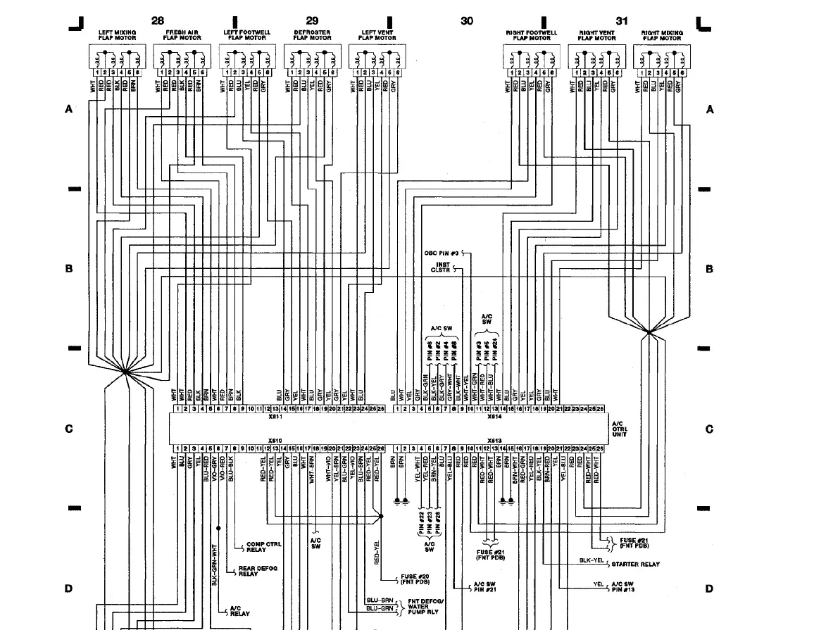
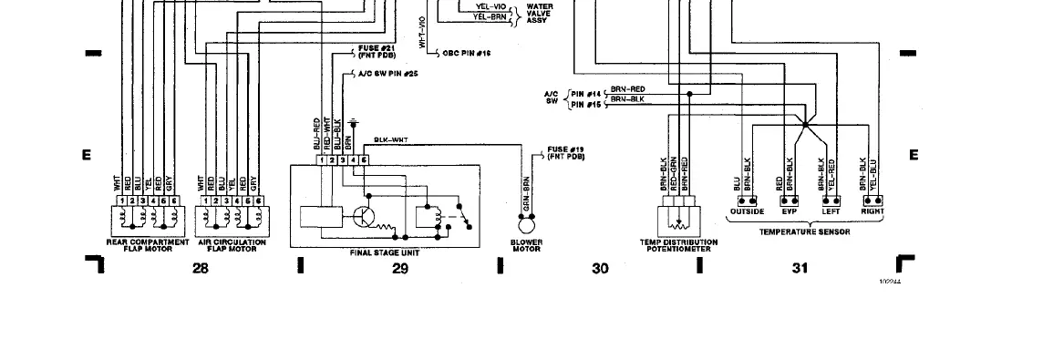
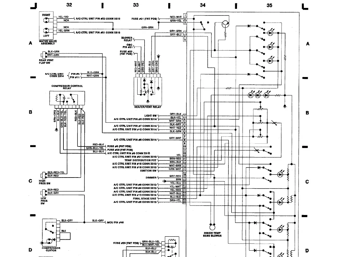
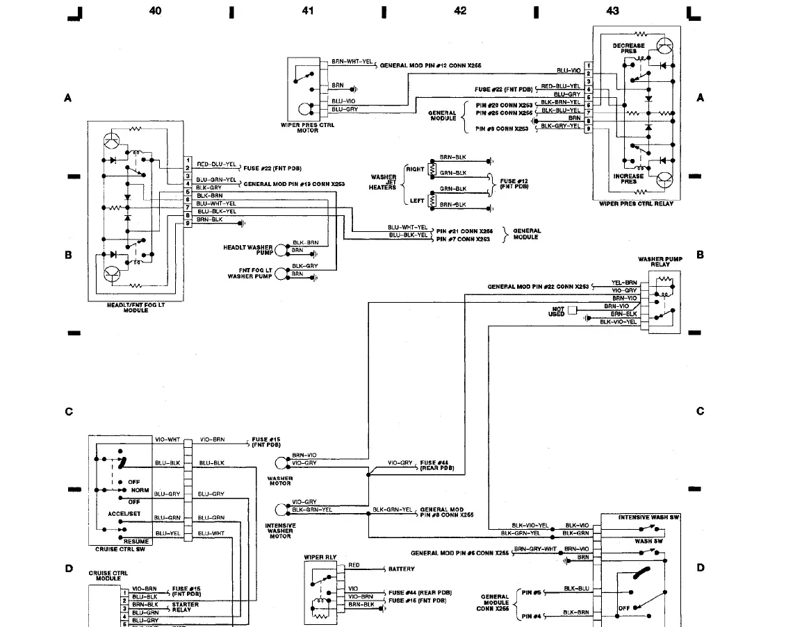
BMW 750 1988 Electrical Wiring Diagram

WIRING DIAGRAMS
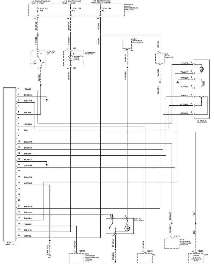
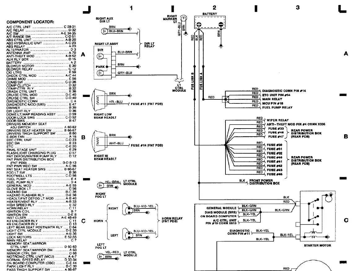
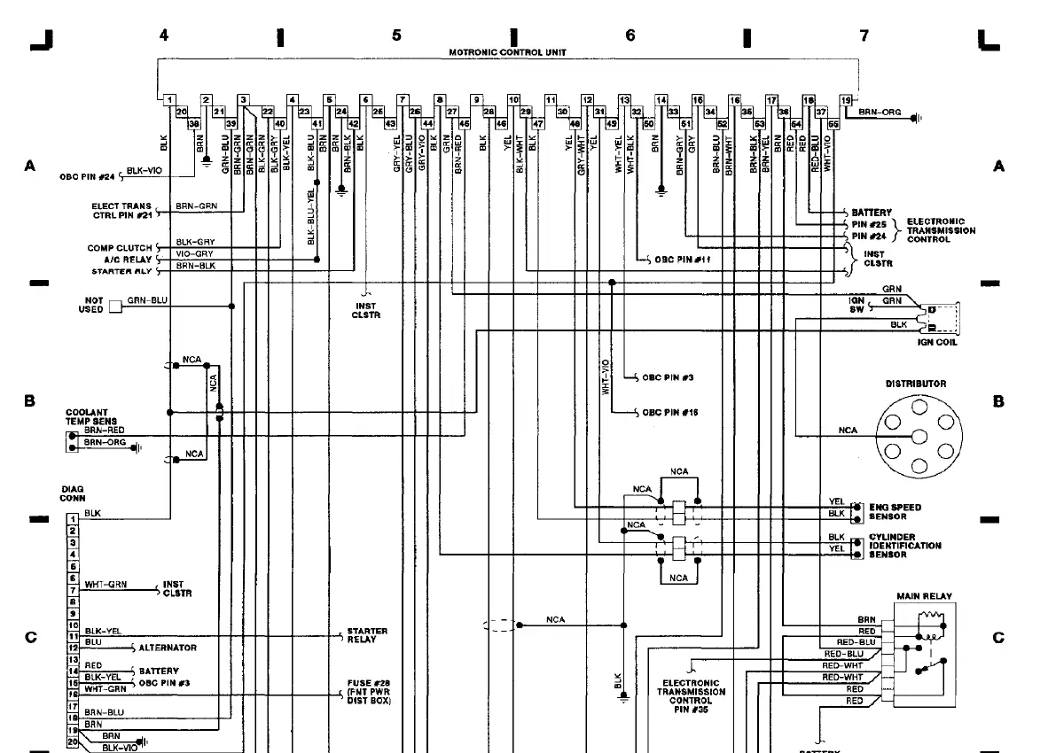
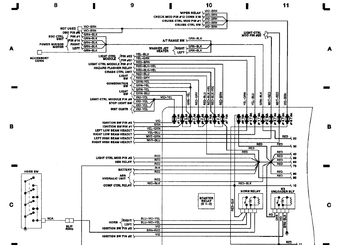
Engine Compartment



Fuse Block Front





Under dash














Instrument Panel




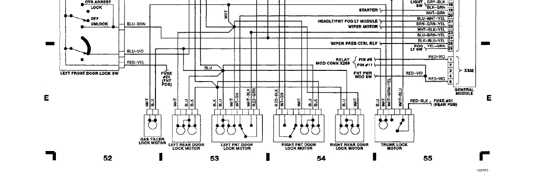
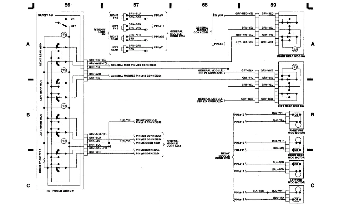
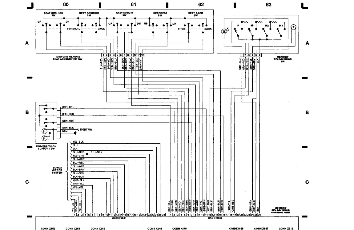
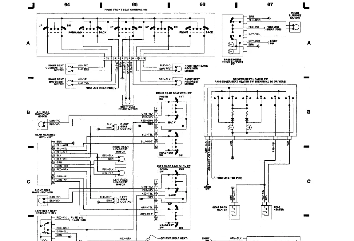
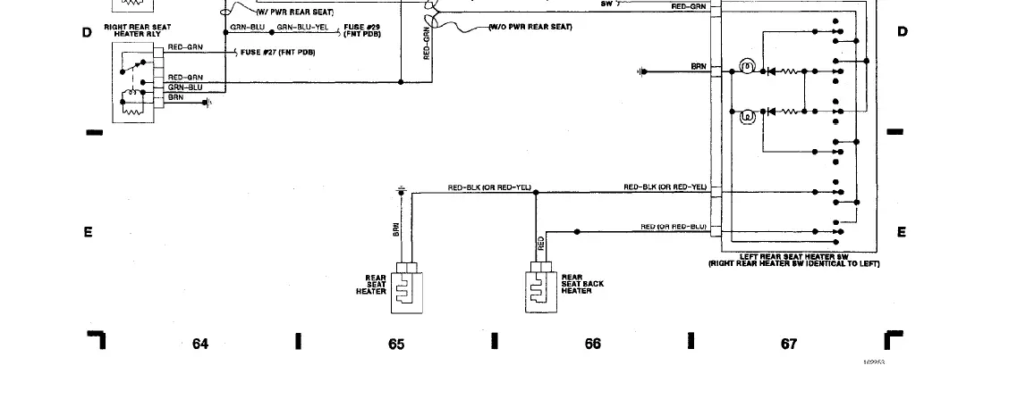
Rear Compartment & Accessories










Engine Compartment



































Download manual
Here you can download full pdf version of manual, it may contain additional safety instructions, warranty information, FCC rules, etc.