BMW 325 1990 Electrical Wiring Diagrams

WIRING DIAGRAMS
- Engine Compartment & Headlights (Grid 1-3)
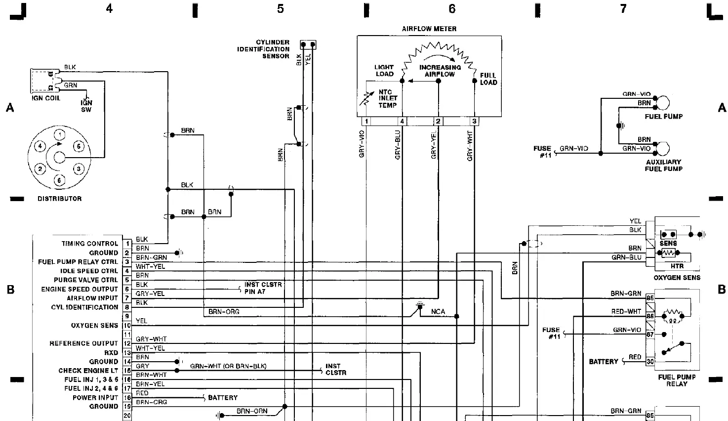
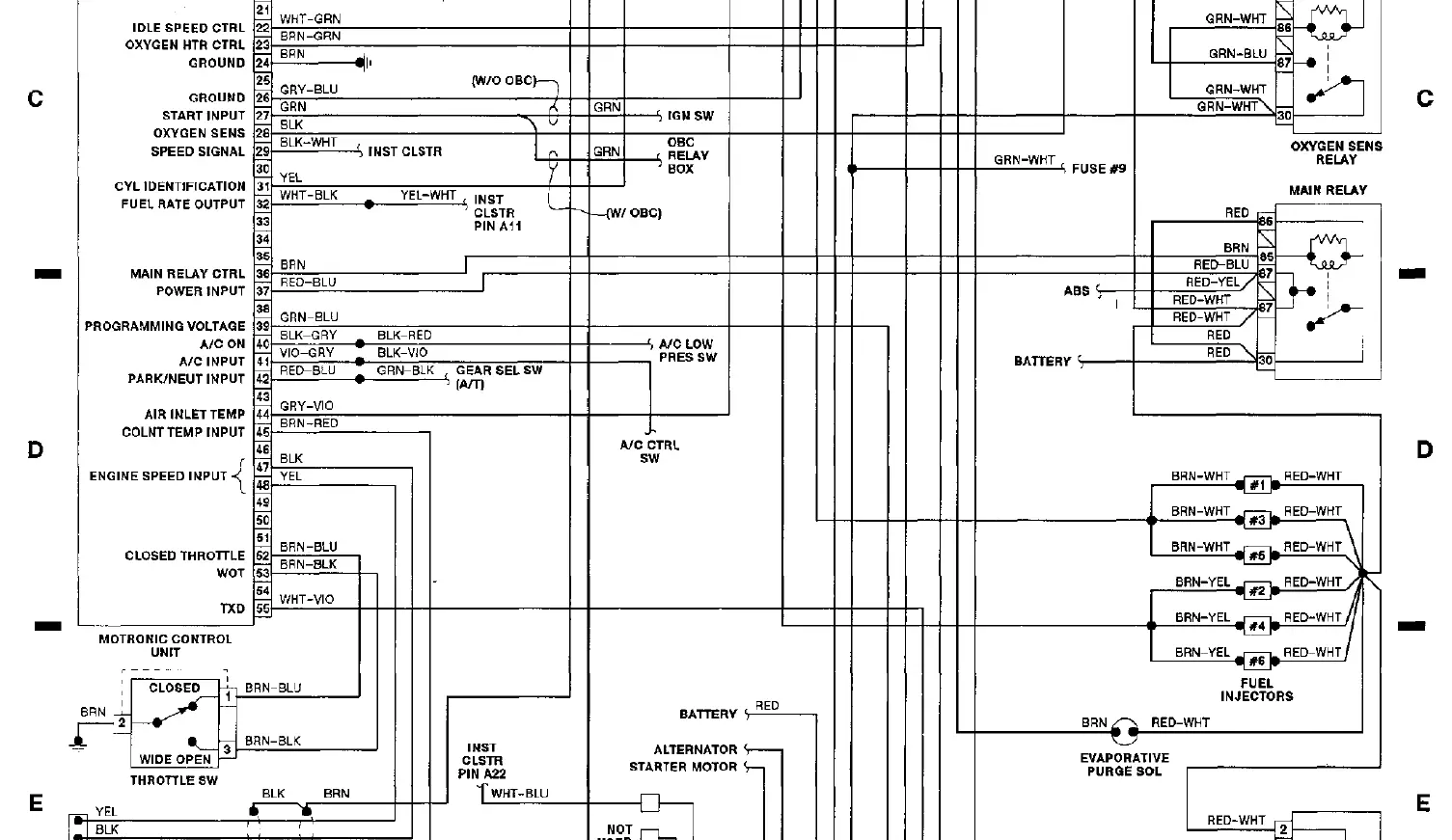
- Computer Engine Control (Grid 4-7)



- Fuse Block (Grid 8-11)


- Fuse Block (Continued) (Grid 12-15)



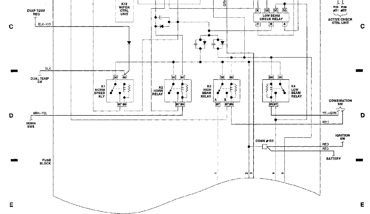
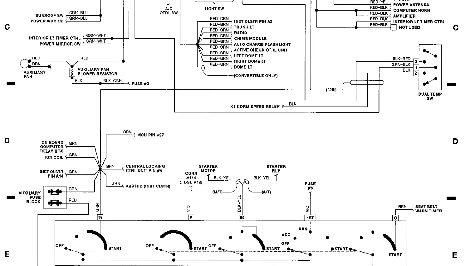
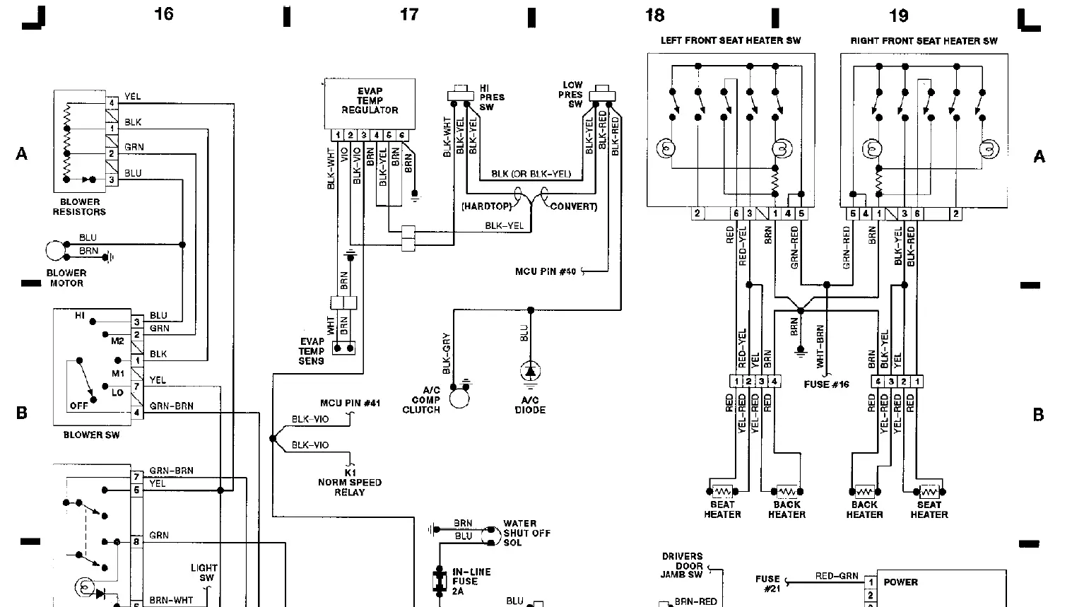
- A/C & Heating and Accessories (Grid 16-19)



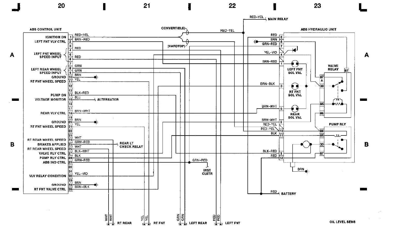
- Anti-Lock Brake System (Grid 20-23)


- Steering Column and Cruise Control (Grid 24-27)










- Instrument Panel (Grid 28-31)










- Accessories (Grid 32-35)










- Power Windows & Power Locks (Grid 36-39)










- Passenger Compartment & Taillights (Grid 40-43)





























































































