Pro Car Manuals BMW 325 1992 Electrical Wiring Diagrams

WIRING DIAGRAMS
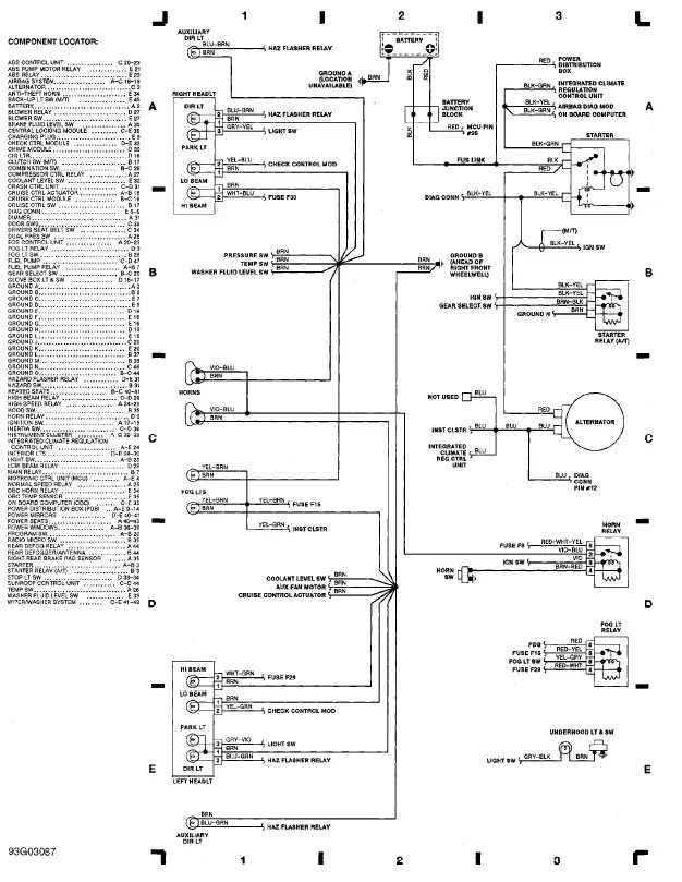
Fig. 1: Engine Compartment, Alternator, Headlights (Grid 1-3)

Fig. 2: Motronic Control Unit (2.5L) (Grid 4-7)

Fig. 3: Power Distribution Box (PDB) (Partial) (Grid 8-11)

Fig. 4: Power Distribution Box (PDB) (Partial) (Grid 12-15)

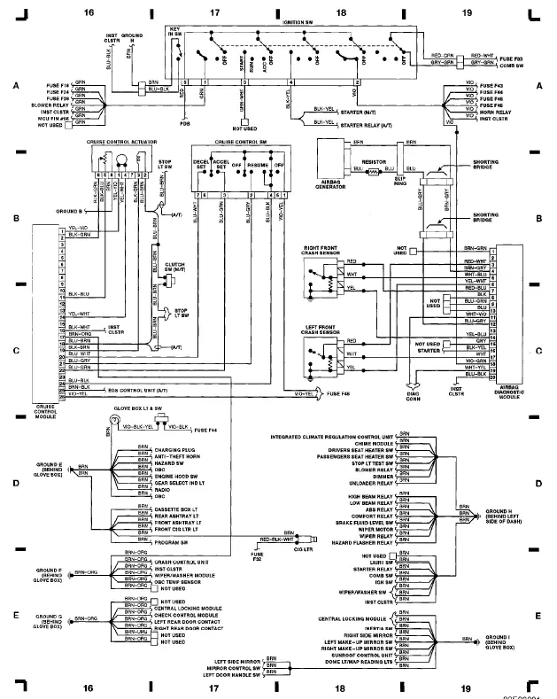
Fig. 5: Ignition Sw, Cruise Control, Airbag (Grid 16-19)
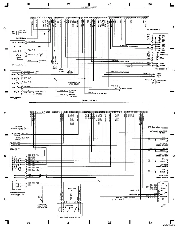
Fig. 6: EGS Control Unit, ABS Control Unit (Grid 20-23)

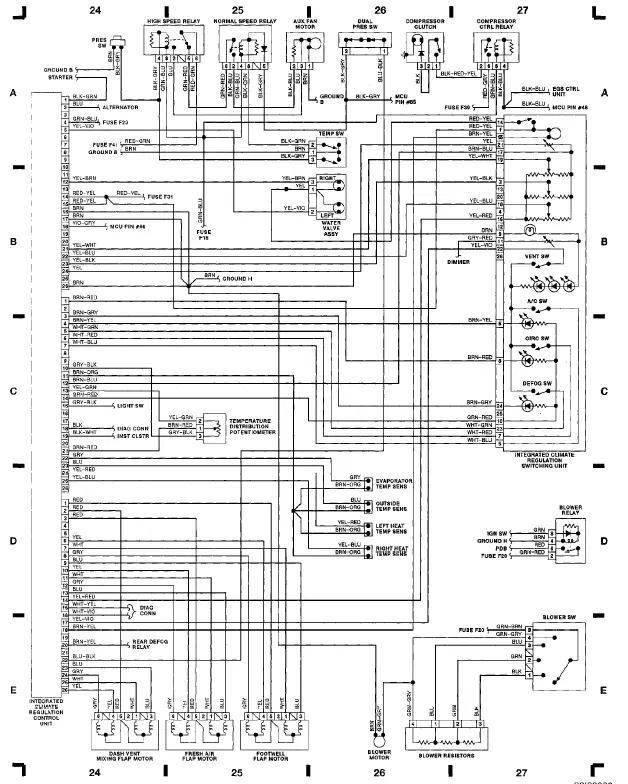
Fig. 7: Integrated Climate Regulation Control Unit (Grid 24-27)
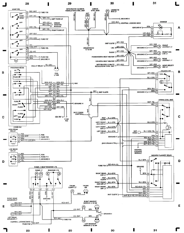
Fig. 8: Combination Sw, Hazard Flasher, Light Sw, Dimmer (Grid 28-31)
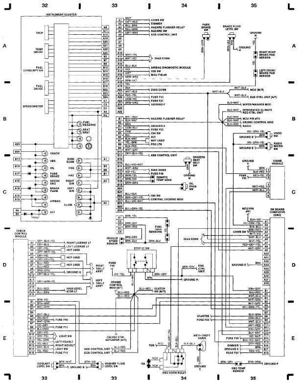
Fig. 9: Instrument Cluster, OBC, Check Control Module (Grid 32-35)

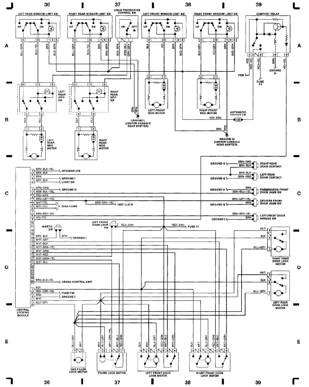
Fig. 10: Power Windows, Central Lock Module (Early Model Production), Power Doors (Grid 36-39)

Fig. 11: Power Mirrors, Driver Seat Control, Heated Seat (Grid 40-43)

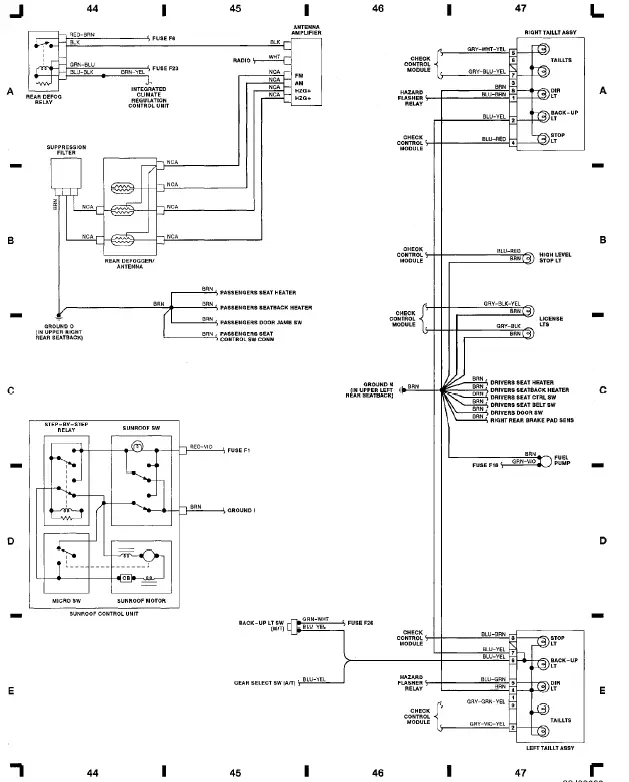
Fig. 12: Sunroof Control Unit, Antenna, Taillights (Grid 44-47)

Fig. 13: Central Lock Module (Late Model Production)





















