PCI-1730U
32-channel Isolated Digital I/O Card
Packing List
Before installation, please make sure that you have received the following:
• PCI-1730U card
• Driver CD
• Quick Start User Manual
If anything is missing or damaged, contact your distributor or sales representative immediately.
User Manual
For more detailed information on this product, please refer to the PCI-1730U_1733_1734 User Manual on the CD-ROM (PDF format).
CD:\Documents\Hardware Manuals\PCI.
Declaration of Conformity
FCC Class A
This equipment has been tested and found to comply with the limits for a Class A digital device, pursuant to part 15 of the FCC Rules. These limits are designed to provide reasonable protection against harmful interference when the equipment is operated in a commercial environment. This equipment generates, uses, and can radiate radio frequency energy and, if not installed and used in accordance with the instruction manual, may cause harmful interference to radio communications. Operation of this equipment in a residential area is likely to cause interference in which case the user is required to correct the interference at his own expense.
CE
This product has passed the CE test for environmental specifications when shielded cables are used for external wiring. We recommend the use of shielded cables. This kind of cable is available from Advantech. Please contact your local supplier for ordering information.
Overview
The Advantech PCI-1730U is a 32-channel isolated digital input/output card for the PCI bus. For easy monitoring, each isolated digital input channel is equipped with one red LED, and each isolated digital output channel is equipped with one green LED to show its ON/OFF status. The PCI-1730U’s isolated digital input channels are ideal for digital input in noisy environments or with floating potentials. The PCI-1730U provides specific functions for different user requirements.
Notes
For more information on this and other Advantech products, please visit our websites at: http://www.advantech.com/eAutomation
For technical support and service: http://www.advantech.com/support/
This startup manual is for PCI-1730U.
Part No.2003173020
1st Edition
April 2009
Specifications
Isolated Digital Input
| Number of Channel | 16 (bi-directional) | |
| Optical Isolation | 2,500 VDC | |
| Opto-isolator response time | 25 μs | |
| Over-voltage Protect | 70 VDc | |
| Input Voltage | VIH (max.) | 30 Voc |
| VIH (min.) | 5 Voc | |
| VIL (max.) | 2 Voc | |
|
Iput Current | 5 Vac | 1.4 mA (typical) |
| 12 Vac | 3.9 mA (typical) | |
| 24 Vac | 8.2 mA (typical) | |
| 30 Vac | 10.3 mA (typical) | |
Isolated Digital Output
| Number of Channel | 16 |
| Optical Isolation | 2,500 Voc |
| Output Voltage | Open collector 5 to 40 VDC |
| Sink/Source Current | 200 mA max./channeI |
Non-isolated Digital Input/Output
| Input Channels | 16 | |
| Input Voltage | Low | 0.8 V max. |
| High | 2.0V min. | |
| Output Channels | 16 | |
| Output Voltage | Low | 0.5 V max. @ + 24 mA (sink) |
| High | 2.4V min. @ – 15 mA (source) | |
General
| I/O Connector Type | 37-pin D-Sub female | |
| Dimensions | 175 mm x 100 mm ( 6.9″ x 3.9″ ) | |
|
Power Consumption | Typical | *5 V @ 250 mA +12 V @ 35 mA |
| Max. | *5 V @ 400A +12 V @ 60mA | |
| Temperature | Operation | 0 – +60°C ( 32- 140°F ) (refer to IEC 68 -2 – 1 ,2) |
| Storage | -20 – +85°C ( -4 -185°F | |
| Relative Humidity | 5 95% RH non-condensing ( refer to IEC 68-2-3) | |
| Certification | CE certified | |
Installation
Software Installation

Hardware Installation
1. Turn off your computer and unplug the power cord and cables. TURN OFF your computer before installing or removing any components on the computer.
2. Remove the cover of your computer.
3. Remove the slot cover on the back panel of your computer.
4. Touch the metal part on the surface of your computer to neutralize the static electricity that might be on your body.
5. Insert the PCI-1730U card into a PCI slot. Hold the card only by its edges and carefully align it with the slot. Insert the card firmly into place. Use of excessive force must be avoided; otherwise, the card might be damaged.
6. Fasten the bracket of the PCI card on the back panel rail of the computer with screws.
7. Connect appropriate accessories (37-pin cable, wiring terminals, etc. if necessary) to the PCI card.
8. Replace the cover of your computer chassis. Re-con- next to the cables you removed in step 2.
9. Plug in the power cord and turn on the computer.
PIN Assignments

PIN Assignments

Connections
TTL-level Digital Input/Output
The PCI-1730U has 16 TTL-level digital inputs and 16 TTL-level digital outputs. The following figure shows connections to exchange digital signals with other TTL devices:
If you want to receive an OPEN/SHORT signal from a switch or relay, add a pull-up resistor to ensure that the input is held at a high level when the contacts are open. See the figure below:

Isolated Digital Input
Each of the 16 isolated digital input channels accepts voltages from 5 to 30 V. Every eight input channels share one external common. (Channels 0 ~ 7 use ECOM0. Channels 8 ~ 15 use ECOM1.) The following figure shows how to connect an external input source to the card’s isolated inputs.

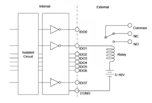
Isolated Digital Output
PCI-1730U provides 16 isolated DO channels. If the external voltage (5 ~ 40V) is connected to each isolated output channel (IDO) and its isolated digital output turns on (300 mA per channel maximum), the card’s current will sink from the external voltage. CN5 provides two EGND pins for IDO connection.



















