sealevel DIO-16.LCPI PC Digital I/O Card

Introduction
The DIO-16.LPCI provides 8 optically isolated inputs and 8 reed relay SPST (single pole-single throw) outputs. The inputs protect the PC and other sensitive equipment from spikes and ground loop current that can be generated in industrial environments, while the outputs provide high quality, long life, low current (10 Watt maximum), dry contact switch closures. Reed relays are well suited for low current applications. The relays are normally open and will close when energized. The board meets the requirements for the MD1 “Low Profile” specification as defined by the PCISIG in the PCI 2.2 Specifications Low Profile Addendum. The DIO-16.LPCI also features Universal Bus (3.3 and 5.0V) operation. The DIO-16.LPCI is designed to be used with a variety of Operating Systems including Windows, Linux, and DOS. The SeaI/O API (Application Programming Interface) provides a variety of useful high-level function calls implemented as a Windows dynamic link library (.DLL) and as a Linux static library (.a). In addition to the API, SeaI/O includes a device driver, sample code, and utilities to simplify software development.
Features
- Eight optically isolated inputs optimized for +5V
- Eight Reed relay outputs (SPST)
- Highly reliable 10VA Reed relays
- MD1 Low Profile and Universal Bus (3.3V and 5V) compatible
- Power (+5V and +12V) and ground provided on connector
- SeaI/O Classic software supports Windows and Linux Operating Systems
Other Sealevel PCI Digital I/O Products
| Product | Item# | Description |
| PIO-32.PCI | 8010 | 32 TTL Inputs/Outputs |
| PIO-48.PCI | 8005 | 48 TTL Inputs/Outputs |
| PIO-96.PCI | 8009 | 96 TTL Inputs/Outputs |
| REL-16.PCI | 8003 | 16 Reed Relay Outputs |
| DIO-32.PCI | 8004 | 16 Reed Relay Outputs/16 Opto-isolated Inputs |
| DIO-32.PCI | 8004H | 16 Reed Relay Outputs/16 Opto-isolated Inputs (10-30V) |
| ISO-16.PCI | 8006 | 16 Opto-isolated Inputs |
| ISO-16.PCI | 8006H | 16 Opto-isolated Inputs (10-30V) |
| REL-32.PCI | 8007 | 32 Reed Relay Outputs |
| PLC-16.PCI | 8011 | 8 Form C Relay Outputs/8 Opto-isolated Inputs |
| DIO-32.PCIE | 8004e | 16 Reed Relay Outputs/16 Opto-isolated Inputs |
| DIO-32.PCIE | 8004He | 16 Reed Relay Outputs/16 Opto-isolated Inputs (10-30V) |
Before You Get Started
What’s Included
The DIO-16.LPCI is shipped with the following items. If any of these items are missing or damaged, please contact Sealevel for replacement.
- DIO-16.LPCI Adapter
- Item # 8012 ships with Low Profile PCI bracket
- Item# 8012S ships with a Standard PCI bracket
Advisory Conventions
- Warning: The highest level of importance used to stress a condition where damage could result to the product, or the user could suffer serious injury.
- Important: The middle level of importance used to highlight information that might not seem obvious or a situation that could cause the product to fail.
- Note: The lowest level of importance used to provide background information, additional tips, or other non-critical facts that will not affect the use of the product.
Optional Items
Depending upon your application, you are likely to find one or more of the following items useful for interfacing the DIO-16.LPCI to real-world signals. All items can be purchased from our website (http://www.sealevel.com) or by calling (864) 843-4343.
Cables
DB44 Male to DB44 Female, 72″ Extension Cable (Item# CA185)
The CA185 is a standard DB44M to DB44F extension cable. Extend a DB44 cable or locate a piece of hardware where it is needed with this six foot (72″) cable. The connectors are pinned one-to-one, so the cable is compatible with any device or cable with DB44 connectors. The cable is fully shielded against interference and the connectors are molded to provide strain relief. Dual metal thumbscrews secure the cable connections and prevent accidental disconnection.
DB44 Male to BD37 Male, 72″ Cable (Item# CA206)
DB44 Male to DB37 Male Cable, 72 in Length – for 8012. The CA206 is useful for interfacing the DB44 connector on the 8012 to the DB37 connector on the TB02 terminal block.
Terminal Blocks
Terminal Block DB37 Male and DB37 Female to 27 Screw Terminals (Item# TB02)
CABLE & TERMINAL BLOCK KIT The TB02 terminal block can be used to break out serial and digital DB37 connectors to screw terminals for easy field wiring. The terminal block was designed with both DB37 male and female connectors, therefore; it can be used with any DB37 board regardless of the board’s port gender.
Terminal Block Kit DB37 Male and DB37 Female to 27 Screw Terminals (Item# TB02-KT)
The TB02-KT terminal block can be used to break out serial and digital DB37 connectors to screw terminals for easy field wiring. The terminal block was designed with both DB37 male and female connectors, therefore; it can be used with any DB37 board regardless of the board’s port gender. The TB02-KT ships with a RoHS compliant TB02 terminal block, a 6 piece of slotted Snap Track, and two DIN-rail mounting clips.
Terminal Block Kit TB02 + CA206 Cable (Item# KT111)

CABLE & TERMINAL BLOCK KIT
The TB02 terminal block can be used to break out serial and digital DB37 connectors to screw terminals for easy field wiring. The terminal block was designed with both DB37 male and female connectors, therefore; it can be used with any DB37 board regardless of the board’s port gender.
Reference Book
The Digital I/O Handbook A Practical Guide to Industrial Input and Output Applications (Item# REF101)
Renowned technical author Jon Titus and president and CEO of Sealevel Systems, Tom O’Hanlan, clearly explain real-world digital input/output implementation from both a hardware and software perspective. Whether you are a practicing engineer or a student, The Digital I/O Handbook will provide helpful insight you will use again and again.
Software Installation
This section contains helpful information pertaining to the installation of supported Sealevel Systems, Inc. software packages. First, the process of acquiring the software is discussed. Next, the installation is detailed in a step-by-step guide for Windows and Linux operating systems.
WHERE TO GET SEALEVEL SOFTWARE
All Sealevel products are shipped with media containing the installers for each software package available. If the media is otherwise unavailable or if desired, the current versions of Sealevel software packages can be obtained from the Sealevel website (see following instructions). If you already have the Sealevel software, proceed to the Windows or Linux installation section.
- Sealevel software for Windows and Linux operating systems is available at these links:
- Software for Windows
- Software for Linux
- Choose the link for the desired software package and click on the `Download File’ link to download the current driver.
- Proceed to the Manual Software Installation guide for your operating system.
WINDOWS INSTALLATION
- Do not connect the hardware until the software has been successfully installed.
- To install Sealevel software, you must log in as an administrator or have administrator privileges in the Windows.
Linux Installation
- Most Sealevel Linux software is distributed as source code. To use the software, it must be compiled. Refer to the README file in each package for system prerequisites.
- You must have administrative privileges to install the software. It is not necessary to have administrative privileges to build or use the software.
- All command syntax is case sensitive.
- Begin by locating, selecting, and installing the correct software (SeaIO Classic for Linux) from the Sealevel software driver database.
- Select the Part Number (8012) for your adapter from the listing.
- Select `SeaIO Classic for Linux.’ The setup file will automatically detect the operating environment and install the proper components. Next (depending on your browser) select the `Run this program from its current location’ or `Open’ option. Follow the information presented on the screens that follow.
- Now compile and prepare the drivers for use: make install
- With the system off and unplugged, install your SeaIO PCI card.
- Plug system back in and boot Linux. Login as “root”.
- Load the driver by typing: SeaIO -load
- The driver has enabled the card and is ready to use.
To set up Linux to automatically load the driver; refer to a Linux manual concerning your specific distribution for help. At this point, the driver has enabled the hardware and it is ready to use. You now have the option to run a test utility on it.
Physical Installation
The Sealevel adapter can be installed in an ISA/PCI/PCIe expansion slot.
5V keyed PCI cards will not fit or work in 3.3V keyed PCI slots
ISA Card Edge (5V)
PCI Bus Card Edge (5V)
Universal PCI Bus Card Edge (3.3 and 5V)
PCI Express x1
- Do not install the adapter in the machine until the product software has been fully installed.
- To prevent damage from improper handling, please reference Appendix A ESD Handling Instructions.
- Turn off PC power. Disconnect the power cord.
- Remove the PC case cover.
- Locate an available ISA/PCI/PCIe slot and remove the blank metal slot cover.
- Gently insert the ISA/PCI/PCIe adapter into the slot. Make sure that the adapter is seated properly.
- After the adapter has been installed, the cables should be routed thru the opening in the bracket.
This bracket also features a strain relief function that should be used to prevent un-expected cable removal. - Replace the screw you removed for the blank and use it to secure the adapter into the slot. (This is required to ensure FCC Part 15 compliance.)
- Replace the cover.
- Connect the power cord
The DIO-16.LCPI is now ready for use.
Programming the DIO-16.LPCI
Sealevel’s SeaI/O software is provided to assist in the development of reliable applications for the Sealevel Systems family of digital I/O adapters. Included in the software are driver functions for use in accessing the I/O as well as helpful samples and utilities.
Programming for Windows
The SeaI/O API (Application Programmer Interface) provides a variety of useful high-level function calls implemented in a Windows dynamic link library (DLL). The API is defined in the help file (Start/Programs/SeaIO/SeaIO Help) under “Application Programmers Interface.” This help file also includes detailed information dealing with installation / removal of the software and information about latency, logic states, and device configuration. For C language programmers we recommend using the API to access the DIO-16.LPCI. If you are programming in Visual Basic, using the ActiveX control included with SeaI/O is advised.
Samples and Utilities
A variety of sample programs and utilities (both executable and source code) are included with SeaI/O. Further documentation on these samples can be found by selecting “Start/Programs/SeaIO/Sample Application Description.” Information about where the files are physically stored on your disk is also included in this same file.
Programming for Linux
SeaI/O for Linux consists of two major parts: a kernel module and a library. The kernel module is a simple IO pass-through device, allowing the library to handle the more sophisticated functions provided to SeaI/O users. It is provided in a `tarball’ format and can easily be compiled and included in the kernel build.
Direct Hardware Control
In systems where the user’s program has direct access to the hardware (DOS) the tables that follow give the mapping and functions that the DIO-16.LPCI provides. The DIO-16.LPCI provides two parallel input/output (I/O) ports. The ports are organized as ports A and C. Port A is an input port interfaced to optically-isolated inputs, while port C is the reed relay output port.
Programming the DIO-16.LPCI, Continued
Register Layout
Reference the following sections for more information about the meaning and use of the registers available.
| Address | Mode | Mode | D7 | D6 | D5 | D4 | D3 | D2 | D1 | D0 |
| Base+0 | Input Port A | RD | PAD7 | PAD6 | PAD5 | PAD4 | PAD3 | PAD2 | PAD1 | PAD0 |
| Base+2 | Output Port C | RD/WR | PCD7 | PCD6 | PCD5 | PCD4 | PCD3 | PCD2 | PCD1 | PCD0 |
| Base+5 | Interrupt Status | RD/WR | IRQEN | IRQST | 0 | 0 | 0 | 0 | IRC1 | IRC0 |
Reading the Inputs
The inputs are active Low. If no voltage is applied across one of the differential inputs it returns a one on that bit. If an AC or DC voltage is applied it returns a zero on that bit.
Reading the Outputs
The relay ports return the ones complement of the value that is currently being used to drive the relays. When using the API, the actual value is returned not the complement of the value.
Writing the Outputs
The output ports are the only ports that can be written. The relays on a standard DIO-16.LPCI are normally open. To close a relay a one must be written to the appropriate bit.
Interrupt Control
When enabled, interrupts are generated on Port A bit D0.
| IRQEN | Interrupt enable | 1 = enabled | 0 = disabled ( 0 on power up ) |
| IRC0 IRC1 | Interrupt mode select, see table below Interrupt mode select, see table below | ||
Interrupt Mode Select Table
Interrupt source is Base+5 bits D1 and D0. When selecting the Interrupt Type, always disable interrupts prior to changing or setting states. This will help prevent inadvertent or unexpected interrupts from occurring.
| IRC1 | IRC0 | Interrupt Type |
| 0 | 0 | Low Level |
| 0 | 1 | High Level |
| 1 | 0 | Falling Edge |
| 1 | 1 | Rising Edge |
When using the High and Low Level interrupts, an interrupt occurs when input D0 changes to either a High or Low state. This will cause the computer to remain in an interrupt state until the input state changes.
Interrupt Read
Reading the Interrupt Status port (Base+5) clears any interrupt pending.
| IRQST | (D0) Interrupt Status | 1 = interrupt pending, 0 = none |
Input Ports
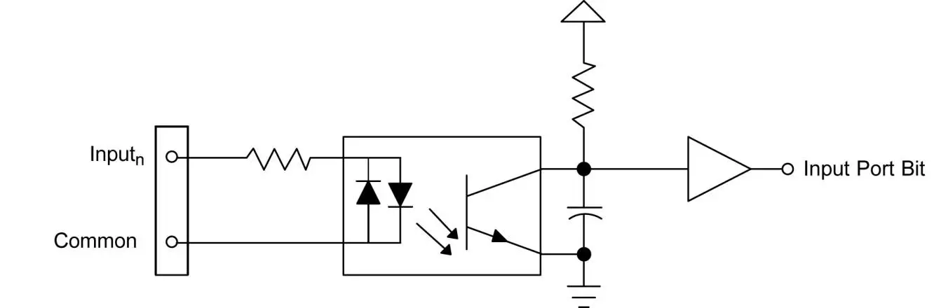
Port A is an 8 bit input port connected to optically isolated input sensors. Each sensor can be used to interface a voltage input and then sense whether the voltage is on or off. Each sensor is isolated (with respect to a common ground) from every other sensor and is also isolated with respect to the host PC ground. This means that signals such as low-level AC line voltage, motor servo voltage, and control relay signals can be `sensed,’ or read by the PC, without the risk of damage due to ground loops or ground faults.
Each sensor input pair has a current limiting resistor that is used to limit the input current to the opt isolator. The opto-isolator has two `back-to-back’ diodes internally. This allows AC or DC signals to be sensed, regardless of polarity. When the applied voltage is high enough to cause the LED in the opto-isolator to turn-on, the output of the opto-isolator goes low (0 volts), and the signal is read as a low logic level (binary 0) by the PC. When the input signal is too low to turn on the opto-isolator, the output goes high, and the port bit is read by the PC as a high logic level (binary 1).
The input impedance of each isolated input is approximately 560 ohms (factory default). The opto-isolator requires approximately 3mA to turn on. The maximum input current is 20mA.
The input circuits are not intended for monitoring 120-volt AC circuits. In addition to being too high a voltage for the circuits, it is dangerous to have that high a voltage on the card.
Input Port Pin Assignments (DB-44 Female)
| Port A Bit | Port A Pins |
| 0 | 2,40 |
| 1 | 3,41 |
| 2 | 4,36 |
| 3 | 5,37 |
| 4 | 6,38 |
| 5 | 7,42 |
| 6 | 8,43 |
| 7 | 9,44 |

The above diagram is representative of how dry contact inputs (or current / voltage sources) can be monitored by the optically isolated inputs. When switch 1 above is closed, it will allow current to flow from the power source, into pin 3 of the DB-44, through the optocoupler, out pin 41, and back to the power source. If the current flow is between 3 and 20 milliamps, this input will be read as logic “0”. All the input associated with all open switches will be read as logic “1”. In the diagram above, pins 36-38, and 40-44 are joined, providing a common return path for the optocouplers. In this case, the interconnections are being made on the connector itself. In the DB-37 diagram below the return path is supplied external to the connector. Also, for complete electrical isolation, each input / output pair can be powered from an individual power source with no common present.
Output Ports (Reed Relay)
Reed relays provide very high quality, long life, low current (10 Watt maximum), dry contact switch closures. Reed relays are not suited for high current applications, and can be destroyed by inductive load switching, where a spark occurs across the contacts internally. The relays are normally open, and close when energized.
Output Ports (Reed Relay) Pin Assignments (DB-44 Female)
| Port C Bit | Relay | Port C Pins |
| 0 | K3 | 10,28 |
| 1 | K2 | 11,29 |
| 2 | K1 | 12,30 |
| 3 | K5 | 13,31 |
| 4 | K4 | 14,32 |
| 5 | K6 | 15,33 |
| 6 | K7 | 16,34 |
| 7 | K8 | 17,35 |

The above diagram is representative of how lights (or other devices) can be controlled by the relay outputs. When relay 2 on the card is closed, it will allow current to flow from the power source, into pin 12 of the DB44, through the relay, out pin 30, and back to the power source thereby turning the light labeled “2” on. In the diagram above, pins 28-30 and 31-35 of the connector are joined, providing a common return path for the circuit. In this case the interconnections are being made on the connector itself. In the DB-37 diagram below the return path is supplied external to the connector. For complete electrical isolation, each relay can be wired to an independent isolated circuit.
Power and Ground Pin Assignments (DB-44 Female)
| Ground | 22,23,24 |
| + 5 Volts | 39 |
| + 12 Volts | 1 |
DB-37 Male Pin Assignment
Via optional DB-44 Male to DB-37 Male 6′ cable, Part Number CA206
| Bit | Port A Pins | Port C Pins |
| 0 | 2,20 | 10,28 |
| 1 | 3,21 | 11,29 |
| 2 | 4,22 | 12,30 |
| 3 | 5,23 | 13,31 |
| 4 | 6,24 | 14,32 |
| 5 | 7,25 | 15,33 |
| 6 | 8,26 | 16,34 |
| 7 | 9,27 | 17,35 |
| GND | 18,36,37 | |
| +12V | 1 | |
| +5V | 19 | |
The diagram is representative of how dry contact inputs (or current / voltage sources) can be monitored by the optically isolated inputs. When switch 1 above is closed, it will allow current to flow from the power source, into pin 3 of the DB-37, through the optocoupler, out pin 21, and back to the power source. If the current flow is between 3 and 50 milliamps, this input will be read as logic “0”. All the input associated with all open switches will be read as logic “1”. The above diagram shows that the common path to the optocouplers is provided external to the connector. The common path can be provided at the connector as shown in the DB-44 diagram above. Also, for complete electrical isolation, each input / output pair can be powered from an individual power source with no common present.

The diagram above diagram is representative of how lights (or other devices) can be controlled by the relay outputs. When relay 2 on the card is closed, it will allow current to flow from the power source, into pin 12 of the DB-37, through the optocoupler, out pin 30, and back to the power source thereby turning the light labeled “2” on. The above diagram shows the common path to all the relays is provided external to the connector. The common path can be provided at the connector as shown in the DB-44 diagram above. For complete electrical isolation, each relay can be wired to an independent isolated circuit.
Specifications
Input Ports
| Turn On Current | 3mA |
| Isolator Diode Drop | 1.1 VDC |
| Resistor Power Max | .25 W |
| Absolute Maximum Input Range | 3 – 13VDC/VAC |
| Recommended Input Range | 3 – 10 VDC/VAC |
Output Relays
| Contact Max Power Rating | 10W |
| Contact Voltage Maximum | 60 VDC/ 42VAC |
| Contact Current Maximum | .5A AC/DC RMS |
| Contact Resistance, Initial: | .10Ω |
| Rated Life: | Low Load: 200 million closures Maximum Load: 100 million closures |
| Contact Speed | Operate: .5mS Release: .2 mS Bounce: .5 mS |
| Maximum Operating Speed | 600 Hz |
Temperature Range
| Operating | 0°C – 70°C |
| Storage | -50°C – 105°C |
Power Consumption
| Supply line | +5VDC | + |
| Rating | 270 mA | (Optional) |
Physical Dimensions
| PCB Length | 4.7” (12.0 cm) |
| PCB Height | 2.5” (6.4 cm) |
Environmental Specifications
| Specification | Operating | Storage |
| Temperature Range | 0°C – 70°C (32°F – 158°F) | 40°C – 105°C (-58°F – 221°F) |
| Humidity Range | 10 to 90% R.H. Non Condensing | 10 to 90% R.H. Non Condensing |
Power Requirements
| +5VDC @ 280mA | +12VDC (optional) |
Manufacturing
All Sealevel Systems Printed Circuit boards are built to UL 94V0 rating and are 100% electrically tested. These printed circuit boards are solder mask over bare copper or solder mask over tin nickel.
Appendix A Troubleshooting
Following these simple steps can eliminate most common problems. To install Sealevel Systems Software and hardware in Windows, you must log in as an administrator or have administrator privileges.
- Install software first. After installing the software then proceed to adding the hardware. This places the required installation files in the correct locations.
- Read this manual thoroughly before attempting to install the adapter in your system.
- 3. Use Device Manager under Windows to verify proper installation.
- Use the SeaIO Control Panel applet or the Device Manager’s property page for card identification and configuration.
- Next, verify that your Sealevel Software is properly installed. This places the required installation files in the correct locations. In Windows it will be located here: Start All Programs SeaIO
Uninstall/Reinstall
- Install the most current Sealevel Software. To obtain the most current software package from Sealevel’s website, download from here:
- Sealevel Software Drivers
- Navigate to the Device Manager (right click on `My Computer’ and choose `Manage,’ then `Device Manager’).
- Look for the SeaI/O Device category and expand it to expose the Sealevel adapter.
- Right click on the listed adapter and choose `Uninstall.’
- Click on `Actions’ and choose `Scan for hardware changes.
- This will prompt the PC to scan and locate the Sealevel I/O adapter and properly initiate the installation and driver association.
Hardware
- With the system powered down, verify the I/O adapter is seated properly into the slot.
- Sealevel ISA and PCI Digital I/O adapters require 5V on the bus from the power supply.
- Sealevel Universal PCI Digital I/O adapters are 3.3V signal compliant. The I/O adapter requires 5V on the bus for proper operation.
ISA CARD EDGE (5V)
PCI BUS CARD EDGE (5V)
UNIVERSAL PCI BUS CARD EDGE (3.3 AND 5V)
PCI EXPRESS CARD EDGE
- If a slot seems unresponsive, power the system down and install the I/O adapter on a different slot on the motherboard.
- If your motherboard contains more than four PCI slots, it may have more than one PCI bridge to support the additional slots. Install our adapter in the first bank of PCI slots as these are supported by the PCI bridge closest to the CPU.
- Install the Sealevel Software and I/O adapter in another computer.
BIOS
- ISA bus devices require selecting available addressing and IRQ options in the computer systems BIOS. The IRQ selection must be set to `Legacy Devices’ in the BIOS setup menu.
- For ISA bus adapters, the address selection on the digital I/O adapter must correspond to an address that is currently available in the operating system.
- PCI and PCIe adapters are automatically assigned addressing and IRQs by the system BIOS based on availability. Ensure that available IRQs are set to PCI/PNP (this represents `Plug and Play’).
- If hardware installation issues persist, remove other bus level devices from your system to verify if this corrects the problem.
Device Manager Verification
Once your Sealevel Software is installed, verify the I/O adapter is properly enumerated. Navigate to the Device Manager for verification and configuration. To access the Device Manager, right click on `My Computer’ and choose `Manage.’ When the Computer Management menu appears, choose `Device Manager.’ If these steps do not solve your problem, please call Sealevel Systems’ Technical Support, (864) 843-4343. Our technical support is free and available from 8:00 AM-5:00 PM Eastern Time Monday through Friday. For email support contact [email protected].
Verification Utilities For SeaIO Classic Products
These three utilities were designed to verify the functionality of your Sealevel digital I/O adapters. To access these utilities, navigate to: Start All Programs SeaIO.
VB Test
This utility allows the setting and clearing of individual relays and groups of relays. It also offers timed activation of relays and monitoring of input signals.
VCTEST
This utility allows the setting and clearing of individual relays. It also offers monitoring of input signals.
SeaIOTST
This utility is a Win32 console application designed for testing all calls to the driver. This utility is very useful for verifying proper SeaIO driver configuration and hardware adapter settings. A main menu offers choices for reading and writing ports and setting and clearing relays. This utility also demonstrates the use of the NotifyInputChange API call.
SeaI/O Classic Hardware
This is an example of a properly enumerated SeaI/O digital I/O adapter in Windows Device Manager.
Right click on the adapter line item under the SeaI/O Device category and choose `Properties.’ This will show the Properties dialog box, as seen below.

This verifies that the SeaI/O digital I/O adapter (8004) is correctly enumerated.
To properly configure your digital, I/O adapter, please click on the `Card Setup’ tab and refer to the Configuration section of this manual.
SeaIO Device Driver Configuration
Sample Interval
This parameter sets the time interval for the timer used by the device driver to check the adapter for input state changes. To use, your application must invoke the SeaIO_NotifyInputChange overlapped API device driver call. The default value on installation is 250,000 microseconds (250 milliseconds).
Setting the sampling rate below 10,000 microseconds is not recommend as this can heavily tax the host processor. When the Sample Interval parameter is non-zero, the driver to periodically look at the inputs to see when one changes. When an input changes, the driver will complete the previously issued overlapped call. The driver utilizes a recurring timer to notify it to look at the inputs. The period of time (in microseconds) that occurs between passes of the driver looking at the inputs is specified in the Sample Interval box.
Additional information on Sample Interval can be located in the SeaIO Software Information Help file found here: Start All Programs SeaIO SeaIO Help – Device Configuration.
Logic States
The combo box allows selection of the type of logic that the driver will use: Positive or Negative. The default selection is Positive logic.
The original SeaIO API treated devices as if they had active low inputs. This behavior has been revised. The current SeaIO API returns inputs as active high.
Legacy SeaIO calls are: SeaIO_ReadReg and SeaIO_WriteReg functions. Their counterparts are: SeaIO_ReadByte, SeaIO_WriteByte, SeaIO_ReadBit, SeaIO_WriteBit, SeaIO_WriteAllOutputs and SeaIO_ReadAllInputs. These functions should be used exclusively by new applications.
Positive Logic
PIO cards
| Inputs: | If the input threshold voltage has not been met the API returns a 0. |
| If the input threshold voltage has been met the API returns a 1. | |
| Outputs: | If a 0 is written to the port the output is 0v. |
| If a 1 is written to the port the output is 3-5v. |
DIO cards
| Inputs: | If the input threshold voltage has not been met the API returns a 0. |
| If the input threshold voltage has been met the API returns a 1. | |
| Outputs: | If a 0 is written to the port the relay is de-energized. |
| If a 1 is written to the port the relay is energized. |
Negative Logic
PIO cards
| Inputs: | If the threshold voltage has not been met the API returns a 1. |
| If the input threshold voltage has been met the API returns a 0. | |
| Outputs: | If a 0 is written to the port the output is 3-5v. |
| If a 1 is written to the port the output is 0v. |
DIO cards
| Inputs: | If the input threshold voltage has not been met the API returns a 1. |
| If the input threshold voltage has been met the API returns a 0. | |
| Outputs: | If a 0 is written to the port the relay is energized. |
| If a 1 is written to the port the relay is de-energized. |
Additional information for Positive and Negative logic choices can be located in the SeaIO Software Information Help file found here: Start All Programs SeaIO SeaIO Help – Logic States.
Appendix B – Handling Instructions
ESD Warnings Electrostatic Discharges (ESD)
A sudden electrostatic discharge can destroy sensitive components. Proper packaging and grounding rules must therefore be observed. Always take the following precautions:
- Transport boards and cards in electrostatically secure containers or bags.
- Keep electrostatically sensitive components in their containers, until they arrive at an electrostatically protected workplace.
- Only touch electrostatically sensitive components when you are properly grounded.
- Store electrostatically sensitive components in protective packaging or on anti-static mats.
Grounding Methods
The following measures help to avoid electrostatic damages to the device:
- Cover workstations with approved antistatic material. Always wear a wrist strap connected to a properly grounded workplace.
- Use antistatic mats, heel straps, and/or air ionizers for more protection.
- Always handle electrostatically sensitive components by their edge or by their casing.
- Avoid contact with pins, leads, or circuitry.
- Turn off power and input signals before inserting and removing connectors or connecting test equipment.
- Keep work area free of non-conductive materials such as ordinary plastic assembly aids and Styrofoam.
- Use field service tools such as cutters, screwdrivers, and vacuum cleaners that are conductive.
Appendix C Example Circuits
Input Circuit
Output Circuit

Appendix D 8012 PCB Drawing

Appendix E How To Get Assistance
Begin by reading through the Trouble Shooting Guide in Appendix A. If assistance is still needed please see below. When calling for technical assistance, please have your user manual and current adapter settings. If possible, please have the adapter installed in a computer ready to run diagnostics. Sealevel Systems provides an FAQ section on its web site. Please refer to this to answer many common questions. This section can be found at http://www.sealevel.com/faq.asp. Sealevel Systems maintains a Home page on the Internet.
Our home page address is www.sealevel.com. The latest software updates, and newest manuals are available via our FTP site that can be accessed from our home page. Technical support is available Monday to Friday from 8:00 a.m. to 5:00 p.m. eastern time. Technical support can be reached at (864) 843-4343.
RETURN AUTHORIZATION MUST BE OBTAINED FROM SEALEVEL SYSTEMS BEFORE RETURNED MERCHANDISE WILL BE ACCEPTED. AUTHORIZATION CAN BE OBTAINED BY CALLING SEALEVEL
Appendix F Compliance Notices
Federal Communications Commission (FCC) Statement
This equipment has been tested and found to comply with the limits for Class A digital device, pursuant to Part 15 of the FCC Rules. These limits are designed to provide reasonable protection against harmful interference when the equipment is operated in a commercial environment. This equipment generates, uses, and can radiate radio frequency energy and, if not installed and used in accordance with the instruction manual, may cause harmful interference to radio communications. Operation of this equipment in a residential area is likely to cause harmful interference in such case the user will be required to correct the interference at the user’s expense.
EMC Directive Statement
Products bearing the CE Label fulfill the requirements of the EMC directive (89/336/EEC) and of the low-voltage directive (73/23/EEC) issued by the European Commission. To obey these directives, the following European standards must be met:
- EN55022 Class A – “Limits and methods of measurement of radio interference characteristics of information technology equipment”
- EN55024 “Information technology equipment Immunity characteristics Limits and methods of measurement”.
This is a Class A Product. In a domestic environment, this product may cause radio interference in which case the user may be required to take adequate measures to prevent or correct the interference.
Always use cabling provided with this product if possible. If no cable is provided or if an alternate cable is required, use high quality shielded cabling to maintain compliance with FCC/EMC directives.
Warranty
Sealevel’s commitment to providing the best I/O solutions is reflected in the Lifetime Warranty that is standard on all Sealevel manufactured I/O products. We are able to offer this warranty due to our control of manufacturing quality and the historically high reliability of our products in the field. Sealevel products are designed and manufactured at its Liberty, South Carolina facility, allowing direct control over product development, production, burn-in and testing. Sealevel achieved ISO-9001:2015 certification in 2018.
Warranty Policy
Sealevel Systems, Inc. (hereafter “Sealevel”) warrants that the Product shall conform to and perform in accordance with published technical specifications and shall be free of defects in materials and workmanship for the warranty period. In the event of failure, Sealevel will repair or replace the product at Sealevel’s sole discretion. Failures resulting from misapplication or misuse of the Product, failure to adhere to any specifications or instructions, or failure resulting from neglect, abuse, accidents, or acts of nature are not covered under this warranty.
Warranty service may be obtained by delivering the Product to Sealevel and providing proof of purchase. Customer agrees to ensure the Product or assume the risk of loss or damage in transit, to prepay shipping charges to Sealevel, and to use the original shipping container or equivalent. Warranty is valid only for original purchaser and is not transferable.
This warranty applies to Sealevel manufactured Product. Product purchased through Sealevel but manufactured by a third party will retain the original manufacturer’s warranty.
Non-Warranty Repair/Retest
Products returned due to damage or misuse and Products retested with no problem found are subject to repair/retest charges. A purchase order or credit card number and authorization must be provided in order to obtain an RMA (Return Merchandise Authorization) number prior to returning Product.
How to obtain an RMA (Return Merchandise Authorization)
If you need to return a product for warranty or non-warranty repair, you must first obtain an RMA number. Please contact Sealevel Systems, Inc. Technical Support for assistance:
Available Monday Friday, 8:00AM to 5:00PM EST
Phone 864-843-4343
Email:[email protected]
Trademarks
Sealevel Systems, Incorporated acknowledges that all trademarks referenced in this manual are the service mark, trademark, or registered trademark of the respective company.
























